Fórum témák
» Több friss téma |
Ha jól tudom, akkor ez egy műszaki fórum. Itt azt vitatjuk meg hogy hogyan lehet megvalósítani egy műszaki elképzelést, mindannyiunk tanulására, örömére. Ha nem tudsz építő jelleggel hozzászólni, kérlek ne zavarj másokat a hozzászólásoddal.
Egyébként megnyugtatlak, van rá törvényes megoldás, ha kicsit visszalapozol, meg is találod. Ha egy házilagosan gyártott feszültségszabályzót szerelek a motoromra, nem számít átalakításnak.
Azt lehet...de ha a sok "tudatlan" itt azt olvassa, hogy ledes világítás kerül az izzószálas helyére, még azt hiheti, hogy az szabályos, holott nem! A rendőrnek meg majd hiába mutogatja, hogy a HE-n azt olvasta...
A rajzod majdnem ok, de ha már műszaki fórum, akkor ne az izzószálas lámpa jelét rajzoljuk a LED felirat mellé!
Ha Te jobb rajzot tudsz, kérlek tedd fel ide. Megköszönjük.
Mint írtam, meg lehet csinálni a ledes világítást szabályosan. Nem találtad meg? Sajnálom. Aki "tudatlan", az neki se álljon.
helló, ezt a Feszültségszabályzót hogyan lehet be kötni, ducati energia gyújtáshoz?
A kép alapján nem lehet megállapítani hogy ez egy egyfázisú, indexet is tartalmazó fesszabályzó, vagy egy 3 fázisú fesszabályzó. Van valami ráírva?
Úgy tudom ez indexes, de nincs rajta semmi jelzés Derbi Sendan van ilyen
Neten keresgéltem én is, valóban a Derbi Sendára szereltek ilyent, de bekötési rajzot nem találtam. Az öt kivezetésből egy a test, egy a váltófesz bemenete a generátortól, egy az akkura menő töltőfesz, egy az indexkapcsolóra megy, egy meg a gyújtáskapcsolótól jön rá. De hogy melyik-melyik, azt sajnos nem tudom.
Megtudhatnám a kedves moderátort miért törölte ezt az írást ????????
Nem értem mi volt ebben a sértő hogy valaki jelentette ezt a kérést ?????? Vagy már ott tartunk hogy a gender szót sem szabad használni ????? Milyen képmutató világban élünk. Csak úgy jelzem : A gender (vagy magyaros írásmódban, illetve kiejtve: dzsender) jelentése röviden “társadalmi nem”. tehát végképpen nem értem mi volt ebben a sértő, vagyis azt sem mondhatom hogy alma mert valakit esetleg mint szó az is sért ????? Még ha valami személyes vagy sértő szó, beszéd vagy dolog lett volna akkor jogos lenne a szankciónálás de ilyen nincs a szövegben. Nem gondoltam hogy egy elektronikai oldalon is politikát csináltok egy szóból. Gratulálok És ime a szöveg ami kiverte a biztosítékot valakinél: "Idézet: „Tiszteletem minden gendernek . Szeretném megkérdezni hogy a kicsit feljebb lévő 555pwm-es kapcsolást meg lehet-e oldani hogy 10V-12V ig változtasson a feszültségen ? Milyen képlet alapján lehet kiszámolni a 3 db ellenállás értékét ? Köszönöm ha valaki tudná vagy segítene. Ahinoam.” A hozzászólás módosítva: Szept 24, 2022
Sziasztok,
melyik EWR-t érdemes megépíteni motorba? Konkrétan simsonba, az izzók sima AC-ról táplálkoznak csak ha az első oda van, akkor a hátsó is kiég mert nem terheli be eléggé.
Első megoldásnak 24V21W bele, hátra 12V5W helyére (persze ha csak külön izzós).
A hozzászólás módosítva: Okt 8, 2022
Szia!
Beépítenél egy EWR-t egy 140 Ft-os izzó miatt? Van más megoldás is, pl. az hogy a hátsó izzóhoz a reflektor izzó tompított/reflektor két csatlakozójától viszel hátra két vezetékkel a hátsó izzóhoz feszültséget. Ha kiég valamelyik szála a reflektor izzónak, megszűnik a testelése, amit valamelyik izzószálon kap a hátsó izzó. Természetesen a hátsó izzót el kell szigetelni a testeléstől. Egy másik megoldás a világítás átalakítása ledesre. Az örök életű. Simsonra egyszerű.
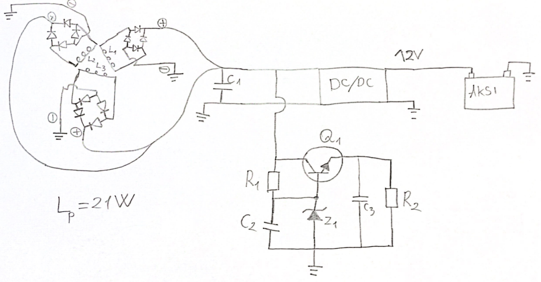
Azóta én még agyaltam ezen a DC-DC converteres dolgon és arra jutottam, hogy mindenképpen meg kell védeni valamivel a DC-DC primer oldalát a túl magas feszültségtől.
Így arra gondoltam, hogy beépítenék egy PNP tranzisztort amit egy zener dióda vezérelne. A cél az lenne, hogy mondjuk 20-24 volton a zener dióda földre tegye a tranzisztor bázisát így kinyitva azt. A tranzisztoron átfolyó áram pedig egy söntellenálláson elmelegedne. Itt már bevonnám mind a három tekercset a buliba. A gyújtás pedig megszakítóval és a hozzá tartozó gyújtótrafóval aksiról menne. A kérdés az, hogy hogyan kéne méretezni az R1,R2 ellenállásokat, a C1,C2,C3 kondikat és milyen modell kéne tranzisztorból valamint Zenerből. Azt el tudom képzelni, hogy végesetben teljesen feltöltött aksinál 0 fogyasztóval is 24 voltot kell tartania a rendszernek nyelezve tehát az R2-nek 8-9 Ohm-osnak kell lennie mert a 24V és 63-70W így kerül egyensúlyba. Viszont nem tudom, hogy köztes esetben hogyan viselkedne ez a kapcsolás. Amikor a C1 kondenzátor feszültsége eléri a 24V-ot a tranzisztor Collector-Emitter ellenállása nullához közelít? Vagy mennyi lesz? Ez az R1 függvénye gondolom? Köszönöm a segítséget.
A rajzodon egy sima npn tranzisztoros, Z1-gyel stabilizált tápegység van.
Ha az R1 helyére teszed a Z1-et ( pl. 24 V ) és vele sorban még egy párszáz ohmot, valaminr a Z1 mostani helyére pl. 6...10 kohmot, akkor működne az elképzelésed szerint az áramkör. A tranzisztornak az átmeneti ( >24 V ) időben lenne nagy terhelése, amikor az R2-vel közösen vinnék az áramot. Jóval magasabb bemenőnél újra csökkenne a tranzisztor melegedése, az R2-n meg megnőne maximumra.
Jaj bocsi, nem npn-t akartam rajzolni, hanem pnp-t. Esetleg egy rajzzal és pontos mondjuk hestore-bol beszerezhető alkatrészekkel ki tudnál segíteni, hogy pontosan mit kell vennem?
Pnp-vel így kellene:
Az R1 pl. 2k2, az R2 min. 100 W komplexum - sárgaréz ( vagy bronz ? ) hűtőben, fémvázon csavarozva. A tranzisztor egy darlington legyen, aminek max 40 wattot el kell disszipálnia az átmeneti időben, tehát hűtőborda és opció kis ventilátor, Ic>10 amperes. A zener pl. 24 V a vastagabb üvegtokos fajtából ( könnyebben kezeled ), a vele soros ellenállás 470..680 ohm. Azért kell maximumra méretezni, mert ki tudja, a köztes állapot ( pl. 26...30 V ) meddig tart időben. A hozzászólás módosítva: Feb 17, 2023
Szia!
Nem tudom segít-e az a rajz, amit megépítettem. Ez egy sönt szabályozó, ami a zéner értékétől függően leszabályozza az elszaladt feszültséget. Meg kellene építeni és kipróbálni. A tranzisztor 25A-t bír, megfelelő hűtés mellett. Gondolatébresztőnek szánom.
Kollégának három(?) fázisa van, ha lehet hinni neki.
Ez a söntös dolog hihető és működhet...
A három fázis egyenirányítás után, már egyenáram. Én megépítettem ezt a kapcsolást, nálam működött. Folyamatos terhelés alatt biztos hogy bírná a túlfesz megfogását. Terhelés nélkül nem biztos. Az a generátor teljesítményétől függ.
Hello! Érdemesebb lenne PNP tranyóból ilyesmit csinálni, hogy a kollektorral közös bordát lehessen szigetelés nélkül a testre kötni.
Egyébként azóta arra gondoltam, hogy egyenirányítás után csak odaadom egy MOFAKER-ből vásárolt gyári ELBAnak a feszt. https://mofaker.hu/termek/Tolto---villogo-egyseg-12V2x21W-8872-10-S51-(II-03)_Simson__121520
Szia!
Jó a meglátásod, a PNP-s megoldás nekem is jobban tetszene. A motoromra végül soros szabályzót készítettem, már több mint 5 éve, nekem az vált be.
Én nem merném megkockáztatni. Az az elektronika 21W-os töltő tekercsre készült. Ha nagyobb teljesítményű tekercset kötsz rá, nem biztos hogy bírni fogja. Még nem írtad meg hogy hány W-os tekercsek vannak a generátorban, így nem lehet jó tanácsot adni. Itt egy rajz az ELBA bekötéséről, ahol egyértelműen látható hogy 21W-os tekercsről van megtáplálva:
Azóta arra jöttem rá hogy a bejövő feszültségnek lüktetnie kell az ELBA-hoz, le kell esnie az akufeszültség közelébe, jobb esetben az alá. Ez pedig három tekerccsel már biztosan nem fog menni. Esetleg tekercsenként egy-egy ilyen ELBA kapcsolást megépítenék vagy maradna a tranzisztoros elmelegítős dolog
Jól gondolod, az a fontos hogy a tekercs teljesítménye ne legyen több 21W-nál. Ha egy tekercs elég ehhez, akkor nem kell több. Egy tekercs, egy ELBA elég ahhoz hogy legyen világításod, indexed és töltse is az akkut. Persze ezt ki kell mérni hogy biztosan jó legyen a rendszer.
Az a baj, hogy én mindent aksiról szeretnék csinálni, tehát jó lenne ha a gyújtótrafó gerjesztését is elbírná a cucc. Ehhez pedig szükséges a három tekercs. Komolyan én még azt is képes vagyok elviselni ha ezt három ELBA-val kell megoldani. 5. éve van meg ez a motor. Azóta szopok vele
Szerintem rossz irányba indultál el. A 21. századi motorok ledes világítással és szabályozott CDI-s előgyújtással jönnek ki. Ebbe az irányba kellene fejlesztened a motorodat. Én a motoromon ezt megcsináltam. Ez csak az én véleményem, nem kell megfogadni.
De ez egy Simson. Egyfelől nem akarok led-es világítást, nem is hiszem hogy a rendőr tolerálná. Másfelől nincs is szüksége szabályozott CDIs előgyújtásra, nem versenygép az ember 5-6 ezres fordulat alatt használja.
Megértelek. Akkor viszont az eredeti gyújtás és világítás a legjobb megoldás. A ledes világításról csak annyit, én már 5 éve azzal járok, a rendőröket csak az érdekli hogy világítson és ne vakítson. Mivel lakott területen belül és kívül kötelező a tompított világítás, ha nem világít, azt egyből észreveszi.
Sziasztok! Segítséget szeretnék kérni a következőre: van egy piaggio blokkos a aprilia sr 50 robogom és raktam bele egy MVT prémium digitális gyújtást, és erre még kellett tennem egy Yamaha robogó Feszt szabályzó t hogy tudjon töltést produkálni .van róla egy rajzom is amit egy másik fórumon találtam ,aki ugyanezt a piaggio blokkos robogoba beszerelte is neki működött.mindent ugyanúgy csináltam , Kötöttem át a kábeleket kötöttem be a Feszt szabályzó t, de nekem nem jön ki egyenaram a feszabályzóbol.igazabol semmi aram nem jon ki. Az lenne a kérdésem hogy esetleg Fesz szabályzó és fel szabályzó között is lehet különbség miszerint az egyik át tudja alakítani a váltó áromot egyenáramma,a másik pedig nem ? Ha esetleg valakinek lenne ötlete nagyon szívesen fogadnám. előre is köszönöm a válaszokat. Mellékletben ide írom a bejegyzésnek a linkjét hogyha ez segít. http://www.hstuning.hu/content/tuning-%C3%A9s-szerel%C3%A9si-tippek
Hi!
50-es Simsonom elektromos részét a lenti vázlat szerint oldottam meg, több éve működik kifogástalanul. Problémám, hogy alapjáraton rögtön megeszi a led "izzókat", pedig hátra azt szeretnék tenni és még irányjelzőt is építenék rá szintén ledeset. Multival nem is nagyon tudom mérni a tápot, mert megzavarodik kizárólag analóg műszerrel lehet amikor jár a motor, azzal meg 15V fordulaton. Egyéb műszerezettség hiányában arra gondolok, hogy nagyobb fesz. tüskék lehetnek a tápon. |
Bejelentkezés
Hirdetés |

















