Fórum témák
» Több friss téma |
Ja a 100nf kondikal nem spóroltam egyböl négyet tettem bele meg 1uf+100uf+200uf.
Ha atx táp akkor a zöld vezetéket kell a gnd-vel összekötni és elindul.
Heló nem atx régebbi kapcsolós táp.Te milyen tápal müködtteted? És hány méterig tudsz adni?Nekem 200 m volt a maximum ahol még tisztán vehetővolt.(a tápal kapcsolatban mikor bekapcsolom 2secre beindul aztán leál gondolm mert nincs terhelve.)
Én atx táppal próbáltam és 100X jobb volt mint egy 50Hz-es trafóval. Mostanába már nem kisérletezek vele (meguntam), amikor megépítettem akkor kb. 60 méterig ha tiszta volt de valószínű hogy a digitális hangolású rádiónak tudható be, pontosabban egy rádiós telefonnak. Azóta építettem már hozzá pll-t is. Párszor próbáltam bele életet lehelni de nem sikerült, a fiókban ladolt a cucc. Majd ha megjön hozzá a kedvem akkor előveszem és folytatom a kisérletezést.
200m Grat Képet tudsz feltenni az adóról?
ez lenne de csak akkuval müködik az antenám egy 1m sodrott vezeték mi az a pll? egy rajzot nem tudsz róla belinkelni ? az mit csinál?köszi a válaszodat
Bővebben: Link
Idézet: „egy rádióadó frekvenciáját egy előre bállított értéken tartja, nagy pontossággal”
köszi szépen a választ
Ha a hálózati traszformátort követő egyenirányítóval nincs párhuzamosan kötve 10 .. 100 nF kerámia kondenzátor, akkor pótold. Ha több ( 2, 4 ) db diódát használsz, akkor mindegyiket blokkold át.
Nincs mit. Az én adómról képek: itt
Heló AMD neked menyibe került a pll?Nehéz volt megcsinálni?
2500Ft volt az alkatrész de csak azt rendeltem ami nem volt itthon. Ja és a 2500-ban benne van a pic programozó alkatrészei is. Nem nehéz összerakni, inkább éleszteni. (legalábbis nekem még nem sikerült)
Heló az adó beálitását nem izzóval végeztem mert nekem a kis áramu izzó(1,5v 20mA szűkséges a felvilannáshoz, soha még csak be sem izzott a wolfram szál,vagy ez nagy áramu izzó?)tehát a tekercsek alap helyzetben voltak,90 valahány mhz ad, elkeztem tekerni az 1 forgó kondit mikor megjelent az adó felharmónikusa akkor beálitotam pontosan a rádiót(tekerős rádió!ekkor még nemjó a zene minősége)elkeztem tekerni a 2-dik forgó kondit a zene minőség megjavult.(az adó közvetlen közelében rengeteg a felharmónikus de 6 m-re az adótol eltűnik mind csak a beálitott freki maradt meg)ez után teszt rádió kézbe és séta.Az én észre vételem az hogy minél hangosabb a felharmónikus annál meszebre tudtam adni.200 m jól 250 m a vége az adó a szobába a szekrény tetejére van téve ami kb a föltöl számitva 3,5 m magasan van.Antena: 80 cm sodrott réz vez 1.5 mm-es átmérővel. de nagyon instabil a freki az antenát 15 cm-el odéb teszem és már a freki el is mászott szóval rögzitetem az adót is az antenát is.igy egész használható.
Heló a pic programozót honnan szerezted?meg a többi alkatrészt? A válaszodat előre is köszönöm
Én 12v 100mA-es izzóval próbáltam (csak ilyen van itthon) és szépen világított amég el nem durrant a tranyó. Elösször nem tudtam hogy miért/mi megy benne tönkre, szombaton eszembe jutott hogy biztos a BFR96 halt meg, kicseréltem és működött. Másnap megpróbáltam beállítani (kb. úgy ahogy te is) és amikor elmentem a kert végébe (kb. 70m) egy vacak rádiós tekefonnal.
így néztem hogy még ott is tisztán lehet venni. Amikor még csak össze volt dobva az adó akkor nekem is rengeteg felharmonikus volt, zavarta a tv-t is, ha közel mentem az adóhoz akkor elhangolódott. Most hogy rendes nyákon van, az antennától 2 centire se találtam felharmonikust a beálítotton kívül, a tv-t se zavarja. A pic égetőt én raktam össze.
A rádiós telefonnal vagy bármely más digitális rádióval nekem sincs felharmónikus de tekerősel igen(6m-ig).
Heló a táppal még mindig bajom van nagyon behalatszik az 50hz zugás.Nem tudjátok mit tegyek? Rakjak még bele 100 nf kondikat?
Itt a lap tetején ajánlottam, hogy a trafó után és a pufferkondenzátor előtt lévő egyenirányítókat ( látom, nálad 4 db van ), blokkold 10 -- 100 nF-os kondenzátorokkal. Azaz minden diódával köss párhuzamosan egy-egy kondenzátort. Összesen 4 db kell.
Ki sem próbáltad, vagy kipróbáltad de nem volt sikeres? Tudod, ezek a diódák az idő nagy részében szakadások. Mint a nyitott kapcsolók. Az idő kis részében, amikor csúcsratöltik a pufferkondenzátort, akkor vezetnek. Mint a zárt kapcsolók. Másodpercenként 100-szor kis időre zárnak. Mivel az antennád _biztosan_ nem jól illesztett, ezért a rádiófrekvenciás energia az adó felé is visszaverődik. És sugárzódik is. Antenna egészen Paksig. Az egyenirányítók pedig kapcsolgatják a hosszát: diódáig - Paksig - diódáig - Paksig. Nem csoda, ha brummos... A diódákkal párhuzamos kondenzátor az adási frekvencián folyamatos rövidzár. Jobb gyárak ( pl. régi Orion ) a vevőknék is alkalmazta ezt a megoldást.
Köszi szépen a választ.Igazábol nem értettem mi az hogy blokkolni a diódákat de most már értem ki is próbálom.Bocs hogy nem reagáltam az előző válaszodra.
Sziasztok!
Énis elkészítettem tegnap (2008.08.10 vasárnap) az Fm adómat. Nekem elég jól működik, csak a hangolás elég nehézkes, mivel ha tekergetem a trimmer kondit a kezem közelsége elhangolja a vételt. Ez ellen mit lehet tenni? Képek az adórol mellékelve
Hello, válassz egy olyan kapcsolást, amelyben az oszcillátor után van még egy erősítő-leválasztó fokozat is. Ekkora kapcsolást még nem láttam nem ártana tömöríteni és egy árnyékolás is segithet.Bővebben: Link
Én kipróbáltam kétutas egyenirányítóval +2db 100nF-os fólia kondival és az eredmény: :no: Lehet hogy azért mert kerámia helyett fóliával próbáltam?
Heló én is igy keztem csak én farost lemezre cineztem ösze az alkatrészeket de rátettem rendes nyákra és sokal stabilabb lett.Itt van egy Bővebben: Link kicsit bonyolultabb de ha az alkatrészeket cinezed ösze akkor is működni fog elég jól de ha tudsz nyákot csinálni még jobb lesz.
Heló Amd a pic égetőt a Novák félét épiteted meg ja és nyákrajzod van róla?
Nem. Bővebben: Link
Hmmm... Ha a 100 nF-ból csak 1 nF hatásos 100 MHz-en, akkor is csak 1.6 ohm az ellenállása. Lesz más gond ( is ), de több javallatom nincs.
Köszi szépen a megoldást ugy megjavult a tápom mintha elemel müködtetném (mind a 4 diódára tettem párhuzamosan 100nf kerámia kondit)egyáltalán nincs brumogás.Nagyon köszönöm.
Srácok, nem tudnátok valami olyan progit vagy épp webhelyet ahol Nyákra rajzolt tekercset lehet tervezni? Gondolom valamivel stabilabb, és nehezebben hangolódik el az adó. Googlival még nem találtam hasznosat.
ÜDV!
PL: Ansoft Serenade De nem egyszerű! Eddig sajnos még nekem sem sikerült vele terveznem semmit. Ajánlom figyelmedbe HA8ET Nagy Gyula cikkeit a témában.
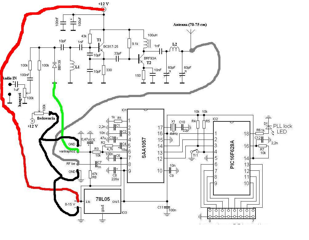
Heló most jutottam odáig hogy majnem kész van a pll-em (már csak 1 ic 1057-es hiányzik a többi kész)az lenne a kérdésem hogy ha igy vezetékelem össze akkor jó e?Vagy a 100k potit ki kel venni az adóbol?képet melékelem hogy hogy gondoltam .
|
Bejelentkezés
Hirdetés |




Grat
Képet tudsz feltenni az adóról? 




