Fórum témák
» Több friss téma |
- Ez a felület kizárólag, az elektronikában kezdők kérdéseinek van fenntartva és nem elfelejtve, hogy hobbielektronika a fórumunk!
- Ami tehát azt jelenti, hogy a nagymama bevásárlását nem itt beszéljük meg, ill. ez nem üzenőfal! - Kerülendő az olyan kérdés, amit egy másik meglévő (több mint 17000 van), témában kellene kitárgyalni! - És végül büntetés terhe mellett kerülendő az MSN és egyéb szleng, a magyar helyesírás mellőzése, beleértve a mondateleji nagybetűket is!
Elemes hangszer. fejezetet ajánlom figyelmedbe.
Sziasztok, van egy olyan problémám, hogy a képen látható Voltcraft VC-330 típusú multiméteremmel kínlódok már jóideje (már nem garanciális), ugyanis akárcsak egy szimpla ellenállás mérésekor össze-vissza ugrál, váltja automatán a méréshatárokat (Ohm, kOhm, MOhm), és végül ha meg is áll valahol, a legértelmetlenebb módon pl. 0,003 kOhm-ot ír ki. Gondoltam, hogy esetleg a mérőzsinór kontakthibás, lemostam a hegyeit mindkét végen izopropil alkohollal, de sajnos nincs változás. Kérdésem, hogy ez magának az automata méréshatár váltásnak a hibája, vagy egyedi lehet a probléma?
Az üzemmódváltó forgókapcsoló érintkezőinek kontakthibája is szokott ilyet produkálni.
Mindkét RCA csatlakozót próbáltad ezen az átalakítón? Feltételezem, hogy mono a jelforrásod.
Amúgy a képeden látható átalakító valami rendkívül gagyi fajta, szinte belül nem tartalmaz forrasztást se, nekem már esett szét ilyen, amit kívül össze kellett zsugorcsövezni.
Idézet: „A gitáromon 6.3 mm-es mono jackdugalj van.” Talált, süllyedt.
A mono nem okozhat problémát, az ugyanis csak földeli a jobb csatornát, de a balnak attól még szólnia kellene.
Időközben egyébként megoldódott a dolog, ugyanis elkezdtem ellenállásokat méregetni, és kiderült, hogy nem az a gond, hogy ennek a csatlakozónak túl magas az ellenállása, hanem hogy az, hogy túl alacsony. Amikor a láncban csupa alacsony ellenállású dolog van, akkor az eredő is alacsony, és ilyenkor valószínűleg akkora terhelést kap a gitár hangszedője, hogy az megeszi a jelet. Magyarul impedancia-illesztési problémával van dolgunk. Amikor a láncba bekerül egy 2-3 Ohm-os cucc, pl. egy szabványos gitárkábel, akkor mindjárt jó lesz minden, akkor is, ha az említett csatlakozó is bent van.Az eredeti kérdést egy kicsit hibásan tettem fel (elnézést), ugyanis a gitár nem akkor halkult el, amikor ez a csatlakozó IS bekerült a láncba, hanem akkor, amikor úgy került be, hogy mellette minden másnak is nulla volt az ellenállása. Jó kis tanulópénz volt, mindenkinek köszi a válaszokat!
Sziasztok.
A Skory féle 2 kapcsolási rajzban, meddig lehet leszabályozni a 220 Volt váltakozó feszültséget? Köszi.
Hello! Elvileg majdnem nullára. Feltéve, hogy a potid tényleg 590k..
Valami nem stimmel az elméleteddel. Egy csatlakozónak az átmeneti ellenállása ideálisan minimális, milliOhm nagyságrendű. A lánc végén levő erősítő bemeneti ellenállása a domináns, ami gondolom úgy 10 kOhm nagyságrendű lehet, így a kábel ellenállása sem nagyon befolyásolhatja a hangszedő terhelését, hiszen pár Ohm eltörpül egy bemeneti ellenállás mellett.
Üdv.
A hőtárolós kályhák menyi energiát igényel hogy felmelegedjen?
Szia! Példának okáért 300 kg, 1-es fajhőjű kő 40°C-kal való felmelegítéséhez 3,3 kWh szükséges.
A hozzászólás módosítva: Máj 19, 2024
Sziasztok!
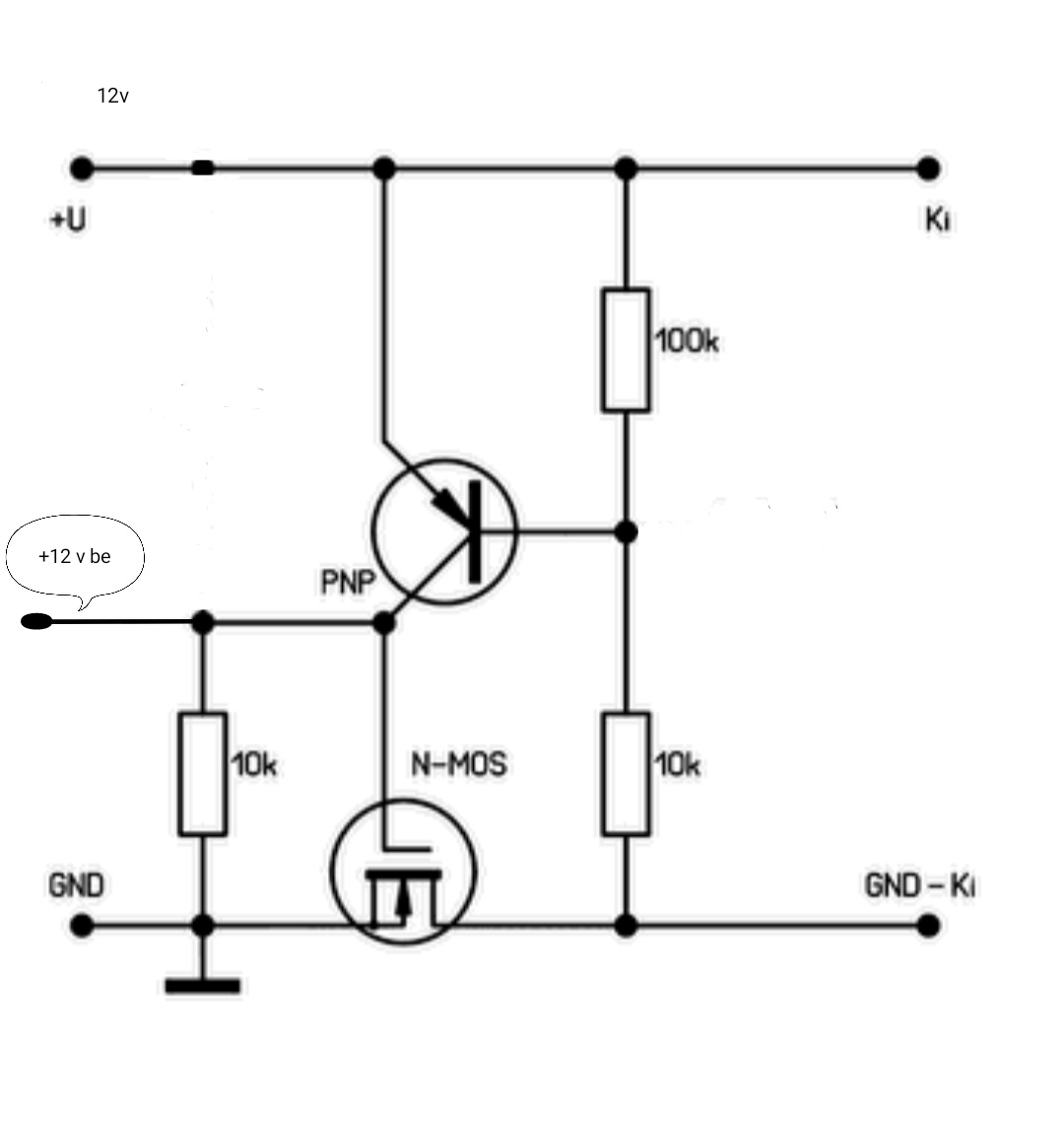
Egy öntartó kapcsolót szeretnék készíteni. Valami ilyesmit szeretnék. De nekem nem kell Fet bele,mert egy NE555 icnek kellene a negatív tápját kapcsolni. Ebben kérném a segítségeteket. Előre is köszönöm. A hozzászólás módosítva: Máj 19, 2024
Pont annyit, amit végül lead.
Sziasztok,
Azt szeretném megtudni, hogy a képeken lévő zöld huzalpotméter hány wattos lehet, illetve hogy nektek melyik "szimpatikusabb" az alábbi feladatra: Lágyvasas feszültségmérő műszernek kell 15Kohm körüli előtét, hogy a hálózati feszültség hatására 230-as állásig térjen ki. Ekkor az előtétnek kb. 2,8W-ot kell eldisszipálnia. Ezt az előtétet két 6,8Kohm-ból és az egyik huzalpotméterből raknám össze, hogy be lehessen állítani valós értékre. A barna remix 10W-osnak van aposztrofálva. Köszönöm.
Mindkettő jó lehet.
Ugyanakkor 2,8 W eléggé sok, teljesen felesleges ennyit "elfüstölni" feszültségmérésre. Ámbár ha a "design megkívánja"... A fix ellenállást több tagból rakd össze, mert ez a teljesítmény hosszú távon nagyon fűt. Potenciométerrel is tegyél párhuzamosan (nem a terhelhetőség miatt). Úgy szokás, hogy a potenciométer csak "finom" beállításra szolgáljon...
Jó reggelt! 3,7V-ról lehet 12V-ot generálni, ami alkalmas 400mA-t leadni??
Ha tiszta szinuszos feszültséget szeretnél mérni, akkor egyszerűbb egy kistrnszformátorral megoldani. Vannak 1-1,5W-os trafók, mivel az áttételük fix, így a szekunderfeszültség nagysága a primertől függ. Teszel be egy 5V-os trafót, a szekunderén, már elég egy kis teljesítményű ellenállás, amivel be tudod állítani a műszer kitérését, és meg is van oldva a feladat.
Hello! Persze StepUp konverterrel. De kb. 1,4A-fog enni az akksiból, úgy hogy kb. másfél órát fog menni..
A hozzászólás módosítva: Máj 20, 2024
Köszi! Konverterem már van. üdv
A hozzászólás módosítva: Máj 20, 2024
Bármely napelemes töltésvezérlő alkalmas autóakku töltésére? pl. 20 A-es?
Sziasztok!
Forrasztó pákához szeretnék új vezetéket venni 5 erest szilikon bevonatút mert meg tört valahol az évek során. Hol tudok be szerezni ?
nem sok értelmét látom a 555-nek ebben az áramkörben csak tápot kap, semelyik lába nincs sehova kötve.
A kérdező pont egy 555 tápját (GND) szeretné kapcsolni...
ezen jártam én is de itt nincs olyan amit keresek
Ehez a pákához kéneBővebben: Link A hozzászólás módosítva: Máj 20, 2024
mi a gond vele? vastag?
Színe meg vastag mert ha lehetne akkor fekete kellene.
|
Bejelentkezés
Hirdetés |





Amikor a láncban csupa alacsony ellenállású dolog van, akkor az eredő is alacsony, és ilyenkor valószínűleg akkora terhelést kap a gitár hangszedője, hogy az megeszi a jelet. Magyarul impedancia-illesztési problémával van dolgunk. Amikor a láncba bekerül egy 2-3 Ohm-os cucc, pl. egy szabványos gitárkábel, akkor mindjárt jó lesz minden, akkor is, ha az említett csatlakozó is bent van.











