Fórum témák
» Több friss téma |
Hello!
Zümmer kapcsolási rajzot keresek esetleg tud valaki segíteni nekem.A válaszokat előre is köszönöm.
Ezen az oldalon nézz szét, talán lesz kedvedre való (nem volt egészen egyértelmű a kérésed).
köszi de nekem egy zÜmmer kapcsolási rajza kéne(amiből össze lehetne rakni egyet)
Akkor meg itt keresgélj, bontasz valami régi videójátékból vagy csipogós órából egy piezo-lapkát, és kellő frekvenciával meghajtod.
és hogyan csináljak kellő frekvenciát esetleg erre van valami kapcsolásod
Astabil multivibrátor, akár egy 555-össel megépítve. A lapon is van kismillió, és a linken is találsz ilyet. A HE-n külön téma is van hozzá, abban mindent megtalálsz.
Célszerű a 3 ... 7 kHz frekvenciát megcélozni, azt szépen lehet hallani, de ha állíthatóra készíted, akkor belőheted tetszés szerint. Sőt, itt a segédprogramok között még méretezheted is
esetleg 555-ös nélkül meg lehetne csinálni mert kezdő vok
kobold ezt írta nemrég:
Idézet: „Astabil multivibrátor, akár egy 555-össel megépítve.” Ebből az következik, hogy neked egy astabil multivibrátort kell megépítened minimum, és az egyik lehetséges mód erre az 555-ös IC alkalmazása. Ha astabilt akarsz építeni, keress rá az oldal keresőjével és olvass minél többet a témáról!
Meg... Bővebben: Link
Legelső kép, képlet alatta. R4-nek tehetsz esetleg egy 100 Ohm-os ellenállást, alá a piezót, és a piezo alá kösd C2-t. De a kis lapkáknál ellenállás nélkül sem volt baja, én valamikor BC182-esekből csináltam, totál kezdőként, egy szétszedett kvarcóra lapjából.
Ezt is kipróbálhatod. A frekit a 47k-s trimmerrel állíthatod, durvábban a két kondi cseréjével - nagyobb kondi, kisebb freki. A hangerőt a piezóval soros kondival befolyásolhatod.
Lásd régifajta 8 V kapucsengő csak kicsiben.tekercs behúz lekapcsolja magáról az áramot elejt visszakapcsolja. Esetleg egy fordított dióda nem árt ha nem akarod hogy megrázzon. A mechanika beállításával tudod a frekvenciát állítani,esetleg a táppal.
Csak relatíve kis frekvenciákra. A piezókkal szabályzásával az a baj hogy csak egy konkrét frekvenciatartományban adnak ki viszonylag nagy hangerőt 2-3 kHz. Esetleg én is a kukázást javaslom (vigyázz nem minden zümmer ami annak látszik, de jó forrás lehet pl egy ébresztőóra) Esetleg az autóvillamossági boltban nézz szét. Ha multivibrátorral építed és nem sípoló hangot akarsz akkor hangszórót használj inkább. Off zümmert álltalában venni szoktam, nem építeni.
"proba":
Az az igazság, hogy én nem erre gondoltam.. volt nekem is ilyen kis szutyok több darab, úgyhogy nem ismeretlen a téma.... ( rossz helyre válaszoltál)Zümmer v. buzzer - nem is tudom, mire gondolt "tektonic", melyik fajtára - mechanikusra v. piezósra... na mindegy. "tektonic": ha kell egy módosított, jobb piezós rajz, szólj.. más értékekkel, mert az előző nem igazán erre készült..
Javított "kiadás".. a diódák csak akkor kellenek inkább, ha 8 volt felett megy a cucc - akkor nincs bázis-emitter zener-effektus és a kondik áttöltődése normális. A diódák 1N4148 v. hasonló.
A potival keresd meg a piezo legnagyobb hangerejét - melyik frekin megy a legjobban. Mehet sokkal nagyobb feszen is, de akkor a kollektorellenállásokat arányosan növelni kell.
Nos, ha hangszórót, vagy telefonhallgatót akasz zizegtetni, ajánlom ezt az egyszerű kapcsolást. Nagy előnye, hogy - némi alkatrészérték módosítással - szinte bármely hangkeltőt képes megfütyültetni, ha sorba kötöd vele.
Szia! Lehet készen kapni zümmert, 100-200 HUF. Csak rákötöd a DC feszt és már zümmög is...
Uraim!
Az alábbi kis genyának szeretném tudni a pontos felépítését: http://shop.wattvill.hu/kepek/z3.jpg Az a problémám, hogy nekem 1,2-1,5V-ról kéne, hogy üzemeljen, de csak 12V-osat kaptam. Hírtelen felindulásból le akartam tekerni a menetszám felét a tekercsről, de mire észbe kaptam, akkor vettem észre, hogy 4 vezetékről van szó Se menetszám, se menetirány, segítség! Feltúrtam a netet, de nam találtam meg sehol a kis rohadék felépítését Ha valaki tud valamit ezügyben ssegítsen
ja, és egy solarmeghajtású, turbófeltöltős vakondriasztóhoz kellene...
Sziasztok!
Bennetek bízom!Én is vettem egy zümmert,de én is csak 12v-ról működőt kaptam.Nekem 4,5v-ról kéne hogy működjön(egy led helyére akarnám bekötni,hogy ne lássam,hanem halljam a kapást ).Erre kéne nekem valami nagyon egyszerű megoldás(tehát hogy a 12v-os zümmer 4,5v-ról megszólaljon).Arra gondoltam először,hogy a zümmerre rákötök egy 4,5v-os elemet,és ha kapás van,akkor a kapásjelzőről kap még 4,5v-ot,az már összesen 9v,ott meg már ad ki hangot a zümi.A problémám az,hogy ha a zümmerre rákötöm a laposelemet(4,5v),akkor az a vezetéken keresztül nem-e károsítja visszafele a kapásjelzőt?De ez csak az én ötletem(és problémám),ha valaki tud valami jó megoldást erre,kérem írjon!
Először próbáld ki, mekkora hangot ad 4,5V-on (elég-e neked), ill. elindul-e egyáltalán.
Helló. A LED helyére tegyél egy optokapcsolót, a kapcsoló felére pedig tegyél egy 12V-os elemet (párszáz ft) meg a zümmert. Ennél nem sok egyszerűbb van.
Szia!
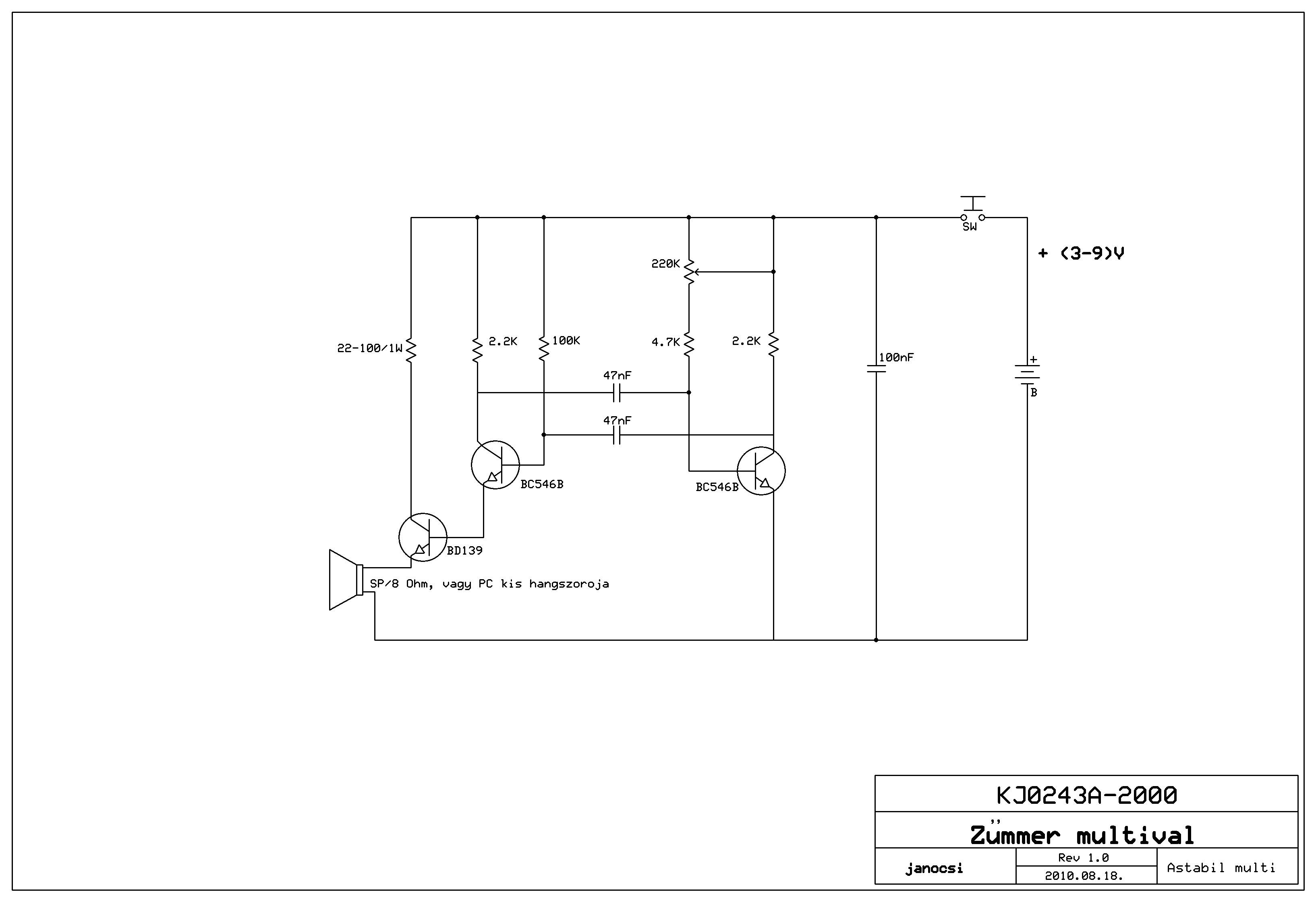
Korábban, amikor még ”nagyban pecáztam”, sok egyszerű kapásjelzőt elkészítettem, és ki is próbáltam. A legjobbak astabil multivibrátorral sikerültek, éppen elég hangerővel szóltak az amúgy is csendes horgászás közben. (Hangszórónak régi telefon hallgató, vagy PC hangszóró volt alkalmazva). Nagy előnyük, hogy már 3V feszültségnél is megszólalnak, nem is kell hozzá 4.5-6V-nál nagyobb feszültség. A nyomógomb helyére lehet kötni egy érzékeny (kapásjelző) mikrokapcsolót. Egy ilyen ”zűmmer” kapcsolását feltöltöm, néhány képet is egy működőről mellékelek hozzá, próbáld ki megépítve.
Sziasztok!
Csatlakoznék a témaindító kérdéséhez. Van néhány szóló piezó lapkám ezt szeretném berezgetni a legegyszerűbb módon. Ja 27nF értékűek. Tud valaki ilyen kapcsolást? Sebi kapcsolása jó lehet erre?
Nekem egy ilyen van. Elektronika nélküli lehet, mert 3 voltra csak kattan.
De azt akarok, hogy üvöltsön, ahogy csak a torkán kifér, mert riasztóhoz lesz. Mit javasoltok kapcsolásnak, frekit? Ez tetszik a legjobban, mert egyszerű, de multivibrátor is szóba jöhet vagy más is. De milyen értékekkel javasoljátok bármelyiket is?
Lágy csipogó hangzás - vajon hogyan oldották meg?Sziasztok itt is!Valakinek van ötlete, hogy a viharba tudták ezt a (lágy, lekerekített) hangzást megoldani Trium Mars telefonok csengőhangjánál? : Bővebben: YouTube Egyszerűen belebolondultam ebbe a hangba ![]() Itt sem hiszem, hogy a vezérlő oldaláról másképp lenne, minthogy 1bites zümmernek való vezérlőjeleket küldjön ki. Gyanúm szerint a végfok előtt van valami... De mi? Egy sima felülvágó szűrő? Vagy annál azért több?
Szia! Megint rossz helyen vagy...mert ehhez nem kapcsolási rajz kell, hanem internet, ahonnan letöltöd a megfelelőt hangfájlt.
Linkedről ugyan nem derül ki mi kéne (többféle van ott), de azt tuti nem egy ZÜMMER szolgáltatja, hanem pici membrános hangszóró, már amennyiben arról a bizonyos nokia telefonról lenne szó.
Itt nem Nokia telefonról van szó.
Nyomógombos és 2000 elején gyártott, annyi stimmel, de több nem.
Membrános hangszóró és nagy valószínűséggel a hanggal modulált PWM jel. Mint a mai D osztájú erősítők.
Rajzot a Mitsubishi Trium MT 50 Mars (1999) telefonró zümmeres topikbanl?
...nekem csak Triumph mobilom van. https://www.hobbielektronika.hu/forum/kapcsolasi-rajzot-keresek A hozzászólás módosítva: Okt 8, 2024
Hogy??
Nem értelek...Itt most valami szarkasztikus megjegyzést kéne értelmezzek?
Szia!
Szerintem NEM szarkasztikus megjegyzés, csak sima tény közlés lehet a dologban. Uniman elfogadja, hogy halvány lila fi***od sincs a dologról. Régebben a buzzer nevű alkatrész olyan volt, mint egy mini iskola csengő:relés szaggatású hang- rezgés keltő. Ez egy kb gépkocsi relé méretű szögletes dobozka.A japánok már a '70-es évekbe tranzisztort is tettek bele, de az elektromágneses jelkeltés megmaradt. A Zümmer már kisebb, és ott csak elektronikus hangkeltő van benne, de ez még lehet hangszórós, meg piezós.A modernebb csipogók már főleg piezós és tranyis-ic-s kivitelűek. A legegyszerűbb csipogó egy piezós, aminek van egy "nyelv szerűség" a vezető lapkáján, és egy 2222-es tranyi, meg két ellenállás.Itt az üregrezonátorban van a kulcs, mert nagyot szól, nagyon kicsi meghajtással. Ha kell, fotót is teszek fel, a TestBoy műszeremben van Buzzer. Meg ha kell, még van valahol vagy 5 db nem használt IS. Már régen építettem egy madár csipogást utánzó áramkört, zsebrádió transzformátor felhasználásával. De olyan bonyolult volt a működési elve, hogy akkor nem olvasta végig a leírást. A trükk az volt, hogy ha befőttös üvegben leengedtem a víz mélyére a horgászat közben, akkor nekem volt kapásom, de a többieknek nem.A halak " hallották" a csipogást, és odajöttek. Sajna nem tudom, hova lett a kapcsirajz, de az valóban lágy hangú, és kellemes hangzás volt. Ha valaki tud ilyet, vagy tudja hol lehet megtalálni, az érdekelne. IC-set is raktam már össze, de az nem olyan jó hatásfokkal csalogatja a halakat... Boy |
Bejelentkezés
Hirdetés |







).Erre kéne nekem valami nagyon egyszerű megoldás(tehát hogy a 12v-os zümmer 4,5v-ról megszólaljon).Arra gondoltam először,hogy a zümmerre rákötök egy 4,5v-os elemet,és ha kapás van,akkor a kapásjelzőről kap még 4,5v-ot,az már összesen 9v,ott meg már ad ki hangot a zümi.A problémám az,hogy ha a zümmerre rákötöm a laposelemet(4,5v),akkor az a vezetéken keresztül nem-e károsítja visszafele a kapásjelzőt?De ez csak az én ötletem(és problémám),ha valaki tud valami jó megoldást erre,kérem írjon! 






...nekem csak Triumph mobilom van.
Nem értelek...




