Fórum témák

» Több friss téma
Fórum » Leválasztó transzformátor
 
Témaindító: Smax, idő: Márc 21, 2007
Lapozás: OK   10 / 17
(#) mraulajos hozzászólása Máj 17, 2024 /
 
Hali!
Ezzel a trafóval mások az értékek. Most a primer oldalon mérek 70mA-t, a másik, szek.oldalon 35mA-t.
(#) ferci válasza mraulajos hozzászólására (») Máj 17, 2024 /
 
Szia!
Gondolom, itt már nincs feltűnő melegedés sem.
(#) mraulajos válasza ferci hozzászólására (») Máj 17, 2024 /
 
Semmi melegedés. Ez tökéletes.
(#) exabit hozzászólása Aug 26, 2024 / 2
 
Amit Skori írt a Ki mit épített topikban az alapból tök jó, de ahhoz hogy az ember biztonságosan használjon egy leválasztó trafót, ahhoz szerintem az is kell, hogy az illető értse annyira az elektronikát meg hogy mit csinál, mint Skori. A hozzám hasonló amatőröknek, hobbistáknak szerintem egy leválasztó trafó ugyanannyi veszélyt hordoz magában mint amennyi előnyt. Hamis biztonságérzetet ad.
Pl. földelt szkópot technikailag lehet lebegtetni, de hozzáértők nagyon erősen tiltják a használatát mert feszültség alá kerülhet a szkóp. Ráadásul ugyanekkor a szkóp hálózati transzformátorának a szigetelését is elkezded túlterhelni. Nagyobb frekvenciákon meg a hálózati táplálású műszernek a nagy parazita kapacitásai miatt lehet hogy az a föld-függetlenítés nem is olyan hatékony mint ahogyan várnád. A jelalak is torzulhat.
Ha csak az a vizsgált eszközt lebegteted akkor meg ha olyan pontra csatlakoztatod a szkóp földjét ami a vizsgált készülékben szintén valami kisimpedanciás összeköttetésben van a földdel, akkor meg megszüntetted a leválasztást és megint csak meg tudod rázatni magad ha rossz helyre nyúlsz és ekkor már pl. a FI relé sem véd meg hiszen leválasztó trafót használsz.
Nálam a leválasztó trafó azt a célt szolgálja hogy abba dugjak be minden ismeretlen eszközt és ne a lakás hálózati kismegszakítóit, FI-reléjét teszteljem hogy működnek-e még. Multiméteres mérések még rendben vannak, de ahhoz nem érzem magam elég képzettnek hogy szkóppal mérjek nagyobb feszültség alatt lévő eszközt, leválasztó trafó segítségével.
(#) Alkotó válasza exabit hozzászólására (») Aug 26, 2024 /
 
Egy toroid trafó -a rá jellemző szigetelési tulajdonságokkal- alkalmas leválasztó trafónak?
Mennyire kell itt szigorúan ragaszkodni a "biztonsági-leválasztó" fokozathoz?
Azért érdekes a kérdés, mert egy üzemszerű hálózati trafó is leválasztó trafó, és egyáltalán nem biztos, hogy biztonsági is.
(#) Ge Lee válasza Alkotó hozzászólására (») Aug 26, 2024 /
 
Valahol minden trafó leválasztó, valahol meg egyik se. Hogy mi tekinthető biztonságinak vagy sem arra volt régen valami definíció, hogy manapság van-e azt nem tudom, de régen a távolsággal volt ez összefüggésben, szóval kellő fizikai távolság a primer-szekunder tekercsek között, mint pl. a csévében csévés megoldások, ahol a szekunder cséverészt le lehetett húzni a primer csévéjéről. A nagy fizikai távolság kizárt bármiféle galvanikus kapcsolatot a primer-szekunder között.
Egy toroid szigetelési ellenállása a primeren lévő 2-3 réteg poliészter fóliával általában 20TΩ vagy afelett van, az átütési szilárdsága pedig 4kV felett, ez utóbbi talán már előírás is manapság, régen valami olyasmi volt, hogy a primer-szekunder közti legnagyobb feszültségkülönbség duplája +1,5kV, ezt bírnia kellett a szigetelésnek. Toroidnál a belső szigetelés a szekunder alatt van, az az utólagos mechanikus sérülést eleve kizárja, de szerintem a szennyeződést is, hacsak nem megy víz vagy hasonló a fóliacsíkok közé.
(#) exabit válasza Alkotó hozzászólására (») Aug 26, 2024 /
 
Ge Lee jól összefoglalta.
Én ilyen szabványokba és elnevezésekbe nem mennék bele mert nem értek hozzá. De tény, hogy csinálnak leválasztó trafókat toroidból. Egy ilyenben pl egy leválasztó toroid után van egy toroid autótrafó: Bővebben: Link. Meg csatoltam egy netről szedett toroid adatlapot, abban is írják hogy "safety isolation transformer". Hogy ehhez minek kell teljesülnie azt nem tudom.
Talán még annyi hogy a toroidoknál az erős kapacitív csatolás miatt a szivárgó áram viszonylag nagy. Megmértem egy 230/24V toroidomon, ott kb. 10 uA folyik a szekunder egyik kivezetésétől a föld felé. Ha bekötöm a védőföldbe az elektroszatikus árnyékolást ami a primer és szekunder között van, akkor a szivárgó áram kb. a tizedére visszaesik. (lehet hogy az árnyékolás még bekötetlenül is csökkenti valamennyire, azt nem tudom)
A hozzászólás módosítva: Aug 26, 2024

toroid.pdf
    
(#) mcc válasza Ge Lee hozzászólására (») Aug 26, 2024 /
 
Az Elektris minden trafóhoz bizonyítványt ad a 4kV-os átütési szilárdság méréséről.
(#) Ge Lee válasza mcc hozzászólására (») Aug 26, 2024 /
 
Meg a többi gyártó is, legfeljebb nem adja oda csak odaírja a webshop info-ba (lengyel, cseh, olasz stb gyártók). Elektris-t inkább hagyjuk, olyan szekundert tekertek hogy az ujjammal 4mm-t tudtam rajta ide-oda mozgatni a huzalt. És ki tudja, hogy csak a külső sor volt-e ilyen laza vagy az alatta levők is...
Egyébként én is adok bizonyítványt ha kéred, akár 5kV-os mérésről is. Ha jól tekerték fel a szigetelést, kosz és nedvesség nélkül akkor azzal nem lehet baj. Láttam olyan kisipari toroidot, ahol az emberke zsíros ujjlenyomata végig ott volt az alsó fóliasoron is. Ott nem is volt meg a 20TΩ közel sem, de már nem emlékszem rá.
(#) mcc válasza Ge Lee hozzászólására (») Aug 26, 2024 /
 
Ha nekem olyat adnak, akkor visszaviszem nekik... Eddig vagy 20 trafót tekertettem velük, még nem volt minőségi problémám.
A 4kV mérés egyfajta felelősség is. Mert ha mégis átüt, akkor annak büntetőjogi következményei vannak.
(#) Ge Lee válasza mcc hozzászólására (») Aug 27, 2024 /
 
Ezért nem szigetelek már semmit papírral, mivel a papírnak a meleg is és a pára is árt, a műanyag meg ha nem éri UV szinte örök élet. Van a padláson olyan régebbi gyári trafóm ami 1kV-on még nem, de 2,5kV-on átütött.

Honnan tudod, hogy jók voltak azok a trafók, leszedted róluk a külső szigetelést, és visszabontottál egy sort? Nem hinném. Én egy félkészet küldtem nekik, amit valaha ők csináltak, lebontottam róla mindent csak a primer maradt, azt impregnáltam, tettem rá új szigetelést (amire aztán ahogy írtad, megadták a bizonyítványt tehát valószínűleg jól dolgoztam) és csak a 380V-os szekundert kellett nekik feltekerni és nem kértem külső szigetelést, okkal, mivel fogalmam sem volt, hogy mekkora lesz a trafó drop-ja, így kézzel kellett beállítani a végleges menetszámot.
Ugye, egy 40V-os szekundernél 10% drop az csak 4V, de egy 400V-osnál már 40V. Szerencsémre bőven túltekerték mert 420V-ot tekertek fel a 380V helyett, és végül a 390V lett jó, azzal állt be a kb. 500V DC anódfesz.
Az első gondolatom nekem is az volt hogy visszaküldöm, mert ránézésre is hétfő reggel vagy péntek délután készülhetett, de sürgősen kellett, a durván laza két felső sor lekerült róla, a többi meg kapott lakkot, bírja ameddig bírja.
(#) mcc válasza Ge Lee hozzászólására (») Aug 27, 2024 /
 
Nem bontottam le, nem takartem vissza. De nem zúgott, nem zizegett, nem melegedett, minimális üresjárati áramfelvétele volt mindegyiknek. Nekem ennyi megfelel.
Általában impregnáltatom, némelyiket többször is.
(#) Alkotó válasza Ge Lee hozzászólására (») Aug 27, 2024 /
 
A toroidokat nem a klasszikus értelemben vett "menet menet mellé és soronként" tekercselik. Pl. egy kör a primer, azaz úgy állítják be a gépet, hogy a vasmagot olyan sebességgel forgassa, hogy közben "a majdnem" egy teljes kör végére éppen a kívánt menetszám legyen a vason.
Ettől lehet berzenkedni, de valójában az egymás melletti (egymáshoz közeli) menetek között kicsi a feszültségkülönbség, ezért minimális az átütés esélye.
A huzalok feszítését azt könnyen túlzásba lehetne vinni, és akkor nem tudnád őket mozgatni, viszont ekkor a nyúlás miatt sérülékenyebb rajtuk a szigetelés.
A toroidok gyártásának alapvető lépése az impregnálás. De a hagyományos trafókkal ellentétben ezt nem lehet utólag egy lépésben megcsinálni, mert a belső részeket nem érné el az impregnáló anyag. Ezért külön kell a vasat + a primert + a szeskunder(eke)t impergnálni.
És igaz, hogy ez nem történik meg mindig, de ennek nem műszaki oka van, hanem az olcsóságra való törekvés, hiszen az impregnálás érezhető többletköltséget jelent (és nagy részben kizárja az utólagos babrálhatóságot).
(#) ötfelezős hozzászólása Aug 27, 2024 /
 
Szerintem már párszor át lett itt beszélve, hogy a leválasztás kifejezés az másra van fenntartva, ezek a transzformátorok elválasztó transzformátorok. Voltak. A helyzet jelenleg bonyolultabb, ma az elválasztó transzformátor az az, amelyiknél a pri és a sec között legalább alapszigetelés van. Amit régen biztonsági transzformátornak hívtunk, az most biztonsági szigetelőtranszformátor (de régen az elválasztó transzformátornak is biztonsági transzformátornak kellett lennie!).
Hát ez csak bevezető az ingoványba.
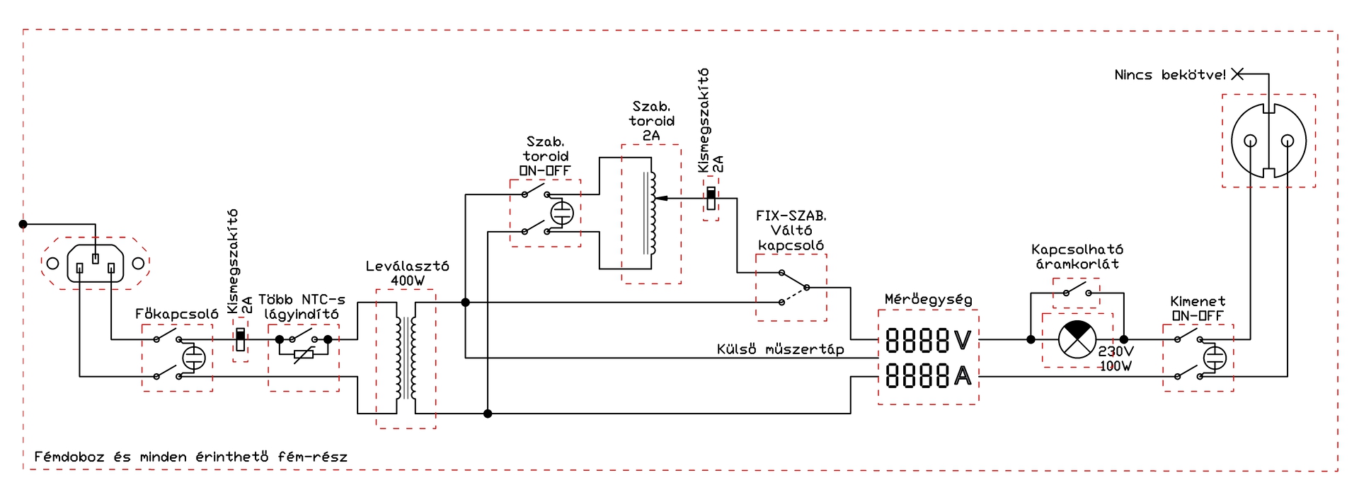
(#) Alkotó hozzászólása Okt 13, 2024 /
 

Leválasztott hálózati feszültségforrás

A dobozolós fórumtémában mutatom hogyan képzelem el a konstrukciót.
Az egységek egymáshoz kötését a melléklet szerint tervezem megcsinálni, de itt még vannak dilemmáim.
Szívesen olvasnék javaslatokat.
A hozzászólás módosítva: Okt 13, 2024
(#) erbe válasza Alkotó hozzászólására (») Okt 13, 2024 /
 
Jónak tartom a kapcsolást. Gondolom, az áramkorlát után elegendónek tartod te is az alkalomszerű feszültségmérést kézimüszerrel, ha szükséges.
(#) user1914 válasza Alkotó hozzászólására (») Okt 14, 2024 /
 
Szevasz!
A kapcsolható áramkorlátot lehet a feszültség mérő elé kötnén, hogy egyből látható a kimeneti feszültség.
Üdbv. M.
(#) majkimester válasza Alkotó hozzászólására (») Okt 14, 2024 /
 
Ha a leválasztó és a toroid közel azonos teljesítményű, akkor én nem vacakolnék az átkapcsolással a toroidon keresztűl vagy nem. Mehetne mindig direktben a toroidon át. Ennek akkor lenne igazán értelme, ha a leválasztó nagyobb áramra képes mint a szabályozható toroid.

A szabályozható toroidnál beraktál egy kismegszakítót, de a ez csak akkor van, ha beiktatod a szabályozható toroidot. Én ezt közvetlen a kimenetre tenném a kimenet on-off után. (Biztos láttad, nálam ez egy 1 DIN-es, de kétsarkú kismegszakító, mindkét ágat megszakítja, igaz nálam mehet a szabályozható toroid leválasztás nélkül is, mert az többet bír mint a leválasztó.)

Az izzót én is a mérő elé tenném (a sajátomnál is oda került), így nem csak az látszik, hogy felizzik, hanem az is, hogy mekkora feszültség marad a fogyasztón.

Amikor a sajátomat építettem, felmerült, hogy a toroid leválasztó alkalmas-e ilyen célra. Talán igen, de a primer és szekunder közötti szigetelés nem egyenrangú a fizikailag is osztott csévetesttel. Én végül egy EI magos osztott csévés leválasztót használtam.
A hozzászólás módosítva: Okt 14, 2024
(#) Ge Lee válasza majkimester hozzászólására (») Okt 14, 2024 /
 
Volt idő amikor a toroid csodaszámba ment, manapság már mindenki (is) gyártja. Vannak is nagy különbségek, nem csak a vasat hanem a tekercselést, szigetelést illetően is. Mértem olyat amit a 20 TΩ végkitérésű műszeremmel sem igazán tudtam megmérni, meg olyat is (épp tegnap), amire nem is mertem volna még 2,5kV-ot sem rákötni, mert 500V-on mérve is olyan volt a szigetelése, hogy elindult 60 GΩ-ról az érték, és szép lassan percek alatt kúszott fel 400 GΩ-ra. Egy ilyenre ha rákapcsolnám az előírt 4kV-os vizsgálófeszültséget lehet hogy át is ütne.
(#) Alkotó válasza majkimester hozzászólására (») Okt 14, 2024 /
 
Neked, és mindenki más hozzászólónak is köszönöm a javaslatokat.
Több minden is említésre került, részben olyan dolgok, amin én is töprengtem. Egyenlőre semmi sem végleges, de próbálok érvelni a mostani állapot mellett.
1. A mérés helyét a funkció alapján mérlegeltem. Feszültségforrásként tekintek a készülékre, aminek -ha akarom- én állítom be a kimeneti feszültségét, amit mérek. Aztán erre a feszültségre kapcsolom a terhelést -választható módon- közvetlenül, vagy áramkorláton keresztül. Nem tudom mennyire racionális, de itt nem a tényleges kimeneti feszültség mérése villant át bennem, hanem az áramkorláton eső feszültségé, akár egy külön mérőegységgel.
2. A szabályozható toroid külön kapcsolójának akkor látom az értelmét, ha csak a leválasztót használom (ez az alaphelyzet). Ilyenkor minek fogyasszon az is -mégha keveset is-.
3. A második kismegszakítóval eddig csak a szabályozható egységet akartam védeni, de valóban jobb gondolat a kimenetre tenni, ezt módosítani fogom.
4. A toroid leválasztó képességében nem tudok állást foglalni, de bízom benne. Az ügy érdekében a trafó rendelésekor külön kértem a primer és szekunder tekercs közti szigetelés duplázását, és a teljes impregnálást. Mégha ebben lehet is találni kifogásolni valót, igy is sokkal-sokkal jobb a biztonság, mintha egyáltalán nem használnék leválasztót. Az én igényeim alapján mindegy az 1 Tohm, vagy 20 Tohm ellenállás a két tekercs között, arról pedig papírom van, hogy elvégezték a 4 kV-al való átütési vizsgálatot.
5. A kimeneti ON-OFF kapcsolón is lamentáltam. A „vele vagy nélküle” között egyetlen előnyt találtam a vele oldalon. Így a kimenetet leválasztva is látom milyen feszültségre számíthatok, ha bekapcsolom. Ennek akkor lehet jelentősége, ha kisebb feszültségtűrésű eszközt kapcsolok rá, mert így kisebb a károsodás kockázata.
6. A kapcsolók minőségéről nincs rossz tapasztalatom. Használok ilyeneket évek óta és még egyikkel sem volt problémám. Komolyan fontolgattam a nagyméretű karos típusok használatát, de részben Skori véleményére támaszkodva, ezek érinthető fémrészei alapján elvetettem, és maradt a teljesen műanyag változat (ami még világít is ráadásul, és szép színes).
7. A lágyindító még nem dőlt el. A 400VA-es, alulgerjesztett trafó valószínűleg minden gond nélkül beindulna közvetlenül is. Az már nehezíti a kérdést, ha a főkapcsoló bekapcsolásakor mind a két trafó egyszerre akarna elindulni, és még tovább rontja a helyzetet, ha közben még terhelés is van a kimeneten. Ez egy nem ideális helyzet, talán még kerülendő is, de nem zárható ki. Ki fogom próbálni és az alapján döntök, habár egy lágyindító nem nagy költség és helyigénye is kicsi, tehát akár indokolatlanság esetén sem túlzó luxus.
A hozzászólás módosítva: Okt 14, 2024
(#) Inhouse válasza Alkotó hozzászólására (») Okt 14, 2024 /
 
1. Én is a kimenetre raktam, látom mennyit kap a tesztelt készülék. Abból látszik, hogy mennyi esik az áramkorlátozó izzón, de talán fontosabb, hogy mi került a készülékre.
2. Szerintem se menjen semmi, ami éppen nem kell, én is így csináltam.
3. Én a trafó elé tettem...lehet átrakom én is utána...
4.
5. Nem árt.
6. Van olyan érinthető fémfelülettel rendelkező kapcsoló, aminek bármilyen kapcsolata van a kapcsolt feszültséggel?
7. Az 1A-es kismegszakítót veri a 100VA-es lemezelt vasmagos leválasztó terhelés nélkül, ha a szinusz csúcsát kapom el.
(#) Alkotó válasza Inhouse hozzászólására (») Okt 14, 2024 /
 
6. Nyilvánvalóan alapesetben nincs. De történhetnek atrocitások, amik hatása akármi is lehet. Egyébként ezekre a fém karokra is lehetne tenni műanyag kupakokat -talán még kapni is lehet ilyet-, de én ezt most elvetettem. Tipikusan olyan kérdéskör, ami mellett és ellen is lehet érvelni.
(#) Skori válasza Alkotó hozzászólására (») Okt 15, 2024 /
 
Ha a trafó csak ritkán veri le a kismegszakítót, az is elég bosszantó dolog. Esetemben a 800VA-es toroid bekapcsolásakor 70% feletti arányban oldott ki a 4A-es kismegszakító. A kismegszakító és a trafó teljesítmény aránya az esetedben hasonló lesz, ezért várhatóan nálad is elő fog jönni ez a dolog. A készülék építésekor nekem 4,7 ohmos NTC indító ellenállásaim voltak, kísérletezéssel állapítottam meg, hogy hány darabot kell sorbakötnöm, ahhoz, hogy a kismegszakító leoldása nélkül tudjon indulni a készülék - ez 6db-ra adódott. Azért is érdemes NTC-t használni, mert sokkal kevesebb helyett foglal mint a nagy teljesítményű ellenállások, és jól bírja a bekapcsolási tranzienseket. A lágyindító reléje áthidalja indulás után, ezért tartós melegedéssel sem kell számolni.

3. Nem biztos, hogy érdemes. A trafó áramkörében már van kismegszakító, a szabályozót azért kell külön védeni, mert amikor kisebb feszültséget ad mint a bemenő, akkor nagyobb áram is ki tud alakulni úgy, hogy a bemeneti kismegszakítót nem oldja le. Ennek a csúszóérintkező a gyenge pontja - azt kell védeni a további kismegszakítóval. A második kismegszakító egyéb esetben feleslegesen növelné a kimenet belső ellenállását. Pláne ha ugyanakkora áramnál old le mint a primer oldali - mert akkor tényleg nem sok értelme lenne, hiszen a primer áram általában picivel nagyobb, a trafó nyugalmi árama miatt.
A hozzászólás módosítva: Okt 15, 2024
(#) Gafly válasza Skori hozzászólására (») Okt 15, 2024 /
 
Több cikket és adatlapot idéztem már trafó bekapcsolás ügyében.
Néhány nem triviális dolog:
- Kikapcsolás is fontos, mert a mágnesezettségi állapot erősen meghatározza a következő bekapcsolást (lásd "véletlenszerűség").
Nullátmenethez kötéssel kapcsolatban szilárdtest reléknél legalább három (inkább több) alaptipus van:
- Ohmos fogyasztókhoz (erre többféle is van)
- Induktív fogyasztókhoz (ez a mi esetünk, pont nem a nullátmenetnél kapcsol)
- Kapacitív fogyasztókhoz (na ez ritka)
Kézzel/relével kapcsolásnál ember meg nem mondja éppen mikor kapcsol, ekkor kell(het) a "lágyindító".
Toroidokkal kapcsolatban kezdett a kérdéskör egyáltalán felmerülni...
(#) Ódenka válasza Gafly hozzászólására (») Okt 15, 2024 /
 
Idézet:
„- Induktív fogyasztókhoz”

További 2 variáció - ellenpárhuzamos tirisztorokkal random kapcsolás és zero-cross (Ilyen módon kapcsolok 0.4-5kW-os húzómágneseket 230-400V-ról)

Amúgy a helyi, még cipőgyár korában csináltam 8x100W Quad erősítő egységet egy íróasztalba, 800VA-es toroiddal, szűrésre már nem emlékszem, mekkora elkók. 10-ből 1x maradt fen a 16A-os kismegszakító. De csak bekapcsoláskor...
(#) majkimester válasza Alkotó hozzászólására (») Okt 15, 2024 /
 
2. Esetleg megoldható 1 kapcsolóval az átkapcsolás, ami kapcsolja a szabályozható toroid bemenetét és kimenetét is. Ekkor persze egyik pontja nem lesz feszültségmentes, de ennek nincs jelentősége. Kevesebb kapcsoló, kevesebb hibázási lehetőség használat közben.

3. Skori válaszán elgondolkoztam, és megnéztem mekkora ellenállást képvisel egy kismegszakító. Sajnos a 2A-es elég nagyot, kb. 0,5 Ohm, 4A-es már csak kb. 0,1 a 10A-es meg csak 0,01 Ohm. A legkisebb fogyasztói ellenállás 115 Ohm a 2A-hez. Ennél a 2A-es kismegszakító ellenállása a fogyasztóénak a 0,43%.
Kisebb feszültségű fogyasztónál az arány még rosszabb lehet. Nálam a 10A-es sok vizet nem zavar, de a 2A-es helye megfontolandó.

4. A szigetelési ellenállással nem lesz gond, de kérdéses a kapacitív szivárgó áram.
Van erre is szabvány, EN 61558-2-9:2011, de nem fogunk belenézni sajnos, hacsak nincs meg valakinek, mert 50 EUR-ért adják.

5. Szerintem ez "kötelező" felszerelés. Ha a bemenetet kapcsolod, akkor a fogyasztód is egy légyindítón keresztül kapcsolod. Nem a szokásos üzemi bekapcsolás. Ezen felül még nem is látod mit fogsz rákapcsolni, ha a szabályozható toroidon keresztül csinálod.

6. Váltózó sajnos a minőség. Nálam a 2db sem egyforma érzés. Az egyik teljesen jó, a másik érezhetően könnyebben átkapcsolható.
(#) Alkotó válasza majkimester hozzászólására (») Okt 16, 2024 /
 
Racionális dolgokat említesz.
2. Ezt a kötést a kapcsoló is lehetővé teszi, mert 2 db morze van benne.
3. Itt nem értek mindent. Ha valóban 0,5R ellenállást képvisel a kismegszakító, akkor azon 2 A mellett 1 V esik. Ennyi áldozat belefér a biztonságba. A 2A-hez tartozó „legkisebb fogyasztói ellenállás 115 Ohm”-ot nem tudom ide kapcsolni. 230V/2A = 115R-ot értem, de miért jó ezt kiszámolni? Gondolom azt akartad érzékeltetni mennyire összemérhető ez az érték a 0,5R-al, de továbbra is tudjuk, hogy 1 V esik rajta.
4. A kapacitív, induktív és egyéb éteri csatolások létét nem vitatom. De van ennek köze a galvanikus leválasztáshoz (mert ez lenne a cél)? A leválasztó trafónak a szekunder oldalán is üzemszerűen halálos a feszültség, kell itt foglalkozni egy kis kapacitív csatolással is a jelentős induktív energiaátvitel mellett?
5. Ezt már az elején eldöntöttem, lesz benne kimeneti On-OFF (legfeljebb nem használom).
6. Erről ígértem egy mérést a dobozolós témában. Ha van hozzá valamilyen metodikai ajánlás, akkor azt is megmérem ha képes vagyok rá.
(#) majkimester válasza Alkotó hozzászólására (») Okt 16, 2024 /
 
3. Lehet kissé zavaros, csak a fogyasztó ellenállásához hasonlítottam a kismegszakító ellenállását, de a rajta eső feszültség az sokkal jobban mutatja a lényeget.

4. A tekercsek nincsenek galvanikus kapcsolatban, de képzeld úgy, hogy a trafót helyettesíted egy kis kapacitású kondenzátorral (ez lenne a kapacitív csatolás a primer és szekunder között), a egyik kivezetése a fázisra a másikat meg esetlegesen megfogod. Úgyanúgy rajtad záródik az áramkör a föld fele. Ugyan csak mikroamperekről beszélünk, biztosan nem lesz bajod tőle, de azért kiváncsi lennék mit ir a szabvány, mi a megengedett értéke a szivárgó áramnak ahhoz, hogy megkapja a minősítést.
exabit fentebb irta, 10uA-ert mért egy toroidján. Nem tűnik soknak, de mégis van.
(#) Ge Lee válasza majkimester hozzászólására (») Okt 16, 2024 /
 
Nem tudok róla, hogy erre vonatkozóan lenne bármi előírás egy leválasztó trafóra. Toroid esetében sacc/kb 400-800pF primer/szekunder közti kapacitással lehet kalkulálni, ki lehet számolni, hogy azon 50Hz-en mekkora áram folyik át. Nyilván, egy kimondottan ilyen célra gyártott duplacsévés (cséve a csévében) trafó esetében ahol a szekunder cséve lehúzható a primer csévéről ott ez az érték jóval kisebb lesz, talán még 100pF se. Volt egy ilyen trafóm de ebből a szempontból sosem mértem meg.
(#) Ge Lee válasza Ge Lee hozzászólására (») Okt 16, 2024 /
 
Az kimaradt, hogy én nem emiatt nem építenék toroiddal leválasztót, hanem olyan okból, hogy (legalábbis nálam) a terhelhetőség leválasztásnál kevésbé szempont, inkább egyáltalán nem, viszont az esetleges rövidzárlat annál inkább előfordulhat, és egy nagy szórású trafó attól sem ilyed meg, rövid időre simán kibírja, akár még az automata sem megy le (méretezés kérdése). Plusz ott van még a lágyindítás, az sem kell a hercehurcájával együtt, amikor elmegy 1 másodpercre az áram majd visszajön, a relé meg azt se tudja hogy mit csináljon, és vagy kezdődik egy újabb lágyindítás, vagy koppan az automata, vagy valami meghibásodik.
Következő: »»   10 / 17
Bejelentkezés

Belépés

Hirdetés
XDT.hu
Az oldalon sütiket használunk a helyes működéshez. Bővebb információt az adatvédelmi szabályzatban olvashatsz. Megértettem