Fórum témák
» Több friss téma |
- Ez a felület kizárólag, az elektronikában kezdők kérdéseinek van fenntartva és nem elfelejtve, hogy hobbielektronika a fórumunk!
- Ami tehát azt jelenti, hogy a nagymama bevásárlását nem itt beszéljük meg, ill. ez nem üzenőfal! - Kerülendő az olyan kérdés, amit egy másik meglévő (több mint 17000 van), témában kellene kitárgyalni! - És végül büntetés terhe mellett kerülendő az MSN és egyéb szleng, a magyar helyesírás mellőzése, beleértve a mondateleji nagybetűket is!
Ha nem használsz fet meghajtót , akkor érdemes a gate-source közé bekötni egy 10K ellenállást mert előfordulhat hogy nem kapcsol ki a fet.
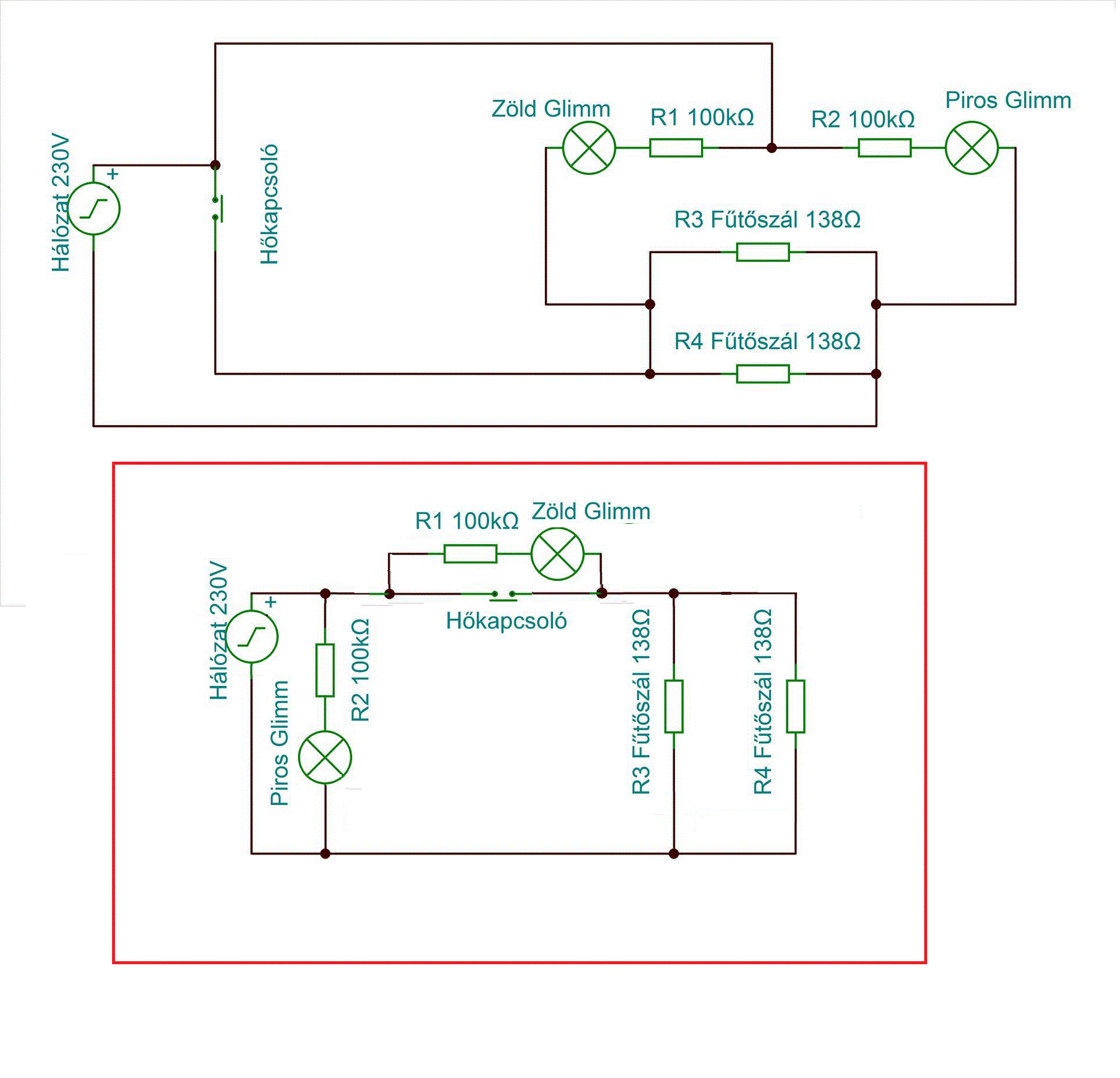
Idézet: „Az IRLZ44N Source-ére kerül a betáp GND-je. a Gate-et és Soruce-ot egy 10K-s ellenállással összekötök még, ez nincs a képen.” ÖnkisülésSziasztok!Meg lehet-e mérni egy elem, vagy akksi tényleges, pillanatnyi önkisülését, és számszerűleg meghatározni. Ez új elemnél/akksinál a minőségéről adna információt, használtnál pedig az elhasználtság mértékére. (Gondolom én, de így van ez valóban?) Tehát a mérhetőségről a véleményetek? Kapcsolási rajz értelmezéseSziasztok,kérlek, ajánljatok olyan leírást, tananyagot, oktatóvideót, módszert, aminek segítségével megtanulhatok kapcsolási rajzról áramköri működést értelmezni, az áram útját meghatározni, az áramköri elemek viselkedését megérteni. (Talán elektronikában ennél kezdőbb kérdést már nem is lehet feltenni... )Akkor hasított belém a felismerés, hogy ez elengedhetetlen lesz, amikor ennek a végtelenül egyszerű szendvicssütőnek a működését nem sikerült megértenem. Kérlek, homályosítsatok fel, hogy a hőkapcsoló zárt helyzetében miért nem folyik áram a "Zöld glimmlámpa" ágon, miközben a fűtőszálak melegszenek? És nyitott helyzetében miért folyik úgy, hogy közben a két fűtőszálon szinte alig esik feszültség? (A gyakorlatban ilyenkor nem is melegszenek.) A "piros glimmlámpa" ágon pedig mindig folyik áram, az a lámpa mindig világít. A rajzot a TINA-bol másoltam ki, a szimuláció gyönyörűen működik, hozza a valóságot. Már csak nekem kéne felnőnöm az alapszintre... Előre is köszönöm a választ.
Hello! Az önkisülést nem lehet fizikailag megmérni, mert egy belső folyamat. Nagyságára következtetni lehet, a kapocsfeszültségből és az eltelt időből. Amennyiben ismert a kapacitás/kapocsfeszültség görbe. Gyártó publikálhatná, de mint sok minden mást, ezt sem teszi.Esetleg következtetni lehet rá a belsőellenállás mérésével. De szerintem az sem egy lineáris folyamat. De ehhez is ismerni kell, a kapacitás/belsőellenállás jelleggörbét.
Hello! Amennyiben az elméletre vagy kiváncs..
Alapaxióma: Azonos feszültségű pontok között nem folyik áram. - Műszakian ez úgy hangzik, hogy ez ekvipotenciális pontok között nincs áram, számításkor ezen pontok össze is köthető, köztük lévő eszközök rövidzárral történő helyettesítése nem változtatja meg az áramkör tulajdonságait. (Ezt sok esetben hálózatok számításnál alkalmazzuk is.) - A vezető (v. vezeték) két pontja is ekvipotenciális pontnak tekinthető. Kivétel, mikor pont a vezető ellenállására, vagy veszteségére vagyunk kíváncsiak. (De mint az élet oly sok területén a dolgok egymáshoz viszonyított aránya számít és az egyszerűség kedvéért elhanyagolunk számbavételnél olyan dolgokat ami a másikhoz képest elhanyagolható.) Tehát pld. itt is a vezeték ellenállása elhanyagolható a fogyasztó mellett. Szimulátor 0-nak is veszi a vezeték ellenállását. Ha mégsem az, akkor a szimulációban annak ellenállását nekünk kell helyettesíteni egy látszólagos soros ellenállással. Ezen elvek alapján elindulva.. A vezetékkel összekötött pontok, azonos potenciálú pontok. Vagy is ha a hőfok-érzékelő zárt állapotú, akkor a zöld Glimm lámpa (soros előtét ellenállásával) két pontja azonos potenciálon van. Így az nem tud világítani. Ha bont a hőérzékelő, akkor a Glimm 10k felóli vége a "fázison", míg a Glimm felüli vége a fűtőbetéten keresztül a "nullára" kapcsolódik. Így 230V feszültség lesz rajta és a Glimm világítani fog. Ekkor az áramkör a 100k-Glimm-fűtőbetét útvonalon záródik. "Soros áramkörben minden tagon azonos áram folyik, az feszültségek pedig az ellenállások értékeinek arányában oszlik meg." Mivel látható, hogy a 100k mellett a két fűtőbetét párhuzamos ellenállása elhanyagolhatóan kicsi, így szinte a teljes feszültség a 100k-ra jut. Ezért nem fűt a betét és teljes fénnyel világít a Glimm. (A Glimm egy gáztöltésű cső, annak működését itt most ne taglaljuk.) A piros Gimm esetében pedig látható, hogy akár zárva akár nyitva van a hőkapcsoló, azt nem befolyásolja. arra mind két esetben a 230V jut. Ergo, világítani fog, míg van hálózat. Könyvet majd a fiatal korosztály fog ajánlani, amiből tanulni lehet. De az érdeklődési irányodat is közölni kell, mert a "villamos szakma" meglehetősen szerteágazó, persze alapjai minden esetben azonosak. A hozzászólás módosítva: Nov 14, 2024
Az is sokat segít, ha értelemesen van lerajzolva.
Szokásjog alapján a jel/energia áramlása balról jobbra, és hasonlóan. Érdemes átgondolni az "áramutakat", különböző üzemállapokokhoz. Ez most nagyon egyszerű, mert kettő van. Be van dugva a konnektorba/áram alatt van "piros". Fűt, akkor zöld sötét. Na ez ellene megy a szokásjognak, de nyakatekerten értelmezve, amikor elkészült az piritós, akkor zöld/vagy zöld, tehát beteheted a piritósnak valót. Mindezeket le kell írni tizenöt nyelven a nyolc oldalas használatiban. Nyugi, a következő változatban egyszerűbb lészen az élet, csak letöltöd a kenyérpirító 3.19.2 applikációt, és az okostelefonodon követheted és szociális platformon megoszthatod a státuszt. A hozzászólás módosítva: Nov 14, 2024
Próbáld ki az online Falstad szimulátort. Szépen mutatja, hogy mikor merre folyik az áram.
Ezeket a dolgokat, nem lehet egyszerűen leírni, elég bonyolultak annak aki még nem ismeri az elveket. Jobb lenne a környékeden keresni egy hozzáértőt aki esetleg elvállalja, hogy segít az alapok megismerésében. Merre laksz? Ha azt megadod, akkor esetleg itt is lesz aki segít ebben.
DC DC konverterSziasztok. Van egy kapcsolási rajzom egyteherautó fékbetét kopásjelző potencióméterek ellenőrzéséhez. Az lenne a kérdésem hogy a 7805-ős stab IC heleyett használhatnák a képen látható DC-DC konvertert?A hozzászólás módosítva: Nov 14, 2024
Szia! Mindennek az alapja a jó rajz. Kicsit átrendeztem az alkatrészeket. A piros keretben ugyan úgy kapcsolódnak az áramköri elemek mint korábban, így talán nem is kell magyaráznom a működést.
A kapcsi táp zajt visz be az áramkörbe, mivel analóg erősítő/komparátor van án maradnék a 7805-nél.
Annak járj pontosan utána, nekem erősen gyanús hogy így a táp/bemenet nem közösíthető a pm438 műszernél.... (hasonló lehet mint a 7106-os modulok) pl itt van pár doku https://www.hestore.hu/prod_getfile.php?id=3124 https://www.hqelektronika.hu/lcd-35digitalis-panel-muszer-200mv-lcd-pm-438 Amúgy honnan van a rajz, biztos üzemképes, vagy valaki "próbálkozott" A műszerre ezt írják: Power supply 8 - 12V DC (9V battery) akkor hogy is fog működni? Lehet mint a mesében hol megy hol nem, és valami biztonsági dolgot/megfigyelést bíznál rá.... A hozzászólás módosítva: Nov 14, 2024
Nem javasolt. Egyrészt fizikailag nagyobb, másrészt nagyon zajos a kimeneti feszültség.
Saját magad linkelted a pdf et amiben leírják a táp/bemenet közösítés probléma megoldását, ezt a rajz készítője figyelembe is vette. A 9V elemmel mi a bajod? Ha helyesen specifikálta a feladatot akinek kell ez a cucc akkor a rajz tuti hogy jó, aki csinálta érti a dolgát
Nagyon köszönöm a magyarázatot!
És mindenkinek külön köszönöm a válaszokat!
Hello!
Használhatsz konvertert, de feltételezhetőn, nem a 7805 helyett, hanem a 24V/9V előállításához. Vagy is egy 7809 helyett, nem a 7805 helyett. Mert feltételezem, hogy a gépjárműben lévő poti, vagy inkább Hall detektor, nem túl energiaigényes jószág, hogy egy 7805 ne tudná ellátni, de egy 9V-os elemről meg lehet táplálni. De javaslom, olvasd el az anno köztünk folyt eszmecserét itt. Köszönöm a bizalmat és a bizalmatlanságot. A rajz tőlem származik 2016-ból. De, csak csendben jegyezném meg, hogy ha valaki műszaki véleményt formál, annak illik utána is járni/számolni, nem feltételezéseket megfogalmazni. A kapcsolásnak van neuralgikus pontja, de az messze nem az, amire a "költő gondolt".
600W inverterJó reggelt!Valaki tudna adni tanácsot hogy javítható-e , és ha igen melyik alkatrész az amit elsőként ki kell mérnem? 600 W-os inverter, korom, felfújt kondenzátor nincs a panelen, 12 V bekapcsolásakor csak sípol a szerkezet.
Csak tanács, de a "szerkezet" kifejezés nem tartalmaz túl sok szükséges információt a segítség nyújtáshoz. Úgy illik kezdeni, hogy mi a márka és a típusszám, esetleg kép az elejéről és hátuljáról, hogy egyáltalán beazonosítható legyen. Ha már sípol az lehet kiinduló pont, és utalhat a hibára, de lehet ilyen pl az előlapon elhelyezett fények, ha van ilyen, ami jelen esetben szintén nem közölt. Ha már a típus megvan, lehet keresni kézikönyvet a neten, abban általában a hibára utaló sípolás megfejtése jó eséllyel benne szokott lenni.
Mindezek után, amit elsőnek ki kell mérned, az a rákapcsolt akkumulátor. Bele nyúlkálni meg csak szigorúan akkor szabad, ha biztos vagy benne, hogy ha mérsz benne valamit, akkor mit, és azt hogyan kellene. Ui.: Egyébként meg nagyjából a képet elnézve (ahogy látom) egy sima DC AC step up konverterről van szó, tehát ha képes volnál azonosítani ennek megfelelően legalább a részegységeit, akkor meg tudnád találni az elsőként mérni érdemes alkatrészeket, biztosítékokat, kapcsoló feteket, diódákat bemeneti és kimeneti feszültségeket. A hozzászólás módosítva: Nov 15, 2024
Hello! Bocs, de a típusát meg találja ki aki segíteni akar/tud?
Bocsi , kedves "Régi motoros" !
Idézet: „Mindezek után, amit elsőnek ki kell mérned, az a rákapcsolt akkumulátor.” Tökéletesen igazad van, elnézésedet kérem, nagyon benéztem , röstellem magam, ez 24V-ot kér. (nyilván ezért sípol) Semmilyen egyéb tipusazonosító nincs rajta, lehetett az alján egy öntapadó fólán annak már csak itt-ott van kis nyoma, de olvashatatlan. Az akku felőli fémlapon van ennyi,ami a fotón is. Kérdésem ezek után : lehetséges-e szgk. autó akkuról üzemeltetni, egy segéd áramkör beiktatásával,ami 24 V-ot csinál a 12V-ból? Megértésedet és elnézésedet kérem újfent, számítok a szakmai hozzáértésedre!
Ha az a feladat, hogy a 24V feszültségű invertert 12V -ról hogyan lehet meghajtani, az inkább csak elméleti szinten megvalósítható ugyan, de hát olyan mint a kutya vacsorája. Mondhatnánk, amit nyersz a réven, úgyis bukod a vámon.
Elméletileg ugye be lehet tenni elé egy 12-24V DC-DC konvertert, de máris kétszer annyi veszteséged lesz a rendszerben, mintha ezt egy lépcsőben oldanád meg egy 12VDC 230VAC inverterrel. Ha már a második fokozat 600W, az elé bekerülő első fokozatnak is illene nagyobb teljesítményűnek lennie. A másik út, hogy a primer részt áttekercselni és hozzá igazítani a vezérlést, ami egyáltalán nem kis feladat (még akár hozzáértőnek sem), és erősen kérdéses is, hogy érdemes e foglalkozni egyáltalán vele. Ami szóba jöhet még, hogy két akkuról üzemelteted, és annak a töltését oldod meg. Ez a kisebb töltési teljesítmény miatt még járhatóbb út is az előzőekhez képest. Könnyebb ugye megvalósítani egy 24V-os 10A-es töltőt, mint egy 25A-es 12-24V DCDC konvertert. A magasabb 24V-os feszültség pedig a DC-AC konvertálás miatt is jobb hatásfokú lesz. Érdemes lehet inkább elcserélni a készüléket egy megfelelőre, meglátásom szerint ez a legegyszerűbb megoldás is. Van itt ilyen topik, ha beírod mit szeretnél, lehet találsz is megfelelő készüléket. Ingyen elvihető, ingyen keresek, cserélném stb... (A másik topik címe nem jut eszembe, majd beírják.) A hozzászólás módosítva: Nov 15, 2024
Köszi! Szerintem is ez a jó megoldás, keresek egy 12V-os készüléket.
Köszi, üdv !!
Hello! Azért azt ne feledd el, hogy ha 12V-ból 600W-ot állítunk elő, akkor veszteség mentesen is 50A az áram. A gépjármű akku az indítás pillanatára ezt vidáman leadja, de tartósan biztos nem..
Köszönöm nagyon a válszodat és 2017-es nagyon nagy türelmedet és segítségedet is! Csak azért gondoltam a konvertert mert a 7805 tudtommal nem igazán "elem barát" megoldás. Mivel most van ilyen konverterem itthon azért kérdeztem ezt a lehetőséget. Viszont most már tudom hogy minden marad a tőled kapott rajz szerint. Nem ismerem a DC-DC konverterek leki világát. Ha szeretnék egy 24/9 voltos konverteres betápot az elemessel párhuzamosa kacsolós kiválasztással, akkor ha 24 volt bemenettel beállítom a 9 voltos kimenetet és utánna a 24 volt esetleg pl. 25,4 volt lenne akkor is fogja tartani a konverter a kimeneti 9 voltot vagy újra kellene állítani a potival?
A hozzászólás módosítva: Nov 15, 2024
Nem kell állítani, mert a kimeneti feszültséget állítod. Egy stabilizátornál az a lényeg, hogy a bemeneti feszültség változástól és a terhelés változástól független a kimeneti feszültség. Persze egy megadott tartományon belül.
5V-os kapcsolóüzemű stabilizátor kapható olyan formában is, mint a 7805. De igazából akkor érdemes alkalmazni, ha a terhelés miatt melegszik a stabi. Ennek pld. 93% a hatásfoka. De ha 9V-ról csinálsz 5V-ot a 7805-el, akkor a hatásfok kb. 80%. Persze ha kicsi a terhelés, akkor romlik a helyzet, mert kb. 5mA az alapárama a stabinak. De a kapcsolóüzemű stabival is ez a helyzet, mert a Quiescent Current ott már 15mA. Tehát hogy mit érdemes használni, az a terhelés függvénye is. De léteznek nagyon kis alapáramú stabik is. Szóval első az, hogy mit fogyaszt a jeladó. (Mert nekem fogalmam sincs, de sok nem lehet. De Te meg tudod mérni.)
Szerintem mivel a pontencióméter elektronikát tartalmaz ami feldolgozza a tényleges csuszó poti jelét és talán fel is erősítí minimális lehet a fogyasztás. Megpróbálom a hétvégén megmérni stabil táppal és írok még. Addig is köszönöm. Esetleg rá tudnál nézni a nyák ellenörzési topicban az új "panelomra"?
Led teljesítmény meghatározásSziasztok,Vásároltam az alábbi képen lévő LED diódából 1 és 3W-osat, amik összekeveredtek így nem tudom hogy melyik LED diódának mekkora a teljesítménye. A kérdésem az hogy hogyan lehetne a LED diódák teljesítményét kideríteni? Arra is gondoltam hogy megmérném 3.5V-on a maximális áramfelvételt, de félek attól hogy kárt okozok a LED diódákban. A választ előre is kőszönöm.
Köss sorba 2-t vagy többet (plusz korlátozó ellenállást) labortápról hajtva , az áramot emelve a különböző teljesítményűek más fényerővel virítanak
a névleges áramig nem kell elmenni A hozzászólás módosítva: Nov 15, 2024
1 fázisú univerzális soros gerjesztésű kefés motor DC üzembenÜdvözlet mindenkinek!Új felhasználóként és kezdőként nagy tisztelettel köszöntök mindenkit. Kimentettem egy kis AC motort egy felfújható matracból, 230 V-on kifogástalanul működik. Úgy látom, hogy ez egy 1 fázisú soros gerjesztésű kefés azaz univerzális motor, tudomásom szerint lehetne DC módban használni, de nem tudom elindítani (20 V). A segítséget előre is köszönöm.
Hello, üdv a fórumon!
Az univerzális motor, azért univerzális, mert AC-ről és DC-ről, egyaránt működik. De azonos nagyságú feszültségről. (Vagy csak elírás volt a 20V?) Kis DC-ről is el szokott indulni, ha jó a csapágy, persze ereje semmi. |
Bejelentkezés
Hirdetés |




)


















