Fórum témák
» Több friss téma |
Idézet: „A legjobb megoldás a feladatodra, és a legolcsóbb is.” No és az én 290Ft-os megoldásom? Ha csak 8 gombot kell átvinni, akkor kb 100Ft a vevő, és kb 150-200Ft az adó. 16 gombra bővítésnél kb 70Ft-al nő a költség oldalanként, és egy bit programozás sincs egyáltalán. Pontos árat akkor tudok mondani, ha pontosan tudom az igényt.
Sziasztok!
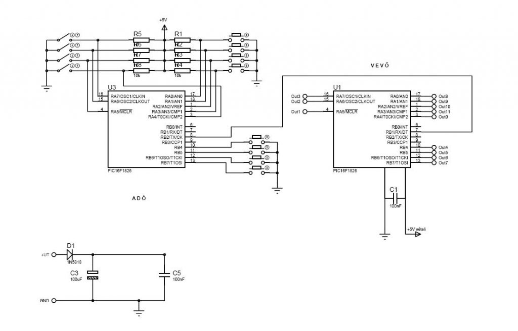
MSI -ket alkalmazó kollegáink most dőlnek a kardjukba, mikor 10 - 15 percenként fog változni az igény... A kapcsolás nem változott, a program csak egy kicsit: Az adó 16 egységnek képes továbbítani 8 nyomógomb állását. Csak a változásokat továbbítja, természetesen pergésmentesítést is tartalmaz. Ha 12 nyomógombot kell továbbítani a vevőknek, akkor a programból 2 sort kell csak törölni, a kapcsolókat nyomógombokra kell cserélni...
Egy adatátvitel meglehetősen sok módszerrel megvalósítható. A legoptimálisabb megoldáshoz ismerni kellene a részleteket is, nagyon nem mindegy a távolság, és az adatátviteli média sem.
Az a szép, hogy 4 gombhoz még a 12F1822 is elég lenne, sőt, ha bitbangelve elintézzük a soros kommunikációt, akkor egy 12F1501 is.
5 gombot egy 8 lábú pic (12F683) is levisz, 3 gombot egy 6 lábú (10F200 - 10F322), ahogy már írtam...
Szerintem, ezt még a kérdező sem tudja.
NAGYON SZÉPEN KÖSZÖNÖM Hp41C!
![]() Valószínűleg ezt választom mert ebben 12 gomb van és ez bőven elég. Olcsó, PIC-es, és programozható, és valószínűleg működik. Mi kell ennél több. ÉS A TÖBBI FÓRUMOZÓNAK IS MEG SZERETNÉM KÖSZÖNNI! Mindenki sokat segített. A célját elérte szerintem a Topic.(:
... Akkor még csiszolok rajta egy kicsit...
Oksa köszi!
Szia!
12 kapcsoló átvilete 1 vezetékpáron. Az adó prellmentesített, csak a változásokat küldi az alábbi formában: c - kis c karakter - távirat kezdete, xxx - a 12 kapcsoló jele 3 hexadecimális karakterként (0..9, A..F) A táviratok TTL szintű uart egységgel küldhetők PC -ről is illetve az küldő adata fogadható. Ez nagymértékben leegyszerűsíti a tesztelést.
Hali!
Köszönöm szépen a sok segítséget! Nagy hasznát fogom venni!
Van valami megoldás arra viszonylag egyszerűen, hogy egy DC12V-os tápvonalra ültetve adatot továbbítsak? Csak egy irányban, és baromi lassan is elég. 8-16 bájtot másodpercenként elegendő lenne átküldene, azt se folyamatosan. 10-15 méterről van szó, LED-eket hajtana a vevőegység PWM-mel.
Ismertek valami megoldást, amit nem most kell kifejleszteni? A hozzászólás módosítva: Jún 12, 2017
pl. DDC
Persze nem kell ennyire elbonyolítani. A táp polaritását lehet váltogatni az átviendő információ szerint.
Üdv mindenkinek! Új vagyok, kérdésem lenne dekóder - TTL IC-k összekötésével kapcsolatban, távvezérlőként szeretném használni az áramkört, sehol nem találtam erre speckó megoldást, nem vagyok szaki, szóval pont emiatt kérek segítséget, remélem jó helyen járok.
Egy MT8870-ás DTMF IC-ből jön ki 4 jelalak, majd belemegy egy 74ls154-es IC-be, hogy az sorban reléket tudjon ki-be kapcsolni megfelelő szám lenyomásakor. (Ez közvetlen telefonnal, Bluetooth-al, „anyámkinnyával” vezérelhető része az áramkörnek) Viszont lesz mellette külön egy sima rádiófrekvenciás (433MHz-es) modul egy HT12D-vel. Ami szintén DTMF jelalakot fog biztosítani, amit távirányító segítségével készítek el neki. Ebben az egész vevőegységben a 74ls154-es IC-vel párhuzamosan szeretnék egy 74ls47-es szegmens dekódert, a számkód kijelzésének céljából. A HT12D és az MT8870 jelalakja eltérő, (fordított) emiatt 74ls04-et terveztem az MT8870 után. Ezt lehetséges, hogy pont a HT12D után kellett volna raknom. (?) (és 4043-mal módosítanom a 4044-et) A fontos kérdés a következő: Ha jól tudom azonos típusú (pl.: TTL) IC-ket lehet egymásba kötögetni, viszont itt van egy HT12D-s IC is, aminek nem biztos, hogy jót tenne, ha pont a DTMF részből érkező jelalakkal rákapcsolgatnék, ugyan ez igaz fordítva is, vagy akár ebből zavarok előfordulása: egyik lábon keresztüljön jelalak, stb. (?) Ennek a megoldásával nem vagyok tisztában. Amit én találtam ki pl.: a két egységet (HT12D-t és MT8870-át) diódával lezárnám, majd ezek után a 74ls154-es dekóder elé kötnék mondjuk egy 470ohmos ellenállást. Ha véletlenül egyszerre 2 helyről vezérlés történne, akkor a 470ohmos ellenállás megvédené a 74ls154-es IC-t a túláramtól. A diódák pedig elzárnák egymástól a lehetőséget arra, hogy áram bemenet történjen (2 jelalak ütközzön). Nem tudom, ez így mennyire lenne jó vagy nemjó? Vagy van ennél sokkal egyszerűbb, szakszerűbb megoldás is? (vagy simán kössem össze az egészet muhahaha!) A válaszokat előre köszönöm!A mellékelt képeken piros kerettel jelöltem az összekötni kívánt kimeneteket és a bemenetet.
Semmilyen rendszerben nem lehet a kimeneteket közösíteni egyszerű módon.
Ha jól értem, nálad két helyről jöhet a négybites vezérlés, egyrészt közvetlenül az MT8870 -ból, másrészt a HT12 -ből. Az MT8870 -ben van ugyan háromállapotú kimenet vezérlési lehetőség, de a HT12 -ben nincs. Ezért neked kell a 74ls154, és a 74ls47 közösített bemenete, és az MT8870, valamint a HT12 közé egy vezérlő kapcsolót kitalálnod, amelyik reteszeli a másik útvonalat, ha az egyik használatban van. Ezt gondolom némi kapukból összerakhatod. Ezzel megoldódik a HT12 felől érkező jel terhelhetőségi problémája is. Egy TTL bemenetet biztos meg tud hajtani. A TTL áramkörök 10 (LS 5 - 8) másik áramkör meghajtására képesek, de utána is számolhatsz az adatlapjaikban található ki-, és bemeneti áramokkal. Nem hiszem (hasraütéssel) hogy egy LS TTL áramkör kimenete ne tudna meghajtani két LS TTL áramkör bemenetet. Célszerű a késleltetéseket is számba venni, nehogy időzítési probléma legyen, bár nem olyan hosszú a logikai lánc, de az MT8870 nek elég rendes. Az MT8870 -nek vannak jelző kimenetei is, ezeket is érdemes beleszőni a vezérlő kapurendszerbe.
Azért mielőtt építesz a HT12 -re, próbáld ki, hogy alkalmas-e a négybites adatátvitelre, tudomásom szerint (de lehet nem jól tudom, sohasem próbáltam) csak arra jó, hogy ha az egyik adatlábát piszkálod az adónál, a vevő oldalon az a láb lesz aktív. Némelyik enkóder dekóder típusnál lehetőség van egyszerre két láb bizgálására, de csak egy plusz funkció érhető így el. Mindenképp próbáld ki, enkóder kimenet -- dekóder bemenet közvetlen összekötéssel.
Ha nem megy, akkor kénytelen leszel mikrovezérlőt használni, és akkor a hardver gondok is megoldódnak.
Bővebben: Link
ZoliHV95: Viszont ebben a formában a diódák felhúzó ellenállásának semmi értelme, azokat az U13 bemenetére kell kötni, a 470 ohmos ellenállások is feleslegesek. Az ic bemenete felé nem folyhat akkora áram, amit korlátozni kell. Az U15 meg az U17 kimeneti áramát sem kell korlátozni, azt a 10K megteszi. A másik logikai kérdés, ha start stop gombot használsz, arra vigyázni kell, a bemeneteken lévő kapcsolók kapcsolgatása alatt ne legyen aktív a rádió, mert pontosan egyszerre nem tudod minden bemenetét megváltoztatni, így nem várt kimenetek is változhatnak. A harmadik egy panelen belül nem szerencsés a TTL meg a CMOS ic-k keverése. Szerintem mindegyiknek van CMOS alternatívája, használd azt. A hozzászólás módosítva: Máj 20, 2019
Én sohasem használtam a HT12 -őt négybites adatátvitelre, leginkább semmire, többnyire csak javításkor volt ilyesmivel dolgom, ezért javallottam az előzetes próbát. De kösz a vídeót.
Mivel két helyről kaphat az áramköre vezérlést, úgyis szüksége lesz egy logikai hálózatra, amely kizárja az egyidejűséget. Ez pedig amúgy is újratervezést igényel. Hogy CMOS, vagy LS TTL, az mindegy, az lesz, ami a fiókban van. Ha venni kell, akkor természetesen jobb ha minden CMOS.
Üdv! Nem is gondoltam erre, hogy nem támogat egyszerre több kimenetet, köszönöm a választ! Minden esetre ki fogom próbálni. 8 csatornás kódolós távvezérlőt már építettem HT12-vel, de itt a DTMF miatt több kimenetre lehet szükség…
Többnyire TTL, plusz CMOS IC-vel sikerült (úgy-ahogy) megoldanom az összekötést. A HT12 jelkimeneteit belevezettem egy 74ls86-os IC bemenetébe. Az MT8870 után raktam egy CD4011-es NAND kaput, majd ezt is belevezettem a 74ls86-ba szintén. A CD4011-es második bemeneteit összekötöttem, ezt rákapcsoltam az MT8870 „nyomkodáskor jelző” kimenetére. Mivel az MT8870 megtartja a 4bites jeleit, emiatt tényleg nem egy rossz dolog a reteszelés (leválasztás). A HT12-őt nem reteszeltem, mert a jelző (VT) kimenetén a jelalak szakadozik és nem érkezik meg egységesen a 4 kimenettel (tapasztaltam). Sőt, ha minden igaz, a kimenetein jeleket nem tárol, emiatt sem éreztem szükségesnek. A 74ls86 (Exclusive OR Gates) -nak hála, a jelek egységes beérkezésekor letilt az IC. Ha pedig mégsem találok, 74ls02 is megteszi helyette. (Csak nem leszek akkora balek, hogy egyszerre 2 távirányítási eszközzel hadakozzak, mondjuk vannak kik több távirányítót is használnak pl.: TV-hez, akár egyszerre 2-őt!) LOL Probléma viszont a következő, hogy a „sok” logikai IC-nek hála elveszik az áram, és nem képes meghajtani (a digitális számjelzőn kívül) a 4 bemenetét a 74ls154-es dekóder IC-nek. Tehát kénytelen voltam elé rakni egy 74ls04-est, ezáltal erősödik a kimenet, csak úgy képes a reléket a többi alkatrészen keresztül üzemeltetni. Nem tudom mennyire szakszerű megoldás ez így? Ha van jobb lehetőség, akár alkatrészt, vagy valamit módosítanom kellene? Minden esetre a további válaszokat előre köszönöm, már így is előrébb járok mint eddig!
Nézd meg a proba kolléga által linkelt videót, de azért nem árt kipróbálni is.
Szerintem elbonyolítottad. A relék meghajtásához, (ha már minden IC -s) ULN2003 lenne jó. A keresztbe reteszelést csak azért is jó beletenni, mert jöhetnek véletlen adatok, pont a HT12 felől. Egyébként az MT8870 egy igen okos IC, logikai kimenetekkel, Arra lehet támaszkodni. Ha nincs kiválasztva, a kimeneteit nagyimpedanciás állapotba állítod, és akkor mintha ott sem lenne. Szerintem a 74LS86 kimenete meg tud hajtani két logikai bemenetet, az egyik a dekóder, a másik az LS154 bemenete. Hogy kell-e invertálni, azt nem tudom. Azt sem tudom, minek van felhúzó (?) ellenállás a kimenetén. Szimplán rákötöd az ULN bemeneteit, és kész. A kimeneteire a reléket.
Ha a plusz invertertől állt helyre, akkor ott más baj van, (vagy logikailag kell oda, csak rosszul tervezted) Egy áramkörnél a legrosszabb hiba, hogy elfogy a táp. Ha tényleg ez okoz problémát, akkor azt megszüntetni kell, nem eltakarni. Sosem fogod tudni hol köszön ismét rád, a legalatomosabb módon. A reléknél lehet a tranzisztor bázis ellenállása is nagy, a jelfogók fogyasztásának függvényében. Egyszerű kérdés, ha a jelfogó húz, mekkora feszültség van a tranzisztor CE között. Ha ez több mint 1V akkor nagyon rosszul van méretezve.
A következő észrevételem, ha úgy akarod használni, hogy megnyomod a gombot behúz a jelfogó, ha egy másikat, akkor elejt, teljesen felesleges a hétszegmenses kijelző, semmi információ tartalma nincs egy felvillanó pl A betűnek. ( max a tesztelés idejére) Arra tökéletesen elég egy vétel jelző led, -esetleg mindkét IC-re egy egy, hogy tudd honnan jött a jel-, és a kimenetekre is egy egy. A hozzászólás módosítva: Máj 22, 2019
Másnap mikor bekapcsoltam a gépet arra lettem figyelmes, hogy működik az áramkör szimulátorban, 74ls04-es inverter nélkül is...
Mindegy, lemértem a tranzisztorok E-C lábai közt az áramot voltmérővel: 1,61V-os az érték, és ha növelem az ellenállást még inkább nagyobb lesz pár tizedessel, lehet valamit én rontottam el a mérésnél, minden esetre hagytam neki az 1K ohmost.ULN2803A-s IC-m van, de ahogy kalkuláltam, ezzel sem nyernék túl sokat a panel méretével… attól függetlenül, ha ez elektronikai szempontból jobb választás, csak akkor használnám! Köszi, megnéztem a videót, a HT12 IC-t kapcsolgatják több kimeneten egyszerre, ha minden igaz alkalmas lehet a feladatra, egyenlőre még nem próbáltam ki MT8870-ával… A távirányítónak 3x4 „telefonos” key matrix-ot használnék, DTMF tónus dekóderrel, ami egy MT8870-ból jeleket továbbít a HT12E-nek. Az MT8870 pozitív jelekkel indul működés során, ugyan úgy rakhatnék egy NAND kaput, ami még a jeleket is megfordítaná. Viszont a HT12E-nek a TE bemenetével tudok reteszelni, emiatt nem igazán érzem kellőnek oda a kaput. Arra gondoltam ha TE-ből reteszelem, (nem rakok kaput) a fordított jelalak „tükörképe” távozik a HT12D-ből, amivel nem lenne gond, a 74ls154-es kommunikál így is. (a 7 szegmens is talán) A probléma viszont, ha nem nyomok gombot a távirányítón, az összes pozitív kimeneti jel át fog szaladni a 74ls154-es dekóderbe. Ez nem lenne probléma, mert nem használt helyre tesz jelalakot. Azzal nem vagyok tisztában, mennyire zavarhat-e be a többi kimenetnek, (reléknek) egyeltalán képes-e egységesen megérkezni mind a 4 pozitív jel, nem lesznek-e ebből gondok, zavarok? Minden esetre terveztem hozzá egy logikai áramkört: 4002-es IC összegyűjti a 4 pozitív jelet, majd egy 4001-esbe vezetve lezár, egész addig míg negatív jelalak nem kerül a kimenetre. Nem tudom ez mennyire működőképes megoldás, van-e ennek értelem, vagy felesleges hagyjam, ki minek?! A 7 szegmenses kijelző a beütött számértékeknek megfelelően mutatni fog a vevőn, emiatt érzem szükségesnek. Tudni fogom, melyik számra kapcsol ki ill. be egy-egy relé. (főleg, ha más készülékről üzemelem pl. telefonról). Kidolgoztam egy másik verziót: a reteszelést a 74ls154-es végzi. Enable bemeneteire kapcsoltam egy 4002-est, a HT12D-ből jeleket gyűjt össze egy másik 4002-es, a két logikai kapu közé raktam egy tranzisztort, ami fordítja a jelalakot. A 74ls154-esen lévő 4002-es másik bemenetére az MT8870 „jelző kimenetét” kötöttem. Ez a leg egyszerűbb megoldás amit eddig ki tudtam hozni az egészből, viszont itt külön nem fogja semmi lezárni az MT8870-át és ha marad benn valami jelalak a HT12D vezérlésekor probléma lehet, mert az is egyszerre kinyitja 74ls154-est. (A HT12D-ből érkező pozitív jeleket nincs semmi ami tiltaná, bár ha a távirányítóba kapu retesz funkciót építek, lehet hogy szükségtelen, sőt még a kapu is, ha csak simán TE-ből reteszelem az MT8870 dtmf IC-t..) Ha valamit elrontottam, vagy túlkomplikáltam, esetleg van jobb megoldás, minden további segítséget megköszönök! Szánom-bánom ezt a sok irományt de kénytelen voltam több verziót kidolgozni, nem tudom pontosan a gyakorlatban hogyan fog viselkedni a HT12 az MT8870 ával (szimulátorokban még nem találtam rá lehetőséget, hogy teszt alá vessem.)
Lehet túl egyszerűnek szeretném. Mindkét vevő kimenetére tennék annyi invertert hogy alap helyzetben 0V legyen a kimenetükön. Ezt rávezetném egy egy vagy kapura, a kimenetet meg a dekóderre. A kizárás max annyiból állna, vagy a HT vagy az MT vételjelző kimenetével tiltanám a másik vevőt. Ha a kettő együtt van, akkor csak az egyik juthat tovább. A keresztbe resetelésnek, minden nulla figyelésnek, szerintem sok értelme nincs. A felengedésre/megnyomásra meg nincs garancia hogy egyszerre történik, tehát mindkét adó esélye kb egyenlő.
Az ellenállást nem növelni, hanem csökkenteni kellene, ahhoz hogy a tranzisztorokon csökkenjen a veszteség.
Üdv! Negatívba invertáltam a kimeneteket (az MT kimenetei alapból negatívak, tehát azt hagytam). A HT12D kimeneteit 74ls08-al leválasztottam, amit zárni tud az MT jelzőkimenete működésekor. Viszont így már abszolút értelmetlen volt oda a 74ls86, raktam helyette általad javasolt kaput. (74ls32-őt)
Az MT jelzőkimenetének megcserélésére maradt még az inverterből bőven 1. Csináltam pozitívra invertált fordított áramköri változatot is, ahol nem kell az az 1 inverter logika. Köszönöm a segítséget, legalább már addig sikerült eljutnom, hogy azonos típusú (TTL) IC-ket használjak! ![]() Az ellenállás értékét a 4044 kimenete és a tranyó bázisa között csökkentettem. Így is csak 0,1V-al mutat kevesebbet a voltmérő, az eddigi 1,60V helyett. (1,59V) Ez már tényleg jó kérdés, hogy miért… Minden esetre kapott helyette 470 ohmost. Milyen eszközt ajánlotok 30 m árnyékolt távolság áthidalásáraSziasztok, segítséget, tanácsot kérek. Mérés adatgyűjtő állomást készítek Raspberry alapra, ezzel nincs különösebb gondom, működik az asztalomon, de ki szeretném helyezni a kert végébe (30m), ahova már nem ér el a wifi, árnyékolnak a fák és van egy dróthálós kerítés is, így ezt reménytelennek gondolom, (így olvastam). Szóval mit tanácsoltok, milyen eszközzel hidaljam át a távolságot: GSM modullal, RF eszközzel, soros vonalon rs485, vagy más eszközzel. Hozzátenném, hogy az elektronikát, főleg a rádiós dolgokat csak alapfokon értem, programozó vagyok. Olyan hardvert-modult keresek, amelyen nem kell sokat alakítani, csak programozni. Sem nagy sebesség, sem sávszélesség nem szükséges, 1 KB/óraKöszönöm.
Szerintem a GSM felejtős, mert kell bele SIM kártya, az meg fizetős.
Ha van lehetőség és kedv vezeték kihúzására, akkor én ezt preferálnám (és akkor nem kell a külső egységben sem folyamatosan elemet cserélni). Az a drótkerítés az adó és vevő között van?
Szia! 30 métert még beépített területe mellett is átvisz a 2,4 GHzes jel, de a 433MHz-es még inkább. Nálam 40 métert hidal át egy HD wifi kamera és nincs rálátása a routerre.
Ha a kamerát nem nevezed meg...pl. ennek milyen jó antennája van (de az csak a látszat)! Meg aztán a "WiFi" is többféle létezik...
A hozzászólás módosítva: Feb 4, 2025
|
Bejelentkezés
Hirdetés |





A válaszokat előre köszönöm!


de kénytelen voltam több verziót kidolgozni, nem tudom pontosan a gyakorlatban hogyan fog viselkedni a 








