Fórum témák
» Több friss téma |
Valóban, ahogy VIM írta,az áramláskapcsoló volt a ludas.Tanácsára megkocogtattam és jó lett.
Ha nem volt még tisztítva a hőcserélő akkor azt is célszerű volna megnézni, hogy mennyire van elvízkövesedve és ha szükséges akkor savazni kellene, hogy a következő fűtési szezonnak felkészülten induljon neki a készülék.
Nem olvastam végig a dolgot, de ha elindul és menetközben F9 hibát dob, akkor az NTC-ket (fűtési + HMV) ki kell cserélni.
Ma két napi üzemszünet után fűtési igénnyel indítva (5-ös skálán 2-es fokozaton) két rövid begyújtás után (azaz kétszer begyulladt, volt láng, de 2-3 mp-en belül ki is aludt) harmadikra teljesen jól beindult, majd kb. 5 perc fűtési mód után átváltottam hmv-re és az is szépen ment egyfolytában legalább kb. 10 percet míg elérte a beállított hőfokot (6-os skálán 3-as). Közben változott a láng intenzitása, majd egyszer teljesen leállította az égést, utána pedig újra begyújtotta hibátlanul. Majd a végén szépen leállt.
Előtte csak annyit csináltam, hogy az ionizációs elektródán lévő csatit kicsit megmozgattam, hogy szorosan legyen rajta és a vezérlőpanelen az érzékelők csatijait lehúztam, a panelen az érintkezőket kicsit megtisztogattam, majd visszatettem.
Azt tudvalevő, hogy a lehűlt rendszert vagy is a hideg vizet nehezebb mozgásba hozni a szivattyúnak mint a meleget, ezért az első indulás az többszöri próbálkozással "szokott" kezdődni de ez nem lehet több mint a programban meghatározott sikertelen darabszám, mert az leálláshoz vezet.
Egy valamit nem igazán tudok, hogy a vízhiány kapcsoló vagy érzékelő az mikor érvényesül azaz előfeltétele e a főégő működéshez a víznyomás megléte vagy az csak a szivattyú működése után van "élesítve", mert ha már gyújtás előtt nem lenne meg a víznyomás akkor a vezérlés hozzá sem kezd a főégő begyújtásához. Az F9 hibakód pedig a vízhiányra utal(na). A szivattyú kondenzátorára azt mondtad még tavaly, hogy a 2µF helyett 1.47µF ami nem olyan nagy különbség de itt a szakemberek azt mondják, hogy a 2.5µF sem sok ha olyan értékű van betéve. Ez a szállító teljesítménnyel függ össze, hogy a gyakori próbálkozások az indulásnál talán összefüggésbe hozható a gyengélkedő szivattyúval vagy annak kondenzátorával (ha még nem cserélted ki azt). Tudom, hogy minden alkatrész sokba kerül de nehéz olyat mondani a probléma megoldására, hogy az biztosan találó legyen. Egy szerelőnek a tárházában vannak olyan alkatrészek amiket pár perc alatt bepróbál és azonnal jó lesz és akkor is csak remélni lehet, hogy nem átmeneti a javulás. Az NTC-k szintén de inkább a fűtéshez tartozó érték is beleszól az idő előtti kikapcsolásba vagy lemodulálásba ha csak nem a szobatermosztát kapcsolt ki. Nehezen akar a készüléked a javulás útjára lépni.
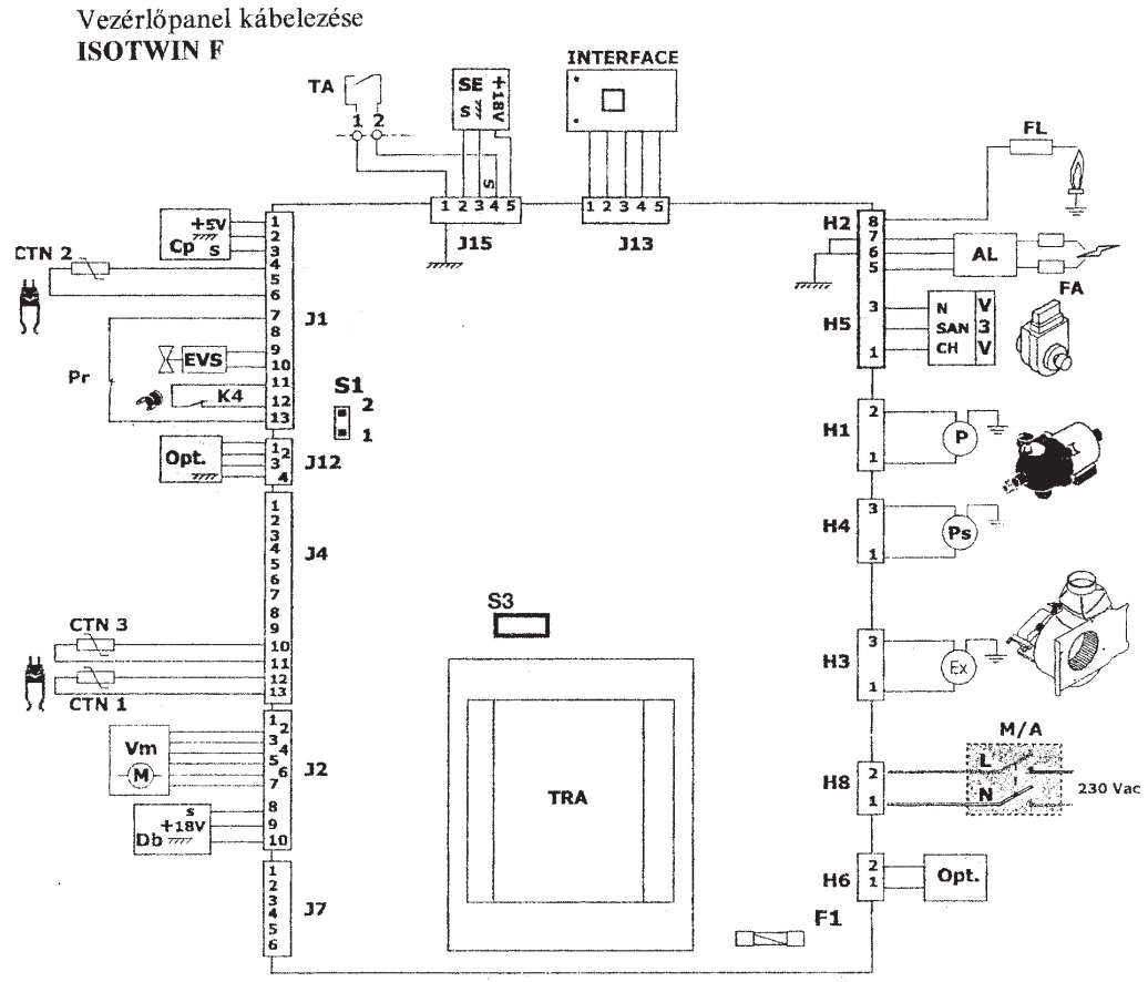
A szivattyúkban vadi újak a kondik, az ntc-k is újak.
Amire még gyanakodnék, a vezetékek és csatlakozók, következő körben ezeket fogom jobban átnézni. Esetleg a relék okozhatnak ilyen bizonytalan működést? Vagy a relé úgy megy tönkre, hogy egyszer csak már nem kapcsol? Azzal nem vagyok még képben, hogy a lángmodulációt azt hogy csinálja, a gázszelep az nem digitális, azaz nem csak teljesen zárt vagy teljesen nyitott, hanem fokozatokban tudja állítani? Egyik relé ad neki 24V-ot és azon túl pedig fokozatokban szabályozza? Az ábrán az EVS-el jelöli a gázszelep biztonsági szelepét, Vm pedig a gáz armatúra moduláló szelepét. Ha ezeknél a vezetékek vagy a csatlakozók kontakhibásak, ez okozhat ilyen bizonytalan működést vajon? És pont az F9 leírásban szerepelt egy ilyen ,hogy Idézet: , ez nem éppen ez a gáz armatúra lenne? „du moteur pas á pas, ... léptetőmotor meghibásodása”
De az lenne. Találtam egy magyar szerviz könyvet .... abban is erre a gázszelepre utal a sikertelen gyújtás esetén.
Innen tudod letölteni az egészet de csak a 200. oldaltól a 236. oldalig szól az Isotwinről.
Vaillant kazán gyújtás problémaAdott egy Vaillant VU 260 XE (1998) kombi kazán, ami HMV nélkül üzemel, csupán fűt.Vízkövesedés miatt savazni kellett, ami után szépen elindult és órákig jól működött, majd du-ra enyhén csökkent a fűtési teljesítmény, aztán valamikor hajnalban már nem gyújtott újra. Hibatörlés után sem. Gondoltuk, hogy a savazás utáni maradék felhalmozódott valahol és ezért egy alapos rendszer átmosás jött. Sajnos azóta sem indul, - nem gyújt be. Érzékelők rendben (füstgáz, áramlás biztosító, termikus blokkoló, NTC), ki van légtelenítve, a keringetővel sem látszik semmi gond, és nem lett semmi elállítva, mégsem gyújt be. Tud-e valaki ugyanolyan rejtett trükkről, mint amit a termikus blokkolásnál követnek el, vagy van-e valakinek egy használható tippje a miértre?
Szia!
Idézet: Az elég érdekes, hogy minden érzékelő rendben de "égő reteszelés" az nincs kijelezve. A füstgázelvezetés az nyomon követhető a visszajelzőn? Meddig jut el a folyamat? A szivattyú indul, a ventilátor felfut? Ha nem megfelelő a huzat akkor nem fog gázt engedni a gyújtáshoz az elektronika. Ha a hőmérséklet határoló oldott le azt vissza lehet állítani a rajta levő gomb megnyomásával de annak oka volt, hogy leoldott (ha leoldott). A ventilátor ha forog de nincs megfelelő huzat az lehet a nyomáskapcsoló mikrókapcsolójának a hibája vagy a motor csapágy kenetlensége is oka lehet, mert korlátozhatja a fordulatot. „Érzékelők rendben (füstgáz, áramlás biztosító, termikus blokkoló, NTC)”
- Ennél a régi kazánnál még nincs "kijelzés", de füstgáz problémánál villog és néhány próbálkozás után reteszelődik, de nem ez a probléma.
- Ez a kazán nyitott égésterű, nincs ventilátora. - Elindul a szivattyú, próbál gyújtani, majd leáll, "piros gyújtás probléma" jelzéssel. - Termikus blokkolás nincs. Fontos tény, hogy előtte működött! Én magam - vagy a gázellátás reteszelődésére, - vagy a látszólag működő, de a savazástól elszabadult lepedék miatt "elgyöngült" szivattyúra gyanakszom, de: 1. nem tudom, hogy tud-e reteszelődni a gáz-kör; ill. 2. nincs lehetőségem ellenpróbára a szivattyúnál. De lehet, hogy 10-20eFt-ért beszerzek egy használtat, ui. egy szerviz kb. 140eFt-ot számol fel érte, és aztán vagy igazuk volt, vagy sem, de tuti, hogy jó sokat fizetek.
Mivel nem sok információ van erről a kazánról és a "nyúlék" nem sok mindent szoktak közölni amúgy sem a készülékeikről így kicsit körülményes a kiderítése annak, hogy mi blokkolja a gáz bejutását az égőtérbe. Az nem kizárt, hogy lenne ennek a készüléknek vízhiány kapcsolója a fűtési körben? .... mert az is okozhat főégő tiltást. A többszöri sikertelen gyújtási kísérletet pedig nem lehet a resettel újra indítani ahhoz a főkapcsolót kell ki majd be kapcsolni és ekkor ha a szobatermosztát meleget kér akkor el kellene indulnia a készüléknek. A füstgáz visszaáramlás érzékelője az akkor a deflektoron van ami egy NTC lenne (olyan mint egy 1N-es dióda)?
Most találtam egy olyan leírást ahol ennek a készüléknek van "vízhiány biztosítója" ami éppen a gázszeleppel van mechanikus kapcsolatban, tehát a szivattyú által keltett nyomáskülönbség hozza működésbe azt a membrános rudazatot, hogy a gázszelep nyitni tudjon. Ha tágulási tartályban nem a megfelelő nyomások uralkodnak akkor a szivattyú nem tudja működésbe hozni ez a membránt így az nem fogja tudni kinyitni a gázszelepet. Az is lehet, hogy szorul ennek a rudazata de az is lehet, hogy a szivattyú gyengélkedik a kondenzátorának kapacitás vesztése miatt.
A hozzászólás módosítva: Márc 26, 2025
Igen van áramlás biztosítója ennek a kazánnak, és éppen a gázarmatúrába nyúlik be (egy telepítési leírásom van). Éppen ez a kérdés:
- Van áramlás és differenciál nyomás érzékelő "átdöfi az ember ujját" (leemelve kissé az armatúráról); - és a szivattyú is megy (mert hát ezt érzékeli a érzékelő membrán is) és még sem nyit gázszelep, ami nem tud röpke idő alatt elromlani. De akkor mi a fene van? Érzésem szerint egy dolog, hogy látjuk és érezzük az áramlás biztosító erejét, de lehet, hogy ez még éppen nem elég a nyitáshoz. Reagálás egy fentire: - gyújtási hiba itt nem vezet reteszelődésre, a gyújtás indító gomb elfordításával akárhányszor törölhető.
Ezen az égő automatikán van három biztosíték azokat megnézted, hogy jók e? A szervónyomásszabályzót (a modulátor tekercset) és annak az automatikáját a szabályzó panelét és a csatlakozásokat kellene megvizsgálni vagy, hogy látható e olyan elektrolit kondenzátor amelyik szemmel láthatóan fel van púposodva.
Semmi hibát nem tapasztaltam a kártyán, de van egy tartalékom is. De alapvetően nincs gyújtáshoz gáz, amit a modulátor nem befolyásol. (A folyamat a gyújtás próbálkozásig jut el.)
Különben ez (elektronika) a savazás utáni kosztól nem megy tönkre. És tény hogy a savazás után még 12-18 órát ment. Ebből a fontos tényből kell kiindulni. Idézet: Miért nem befolyásolja a modulátor a gáz mennyiségét? A fűtési üzemmód indulásakor lassú gyújtási folyamattal szokott indulni a főégő azaz részterheléssel és ha ezt nem tudja a modulátor tekercs megvalósítani akkor nem lesz gáz a főégőnél. A HMV üzemmódban teljes terheléssel indul a főégő amihez teljesen ki van nyitva a modulátor szelepe is de neked ez az üzemmód (azt mondtad) "ki van kapcsolva" vagy nincs használva. Az automatika a két üzemmódot meghatározó "kapcsoló" állásából tudja, hogy éppen melyik üzemállapothoz kell igazodni a modulációnak (amit még az az egy NTC felügyel a fűtési előremenőben) ez pedig a szobatermosztát kontaktusa vagy HMV vízáramlás mikrókapcsolójának a kapcsolása. Az nem világos, hogy esetleg ha kettős igény áll fenn (azaz zár a szobatermosztát és zár a HMV mikrókapcsoló) akkor ezt a vezérlő minek veszi és hogyan reagál rá. „alapvetően nincs gyújtáshoz gáz, amit a modulátor nem befolyásol.” A hozzászólás módosítva: Márc 27, 2025
Ebben a robbantott ábrában a harmadik rajzos összeállítás a gázszelep és az ahhoz tartozó részek. Az 1-s a főszelep amit a 2-s vezérlő vezérel. A vízáramlás meglétét a 15-19-ig és az ezt összefoglaló ház az a szivattyúhoz tartozik ugyanis ebben hozza létre a nyomáskülönbséget aminek hatására ki kellene nyitni a gáz főszelepnek. Ha ebben a részben az impulzus csövek és a membrános rész nem lett kitakarítva akkor elképzelhető, hogy a savazás után olyan mennyiségű szennyeződés kerülhetett oda, hogy a gáz főszelepet nem tudja kinyitni a membrán rúdja amikor működik a szivattyú. Szerintem amit előzőleg mondtál, hogy majd átdöfi az ujjadat azt hogyan szedted le a főszelepről (armatúráról)? Engedett annyit az impulzuscsövek merevsége?
Nincs kettős igény (az az előlapon is látszana), ez már jó ideje így működi, és jól.
Tudomásom szerint gyújtás-kor a beállított "gyújtási fúvóka nyomás" számít, majd amikor begyújtott indul a moduláció általi szabályozás.
Ellenőrízve lett lett, a csövek engedtek annyit, hogy kitapintsam, sőt az áramlás biztosítót kicseréltem egy másikra. A csövecskék tiszták (vidáman folyt belőlük a víz).
Szerintem egy dolog, hogy erősen nyom a tüske, de nem tudom kipróbálni, hogy ez elég-e gázszelep nyitáshoz. Már várok egy csere szivattyúra, mert az ugyan forog, de elég-e a nyitáshoz az kérdéses. Az ui. mindent megmagyarázna.
A szivattyúban a kondenzátort érdemes kicserélni az adott értékre, mert az már lehet, hogy érték vesztette és amiatt nem szállít annyit amennyi szükséges volna a gázszelep nyitásához.
Egy darabig ment a fűtés alacsony fokozaton. Átkapcsoltam hmv-re közepes állásba. Ekkor kezdte a "gyújtás-belobbanás-égés után pár másodperc múlva leállás majd újra előről" "üzemmódot".
Ami érdekes, ha ekkor maxira (6-os fokozat) feltekerem a hmv potiját, gyújt-lobban-2-3mp múlva pedig F9 piros fénnyel egyszer villan és egyből vissza zöld fény és 1.3bar kijelzés és azonnal indul előröl a ciklus, és ha hagyom maxi 6-oson, ugyanezt játsza többször. Ha lejebb tekerem 3-asra, akkor nincs a belobbanás utáni azonnali F9 kijelzés, de akkor se ment át a kívánatos normál folyamatos működésbe. Az lehetséges, hogy a max. 6-os fokozatnál a gázszelepet maxi állásra kell nyissa, de lehet ezen bukik el, mert ez nem sikerül és erre jön az F9? Elképzelhető, hogy a gázszelep léptetőmotor, vagy annak vezérlése, hozzá tartozó relé, vezeték, csatlakozó nem kerek? Jelenleg csak ezzel a potikat véletlenszerűen tekergetem, üzemmódot váltogatom "játékkal" lehet időlegesen fűtésre ill. hmv készítésre bírni.
Köszi a segítséget, közben sikerült életre kelteni a kazánt.
Érdekesen oldódott meg és igazából nem is tudom mihez kötni. Az égéstér burkolatát levettem, majd bekapcsoltam a termosztáttal a fűtést és szépen belobbantotta a lángot. (Csak 2mp-ig ment, rögtön le is állítottam.) Utána visszarakva minden burkolatot, tökéletesen üzemelt tovább a kazán. Ma ugyanez történt, ugyanazzal a hibakóddal, sem reset, se semmi nem segített, gondoltam kipróbálom ami a múltkor bevált. Pontosan ugyanaz játszódott le ma is, a burkolat nélkül beindult, majd utána már ment burkolattal is. Hívok majd egy szerelőt, mert ha a minimális gáz nyomáson kell állítani, azt már szakemberre bízom.
Szia! Ha van egy szilikon cső összeköttetés a gáz főszelep és a zárt égéstér között akkor az depressziós hatással van a szelepre és ha ez a hatás a szelep alul működésére hat akkor azt be kellene szabályozni (jusztírozni) amihez megfelelő digitális nyomásmérő szükséges amit a mérőpontokra felcsatlakoztatva be kell állítani a szelepre megadott minimális és maximális értékeket zárt tűztérnél.
Szia! Én nem találtam olyan említésre méltó leírást ami az F9-t a gázszelephez társítaná de mivel nem tudom így nem is zárnám ki DE helyette ezt találtam:
F1 gyújtási hiba nincs gáz vagy lángérzékelés F2 légáramlási hiba -kémény vagy nyomáskapcsoló- automatikus újraindítás 15 perc múlva F3 ismételt légáramlási hiba F5 túlmelegedés elleni védelem hibája F6 NTC2 fűtés érzékelő hiba F7 NTC1 HMV érzékelő hiba F8 NTC3 tároló érzékelő hiba F9 víznyomás érzékelő hiba F11 vezérlőkártya kommunikációs hibája F12 kezelőpanel vagy távvezérlő hiba F13 vezérlőkör hiba F14 fűtési előremenő maximum hőmérséklet túllépése - nagyobb 95°C F15 léptető motor hiba gázszelep F16 biztonsági gázszelep tömítettségi hibája F17 alacsony hálózati feszültség kisebb 170V F18 interface kártya hiba F20 az interface kártya nem alkalmas az adott készülékhez
Még egy kis segítség ha méricskélni szeretnél. Ha megfigyeled a vízhiány nyomás értékét akkor az eléggé határérték.
A hozzászólás módosítva: Márc 31, 2025
Itt már van F9 és a többi ezzel kapcsolatos részletet is kiollóztam, hogy mindenki hozzáférjen ha nem találná ezt a leírást.
A hozzászólás módosítva: Márc 31, 2025
|
Bejelentkezés
Hirdetés |
















