Fórum témák

» Több friss téma
Fórum » Transzformátor készítés, méretezés
Ha kérdésed van, az alábbiak segítenek a hatékony választ megadni: Mag típusa: M, EI, UU/LL esetleg I-kből összerakott, tekercselt, toroid. Lehetőség szerint képpel. Méretek: magkeresztmetszet a*b (amit a tekercs körbeölel) ablakméret, lánc és toroidnál, belső-külső méretek. Primer-szekunder feszültség(ek), teljesítmény igény.
Lapozás: OK   390 / 396
(#) Alkotó válasza compozit hozzászólására (») Ápr 22, 2025 / 1
 
Persze, amit a képeken látsz, az is perspektivikus. Márha ugyannarra gondolunk, mert a "párhuzamos" ábrázolásnál az egyirányú vonalak párhuzamosak, a "perspektivikus"-nál összetartanak a távolban. Szerintem rajzoláskor a párhuzamos megjelenés jó, a bemutatáshoz pedig a perspektivikus.
Mellékeltem a középső kép párhuzamos és szerkesztői nézetét.
A hozzászólás módosítva: Ápr 22, 2025
(#) compozit válasza Alkotó hozzászólására (») Ápr 23, 2025 /
 
Igen, pontosan, ahogy mondod. A két szélső rajzon nem érvényesül a perspektíva, vagy nem nagyon látszik. Próbálj csinálni olyan képet, mintha a trafó egy 10 emeletes ház lenne és a nézőpontod meg a ház egyik sarkától van 2 m-re és a szemmagasság mondjuk 1,7 m. Meg rajzolj több ilyen trafót egymás után, mintha egy utcában sorakozó házak lennének. Tehát egy utcakép lenne. Persze, csak ha van rá időd.
(#) Alkotó válasza compozit hozzászólására (») Ápr 23, 2025 /
 
Ennek az ábrázolásnak mi lenne a célja?
(#) compozit válasza Alkotó hozzászólására (») Ápr 23, 2025 /
 
Akik nem ismerik, tanulhatnak belőle. De annyira nem fontos.
(#) stra57 válasza compozit hozzászólására (») Máj 1, 2025 /
 
Tisztelt Urak,
segítségre lenne szükségem.
Van egy toroid trafóm. Amit tudok róla külméretek D180 mm a tekercsel együtt , furat D80 mm szintén a tekercsel. Magassága 80mm.
D1.35 átmérőjű huzalból 2 tekercs van 230V mindegyiknek a feszültsége.
Tehát úgy néz ki jelen állás szerint mint egy 1:1 elválasztó trafó.
Kérdésem: párhuzamosan lehet-e a tekercset összekötni a terhelhetőség miatt? Hogyan lehet megállapítani ha lehet melyik a kezdő menet és melyik az utolsó?
A másik: milyen átmérőjű huzalból és hány menetet kell tekerni, hogy 2x45V legyen a szekunder.
Minden segítséget megköszönők.
(#) tothbela válasza stra57 hozzászólására (») Máj 1, 2025 /
 
Ez egy elég nagy trafó, valószínűleg alacsony belső ellenállással. De ha feltételezzük hogy a primer van belül, akkor az azonos huzalátmérő esetén kisebb Ohmikus ellenállású. Egyébként leválasztó trafóként nem okoz különösebb problémát hogy melyiket nevezzük ki primernek.
Viszont a terhelt állapot miatti feszültség esés kompenzáláshoz a szekunder menetszámát általában nagyobbra készítik, ezért a párhuzamosítás nem biztos hogy megoldható.
A 45V menetszámának kiszámításához fel kell fűzni bármilyen vezetékből valahány menetet, hogy a menetenkénti feszültséget meg lehessen mérni. A huzal átmérőt a szükséges terhelhetőségől kiindulva lehet meghatározni.
Egyébként lehet hogy egy számodra most értéktelen leválasztó trafó másnak éppen kellene, neki meg lehet hogy van valami 2X45V körüli trafó feleslegben. Akár egy csere is lehetséges, akár érték különbözet kifizetésével.
Amúgy 2X45VAC szekunder kellene ami kb. 2X63VDC-t jelent, vagy 2X45VDC a kívánt feszültség?
(#) stra57 válasza tothbela hozzászólására (») Máj 1, 2025 /
 
Tisztelt Béla,
köszönöm értékes tanácsát.
Megpróbálok feltekerni egy 10-20 menetet. Meglátom a mekkora lesz a feszültség.
Egyébként 2x45VAC kell 5-5A.
Réz huzalom nincs itthon de van km hosszú sodrott bevonatos huzal. Ez próbára használható?
Üdv András
(#) granpa válasza stra57 hozzászólására (») Máj 1, 2025 /
 
Próbára szinte bármi megfelel, ami vezet és szigetelt (mivel csak feszültségmérés a cél). A két tekercs felváltva táplálásával megállapítható, hogy mennyire azonos feszültségűek.
(#) Alkotó válasza Alkotó hozzászólására (») Máj 1, 2025 / 1
 
Néhány napja megérkeztek a panelek, amikbe ma beraktam az alkatrészeket a stabilizátor kivételével. Még a trafót nem kötöttem be (mert nincs sorkapcsom), de már ki tudtam próbálni. Terv szerint lehet a reléket kapcsolgatni, illetve az áramváltós részletet már korábban teszteltem lengőben összerakva.
A kapcsolók és a LED-ek beforrasztása okozott egy kis fejtörést. Nem is maga a forrasztás, hanem a tájolás, mert itt elvárás, hogy később egy előlapon ezek kidughatóak legyenek. Az tűnt jó megoldásnak ha készítek egy ideiglenes sablont, amivel már kényelmesen és pontosan helyre tudtam mindent rakni.
(#) jani1987 válasza Alkotó hozzászólására (») Máj 1, 2025 /
 
Pontosan mire is lesz ez jó?
(#) Alkotó válasza jani1987 hozzászólására (») Máj 1, 2025 /
 
Drótozás nélkül, kapcsolgatással lehet 2 V-os lépésekben 2-62 V tartományban kapcsolgatni egy trafó feszültségét, illetve egy további relével tiltható a kimenet, és ráadásul mindezek kétszer.
A "jóság" a terv (majd meglátjuk milyenre sikerül), de a gondolat már megszületett, a trafó készen van, a panelek is nagyjából egyben vannak, már csak véglegesre kell szerelni.
(#) stra57 válasza stra57 hozzászólására (») Máj 2, 2025 /
 
Tisztelt Béla,
megpróbáltam és feltekertem 20 menetet. O feszültséget tudok mérni.
A primer oldalon 234 V van, Szekunderen is 234 V van. 100W égőn mérve nem esik a feszültség.
Rosszul tekertem?
Üdv András
(#) Gafly válasza stra57 hozzászólására (») Máj 2, 2025 /
 
200 V méréshatárban a 0 akár jó is lehet, már ha érintkezik (tekerd át "sípolósba"), miután kihúztad a konnektorból (ha mégsem, nem megy tönkre tőle).
(#) tothbela válasza stra57 hozzászólására (») Máj 2, 2025 /
 
Ekkora trafónál pedig illene legalább 10VAC-nek lennie rajta. Éppen most méregettem a trafóimat, mert a megfelelőt keresem egy erősítőhöz. Már a kicsi toroidok amelyek 100-120VA közöttiek és 9-10cm átmérőjűek, azokon is 0,24-0,29VAC van menetenként.

A jelenlegi 230V primer és szekunder tekercsek egyenáramú ellenállását is mérd meg, valamint mérd meg, hogy hány cm huzal tesz ki egy külső menetet. Ezek később jól fognak jönni.

Az 1,35 átmérőjű huzalból 1 Ohm alatti DC ellenállást is mérhetsz, ezért előtte a multi vezetékét mindenképpen teszteld le, azaz összeérintve a mérőcsúcsokat figyeld meg mit mutat a műszer. Nekem a Metexen ez 0,12 Ohm, ezt le kell vonnom a mutatott értékből.

Párhuzamosított primerrel azaz dupla 1,35-ös huzalból akár 7-8A primer áramig terhelheted ezt a trafót, ami 1,5kVA körül van valahol. Persze akkor, ha a szekundert is sikerül optimálisan megcsinálni.
(#) tothbela hozzászólása Máj 2, 2025 /
 

Transzformátorok üresjárási áramfelvétele

Előszedtem néhány trafót, hogy megmérem az üresjárási áramfelvételüket. Ha már kéznél vannak, akkor a valós W fogyasztást, valamint a primer DC ellenállását is megmértem. Van köztük régebbi 220VAC-ra készült példány is, amiket szabályozható toroidot keresztül hajtottam meg, óvatosan emelve a feszültséget egészen 240VAC-ig. Szerencsére nem emelkedett az áramfelvételük észrevehetően, ezért elfogadta hogy 230VAC-hoz használhatóak minden további nélkül. A panelműszerem nem mér áramot csak 10mA lépésekben, ezért ha ez alatt van az áramfelvétel, akkor nullát mutat. Én is ezt fogom írni, persze ez nem azt jelenti, hogy valóban nulla.
A trafókat el is neveztem, hogy legyen mihez kötni a paramétereket. A toroidokat a külső átmérőjükről, az EI vasakat a magasságukról, a tekercselt vágott vasakat hiperszilnek (bár nem ez a helyes név) fogom nevezni, valamint van még egy "L" alakú lemezekből készült Régent 100W-os erősítő trafója is, azt Régent-nek nevezem. Hogy kevesebbet kelljen írnom, négyes csoportokba raktam az adatokat, ahol első a név, mint például T9. Ez 9cm átmérőjű toroidot jelent majd. Utána a primer DC ellenállása következik Ohm-ban. Ezt követi az áramfelvétel milliamperben, majd a valós teljesítmény felvétel W-ban.

T9-19-20-1,4.
T10-14,8-0-1.
T10-11,4-10-1,6.
T10-9,4-0-1,4.
T10-6-20-1,6.
T13-3,9-10-1,7.
T13-2,45-30-4,1.

EI6-57-40-2,2.
EI7-14,5-80-6,4.
EI7-12,9-80-6,2.

Hip8-9,2-90-3.
Hip10-7,4-100-3,8.

Regent-5,4-130-8,6.

Látható, hogy van köztük szándékosan alulgerjesztett példány is, meg bililemezből készült nagy veszteségű is. Ez utóbbiak üresen is melegednek.
(#) stra57 válasza tothbela hozzászólására (») Máj 2, 2025 /
 
Kedves Béla,
köszönöm a segítséget de elakadtam.

Ami biztos a trafón két teljesen azonos tekercs van 1.35 huzalból. Mindegy melyikre adok AC 234 V feszt ( ennyi van a hálózaton ) a másikon pontosan ennyi jelenik meg. Sem analóggal sem a digivel nem tudok ellenállást mérni.
A feltekert szekunderen sem tudok analóg műszerrel sem mérni feszt.
A trafó bandázsolt kerülete 300mm.
"Gafly" javaslatára a digi müszer "sipoló" üzemben nem jelez a 220 as tekercseken.
(#) szs válasza stra57 hozzászólására (») Máj 2, 2025 /
 
Nem azt írta Gafly, hogy a 220-as tdkercset "sípold"
Azt írta, hogy azt a tekercset, amit rátekertél, azt.
(a trafót a hálózatról lekapcsolva) Bennehagyod a csokiban a "tűket", amivel feszültséget szerettél volna rajta mérni (és 0 volt volt), feszültségmérésről szakadásmérőre tekerd át a műszert...
Mert lehet, hogy szakadás van a feltekert madzagban. Vagy nem jól érintkeznek a "tűk). Én jártam már úgy, volt fejvakargatás.
A hozzászólás módosítva: Máj 2, 2025
(#) reloop válasza stra57 hozzászólására (») Máj 2, 2025 / 4
 
Szia! Elképzelhető, hogy rosszul határoztad meg az egy tekercsekhez tartozó kivezetéseket és az alábbiak szerint állítottad össze az áramkört.
Ha így lenne, keress a négy kivezetés között olyan párokat, melyekkel sípol a műszer és számolj be az eredményről!
(#) tothbela válasza reloop hozzászólására (») Máj 2, 2025 /
 
Az meglehet. Így érthető, hogy sem az izzólámpás előtéten nem esik feszültség, sem a kismegszakító nem old le. Nálam a 16A-es egy 600VA-es trafótól is néha lekapcsolt. Ez még a méretéből ítélve 800-1000VA is lehet.
(#) tothbela válasza stra57 hozzászólására (») Máj 2, 2025 /
 
Reloop valószínűleg rátapintott a lényegre. Az izzólámpás előtét maradjon, mert még bármi lehet. A négy vezeték közül csipogtasd ki hogy melyik tartozik egy tekercshez, majd mérd is meg az ellenállását. Még bármi is lehet. Lehet 230/230 leválasztó, de lehet egy szekunderétől megfosztott 115+115V-os félig kész trafó.
(#) Ódenka hozzászólása Máj 3, 2025 /
 

Transzformátorok tekercseinek DCR-je

Bizonyára többen tudják, észrevettek, hogy egy viszonylag nagyobb induktivitású transzformátor egyenáramú ellenállás mérése nem mindegy milyen módszerrel, műszerrel történik. Még lehet, hogy esetleg egyik műszerem se jó de 3 különféle műszerrel 3 féle DCR-t mérek. Ezek Ohmikus alkatrész méréseknél ugyanazt mutatják. Tulajdonképpen a műszerek mérési metódusa, mikéntje nem igazán várhat tőlem megfejtést, van mód a pontos mérésre is, csak ez érdekel, ha...
(#) stra57 válasza reloop hozzászólására (») Máj 3, 2025 /
 
Tisztelt István,
Köszönöm a segítséget.
A helyzet, az hogy volt jó a meglátása.
Mivel ez a trafó egy félkész erősítő trafója lett volna elfeledkeztem róla, hogy hogyan lett eredetileg tervezve. Megzavart az is hogy a képen jelzett két vezeték össze volt sodorva.
Lényeg a képen.
Valóban az Ön rajza szerint kötöttem. Kicsengettem a vezetékeket így a két tekercs egyértelműen beazonosítható lett. Ellenállás egyenként 0,7 ohm az 1,35 huzallal.
Rákötöttem először az egyik tekercsre majd a másikra 30 VAC-t. Az általam tekert 20 meneten 3,6VAC mérhető.
Ezután az eredeti összesodort vezetéket összekötve és a másik két szálra ( itt most 1,4ohm mérhető ) 220VAC-t tettem a trafó jó hangosan búg és az általam tekert 20 meneten 12VAC jelenik meg.
Most megpróbálom a tekercselési irány kitalálást vezeték cserével.

Trafó.png
    
(#) reloop válasza stra57 hozzászólására (») Máj 3, 2025 / 1
 
A két tekercs menetkezdés vizsgálatához készítsd el az alábbi összeállítást.
Az egyik tekercset gerjeszted, a másiknak az egyik, tetszőleges végét kösd a gerjesztett tekercshez. Ha az ábra szerint elhelyezett voltmérőn nulla közeli feszültséget mérsz, akkor a voltmérőhöz kapcsolódó tekercs ágak összeköthetők, azaz párhuzamosítható a két tekercs.
Ha a gerjesztő feszültség kétszeresét méred az azt jelenti a két tekercs kezdő és végpontja találkozik egymással. Ez akkor jó ha kiderül, hogy a tekercsek egyenként 115 V-ra vannak méretezve. Ha pedig párhuzamosítani szeretnéd őket, akkor az egyik kivezetés párt csak meg kell cserélned.
Abban az esetben, ha a mért feszültség nem nulla, vagy kétszeres, arra következtethetünk, hogy a két tekercs nem azonos menetszámú.
(#) reloop válasza reloop hozzászólására (») Máj 3, 2025 /
 
A vezeték átmérőjéből és transzformátor méretéből a két tekercs soros összekötésére következtetek. A 20 menetes tekercseden a 12 VAC a reális érték.
(#) Alkotó válasza stra57 hozzászólására (») Máj 3, 2025 /
 
Próbáltam lerajzolni hogyan lehet elképzelni ezt a trafót.
Egyetértve Reloop-pal, biztosan sorba kell kötni a két tekercset, és akkor a veszteségeket elhanyagolva a rajzon lévő 13,8 V-tól kicsivel kisebb feszültséget kell kapnod.
Ha kb. 1,5 menet/V-al számolsz, akkor a 2x45V-hoz 2x68 menetre lenne szükséged.
Az említett búgás viszont aggasztó, mert az már nem fog változni, nem tudsz vele semmit csinálni. Az erős búgás miatt ez a trafó véleményes.
Mindenesetre egy üresjárati primer áramot még jó lenne megmérni.
(#) Alkotó válasza Alkotó hozzászólására (») Máj 8, 2025 / 5
 
A trafót összefogó kengyeleket megcsináltam (elég babra munka volt, mert még a cséve peremét is ki kellett vágnom). És ha már ez megvolt, akkor kipróbáltam összeáll-e minden a tervek a szerint. Egyenlőre ígéretesen alakulnak a részletek.
A hozzászólás módosítva: Máj 8, 2025
(#) Bakman válasza Alkotó hozzászólására (») Máj 9, 2025 /
 
Hello!

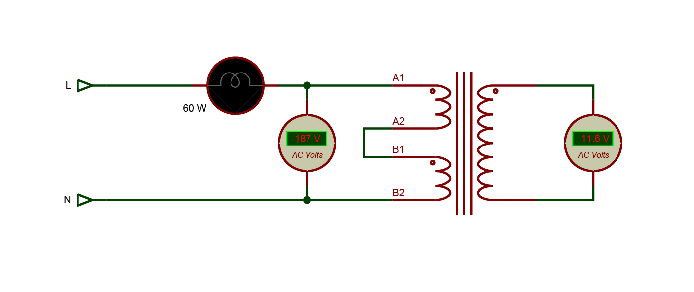
Hozzám került a trafó. Egy-két mérést elvégeztem, lásd "Logikai" nevű mellékletet. Lágyindító híján egy 230 V / 60 W-os hagyományos izzót kötöttem sorba a trafóval. A mért értékek nekem normálisnak tűnnek. Neked, nektek?

Próbaképpen párhuzamosan is összekötöttem a primer tekercseket, de ekkor elég nagy üresjárati áram jött volna ki, a két tekercsre ekkor már csak 90 V jutott, a többi az izzóra, világított is szépen.

A dupla primert nem teljesen értem, meg is zavart kicsit. Felkészítették volna 110 V-os hálózatra is?

Logikai.png
    
(#) vision61 válasza Bakman hozzászólására (») Máj 9, 2025 /
 
Szia!

Nem tudom, manapság is gyártanak-e így, de van néhány régebbi kisebb, nagyobb trafóm, amiknél szintén osztott a primer tekercs.
Méretet, teljesítményt ugyan nem írtál (gondolom adattábla pedig nincs), de ez nem egy halogén izzókhoz készült központi trafó?
(#) Alkotó válasza Bakman hozzászólására (») Máj 9, 2025 /
 
A normális/szélsőséges között nehéz állást foglalni ha nem tudjuk eredetileg mire tervezték.
Én még megvizsgálnám:
- izzó nélkül mekkora a nyugalmi áram
- mennyire zúg (mert állítólag jelentősen)
- mennyire melegszik
- mekkora a szekunder feszültség esése terhelés hatására (nagynak tűnik a trafó, jelentős terhelés kellene a 12 V körüli feszültségre).
- a képek alapján egy szövetszalaghoz hasonló sorszigetelést vélek látni, ami nem biztos, hogy tudja a mai elvárásokat
(#) Bakman válasza vision61 hozzászólására (») Máj 9, 2025 /
 
Hétvégén mérek többet, ma ennyire jutott idő.
Következő: »»   390 / 396
Bejelentkezés

Belépés

Hirdetés
XDT.hu
Az oldalon sütiket használunk a helyes működéshez. Bővebb információt az adatvédelmi szabályzatban olvashatsz. Megértettem