Fórum témák
» Több friss téma |
Hangsúlyozod a biztosíték esetleges érintkezési hibáját (ami természetesen lehetséges), mint káros körülményt a végeredmény szempontjából. Ennek kapcsán kérdezem, ha kizárjuk az érintkezési anomáliákat (beforrasztjuk az érintkezőbe a biztosítékot), akkor nincs kártékony hatása? A biztosíték sajátságos paraméterei nem károsak? Persze a kérdés csak elméleti, de szívesen olvasnám a véleményedet.
Idézet: „Ennek kapcsán kérdezem, ha kizárjuk az érintkezési anomáliákat (beforrasztjuk az érintkezőbe a biztosítékot), akkor nincs kártékony hatása?” Szerintem akkor is van, de jelentéktelen mértékű. Hívőket meg is sarcolják Bővebben: Link A hozzászólás módosítva: Nov 24, 2024
Amennyire követni tudom az ezzel kapcsolatos hitvitákat, két fő érvük van a biztosítékot ellenzőknek (most az érintkezési hibát ne vizsgáljuk, azt tekintsük kivitelezési hiányosságnak).
- A biztosítéknak jelentős ellenállása van, ez még változik is az áramtól függően, így feszültség esik rajta. A jelentős az valami olyasmit jelent, hogy a vezeték ellenállásával jól összemérhető. - Például végerősítők tápágában elhelyezve nem képes megvédeni a erősítőt, mert a kiolvadási ideje az nagyobb mint ami a félvezetők tönkremeneteléhez kell. Ebben én nem tudok állást foglalni (mert azért a másik oldalon is vannak érvek), de ha ezek a koncepciók helytállóak, akkor valóban megkérdőjelezhető a végerősítők DC vonalán való felhasználás. Valahol a végletek között lehet az igazság, és akkor tudunk jó döntést hozni ha igyekszünk pontosan megfogalmazni egy adott helyre milyen célból tennénk biztosítékot. Szerintem Cirokl áll közel az igazsághoz, elegendő/célszerű a váltó oldalon "védekezni", mert így a puffer képes helyrehozni az esetleges problémákat. A hozzászólás módosítva: Nov 24, 2024
Idézet: „- Például végerősítők tápágában elhelyezve nem képes megvédeni a erősítőt, mert a kiolvadási ideje az nagyobb mint ami a félvezetők tönkremeneteléhez kell. Ebben én nem tudok állást foglalni (mert azért a másik oldalon is vannak érvek)” Volt már erről szó. A másik oldalon szerintem egyetlen érv van: az adott végtranzisztor SOA-ja. Például egy 70 fokos lapkahőmérsékletű 2SC5200-ast jó eséllyel megvédi az F2A-es biztosíték. De nem egyszerű jól méretezni egy végfokot ha a tápsínbe betett biztosítékra bízzuk a végtranzisztorok és a hangszóró életét. Egyszeres tápnál működik a dolog. Nálam 5A-es "biztit" olvaszt ki két pár IRFP240/9140 (kb. 120A csúcsárammal) és nincs is más túláramvédelem (az elektronikus védelmeket végül nem kötöttem be, nincs szükség rájuk).
Mély fájdalommal tudatom a fórumtársakkal, hogy családunk hű társa, hétköznapjaink szórakozása, tévénk hangja, nem érte meg a 8 évet. Ugyanis rövid szenvedést követve kimúlt VF4-es erősítőm.
A jobb oldalával már vagy egy éve végzett egy szikrázással egy beleesett csavar. Most éjjel meg a másik oldala távozott egy nyögéssel, és a védelem borított rá szemfedőt. Utolsó szava valami ilyesmi volt: cudarul bántál velem gazdám, le vagy … Tisztelegtem előtte a gipszes kezemmel. Béke poraira! Illetve mégsem lesz sokáig a porainak béke, mivel vár rá a reinkarnáció!
Az előzmények után…
Történt ez a legrosszabb időben, amikor a hibridem még kész sincs. Így csak belenéztem, és konstatáltam, hogy egész jól építettem meg úgy nyolc évvel ezelőtt. Az idő nagy úr, és így azóta sok új információhoz jutottam e tekintetben. Vagyis akárhogy sajnálom az előző verziót, át fogom öltöztetni. Az eddigi igények alapján felesleges lett a három analóg bemenet, kapcsolóval. Mivel én nem használok árnyékolt vezetéket a bemenetnél, az emiatti rövid vezetékezés a kapcsoló és a potméter között, annak minden mechanika nyűgével érintett. A jelenlegi elképzelésem szerint a bemenetek módosulása egy analóg és egy USB portra egy átkapcsolóval lesz a hátlapon. Ezáltal feleslegessé válik hátul 3 RCA kábel. A potit alpsra cserélem egy szál kezelőtengellyel. Az RCA csak tartalék nem várt körülményekre, mivel az USB-re bíznám a bemenetek kezelését a monitor HDMI csatlakozóján át. Ehhez azonban még kellene egy HDMI-USB digitális hangadapter… Egyéb módosítás lenne, a hidak Schottkyra cseréje, a paneltől elszigetelt kivitelezés, és mechanikailag a védelem visszajelzésének a hangerőszabályzó gombhoz való szerelése.
Eljárt felettem az idő, nehezebben jár a kezem, de erőt véve magamon belevágtam a folytatásba. Találkoztam egy régi ismerősömmel is, aki segített abban a bizonyos HDMI-USB digitális hang problémámban. Boldogság ebből nem lett, csak tájékozottság, ugyanis kiderült, hogy az X-mos 208 USB panelt érdemben csak egy "gyári" átalakító tudná kezelni több százezres áron. Nos így ez most arrébb került, és ideiglenesen lefokoztam a három bemenetet kettőre, amit az általam megszokott kapcsolóval fogok váltani. Megmondom őszintén kevés energiát, és időt szánok e dologra, így úgy fog kinézni, ahogy, de a működése milyenségét nem tévesztem szem alól. A képeken a bemenetváltó kapcsoló mechanikai megoldása látható. Megjegyzem a kezelőszervek az alaplapról a hátfalra kerülnek. Ezen belül, a huzalozás után az alps pórvédőt fog kapni.
Nem tudom pontosan, hogy mit is szeretnél a HDMI-USB átalakítóval, de ha hangot csiholnál, akkor egy olcsó HDMI->VGA konverterrel megoldható. Olyat kell választani, amin van analóg hang kimenet is.
Hogy mit? Az ES9038q2m DAC-omhoz minőségi digitális hang sávszélességet. Ugyanis az I2s bemenete tudja a legjobb minőséget. Hogy ez ne a levegőbe lógjon, tapasztalataim szerint már a optikai bemeneten jobban szól, mint a Popcorn A410 analóg hangkimenete, ha az optikai porton hallgatom. A VF4-ben az USB bemenet azt jelentené, hogy megszűnne az erősítő mögött a kábeldzsungel, és a hang a képpel szinkronizálva lenne, így nem kellene az erősítőn bemeneti váltó. Persze ez csak nálunk lenne célszerű...
Kevés az információ, de szerintem több minden keveredik:
- az ES9038q2m DAC chip (is) csak IIS és DSD bitstream-eket képes fogadni, amik folyamatos, ütemezett adatok, vagyis nem közlekedhetnek kis csomagokban, strukturáltan. Ha az adott DAC-panelen van optikai bemenet, az máris egy átalakító, - így függünk az optikai átalakító minőségétől (pl. a jitter, mert szintén ütemezett, csak kicsit több metaadatnak tart fenn helyet). Ami a HDMI-t illeti: - HDMI _kábelt_ szoktak használni egyes (végül is speciális) hanglejátszó készülékek, de azon kép nem közlekedik, csakis speciális, IIS formátumú bitstreamek, mert jók a kábel elektromos tulajdonságai, ez a magas szint, nem gyakori, - egy normál képátvitelre használt HDMI kábelen ismerten közlekedik hang is a kép mellett, amit a konzumer eszközök dekódolnak (közlik a hosttal, hogy milyen formátumokat fogadnak el, és pl. egy PC hangrendszere ahhoz igazodik), ez viszont nem lehet IIS vagy más ütemezett átvitel, mert kisebb darabokban közlekednek a képtartalom mellett, - vagyis a speciális, IIS-re használt HDMI kábel nincs köze sem a normál kép+hang átvitelére szolgáló HDMI kábelhez, sem az USB-n (UAC-n) alapértelmezetten közlekedő LPCM-nek vagy a tömörített formátumoknak. És itt jön ez a dolog, ha jól értettem, a képzeletbeli HDMI-->USB átalakító, amiben van egy HDMI hang-kliens (az nem gond), ill. egy USB host (ami viszont önmagában sem gyakori), és aminek nem lenne értelme, hiszen csak azért alakítanánk át USB-re akár a speciálisan hangra használt, akár a konzumer HDMI kábelen jövő adatokat, hogy aztán egy újabb lépésben, a DAC részének tekinthető USB-->IIS átalakítóval kapjuk a végleges formát, amivel táplálni lehet a DAC-ot... Másfelől az XU208 pontosan egy USB-->IIS átalakító (panel), méghozzá gyakori és olcsó - ami a kérdés, hogy az az IIS, ami kijön belőle, alkalmas-e egy adott DAC meghajtására. Az ES9038q2m-hez annyira alkalmas, hogy ezzel a párosítással gyártanak népszerű és viszonylag komolyabb audio eszközöket. A másik probléma a hangformátumok környékén levő elvárások szoktak lenni a még nagyobb órajel meg a még több bit irányában (amik sokszor divatvezéreltek, de hát sok mindent ki kell próbálni), ezek miatt szoktak egy-egy eszközt nem megvenni, másikat keresni. Az ES9038q2m 384 ksps-ig, ill. DSD256-ig működik, szóval nem lehet rá túl sok panasz - az más kérdés, hogy ez az összeállítás azért nem a nagyon magas high-end. De a világ nagy, az ember mindig tanul, még bármi kiderülhet. A hozzászólás módosítva: Jún 16, 2025
"Másfelől az XU208 pontosan egy USB-->IIS átalakító (panel), méghozzá gyakori és olcsó"
15 ezerért bárkinek utánavágják!
Akkor egy szerényebb kivitelű adaptert néztél, ahogy én is olyat vettem valamikor, de létezik extrákkal is: https://www.magnahifi.com/shop/sx-f1-singxer-f1-digital-interface-s...,75,76 : -) Az XU208 a chip neve, rosszul írtam.
Ezzel itt nem meditálnék hosszabban. Meg kellet volna nézned jobban, amit írtam. Ugyanis az USB panel, csak a DAC panel kiegészítője esetemben.
Rádugható panel kivitelben, vagyis kiegészítőként is sokféle készült belőle - csak egyszer kell utánanézni egy kicsit. Ilyenem van nekem is, a linket csak érdekesség kedvéért hoztam.
Annak idején az Amanero volt egy másikfajta USB-IIS adapter más chippel szintén DAC-panelre rádughatós formában. És mi van a HDMI-vel? A hozzászólás módosítva: Jún 17, 2025
Fárasztó vagy! Már megírtam az előzőekben. A HDMI felületen a legnagyobb a digitális hang sávszélessége.
Mivel nem vagy hajlandó beszélni, megnéztem a kínálatot: a PC felőli oldalra gondolhatsz, mivel a külső USB-s hangkártyáknál vagy átalakítóknál megjelent az általam "speciálisnak" nevezett "IIS a HDMI-n" kimenet. Elsőre 50-100 dollár közt láttam, tehát lejjebb jött a már az überhifiből a valószínűleg hétköznapinak számító eszközök közé - elterjedtségtől függ.
Ezzel csak annyi a baj, hogy ha eleve USB-ről indulunk, akkor a sebesség szempontjából már semmi értelme a HDMI-nek. : -) Jobb a kényesebb, ütemezett szakaszt a DAC-hoz közelebb vinni-tartani, ha már nem átalakítás nélkül jön az IIS valamilyen komoly lejátszóból. Másfelől a DAC oldalán akkor is kell egy másik átalakító, ami ha egyszerűen USB-s, akkor feleannyi eszközt kell vásárolni. Mivel az USB is bőven elég lehet bármilyen gyors hangátvitelre - kérdés, melyik sebességű USB. Nekem még DSD256-ot is tudó USB-s DAC-om van, szóval nem tudom, mi volt a cél... A hozzászólás módosítva: Jún 17, 2025
Állítólag Te értesz hozzá... Akkor nem értem mi a gondod ezzel. A PC-n semmi gond nincs, mert feltelepíted az az USB kártya szoftverét, kikapcsolod a hangkártyát, és megy a dolog a CD játszó, és a youtube esetében. A HDMI-hang a tévéhez, meg a média-playerhez kell. Mi ebben az érthetetlen? És ha ezt sem értenéd a tévéhez azért kell, mert a tévéhangot is a VF4 biztosítja.
Teljesen felesleges tv hanghoz meg a media playerhez hdmi-n vinni a hangot. (Ha a vf4 helyett valami házimozi erősítő lenne akkor igen). Sztereoba hallgatod, innentől kezdve rca és este van.
Tudod nem muszáj egyformán látnunk a dolgokat. És Te sem láttad át ennek a részletnek az egészét, aminek csak egy része a VF4. A media player-be a legjobb digitális hangot nem "belevinni" akarom, hanem "kivenni ", mivel a külső DAC-omnak jobb a hangja az Popcorn A410-nél .
Nem nagyon értem mit akarsz. Nem tudom mit mivel akarsz összekötni.Írd már le légyszi.
Mert a tv hangja megy a vf4re, ezt értem. Külső dac megy a vf4re rca-val (gondolom én) ezt is értem. Media player a számítógépen fut nem? Arra meg azt mondtad a, hogy a pc-vel semmi gond.
Nem igazán ez a téma, de... Mi tévét set-top box+ 24'-os monitoron nézzünk. A Popcorn A410 a media player. A VF4-ben külön DAC lesz. A mostani DAC az EVAmp-TB-ME fejhallgatóerősítőm része.
Kérjük, hogy térjetek vissza a topic eredeti témájához!
A VF4 aktualizált felújítási terve
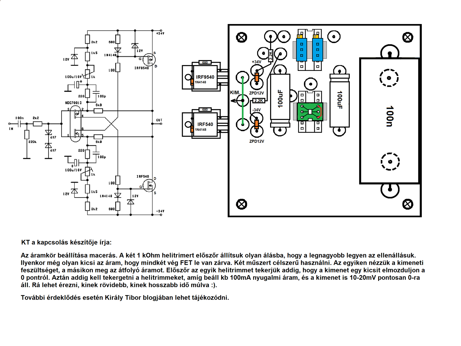
Mivel az előzményekből világossá lett a digitalizáció elhalasztása, maradt a két bemenet, az erősítőpanelek módosítása, és az előlap ehhez való átalakítása minimál igény mentén. Nagyon magára maradt szegény előlap a mindenféle régi elképzelés luggatásával, hogy majd úgy is rendesen megcsinálom szlogennel. Hát ez most is csak alkalmi, de legalább nem olyan ronda lesz. Az összevissza furkált farostlemezre ragasztottam egy 6 mm-es rétegelt lapot, hogy az ementáli jelleget megszüntessem, majd a maradék glazúrral lekentem. Betájoltam szemre a potit, és kifúrtam a homloklapot a közvetítő rúdnak. Elgondolkodtam azon, hogy a védelem állapotjelzőjét hogy tudnám úgy megoldani, hogy ne legyen olyan ronda a kinézete, mint eddig. A „túrkálóba” menve megláttam egy régi plexigyűrűt, és egy hajdani fa tekerentyűt hozzá. Nézegetve őket, támadt egy ötletem… Vertikálisan a gyűrűt alulról felfútam az erősítő homloklapjára, és horizontálisan kétoldalra meg a kétszínű ledeket. Alulról is, meg felülről is egy kis fehér rongyra bíztam a fényvisszaverődést, és a visszajelző ezzel meg is volt. Ráadásul nem is olyan rondán nézett ki, mint eddig. Már csak a poti rudazatát kellett megoldani. Jobb híján erre egy 626-os csapágy látszott alkalmasnak, csakhogy ez lötyögött a plexigyűrűben. Így támadt egy ötletem, és teflonszalaggal szorítottam bele, mivel ez volt itthon. Ezzel a poti rendben is volt. A közben elkészült kapcsolóbak, kapcsolóval, és életre kelt egy rúd segítségével az előlapon. A mechanika kicsit ferde lett ugyan, de ez nem jelent semmilyen használhatósági gondot. Itt jegyzem meg, nem biztos, hogy a bak forrasztgatásával igazgatott mechanika megérte volna, hogy esetleg a fólia levált volna a hőtől az üvegszálról, és csinálhattam volna újat belőle. Következhet a kapcsoló, és a poti bekötése, és az erősítő panelek áttervezése, kivitelezése. Ezek átalakításának szempontjai: a paneltől elszigetelt légszerelés, Dale CPF ellenállások alkalmazása és a nyugalmi áram potijainak felülre szerelése a kedvezőbb beállítási lehetőségek miatt. A tápoldalon, lehet, hogy Schottkira cserélem a diódákat, de a többi marad, mármint a 4x5db csillagba kötött 2200uF. A hozzászólás módosítva: Jún 24, 2025
Elkészültek az elvi rajzok.
Sajnos a jobb oldalt nem tudtam csak Word-ben feltenni.
Megkezdtem a szerelés előkészítését, ami bontással kezdődött, majd ezt a szerelvény alaplaptól teflonnal való elszigetelés kivitelezésével folytattam. És szemrevételeztem, hogy nagyjából elfér e minden a panelen…
Sok víz lefolyt a Dunán, már azt hittem sosem lesz meg…
A fiam végre segített a duál FET beforrasztásban. Neki jobb a szeme (meg más is). Szóval lendületet vett a dolog. Azonban a foglalatba forrasztáshoz használt munkapad elveszett, így újat kellett gyorsan csinálnom. Hátra van a védelem felszerelése, és a beállítások. Vf3 deszkamodellDiszkrét alkatrészekkel megépített Vf3 mosfet végfok tesztelési célból.
Még nem találkoztam .jfif bővítménnyel, de a Windows kapásból meg tudta nyitni.
...ha lemented. Én biztosan nem mentem le, csak azért, hogy megnézzem BX777 művét. A fórumnak megvan az ajánlott fáljformátuma: *.jpg.
|
Bejelentkezés
Hirdetés |
















































