Fórum témák
» Több friss téma |
Sziasztok!
Szert tettem egy-két tranzisztorra.(2 órán keresztűl csak forrasztottam őket.) Ha felismertek egyet a sok közűl kérlek osszátok meg velem, hogy mit tud. Időtöltésnek tökéletes Mothaltem
Nos, ez korántsem mind tranzisztor, mert pl. a felső sor közeépn a jókora, 4 lábú "szörny (RBV-606 felrattal) egy Graetz egyenirányító híd.
De pl. a felső sor balról harmadikja egyértelműen diódának tűnik (rá is van rajzolva). A legtöbbjén rajta van a pontos típujelzés (pl.: második sor balról 3.: BD241C), ez alapján egyértelműen beazonosítható. Van ott még kettős dióda is (3. sor jobbról 3.), mellette balra szintén egy dióda, szóval lehet válogatni!
Szia!
Amiken A,B C, D betű után szám van oda kel la "2S" varázsszócska szükségeltetik és ni csak adatlapok hegye tárul eléd Nekem is nagyon sok japán tranyám van.. üdv!
helló. mondjuk én tudom miylen alkatrész ez, csak azt nem tudom hogy működik. el tudná valaki röviden mondani?
Ha igaz egy hődrótos műszer, ami a hőmérő gomba változó ellenállása révén eltérő áramot kap, ami felmelegíti. A melegedés hatására egy bimetal elhajlik és kitéríti a mutatót. A tehetetlensége jól jön ott ahol a pici dinamikus változásokat nem kell figyelni ( pl. üzemanyagszint visszajelzés) További előny bizonyos felhasználásoknál, hogy valódi effektív értéket mér.
-szerintem-
Halihóó!
Ez valóban egy jó kis orosz villanymotor. 27 V-os, névleges fordulat 6000/perc, kicsit több mint 5 wattos. Ja, és új ára 1200 rubel, úgyhogy becsüld meg Bővebben: Link
Sziasztok!
Valaki találkozott ilyen ellenállás rajzjelekkel? Mi a jelentése?
Sziasztok!
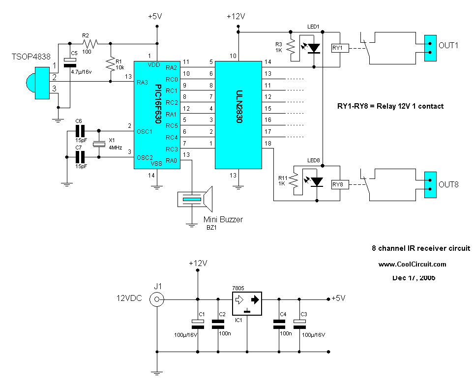
Nem tudja valaki, hogy mire való az "ULN2830" IC? Nem találok róla sehol adatlapot. Ebbe a kapcsolásba kéne: (csatolva) Köszi!
Ez is egy tranzisztor "array". Szerintem kiváltható más,akár ULN tipussal is. Figyelembe kell venni a relék áramfelvételét és feszültségét,és eszerint kell keresni.
Helló
Egy laptop akkujában található alkatrész adatlapjára lenne szükségem. A képen látható két soic8 tokozású szerintem smd fet lehet. Ez van ráirva:4435, alatta az intersil jele, mellette: NE, ezalatt pedig:L25CA Egy adatlap jó lenne hozzá, hogy tudjam a bekötését. Három lába össze van kötve, azon mérem az aksi feszt, egyik láb külön van, azon is aksi fesz van, a többi 4 is össze van kötve, azokon viszont semmi nincs.
Minden irányban néztem, de nem tudok nevezőre jutni. Mivel az SMD kódoknál csak a kis csomagolásokra van megadva a jelentésük. Megkérnélek csinálj egy rajzot róla Paintban, hogy lássuk hogy néz ki. Tehát, Te megrajzolod, és ráírod az adatokat. Valószínűleg ami rá van írva, az a száma, és nem a kódja, csak elébe kell írni valamit (Japán módszer), vagy különvenni a sorozatszámot.
Szerintem elírták az ULN2803. Megnéztem a rajzon a kiosztás egyezik, illetve hibás a rajz az ULN-nek két 13-as lábat rajzoltak! Ami a földre megy az valójában 9-es.
Úgy néz ki ez lesz az. Már csak ki kellene találni mi a fenéért nem megy. Köszi.
Üdv: Ricsi
Köszi!
Én is arra gondoltam, hogy elírták, mert nem találtam róla adatlapot sehol.
Sziasztok,
Az alábbi képen egy mio c710es pna látható. A tulaja valószínű fordított polarítású szivargyujtóba dugta és ez lett a vége. Már volt vele szervízben is, és 30.000.-at mondtak rá. "amennyire le tudtam olvasni a típusa valoszinű 68TI vagy 687I lehetett" Kérném segítségeteket, hogy mi lehet ez az alkatrész? És esetleg a cseréjében ki tudna segíteni? Az akksi alatt pirossal jelöltem az alkatrészt. Üdv mindenkinek.
Szerintem ez az, ami neked kell, egy töltésvezérlő IC.
Szia,
Nagyon szépen köszönöm az infót.
Most már csak azt kellene tudnom, hogy hol tudom beszerezni?
Sőt most már van egy olyan problémám is, hogy amit te megadtál annak 12lába van.
De azóta sikerült szétszednem egy nem elégettet is. Kép Az "5CTI AIH"-t (vagy mi van rávakarva?) kellene megoldani. További segítségeket várok. Mivel lehet ezt kiváltani? És hol tudom beszerezni? Köszönöm.
Nem csak ez itt a probléma, az nem tudhatod, hogy ez az alkatrész magától ment e tönkre vagy valamely más alkatrész zárlatossá válása lőtte-e el. Igy lehet hogy kicseréled és nem lesz jó, bár ha nem kerül sokba ennyit megér, én azért javasolnám a környező alkatrészek átvizsgálásái is. Dehogy a kérdésedre is válaszoljak, szerintem egyik sem lesz jó amit belinkeltél, ugyanis ami neked kell az több mint 1,5A-es, a másik kettő az 500mA illetve 1A-t tudnak, így szerintem ezek nem megfelelőek erre a célra. A lábkiosztás sem biztos hogy ugyanaz.
Üdv. Doncso
Szia,
Már mint említettem nem értek hozzá jobban. És esetleg tudsz valakit aki meggenerálozná vagy egyáltalán ért ehhez a kütyühöz. Mert a Mio szervízben csak az alaplapot cserélnék egyben és annyiért már kapni másikat. Üdv.
Hát szerintem egy ilyen alkatrész csere még nem akkora mutatvány, kis kézügyességgel te is elvégezheted szerintem ezért ne menj a servicébe, vagy máshoz.
Az okés lenne, mert valahogy megoldom.
De a legnagyobb bajom most az alkatrész beszerzése lenne. Honnan vagy kihez forduljak?
Fu, hát igen ez a nehezebb kérdés, én megnézegetném a hazai ismertebb boltokat, CHIPCAD, LOMEX, RET, ilyenek, esetleg irnák egy mailt hogy nem e tudnának rendelni.
Hát azt nagyon szépen megköszönném neked.
úgy értettem hogy ha a helyedben lennék. Neked is ugyanannyi.
Sziasztok!
Kaptam anno egy ilyen valamit, apám szerint valami hőérzékelő lehet a márkája miatt. De ennyi az összes adatom róla ma szétszedtem és lekattintgattam belülről is.. üdv! Előre is köszönöm |
Bejelentkezés
Hirdetés |














