Fórum témák
» Több friss téma |
Szia!
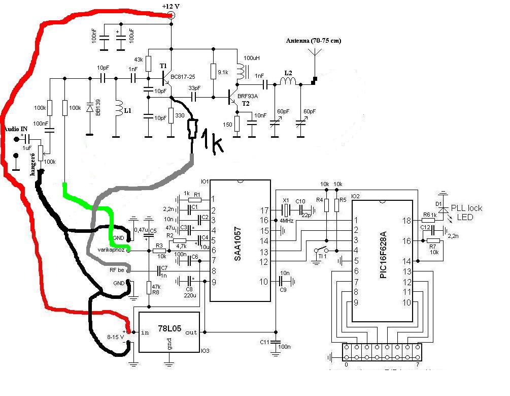
Ez így nemjó, ahogyan bearjzoltad. Igazából csak a tápfeszültséget kötötted jó helyre, a többi rosszul van berajzolva. A zöldet, ami a varikaphoz megy, azt a trimmerellenálláshoz csatlakozó 100 kohmos ellenálláshoz kell kötni (a trimmert pedig kivenni!). A szürkét pedig (RF be) egy 1 kohmos ellenállással kösd be a T1 emitteréhez.
átjavitotam (és természetesen árnyékolt kábelekel kötöm össze) igy márjó?
Igen, így van, ahogyan lerajzoltad.
Sok sikert! És ha valami miatt elakadnál, szólj.
Akkor már tudom hogy az enyém miért nem működött.
Heló Novak meg épitettem a pic égetődet de valami bajvan az ic progot használom az égetést el is kezdi de a végén viszaolvasáskor mindig "eror Verify failed at address 0000h !"irja ki. Kevés lenne a feszűltség ami kijön a soros porton?
Hali,
az elején én is nagyon sokat szívtam vele, mire tudtam égetni. Nekem is ugyan ez volt a problémám. Én végül a WinPic nevű programnál kötöttem ki, és már 3 éve ezt használom. Működik rendesen. Ajánlom a progit töltsd le (ingyenesen elérhető), és próbálkozz azzal. Programozó típusa: JDM, a COM portot pedig válaszd ki (majd a programon belül Options-ben). Aztán ha nem jutsz vele előrébb, még írj.
Kösz!
Heló nem lehetne ezt a kapcsolást egy kicsit felturbózni mert mivel ha nem jön ki elég feszűltség a gépböl gondoltam tenni kéne még kondit a kapcsolásba(Pl. 2200 uf 16v a c1-re) vagy ez hűjeség?Nekem azt irja akárhogy álitom ERROR: Programming FAILED !ERROR: Programming FAILED !
Idézet: „Az RS232 úgy adja meg, hogy a port akkor érzékel logikai 1-et, ha a feszültség -3 és -25V között van. A logikai 0-t a +3V és +25V közötti érték képviseli. A -3V és +3V között tartományban a detektált jelet nem rögzíti a szabvány, tehát az, hogy pontosan hol a határ, az gyártónként változik. Viszont a JDM csak akkor működik, ha a kb. +0.5V alatti feszültséget a port már logikai 1-nek érzékeli. De mivel ez gyártófüggő, ezért sz.r a JDM úgy, ahogy van. ” Attól hogy még megvan a fesz nem biztos hogy működik is az égető. Elösször én is ilyet akartam építeni de lebeszéltek róla és ezt építettem meg. Igaz hogy nem pöccre indult (nem tudom bizonyítani de szerintem kontakt hiba miatt nem működött) de pár próbálkozás után sikerült vele felprogramozni a pic-et.
Miután megépítettem a JDM-et, utána én is olvastam, hogy nem mindegyik gépen fog működni, meg az újabbakkal biztos nem, stb... Itthon van 3 gép is. Ebből az egyik lassan 10 éves lesz, a másik olyan 4-5 éves, és van egy nem egészen egy éves gép is. Mindegyikkel kifogástalanul működik, sőt még a LapTopról is tudok vele programozni. Egyetemen is már nem egy gépről programoztam... Én még egyszer sem találkoztam olyan problémával, hogy nem tudott volna kommunikálni a JDM a porttal. De lehet csak mindig kimákoltam
heló ez a tranzisztor jól van igy bekötve?
Igen.
igen, jól.
köszi mindenkinek!
Sziasztok!
Szeretnék építeni egy vez. nélküli mikrofont, kis hatótávra (30-50m), és szeretnék érdeklődni, hogy tudnátok e olyan kapcsolást ajánlani, ami nem hangolódik el érintésre/könnyen, és megtartja afrekit. Másik, pll áramkör szükséges hozzá, vagy akár el is hagyható?
Szia!
Szerintem a PLL-t így az elején hanyagold, csak szenvednél vele. Egyébként itt a bő 37 oldalnyi hozzászólás telis tele van kapcsolásokkal, tapasztalatokkal. Ne legyél lusta végigolvasni őket. Sokat tanulhatsz belőle, és még válogathatsz is a kapcsolások között.
Hello!
Az 500mW-os FM adóm sajna túl halk a hangforrás hibájából. Lehet úgy hangosítani hogy a hangerő timmer utáni 100k-s ellenálást kicserélem egy kisebb értékűre?
Sziasztok!
Még új vagyok itt lécci segítsetek! Novák Gábor oldaláról kinyomtattam az 500 mW-os FM adó kapcsolását és megépíttettem egy rádiószerelővel. A probléma az hogy amíg hurokdipólról és 10 darab elemről ment addig minden tökéletes volt, egy érzékenyebb rádióval simán el tudtam érni a másfél kilómétert. De zavarta a tv-t és a szomszéd is panaszkodott. Ezért vettem 10 méter rádiós 50 Ohmos koax kábelt de ezt nem tudtam összekötni a hurokdipóllal (meg mellesleg az kiesett az ablakból és összetört). Ezért csináltam nyitott dipólt úgy hogy 5-ször felcsavartam a koax kábelt és a földre is és a melegérre is tettem 1-1 darab 75 centis vezetéket. És kipróbáltam pc tápról, így nem zavarta a tv-t nem nyomta el a Sláger Rádiót tehát minden ok volt. De még a 200 métert sem értem el a telefonos rádióval. Mit csináljak?
Hello! Véleményem szerint illeszteni kellene az antennát a végfokozathoz. Az antenna sem tökéletes, mert először a koaxiális kábelt, vagyis annak jelét, szimmetrizálni kell, csak azutám kötheted rá azt a szimmetrikus dipólra.
Hogyan kell illeszteni?
Hogyan kell szimmetrizálni? Egyébként az antenna a végfokra van rákötve és amíg nem rádiós koaxról ment addig jó volt csak zavarta a tv-t A pc táp is befolyásol? mert elvileg 15 volt kell ennek a készüléknek de az pontosan 12 voltot ad le
-Készítened kellene egy SWR mérőt, azzal megmérheted az illesztettségét az adónak.
-A szimmetrizálást balun trafóval vagy illesztőhurokkal lehet elintézni. -Azt hogy ezeket hogyan kell használni, ... bizonyára megadja a műszaki dokumentáció... -Egy PC-táp, az esetleges 100Khz-es jeleivel zavarhat. Próbáld ki elemről, majd a PC-tápról, ha nincs különbség, akkor rendben... -SWR mérő helyett (mellett) készíthetsz térerőmérőt is, hasznos műszered lesz!
>és a melegérre is tettem 1-1 darab 75 centis vezetéket
Jobban műk, ha a meleg érre csak egyet teszel és a hidegre teszed a másikat. Dipól
50|50 ( 75|75 ) Ωos szimmetrizáló ( BalUn ) egyenes dipólhoz.
Ha változtatod az üzemi frekvenciát ( QRG ), akkor újra kell szabnod és forrasztanod az illesztőt.
A hurokdipóllal akkor szerencséd volt, hogy hosszab távon működött az adó, mert elvileg nem arra van méretezve.
A nyitott dipól viszont már jobban hangzik A koaxkábel hosszát amennyire csak lehet, minimalizáld. Minél hosszabb, annál több teljesítmény fog rajta elveszni = > kevesebbet sugározol ki.A telefonos rádióval pedig még a 200 méter is soknak számít! A telefonokban borzasztó gagyi rádiók vannak beépítve, ne várj tőlük többet. Ráadásul szintézeres rádió van bennük, így ha az adód nincsen pontosan X,X0 vagy X,X5 MHz frekvencián, akkor még kisebb a hatótáv. A dipól szárait függőlegesen feszítsd ki (semmikppen ne vízszintesen!). A meleg érre cstlakozó álljon fölfelé, a földre cstlakozó pedig lefelé. Ezenkívül a hurok és a nyitott dipól imedanciája különbözik (300 illetve 50-75 ohm). Ebből kifolyólag az adón található két trimmerkondival újra be kell állítani a megfelelő illesztést. Ehhez tényleg praktikus lenne egy egyszerű térerősségmérő, anélkül nehéz.
Köszönöm szépen, sokat segítettél de a telefonos rádióval fogok ezekután is próbálni mivel hurokdipóllal 1,5 kilómétert értem el. Ja és elég könnyű pll nélkül beállítani a 93,4 MHzre tehát szintézeres rádióval is jó és a hangminőség is akármilyen antennával kiváló. A nyitott dipól szárait az ablakban vízszintesen feszítettem ki valószínüleg ez volt a baj. Nem ide tartozik de felvettelek msnre és még nem jelentkeztél be.
Hétvéégn nem nagyon van időm gépezni, majd hétfőtől leszek MSNen is. A dipólnál arra figyelj, hogy a szárai tényleg egyenesek legyenek, és megflelő hosszúak! 93,4 MHz esetén a két szárnak egyenként pont 80 cm-esnek kell lennie (összesen tehát 1,6 m).
Heló én ezel a pic programozásal semire nem haladok de az 500mw adó jol működik(kivéve amejket nyákra űlttetem az csak morog elemröl meg táprol is)már doboza is van meg pll is csak pic nincs amit beletegyek.
Sziasztok!
Nem olvastam végig a topicot, talán már van is itt olyan kapcsolás, ami nekem kell. Építettem egy elektromos zárat a kapumhoz, az jól működik. Készítettem hozzá távirányítót is, azonban ez nem rádiós elven működik, hanem két rezgőkör van egymásra hangolva nagyfrekvencián, és kb 10 cm távolságról hat. Kívülről azonban kényelmetlen kinyitni, benyúlni a kerítésen, ezért jó volna egy olyan rádiós adó és vevő kapcsolás, ami gombnyomásra egy 1 másodperces impulzust ad, lehetőleg egy npn tranzisztornak kellene a kollektorra - tápfeszt adni (mert a kapunyitó elektronikájában két kondenzátornak kell megadni a negatívot a nyitáshoz). Ha valakinek kell, tudok paneltervet küldeni a kapu elektronikájáról, vagy készíthetek róla kapcsolási rajzot is. Persze az én távirányítómról is adok a vevővel együtt szívesen. Előre is köszi! |
Bejelentkezés
Hirdetés |







A koaxkábel hosszát amennyire csak lehet, minimalizáld. Minél hosszabb, annál több teljesítmény fog rajta elveszni = > kevesebbet sugározol ki.



