Fórum témák

» Több friss téma
Fórum » Elektronikában kezdők kérdései
- Ez a felület kizárólag, az elektronikában kezdők kérdéseinek van fenntartva és nem elfelejtve, hogy hobbielektronika a fórumunk!
- Ami tehát azt jelenti, hogy a nagymama bevásárlását nem itt beszéljük meg, ill. ez nem üzenőfal!
- Kerülendő az olyan kérdés, amit egy másik meglévő (több mint 17000 van), témában kellene kitárgyalni!
- És végül büntetés terhe mellett kerülendő az MSN és egyéb szleng, a magyar helyesírás mellőzése, beleértve a mondateleji nagybetűket is!
Lapozás: OK   300 / 4050
(#) Szebence hozzászólása Okt 4, 2008 /
 
vtnagy-nak megígértem, hogy hétvégén megmérem a bss-en fellelhető audio spektrum analizátorral kapcsolatban, hogy mekkora áramerősséget vesz fel...
(nem találtam a hsz-t és ezért nem arra válaszoltam)

-12V-on: 60mA
+12V-on 1,5A
+5V-on: 55mA

Ezeket úgy mértem, hogy majdnem az összes led világított, 1-2 kivételével, mert nem találtam olyan zenét, amibe minden frekvencia maxon lett volna.

Persze ha biztosítékot választasz bele, egy picit e határok felett legyenek.
(#) kobold válasza vicsys hozzászólására (») Okt 4, 2008 /
 
Elkezdtem írni, de inkább csatolok egy Excel-t, ha nem baj. Eredetileg egy CX-Server-es DDE kapcsolathoz csináltam, így induláskor lesz két hibaüzenet, "Nem", majd "End" válaszok után normális módon olvasható. A lényeg az, hogy a munkafüzet Open metódusában elindítsunk egy később újból elinduló triggert (itt másodpercenként futna), ami hívogat egy callback függvényt. Másodpercenként lefut, beteszed egy cellába a kiolvasott értéket, és mehet a diagram
Ha elakadnál a VB-ben, holnap leszek; ahol kommentek vannak, azok a lényeges részek.
Ja, kimaradt: pl. IO.dll, és egy párhuzamos ADC célszerű ehhez a megoldáshoz, így LPT-ről mehet. Fel lehet dolgozni a soros fogadást is, kicsit macerásabb.

INPUTS.xls
    
(#) vicsys válasza kobold hozzászólására (») Okt 4, 2008 /
 
Köszönöm. Mostmár csak illesztenem kéne a porthoz a szenzort és hőmérőt...
(Lehet, hogy túlbonyolítom?)
(#) kobold válasza vicsys hozzászólására (») Okt 4, 2008 /
 
Akartam már hasonlót csinálni, csak mindig elmaradt... Én a termisztort pl. egy PIC-hez illeszteném, ami ADC után a kapott értéket kiteszi egy 8 bites porton, másodpercenként 3-4 alkalommal, és ezt olvasnám be. Mivel az LPT-n 8-nál több bemenet van, egy diódás hőmérőt (ami szorosan a termisztor mellett van) még rátennék a PIC-re (az ismert karakterisztika miatt), és felváltva küldene adatot, egyszer a diódáról, egyszer a termisztorról, azonosítani pedig a további bemeneteken lehet (LPT Control regiszter), hogy éppen mit olvasunk. Így a dióda megadja a hőfokot (X tengely), a termisztor meg a változás görbéjét. És ha állandó árammal hajtod a termisztort, akkor a rajta eső feszültségből már csak egy osztás az ellenállása.
Egy LPT lábat kimenetként használva még azt is meg lehet csinálni, hogy másodpercenként (az Excel max. ennyit tud) láb magasra, PIC erre kilépteti a diódán mért értéket, majd lábat alacsonyra, ekkor meg a termisztorét. Így másodpercenként mindkét érték meglesz.
Jeladók melegítése pohárban, vagy edényben, kellő mennyiségű folyadékban, és lassan (én olajban csináltam régen Pt100 összeválogatást).
(#) vicsys válasza kobold hozzászólására (») Okt 4, 2008 /
 
Köszi
Én is ide jutottam...
Valószínűleg marad a manuális módszer, mert nincs kedvem ennyit bajlódni...
(#) vtnagy válasza Szebence hozzászólására (») Okt 4, 2008 /
 
Szia!
Köszönöm a mérést!

Írtad, hogy neked 16 panelod van, nekem 20 lesz.
Szóval, ha 3A-es biztosítékot fogok használni (ha jól értem az adatokat), akkor az nekem tökéletesen meg fog felelni, ugye?

Üdv
vtnagy
(#) Szebence válasza vtnagy hozzászólására (») Okt 4, 2008 /
 
Szívesen, igen, minden bizonnyal elég lesz 3A-eres bizti.
(#) bancsi15 hozzászólása Okt 4, 2008 /
 
Sziasztok!

7812-es stabilizáló táp kapcsolásba az IC elé és mögé mekkora értékű kondik kellenek?

Köszi
Üdv.
(#) T0m1c hozzászólása Okt 4, 2008 /
 
Köszönöm a kondit lecseréltem mostmár látható a "futó-fény"!

Kösz
(#) kiszebra hozzászólása Okt 4, 2008 /
 
Üdv. Fogtam a PC tápot, majd rákötöttem a 12 V-s ágra az akksit, és az akksival párhuzamosan egy sofita izzót. De nem sokra mentem, jól csináltam?
(#) bancsi15 hozzászólása Okt 4, 2008 /
 
Lenne még 2 kérdésem.

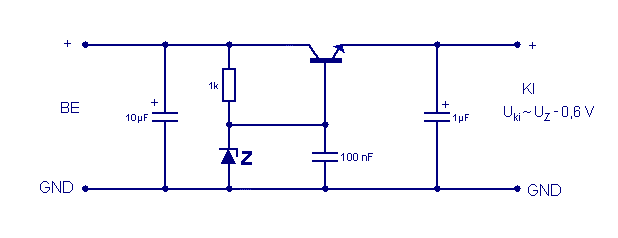
Ebbe a kapcsolásba milyen tranzisztort kellene raknom? Egy 12V-os, 12db leddel műhödő fordulatszámmérőnek (UAA180 és NE555-tel készült) menne védelem képpen.
A másik pedig az lenne, hogy zénerem itthon csak 11V-os és 13V-os van. Ebből nem lehetne belerakni valamelyiket?

Jah, és a végén az 1µF-os kondi helyére nem lehetne nagyobbat rakni pl.: 10uF
Köszi
(#) tot jozsi hozzászólása Okt 4, 2008 /
 
Sziastok! Én egy autórádiót szeretnék kikódolni,de nem tudom hogyan! Ha van segítség megköszönném!
(#) bancsi15 válasza (Felhasználó 13571) hozzászólására (») Okt 4, 2008 /
 
Bocsi a rajz lemaradt!
(#) bancsi15 válasza (Felhasználó 13571) hozzászólására (») Okt 4, 2008 /
 
Szóval az 1µF-os kondi helyett, (ami a kimenet előtt van) nem lehet rakni pl.:10µF-osat?
(#) moltam hozzászólása Okt 4, 2008 /
 
Van -e olyan ic ami ha decimálisan adok neki a bemenetein egy számot akkor azt kiirja egy vagy kettő 7 segment displayra pl 00000001 akkor kiir a sevsegment egy 1 est?
(#) vicsys válasza moltam hozzászólására (») Okt 4, 2008 /
 
Tamás, basszus, vagy 9x el kellett olvasnom, hogy mit akarsz... Először fogalmazd meg, hogy mit akarsz, majd írd le érthetően.
Nos, létezik olyan, hogy BCD to 7segment. Keress rá, lehet, hogy jó lesz neked. Ha mégsem, akkor tehetsz ez elé még pluszban egy decimal to BCD "átalakítót".
(#) moltam válasza vicsys hozzászólására (») Okt 4, 2008 /
 
Találtam egyet és szerintem jo is lesz nekem.4511 es ic.Kösz beirtam a googleba hogy bcd to 7 segment és egyböl adta a találatot!
(#) Moderátor hozzászólása moltam hozzászólására (») Okt 4, 2008
 
Nahát! Hányszor emlegettük: :google:
(#) moltam válasza (») Okt 4, 2008 /
 
Na jó eddig is a barátom volt csak nem tudtam mire kell rákeresni.
(#) Szilvo hozzászólása Okt 4, 2008 /
 
Sziasztok. Megtudná nekem valaki mondani, hogy az lm7805-ös stabilizátor input lábát az 5v-ra vagy a 24V-ra kell kötni?Csatolom az adatokat.
(#) Krisz03 válasza Szilvo hozzászólására (») Okt 4, 2008 /
 
Egyértelműen a 24V-ra, hiszen abból kell előállítania az 5V-ot.
Ne tévesszen meg az alkatrész elhelyezése. Nem törvényszerű, hogy bal oldalán bemenet, jobb oldalán kimenet.
(#) kissi válasza Szilvo hozzászólására (») Okt 4, 2008 /
 
Szia!

Az LM7805 egy stabilizátor IC --> magasabb feszültségből csinál 5V-ot --> a bemenetére kell a 24 V-ot adni (INPUT) és a kimenetén ad 5V-ot (OUTPUT).

Steve
(#) Szilvo válasza kissi hozzászólására (») Okt 4, 2008 /
 
Viszont az áramkör, csak úgy működik, ha kap 5V táplálást is. Ennélkül el sem indul. Akkor minek a 24-ből 5V-ot csinálni?
(#) vicsys válasza Szilvo hozzászólására (») Okt 4, 2008 /
 
Semmi rosz szándék nincs bennem, de butaságot írtál. A 7805 állítja elő a +5V-ot a ráadott 12-24V-ból. Tehát nem kell külön adni +5V-ot.
(#) Szilvo válasza vicsys hozzászólására (») Okt 4, 2008 /
 
Tudom, és nagyon köszönöm a hozászólásodat, de ezt az áramkört kipróbáltam próbapanelon, és csak akkor működött, ha ráadtam, a jelzett pontra az 5V-ot is. Én is úgy gondoltam, hogy 24-ből csinál 5-öt, és ezt nem is vitatom, csak fura. És mivel nem tudtam hogy kell bekötni a 7805-öt, kipróbáltam így is úgy is.egyik esetben sem működött, az áramkör, csak akkor, ha csatlakoztattam rá 5V-ot is. Az előbbi így is úgy is, az input, output lábak felcserélését jelzi. de elősször nekem is úgy volt bekötve, hogy az input volt a 24V-on
(#) Zotya75 hozzászólása Okt 4, 2008 /
 
Hi!
Dvd lejátszó táp panelen kiment egy 2200mf kondi.
Illetve ha kikapcsoltam és lehült utána müködöt,de én kicseréltem egy bontott kondira amivel ugyan ez a jelenség.Észrevételem szerint ugy felmelegszik hogy elenged a forasztás.
Véleményetek szerint probálkozak egy új alkatrészel?Ki van száradva a kondi?vagy máshol van a hiba?Vagy lehet hogy egy másik alkatrész melegiti?a kondi csak a használatól szárad ki,vagy az évek múlásával(kb:20év)is?
(#) proli007 válasza Zotya75 hozzászólására (») Okt 4, 2008 /
 
Hello!

Lehet, hogy a kondi fordított polaritással volt/van bekötve, hogy így melegszik. Vagy kicsi feszültségű volt/van benne. Tehát mérni....
Ha más melegíti, kis taperolással eldönthető. De ha a kondi hőfoka 60fok felett van, a napjai meg vannak számlálva. (hiába van rajza a 105fokos jelzés.)

üdv! proli007
(#) proli007 válasza Szilvo hozzászólására (») Okt 4, 2008 /
 
Hello!
- Ha fordítva kötötted be, lehet már döglött szegény!
Ha ilyesmit akarsz kipróbálni, akkor érdemes terheletlenül, és egy ellenállást sorbakötni a 24V-al, hogy ne legyen túláam, ha valami gond van. (pld.100ohm)
- Lehet a diódád van fordítva bekötve, mert akkor sincs kimenő feszültség. (viszont akkor még életbe van)
üdv! proli007
(#) Szilvo válasza proli007 hozzászólására (») Okt 4, 2008 /
 
Köszi, de ezek tutira jól voltak bekötve
(#) Zotya75 válasza proli007 hozzászólására (») Okt 4, 2008 /
 
Na.Most kivezetékeltem a panelróla 2200est,és egyáltalán nem melegszik.Pedig azért cseréltem ki,mert fel volt púposodva,és ki is folyt.
Visszont ami melete van 470mf-os tüz forro,és melegiti a környéken lévő 100mf-osokat is.De ezek nem puposodnak,nem folynak.Szerinted az normális hogy 10 perc használat után már hozzá se lehet érni olyan forró?
...Na most már 30perce müxik,hö jelentés változatlan.
Következő: »»   300 / 4050
Bejelentkezés

Belépés

Hirdetés
XDT.hu
Az oldalon sütiket használunk a helyes működéshez. Bővebb információt az adatvédelmi szabályzatban olvashatsz. Megértettem