Fórum témák

» Több friss téma
Fórum » Hálózati feszültség
 
Témaindító: m.joco, idő: Szept 2, 2006
Témakörök:
Lapozás: OK   5 / 11
(#) moltam válasza Dudus hozzászólására (») Okt 8, 2008 /
 
0v védőföld árnyékoló közt.Szerencsére a földkábel meg van a falban és most rákötöttem egy zöld sárga kábellel az elosztóra.Szerzeg valahonnan ujfajta dugajjakat.
(#) Dudus válasza moltam hozzászólására (») Okt 8, 2008 /
 
Akkor az antenna rendben van. A földeletlen cuccaid fémházán megjelenő feszültség a ludas.
(#) fnszunyo hozzászólása Jan 5, 2009 /
 
Sziasztok! Pontosan nem tudom, hogy hova is kellene írnom a következő kérdésemet. Hátha tud itt valaki segíteni nekem. Feltettem egy rajzot, ami elvileg egy fázissorrend ellenőrző. Szeretnék megkérni bárkit, aki jobban ért hozzá nálam, hogy működő képes-e. Előre is köszönöm!
(#) robcsi hozzászólása Feb 17, 2009 /
 
Segítsetek nekem.Új házba költözve én is ellenöriztem a védőföldelés meglétét és nagyon elszomorodtam. Van ahol van, van ahol nincs földelés. Kábelek a vakolatban, van aluminium, van réz kábel, és van hogy a zöld-sárga a fázis. Azzal kezdtem hogy FI relét vettem és beszereltem, csak nem tudom hogy jól sikerült e. Az a baj hogy a villanyórából (Mivel plombálva van nem tudok mögé nézni) három piros alu kábel jön ki. A fázis egyértelmű, de a nulla és a föld nem igazán. Hogy tudom eldönteni hogy melyik a nulla kábel és melyik a föld. Előre is kösz
(#) szidom válasza robcsi hozzászólására (») Feb 18, 2009 /
 
Hello!
Nekem az a véleményem, ha nem szakember vagy ne kísérletezz, a hálózati feszültség nem játék. Azt javaslom monyákolás helyett keress egy korrekt szakembert, aki ki felújítja neked az egész villamos rendszert! Nem olcsó, de még mindid olcsóbb mint egy temetés.
(#) vizcso hozzászólása Szept 17, 2009 /
 
sziasztok!

regi,korfolyosos berhaz masodik emeleten lakom es most keszulok teljes villanyvezetek,es furdoszoba felujitasra,WC bevezettetesere.

az itteni szakertoktol szeretnek kerdezni.

a lakasban nincs foldeles. ugy tudom,hogy ilyenkor az a szokas,hogy a vizvezetekcsore kotik a fold vezeteket.van -e mas megoldas erre ,vagy pedig akkor a rezcsovet kell mindenkepp elonyben reszesitenem a muanyag helyett vizvezetek gyanant? azt hallottam,hogy manapsag inkabb a muanyag csovek terjednek.habar a kozos kepviselo ma mondta,hogy a fovezetek,az muanyag....
illetve igaz-e az,hogy ez a megoldas elavult?
a pincebe szondat leverni,az pedig tul hosszu drot lenne nekem,a masodikrol le,a kozos kepviselo szerint,es furast-faragast nem is engedelyezne epuletstatikai szempontbol,illetve a falon kivuli vezetest sem,mert csunyak muanyag takarosinek.

igaz-e az,hogy a rezcsovekbol kioldodo nehezfem ivovizben tulzottan megterheli a szervezetet? mi az elonye es hatranya a ketfajta vizvezetekcsonek?

tarsashazaknal szokas az,hogy a pincebe foldeloszondat vernek le? vagy csak csaladi haznal?a foldszintig is eleg levinni? mert valahol azt olvastam itt,hogy a pincebe verik le.

elore is kosz szepen a valaszokat.

l.
(#) Dudus válasza vizcso hozzászólására (») Szept 17, 2009 /
 
A csövet használni földelésre tilos!

Villanyszerelő kell aki megnézi a felszálló méretlen fővezetékeket és eldönti, mi a legbiztonságosabb módja a védelem kiépítésének.

A réz nem egészségtelen. ( A pálinkának is jót tesz )
(#) vizcso válasza Dudus hozzászólására (») Szept 18, 2009 /
 
Koszonom a valaszt.
Csak az a baj,hogy tizbol tiz villanyszerelo ezt a modszert ajanlotta,aki eddig felmerte a munkat.
Alulkepzettek voltak?
Kerem akkor ezuton,hogy jelentkezzenek nalam magasan kepzett villanyszerelok!
(#) vizcso válasza vizcso hozzászólására (») Szept 18, 2009 /
 
Egyarant tilos gaz - es vizcsohoz kotni?
Miert?
Kiegeszito vedelemnek sem alkalmazhato?
(#) Dudus válasza vizcso hozzászólására (») Szept 18, 2009 /
 
Mert a házban, akár egy karbantartáskor is, ha kiváltják műanyagra, és van egy zárlatos cuccod, agyonvágja a szomszédot. A gázt sosem lehetett erre használni, az a vezeték, amit gázcsövön láthatsz, az EPH vezetéke.
(#) vizcso hozzászólása Szept 18, 2009 /
 
Hu.akkor ez azt jelenti,hogy ha nalam most jol meg is oldjak,jo,ha soha nem erek hozza a csovekhez a lakasban ,mert ki tudja,epp feszultseg alatt van-e a szomszednal rosszul megoldott foldelesi technika miatt?.... Ezt edddig nme is tudtam...
Egyik szomszed epp tegnap mondta,hogy neki a csohoz van kotve. Raadasul vizvezetekszerelo,akinek erteni kellene hozza!
(#) Dudus válasza vizcso hozzászólására (») Szept 18, 2009 /
 
Csináltass EPH-t, és akkor kisebb az esélye, hogy baj lesz.
(#) vizcso hozzászólása Szept 18, 2009 /
 
Kosz szepen.
(#) vizcso válasza vizcso hozzászólására (») Szept 18, 2009 /
 
Villanyszerelok Lapja:" Fontos,hogy a gázcső nem használható EPH vezetőnek:!
--9.49-es hozzaszolashoz.
(#) Dudus válasza vizcso hozzászólására (») Szept 18, 2009 /
 
Te most kevered a dolgokat!

Az, hogy egy csövet bevonsz az EPH-ba nem azt jelenti, hogy EPH vezetőként használod fel!

Vigyázz, a szabványok olvasgatása félrevezethet, mert az értelmezése nem egyszerű, bizonyos esetekben.
(#) vizcso válasza Dudus hozzászólására (») Szept 18, 2009 /
 
Ja,jol van akkor!
Koszi!
(#) phon hozzászólása Szept 23, 2009 /
 
Sziasztok!

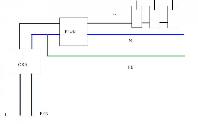
Fi relét szeretnék beépíteni a lakásomba. A villanyórámba egy fekete és egy kék vezeték érkezik, amelyek az óra után továbbmennek a kis elosztószekrénybe, ahol a kék vezetékből egy nulla és egy fázis lesz (ezt hívják azt hiszem TN-C-S rendszernek ha jól olvastam )

Tanulmányozva a FI relékkel kapcsolatos, meglehetősen zagyva webes anyagokat a mellékelt ábrán látható megoldásra jutottam.

Ha valaki megszakérti előre is köszönöm!
(#) potyo válasza phon hozzászólására (») Szept 23, 2009 /
 
(#) Dudus válasza phon hozzászólására (») Szept 23, 2009 /
 
A rajzod jó, de a magyarázatod nem! A PEN ( KÉK ) vezető sosem ágazik fázisra és nullára viszont védővezetőre és nullára igen!
(#) phon válasza potyo hozzászólására (») Szept 23, 2009 /
 
Köszönöm
(#) phon válasza Dudus hozzászólására (») Szept 23, 2009 /
 
Való igaz, sajnos elírtam :eek2:
(#) vendelkiraly hozzászólása Okt 3, 2009 /
 
Az miért van, hogy a 230V helyett rendszeresen 270-290V-ot mérek a multiméteremmel. A műszerem jó, ezt a hibalehetőséget zárjuk ki. Az rendbe lenne, hogy 240-et esetleg 250-et mérnék, de legtöbbször 280 körüli értéket mérek.
Akkor vettem észre, amikor megmértem pár régi transzformátorom szec. feszültségét, és többet mutatott a műszer, mint pár évvel ezelött.
Ebben az a ciki, hogy több volttal megnövekedhetnek a transzformátorok szekunder feszültségei, ami akár gondot is okozhat. A többi elektromos berendezésről meg nem is szólva. Persze tudom, hogy ezek úgy vannak méretezve, hogy nagyobb feszt is kibírnak, de azért akkor is...
(#) Imi65 válasza vendelkiraly hozzászólására (») Okt 4, 2009 /
 
Nincs véletlenül nulla szakadásod? A 290V már nehezen lenne magyarázható hálózati indokkal......
(#) Dudus válasza Imi65 hozzászólására (») Okt 4, 2009 /
 
Szerintem is szakadt a nulla valahol! Sürgős kivizsgálást igényel!
(#) vendelkiraly válasza Imi65 hozzászólására (») Okt 4, 2009 /
 
Imi65, Dudas! Köszönöm az egybehangzó válaszaitokat.
Pontosan nem vagyok képben a hálózati dolgokkal, ezért kérném még a segítségeteket. Ha jól gondolom, akkor ti azt modjátok, hogy az utcáról jövő "0" vezeték szakadt el? Az biztos, hogy 3 vezeték jön be a villanypóznáról ami megy a villanyórához. Gondolom a két fázis, meg a 0. Akkor a 0 szakadt el valahol? De akkor hogy lehet hogy 280-290V-ot mérek? Most végignéztem az egész lakást, ill a többi másik fázisokra kötött melléképületeket is, és mindehol 280-290V-ot mértem. Itt ebbe a topicba raktak pár képet a "hálózattal" kapcsolatba, esetleg berajzolnátok nekem, hogy hol lehet a gond?
Válaszaitokat előre is köszönöm.
(#) tilde válasza vendelkiraly hozzászólására (») Okt 6, 2009 /
 
Hello

Hát ez érdekes. Tényleg minden fázison 280 at mértél. Mert szerintem nullaszakadásnál, az egyik fázison none a feszultség, de a másikon már más feszultségnek kellene lennie. Szerintem nullaszakadásnál a három fázis kozti szimmetria szunik meg, az egyik nagyobb a masik kisebb feszultségu. Igy meg már nem tudom mi lehet a probléma.

A szomszédnál minden rendben van a feszultséggel?

Szerintem gyorsan old meg a problémát, még mielott pár berendezésed megsinylené.
(#) kadarist válasza tilde hozzászólására (») Okt 6, 2009 /
 
Szia!

Ha a nulla lenne szakadt, akkor nem világítana a lámpa a mennyezeten, sőt semmi sem működne, ami 230V-os táplálású. Nem tudna zárt áramkör kialakulni.
(#) vendelkiraly válasza tilde hozzászólására (») Okt 6, 2009 /
 
Hát a szomszédnál még nem érdeklődtem. elképzelésem sincs, hogy mi lehet a gond. A nyáron még 230V-ot mértem.
Ez a 0 szakadás mi is tulajdon képpen?
(#) lapose válasza kadarist hozzászólására (») Okt 6, 2009 /
 
Szia!

Dehogynem!
Ha a nulla szakadás a fogyasztók előtt van, és a házban több fázis van, a fázisok közt záródik az áramkör.
(#) lapose válasza vendelkiraly hozzászólására (») Okt 6, 2009 /
 
Szia!

Azt jelenti, hogy a nullavezetőd szakadt valahol a betáplálásnál. Ez akkor gond, ha a fogyasztók legalább két fázisra vannak kötve. Ilyenkor a fogyasztók(mivel a nulla vezető lebeg) a két fázis közé kapcsolódnak sorban, és rajtuk a feszültség az ellenállásuk arányában oszlik meg.
Ezzel az a gong, ha pl. az egyik fázison van egy nagyfogyasztású terhelés, pl. egy hősugárzó, sokkal kisebb feszültség esik rajta, mint pl. egy TV-n. Így előfordulhat, hogy egyes fogyasztókra majdnem a fázisfeszültség kerül(400V). Ez pedig nem tesz jót a 230V-ra méretezett cuccoknak.
Következő: »»   5 / 11
Bejelentkezés

Belépés

Hirdetés
XDT.hu
Az oldalon sütiket használunk a helyes működéshez. Bővebb információt az adatvédelmi szabályzatban olvashatsz. Megértettem