Fórum témák
» Több friss téma |
Sziasztok!
Építeni szeretnék egy 1,5kW-os frekvenciaváltót 1 fázisra. Van valakinek valamilyen ötlete, ami a legegyszerűbb? Korábban egyenáramra már készítettem pwm-et ld. csatolt fájl, műveleti erősítőből egy nagyon egyszerűt: integráló taggal fűrészjelet, ezen egy komparátort referenciáját tologatom és a végén egy FET Gate-jét impulzus szélességgel vezérlem. (Max áram 15A) (Váltóáramra egy N és egy P csatornás komplementer FET pár lenne), de nem tudom az elejét és a végét... Ha valakinek van valamilyen ötlete szóljon!
A 1.5 Kw nem kis teljesímény, itt már komoly kiegészítő feladatok kellenének hozzá. Az IR2130-al is elméletileg el lehet érni ezt a teljesítményt, ehhez viszonylag több kapcsolás jelent meg. keress rá a neten. Én is láttam néhányat, nem mentettem le. Egy régebbi Rádiótecnika is foglalkozott vele. Kérdés mekkora tartományt akarsz átfogni.
Valamilyen módon elő kell állítani színuszt referenciának, meg egy háromszög vagy fűrészfogjelet a hordozófrekvenciának. A kettőt rávezeted egy komparátorra, és a kimeneten megkapod a színusz szerint változó pwm jelet. Ezt azután rávezetni a már említett IR2130-ra, vagy két IR2110-re, amik N csatornás fetekből vagy IGBT-ből felépített teljes hidat hajtanak meg. Az alacsonyfrekvenciás, változó frekvenciájú színusz problémás előállítása miatt a pwm jel előállítását inkább kontrollerre szokás bízni.
Vagy ha adott frekvenciára kell, akkor szűrővel lehet színuszt csinálni négyszögből is...
mindenkinek más és más a legegyszerűbb. Én pl egy mikrokontrollerrel oldanám meg legegyszerübben.abban könnyen megoldható,hogy alacsonyabb frekin alacsonyabbb feszt kapjon a motor,gyorsulás,lassítás,még akár PID is.a nyák egyszerűsödéséről nem is beszélve.Persze van aki az analóghoz jobban ért, neki az oszci-fűrészgen-komparátor egyszerűbb
Hiányos a specifikáció! Minimum ezek kellenek még:
- bemeneti feszültség - kimeneti feszültség - kimeneti frekvencia - kimeneti jelalak (pl. négyszög, kvázi-színusz, színusz) - terhelés jellege (ohmos, induktív, kapacitív, vegyes) - túlterhelhetőség mértéke - zárlatvédelem kell-e - mit csináljon zárlatkor (lekapcsolás, áramhatárolás, bizti kiolvadás)?
-bemeneti fesz.: 230V
-kimeneti: 230V -Frekvencia: 50Hz -kimeneti jel: szinusz -terhelés: asszinkron motor indítókondenzátorral (induktív+kapacitív) max. 1.5kW -túlterhelés védelem nem kell -nem lesz zárlatos
Ötleteket innét is lehet esetleg meríteni
http://www.icembed.com/info-14678.htm
Az RC időzítésü billenőkörök cimü könyvben van sok
egyszerő példa pl: akár 555-tel is. meghajtásra, pwm előállítás, szinusz szimulálás,stb. - könytárakban biztos meg van még ha nem nyulták le.
Hát még továbbra sem sikerült megoldanom a problémát, meglehetősen hosszú időre félretettem a dolgot, most valahonna előjött az ötlet újra...
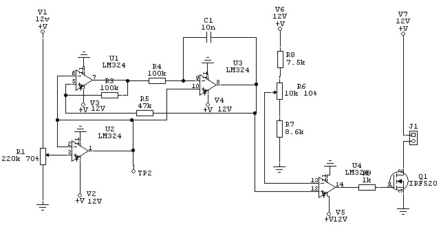
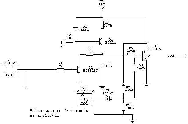
Mostmár az lenne a kérdésem, hogy mellékeltem egy rajzot, mely szerintem működne, de hogyan tudnám egyszerre változtatni a szinusz frekvenciáját és amplitúdóját. Az itt ábrázolt módon V3 generátor helyére kellene valami olyan áramkör amivel ezt meg lehet csinálni. Vagy elhanzott, hogy PIC-kel szokták megoldani, de ott hogy? Valami szinusz leíró algoritmust D/A-ra rátenni és a felbontási kiintegrálni?! köszönöm....
Nekem is jó lenne egy frekvencia szabályozó de nekem 600 watt teljesítményű motorhoz(azért 700watt jó lenne) és 1 fázisa, kb 10-100 Hz közötti szabályozás, ha valaki tud valami kapcsolást, nem kell túl agyonbonyolított áramkör, és elég ha 10Hz ként lehet változtatni akár egy kapcsolóval(de ha potival kell változtatni az is jó).
Nemrégiben megkerestek háromfázisú frekvenciaváltó építésének a gondolatával. Alapvetően egyfázisú megtáplálású lenne a teljesítményigény 300 watt körüli. Amiben elkezdtem gondolkozni az a háromfázisú motor, mert hogy ezekkel volt már tapasztalatom. Beszélgettem ismerősökkel is erről és mindannyian arra jutottunk, hogy egyfázisú motort amúgy sem lehet szabályozni, mert ugyebás ott van a kondenzátor ( vagy egyéb kiegészítő alkatrész ), ami valószínűsíthetően tönkre is menne a nagyfrekvenciás kapcsolgatástól. A keresgélésem során meglepő cikkre bukkantam, ami talán jó hír a barkácsoló kedvűeknek. Egyfázisú motor fordulatszámát is lehet frekvenciaváltóval szabályozni. A cikk az indítókondenzátoros motorral kapcsolatosan készült. Amin a cikk olvasása előtt is gondolkoztam az az, hogy mi van akkor, ha elhagyom a kondit és elektronikusan oldom meg a segédfázist. A dolg most úgy néz ki - és itt jön talán sokak számára a szomorú hír - hogy a motor háromfázisú teljesítményhíddal van vezérleve oly módon, hogy a fázisok rendre úgy következnek, hogy 0 fok - 180 fok a főtekercsre és a forgásirányt meghatározó 0-90 fok vagy 90-180fok a segédtekercsre. Tehát ugyanaz a háromfázisú kapcsolás használható egyfázisú állandó üzemi kondenzátoros motorok hajtására, mint a háromfázisú aszinkron motorok esetében, de a fázisok vezérlése eltér a két motortipus esetében. Ha sikerül valamilyen eszközt összeállítanom és eljutok a kísérletekig, az eredményéről majd igyekszek beszámolni.
AZ EGYFÁZISÚ ASZINKRON MOTOROKAT NEM LEHET FREKVENCIAVÁLTÓVAL SZABÁLYOZNI.
A GYÁRI 1 FÁZISÚ FREKIVÁLTÓK IS I FÁZISBÓL CSINÁLNAK 3-ROM FÁZIST. Idézet: „AZ EGYFÁZISÚ ASZINKRON MOTOROKAT NEM LEHET FREKVENCIAVÁLTÓVAL SZABÁLYOZNI.” De lehet! Az más, hogy nem szokás. Idézet: „A GYÁRI 1 FÁZISÚ FREKIVÁLTÓK IS I FÁZISBÓL CSINÁLNAK 3-ROM FÁZIST.” Ritka szépen megfogalmazott mondat, csak épp sehol sem kapcsolódik az előzőhöz. Az I fázis mit jelent nálad?
Ha te tudsz rá példát oszd meg velünk is, mert még nem késő tanulni valami újat.
„A GYÁRI 1 FÁZISÚ FREKIVÁLTÓK IS I FÁZISBÓL CSINÁLNAK 3-ROM FÁZIST. ” Ritka szépen megfogalmazott mondat, csak épp sehol sem kapcsolódik az előzőhöz. Az I fázis mit jelent nálad? Ezt azért így írtam mert úgy éreztem az előző felszólaló nem igazán "erősáramú szakember" Az egyfázis nálam a normál 230V-os háztartásokban szokásos hálózat.
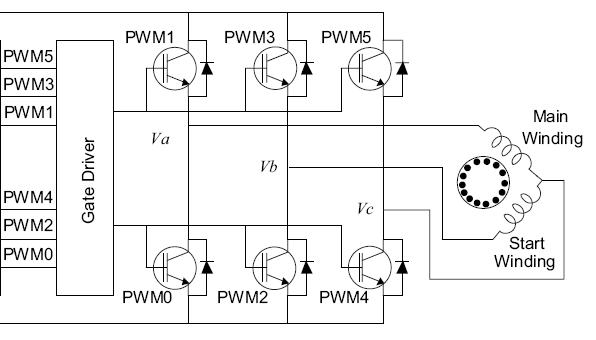
Egy kicsit szemléletesebben, itt van két kép az egyfázisú állandó üzemű aszinkron motor háromfázisú hídról történő üzemeltetéséről. Az egyik képen az látható, hogy a főfázist és a segédfázist hogyan kell bekötni. A másikon pedig a hídágak fázisfeszültségeinek időbeli lefolyása látható. Az "a" és a "b" egymáshoz képest 180fokkal térnek el a c pedig 90fokkal késik az "a" hoz képest. A "normál" háromfázisú aszinkron motoros hajtásnál a három fázisnak egymáshoz képesti viszonya 120fokos, tehát elméletben nem érdemes a normál háromfázisú frekvenciaváltóra a képen látható módon egyfázisú motort kapcsolni. Gyakorlatban kipróbálta már valaki, hogy mi történik? Elindul a motor? Esetleg az áramok túlságosan nagyok lesznek? ( Itt jegyzem meg, hogy az egyfázisú motorok gyakorlati szempontból kétfázisúak. Főfázis és segédfázis. )
Minek erre példa? Aki ismeri az egyfázisú aszinkron motor felépítését, működését, az tudja, hogy menet közben melyik tekercsen milyen a feszültség. Ha ugyanezt a feszültséget előállítjuk elektronikus úton, akkor a motor ugyanúgy működik. Ha viszont elektronikus úton állítjuk elő, akkor már változtathatunk a feszültségén és frekvenciáján úgy, hogy a fő és segédfázis számára előállított feszültségek közötti fázisszöget változatlanul 90 fokon tartjuk.
Mégegyszer mondom: azért, mert a gyakorlatban valamit nem használnak, abból nem következik, hogy azt nemis lehet megcsinálni! Te I (nagy í betű) fázist írtál, és nem 1 fázist. Remélem mostmár belátod, hogy lehet az egyfázisú aszinkron motort is szabályozni.
Terhelés nélkül biztosan elindul, mert a fő és segédfázis között nem nulla lesz a fázisszög. Az áram attól függ, hogy a motor vasmagja betelítődik-e. Ha nem telítődik be, akkor normális marad az áram, és a motor dolgozik. Ha viszont betelítődik, akkor az áram túl nagy lesz, és a motor túlmelegszik, vagy a frekvenciaváltó túláramvédelme lekapcsolja.
Sziasztok! Érdeklődve olvasom itt az okfejtéseket.
Feri Idézet: „Ha te tudsz rá példát oszd meg velünk is, mert még nem késő tanulni valami újat.” Van élet a háromfázisu vezérlők után is! Megosztom az infókat (lejjebb). Van egyfázisu vezérlő is.Ideiglenes Idézet: „Egy kicsit szemléletesebben, itt van két kép az egyfázisú állandó üzemű aszinkron motor háromfázisú hídról történő üzemeltetéséről.” Jó lett volna, ha azt is elárulod, honnan vannak a képek. Én tudom. Microchip Application Notes. Idézet: „Gyakorlatban kipróbálta már valaki, hogy mi történik? Elindul a motor? Esetleg az áramok túlságosan nagyok lesznek?” Szerintem nem kéne a háromfázisu eltolást az egyfázisura erőltetni, mert az a 30 fok 30 foknál jobban be fog fűteni a motornak. Mint tudjuk, a motorok is füstel üzemelnek mint a félvezetők, és ha kiszáll belőlük a füst, akkor megállnak. potyo Látom te othon vagy az ilyen dolgokban is. Engem érdekel fordulatszabályozás, leginkább a háromfázisu, de egy egyfázisu is jól jönne. Az a probléma, hogy nem vágom a PIC programozást (még nem, de meg fogom tanulni a télen). Persze azért ha belenézek a forrásokba, sok mindent ki tudok bogarászni így is belőlük, mert azért nem ma kezdtem én sem az elektronikát. Jól látod a kérdést, egy processzorral megoldható a vezérlés kényelmesen. És meg is csinálták már szerintem. És még kondi sem kell így hozzá, ezen kívül a pedig a hatásfok is jobb lehet mint egy kondival. A frekvencia változással meg a kondit is változtatni kéne, ami eleve kizárt dolog, ha csak nem taszünk mellé egy halom relét. És akkor ott van még a feszültség változtatása is, ennyi paraméterhez egy proci illik, szerintem egyet értünk. A télen kéne építenem egy PIC-es frekiváltót, ha valaki keni-vágja a PIC-es témát (te is, ha gondolod), az segíthetne majd átlendülni rajta.Ez az AN887 AC Induction Motor Fundamentals a Microchip-től. Ebben az alapvető kérdéseket boncolgatják a motorok működésével és vezérlésével kapcsolatban (AC 1 és 3 fázis). Nem árt átnézni annak aki nem ismeri a dolgokat, vagy frekvenciaváltót szándékozik építeni (velem együtt). Ez pedig egy 1 fázisu motorvezérlés anyaga szintén a Microchip-től. AN967 Bidirectional VF Control of Single and 3-Phase Induction Mo...C16F72 Ha valaki tényleg akar építeni egy ilyet, szerintem itt kell kotorászni. Ez ugye csak egy segédlet, ha jól néztem a forrásokat, de a modulok ott vannak benne, csak érteni kell a programozáshoz meg a PIC-hez. Ez nekem egyenlőre sok, és időm sincs rá. Hívjatok PIC-es topicokból embereket (akit érint a dolog), hogy segítsenek. Én a már említett hiányosságaim miatt nem folyok bele a továbbiakban a programozás részébe, esetleg az elektronikai oldalán néha, az nem probléma.További anyagok keresése a Microchip-nél: 1-phase AC, 1 phase AC, Single-phase, Induction Motor, és hasonló címszavakkal (az AN oldalakon ki vannak írva a Keywords: -nál, amiket talál valaki a témában, érdemes megnézni amelyik használható). Ha új megoldás is van, nem elfelejteni betenni ide . Az ATMEL-nek is lehet ilyen esetleg.
Kisérleteztem és hát lett is eredménye. Véletlenül volt itthon egy kis villanymotor, ami úgy tűnik, hogy háromfázisú, de ha tévedek, segítsetek ki. A motor csillagkapcsolású, de a csillagpont a csatlakozó sávra nincs kivezetve, ezt kis ügyeskedéssel a motor forgórésze alatt oldottam meg. Nem szeretek hálózati feszültséggel játszani az asztalon, ezért vettem a fáradságot felkutatni egy ilyen motort. ( Egy régi CDROM lemezforgató motorja ) A meghajtó fokozat 3db BS170-es mosfet tranzisztor 1n5819-es szabadonfutó diódákkal. Az egyszerűség volt a cél, és hogy lássam, működik-e a vezérlés.
A képeken is látható, hogy a 16F690-es pikkel próbálgatom a vezérlést, amit a PICkit2-höz adtak próbapanellel.
Kíváncsi vagyok, hogy mit lehet ebből a kis PIC-ből kihozni. Eddig 16F628-cal fejlesztgettem, most próbálok áttérni a 690-re.
Nos a hosszú szünet után örömmel újságolom, hogy készen van az első frekvenciaváltóm és a próba sikerült is, elindult a motor és szépen állítható is a fordulatszám. Kicsit még pofozgatnom kell a PIC programján, mert szeretném kapcsolóval előre hátra vezérelni, meg jó lenne a védelmeket is beletenni. Egyelőre csak annyit tud, hogy megy.
Az örömben az üröm, hogy az összehozott kapcsolás nem olyan olcsó, mint amiért szerintem érdemes lenne megépíteni. Pár száz forintot lehet ugyan még leszabni a költségekből, de a végösszegen nem sokat változtat. Kb 15000Ft-nál lesz a vége, ha belekerül majd a dobozba is. Megnéztem a neten, és hát a gyári omrom, az általános célú, kb. 35000Ft, ami ugyanezt a teljesítményt viszi. Elgondolkoztató. Nem? Ami viszont nagyon pozitív, hogy összejött a dolog, amit szerettem volna. Ha másért nem, ezért megérte.
Szia! Ha beteszed a védelmeket láthatnánk egy dokumentációt? Szerintem több embert is érdekelne ez a dolog, köztük mengem is.
Zoli!
Egyelőre, amit tudok prezentálni, az a kapcsolási rajz és a pic programja. A kapcsolás alapja a Microchip 967-es alkalmazási segédlete volt. Némiképpen módosítottam rajta, de a főbb vonalak ugyanazok. A részletekbe nem akarok bocsátkozni idő hiányában. Ha lesz rá időm, írok majd valami összegzést az építéssel kapcsolatosan. Amit most tud a program, hogy a sebességet potával lehet állítani és egy kapcsoló segítségével előre hátra irányban elindítani. Hiányosságok: - minden ![]()
Hello! Látom megy a vita rendesen. Egy kérdésem lenne lehet e egy frekiváltó kimenő teljesitményét növelni valahogy?? Mondjuk egy gyári frekiváltó amit az ember tud szerezni de mondjuk kicsit kicsi a motorhoz megnövelni a teljesitményét valahogy??? 500W-os frekiváltó tudjon egy 750W-os motort erre kérnék ötleteket. Köszönettel
Nos... A kérdéssel kapcsolatban válaszként a következők jutottak eszembe:
1. Valahogy biztosan lehet növelni. 2. A kísérletezésem során arra a megállapításra jutottam, hogy az IGBT modul maximális megengedett árama korlátozza a teljesítményt. Tehát elvileg nagyobb áramú IGBT-vel nagyobb teljesítményig hajtható a készülék. 3. A védelem megszólalási szintjét is állítani kell, ha nagyobb áramot akarsz kihozni a készülékből. Érdekességképp írom le, hogy a mellékelt kapcsolásomban ( amit javasolok NEM megépíteni ! ) szereplő IRAMS modulra a gyártó szobahőmérsékleten 10A-es áramot enged meg, míg ha jól emlékszek 100fok hőmérsékleten csak 5A-t. Tehát elvileg, ha a készülék hűtését sikerül javítanod, akkor is elképzelhető, hogy nagyobb teljesítmény húzható ki belőle. Szerintem...
... hogy miért nem javasolom a megépítést.
Eljutottam a 2. készülék megépítéséig és beüzemeléséig. 300V-nál kisebb egyenfeszültségig ( kondikon mérve ) nem is volt semmi probléma. Ám amikor már eljutottam arra a pontra, hogy egy 230/230 -as leválasztó trafóról próbáljam ki, a 15V-os táprészben valami gubanc támadt, mert a teljesítménymodul kráteresen robbant, ami több ok miatt is rosszul érintett. Mivel a készüléket már várták nagyon, ezért a 15V-os táprészt kihelyettesítettem egy kis trafóval ( 1,8VA ) és a további kütyüket is ezzel fogom építeni. Abban bízok, hogy több durranás már nem lesz...
hello! aha azt nem tudom melyik az az igbt modul benne. Van egy kis fesz panel van egy kombi panel amin a bekötések meg minden ilyen van és van egy az alsó hütőbordába beragasztott pasztázott kis modul ez hütött gondolom akk ezt kéne nagyobbra cserélni?? mondjuk egy hasonló tipus nagyobb testvérből aminek más baja lett??
és a védelmet meg lehet kerülni mondjuk egy nagyobb szoftvwert rátölteni?? felülirni?? mert ugye alapban csak a határértékeken belül engedi az állitást köszüdv.
Sziasztok!
A gázkazánomat néha áramszünet esetén aggregátorról használom és nem mindig működik.A kazánosok szerint azért,mert az agregátor nem tartja egzaktul az 50 hz frekvenciát és a kazán ionizációs gyujtása az 50 hz-tól max. plusz-minusz 1,5 hz eltérést visel el. Kérdésem az lenne, ha veszek egy frekvenciaváltót,akkor az a változó bemeneti 50 hz-t képes-e stabil 50 hz-é alakitani. Segítségeteket előre is köszönöm
Az egyszerű válasz: ha valóban ez a gond, akkor igen, hiszen kvarcoszcillátor jelével dolgozik a processzor. Viszont ez meglehetősen drága (és ágyúval verébre) megoldás.
Többet kellene tudni az ionizációs gyújtóáramkörről, hogy megállapíthassuk miért is nem tűri a nagyobb frekieltérést. (elég nehéz elképzelni hogy ez lenne a probléma... talán inkább a feszültség-ingadozás?)
Hello! Bocs hogy beleszólok majd remélem a jobban hozzáértők megerősitenek. Szal a frekiváltót nem erre találták ki azt csakis motorok hajtására lehet használni azért is mert ha a kimenetei nem egyformán terheltek akk letilt, vagy ilyesmi. A frekiváltó nem egy álltalánosan használható frekvencia előállitó stabilizáló szabályozó valami. De elképzelhető hogy létezik ilyen célra alkalmazható változat.
Javasolnám vegyél egy szünetmentest, megtoldva egy kis kiegészitéssel, szerintem elbirja az elektronika áramfelvételét hosszabb időre is, vele párhuzamosan meg egy relén keresztül a generátorról mehetne a keringetőszivattyu. Vagyis elgondolásom szerint a szünetmentesről és a benne lévő akksiról menne az elektronika, amikor meg kapcsolna a szivattyu az a generátorról kicsit meg kell variálni a kazán elektronikáját de müködne. Annak is utánna nézhetnél hálózati üzemben menyire avatkozik be a szünetmentes elektronikája a kimenő feszültség értékeibe, ha beavatkozik mehet közvetlen arról is mert akkor gondolom simitja is vagy stabilizálja. Ami neked kell az egy hálózati feszültség stabilizátor. Épp most barmoltam szét egyet mert nem kellett senkinek sem. kellemes ünnepeket. üdv |
Bejelentkezés
Hirdetés |








Van egyfázisu vezérlő is.












