Fórum témák
» Több friss téma |
- Ez a felület kizárólag, az elektronikában kezdők kérdéseinek van fenntartva és nem elfelejtve, hogy hobbielektronika a fórumunk!
- Ami tehát azt jelenti, hogy a nagymama bevásárlását nem itt beszéljük meg, ill. ez nem üzenőfal! - Kerülendő az olyan kérdés, amit egy másik meglévő (több mint 17000 van), témában kellene kitárgyalni! - És végül büntetés terhe mellett kerülendő az MSN és egyéb szleng, a magyar helyesírás mellőzése, beleértve a mondateleji nagybetűket is!
Üdv!
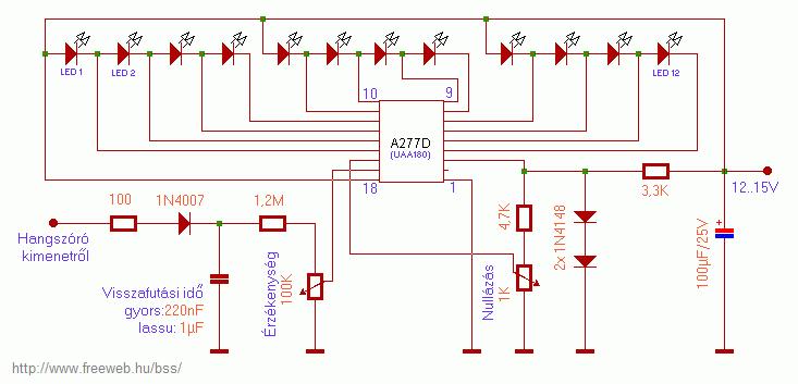
Valaki tudna adni lábkiosztást az UAA180-as IC-ről? Egy Datasheet-ben sem találtam.
Helo!
Van e olyan számláló ic ami nem binary hanem ilyesmi: 1. H L L L 2. L H L L 3. L L H L 4. L L L H Azaz sorba huzza fel a lábait de egyszerre csak egyet kapcsol be?
Köszi kész is lesz a futófényem
Neked is Medve
Ha futófényre lesz, akkor annyit megjegyeznék, hogy ha az aktív kimenet épp L szinten van, az jobb, mert jobban terhelhető. Általában.
Tranzisztormezőt rakok a kimenetekre hogyha már a ledeket sem tudja ellátni árammal.
Szerintetek ebből a kapcsolásból nem felesleges egy két elem?
Nem. Ha a két sorbakötött diódára gondolsz azok egy "referenciaforrásnak" is felfoghatók,a tervező szándéka szerint. A két diódán eső feszültséget leosztva a potival állitható be a nullpont,azaz kivezérlés nélkül ne világitson egy led sem. Az már más tészta,hogy a diódák nyitófeszültsége hőmérsékletfüggő,és elmászhat a beállitott érték,de ide megfelel.
hmm!
Mindenki az UAA180-ast emlegeti a kivezérlésjelzőnek. Láttam kapcsolásokat LM-re is , de a kommentek csak olyanok voltak, hogy " nekem nem jött össze, valakinek működik? " szoval jah.. Olvastam az UAA180-asét ott mindenkinek ment. Valakinek igy valakinek ugy.
Megnéztem az LM-et.. Hát a datasheet-jében van egy ajánlott bekötési mod. Lenne rá kapcsolásod? Ami tuti h működik? És ez hogyan villogtatja a LED-eket, ütemre??
Helló!
Ej-ej! Nem gondolod komolyan, hogy egy több millió példányban legyártott IC nem működik? Hogy ki mit bénázik össze, az más dolog. De abból levonni valamit, hogy a kezdők mit tesznek és mit nem, nem okos dolog. Ha valami az adatlap szerint és a paraméter követelmények szerint van megtervezve, az működni is fog. Az IC az áramkörök 99,999%-ban nem hibás! Idézet: „És ez hogyan villogtatja a LED-eket, ütemre??” Ha egyszerűen akarnék válaszolni, akkor azt mondanám sehogy! Az IC-k csak egy növekvő egyenfeszültség nagysága szerint gyújtják be a Led-eket, szép sorba, a bemeneti feszültséggel arányosan. Lineáris, vagy logaritmikus arányban. Tehát ha Te az erősítő váltakozó feszültségét egyenirányítod és szűröd, akkor kapod meg a zenének a "dinamika burkológörbéjét". Ennek az egyenfeszültségnek a lüktetése lesz arányos, a zene amplitúdójával, azaz a kivezérlésével. Ha ezt vezeted az IC bemenetére, akkor a dinamika szerint fog változni a led-sor hossza. Tekintve, hogy a fül hallásgörbéje logaritmikus a hangerőre nézve, jobb, ha a logaritmikus skálázású IC-t választod. Ha az erősítő kivezérlésnek maximumát szeretnéd figyelni, akkor pedig a lineáris IC a megfelelőbb választás. üdv! proli007
Üdv!
Lenne még 1 kérdésem.. Ez a kapcsolás elé kell erősítés? Mert megépítettem, de a LED-ek még csak meg sem villannak. Küldöm a kapcsolást ujra ne keljen megkeresni
Ha a bemenetre, a Hangfal kimenetéről egy fülhallgató zsinorral jövök, aminek csak az egyik felét használom és abbol is a kék zsinort az jo? Mert azt kötöttem bementnek..
A hangfal pozitivot kösd a bemenetre,a negativot pedig a kivezérlésmérőd testpontjára kösd.
Működik. Az áramkör egy része rosszul volt bekötve.. És még annyi volt, hogy a bemenő jelet jól oda kell szórítani a vezetékhez, és az 1N4007-es Diodát is kivettem az áramkörből, igy működik! Köszönöm mindenkinek a HELP-et.
Hello!
Idézet: „Elektronikai technikusnak készülök.” Idézet: „És még annyi volt, hogy a bemenő jelet jól oda kell szórítani a vezetékhez, és az 1N4007-es Diodát is kivettem az áramkörből, igy működik!” Bocs, de a kettő így együtt, kissé vicces. :no: Ha elfogadsz egy jó tanácsot, akkor mindent amit csinálsz meg kellene érteni. Mert látom, elég okkult tudománynak tekinted a szakmát. Pedig hidd el, nem az. Jó tanulást! proli007
Nem lehet mindenki ilyen profi mint te.. Készülök, és nem vagyok az.. Éppen tanulom. Minden kapcsolással tanulok ujat. De azért kösz...
Bizony. Proli007 is így kezdte. Csak ettől már nagyon messze van.
Tudom, de ne feledkezzen meg róla. Mert úgy gondolom ez amit mondott senkinek nem esett volna túl jól. És ha jól tudom ez a "Kezdő kérdések" topic. Szóval 1 másodpercig sem állítottam magamról, hogy technikus, profi -->proli vagyok...
Azért ide írtam mert segítséget vártam, amit egy pár embertől meg is kapok.
Proli007 nagyon segítőkész. Ezt senki nem vitathatja el tőle. Nézd meg, hogy mennyi kérdésre válaszol. Azonfelül igen komoly tudású szakember. Szerintem örüljünk neki, hogy a köreinkben van. Lehet, hogy néha én is hasonlóképpen válaszolok, az ember hangulata nem egyforma minden nap. Remélem, még nagyon sokat fogsz tőle tanulni. Csak semmi sértődés, oké?
Nem, nincs
Igazából proli nekem is rengeteget segített, csak max nem emlékezik rám. De ilyen hangulatban még nemvolt, legalább is velem. De aztán lehet h a tudatlanságom váltotta ki belőle. Ez van ez a kezdő kérdések
Üdvözlet!
egy kis teljesítményű léptető motorral szeretnék 1 tengelyt meghajtani.... motor fordul 7 fokot, tengely forduljon 1 fokot... ha jól tudom ezt fogaskerékkel lehet megvalósítani....(azzal is) de nem szeretném semmiből kibarkácsolni a fogaskereket... hol találok olyan hobbi CNC-st aki meg tudja ezt csinálni....(fogaskereket) a léptetőmotoron jelenleg is van 1 fogaskerék abból ki lehet indulni... Köszenettel Laci
Akkor 1:7 áttétel szükséges, ami azt jelenti, hogy a motoron lévő fogszám 7x-e kell a meghajtandó tengelyre. Fogaskereket nem olyan egyszerű gyártani, elég sok paramétert kell figyelembe venni.
Kedves Imi
köszönöm gyors válaszodat... sajnos erről már tájékoztattak ezzel arra céloztál hogy amatőrben nem találok ilyet? és cégeknél próbálkozzak akik ezzel foglalkoznak? vagy ne fogaskerekes megoldást keressek? Köszönettel Laci
Üdv!
Erre az egyszerű adóra, valahogy az mp3 egyik hangszóró oldalát közvetlenül rátudom valahogy kötni, hogy azt sugározza? ![]() Esetleg, milyen kisebb módosítás kell hozzá?
Szerintem a megfelelő embert kell megtalálni, de ez esetleges, vagy sikerül,......
Lehet érdeklődni maszeknál, cégnél, de - mivel 1 db kell - az árak ki tudja, hol realizálódnak. Igazából nincs ilyesmi infóm, de azért - valljuk be - elég egyedi kívánság ez. |
Bejelentkezés
Hirdetés |




Neked is Medve 







