Fórum témák
» Több friss téma |
Szevasztok!az volna a kerdesem hogy van egy equalizerem es talalhato bene egy D75104CW-tipsu 64 labas IC,es hogy mit is vegezhet,vagy mire valo ez az IC?,helyetesitheto e?,es beszerezheto e?.Ha igen akor beszerezheto mondjuk debrecenben,mert ahoz lakom a alegkozeleb,ugyanis Romaniaban elek es it nem beszerezheto ez az alkatresz.Koszi a segitseget!!
A google szerint ez egy 4-bites mikrovezérlő. Gyanítom, hogy hiába szereznél be ilyet, nem tudnád beleírni a programot, ami kell a működéséhez.
Hello!
A lába 64. Ha a bit is annyi lenne, a NASA-nál dolgozna, nem a tuc-tuc zenekarban. üdv! proli007
Kicsit unatkoztam, és szétkaptam egy bc109c-s tranzisztort, majd masinát elő, csatolt kép az eredmény
Jók a fotok, de csak ebbe a tokozásba
Jogos 2 pont+hangszóró ...bocsi elírtam.
A tőbbi stimelt
Sziasztok.segitsetek légyszi. A thomson dvd tápon elszált egy 7lábu ic.kb 1cm hosszu.ami rajta van.NOP vagy NOR10518. CKUW. És alul 0308. Mi ez? Potolható mással? Előre is köszi
Kedves Németke és Bálint!
Teljes mértékben felesleges a kérdéseiteket több helyen is feltenni. Ez idő alatt, inkább az alapszabályzatot olvassátok el. Ráadásul az ember zavarba kerül, hogy már válaszolt a kérdésekre és nincs ott! :no: üdv! proli007
Szia
A Baros utca Orczy téri végénél van az Orczy Üzletház ott kompleten megkapod azt a szétszedett egységet
Sziasztok
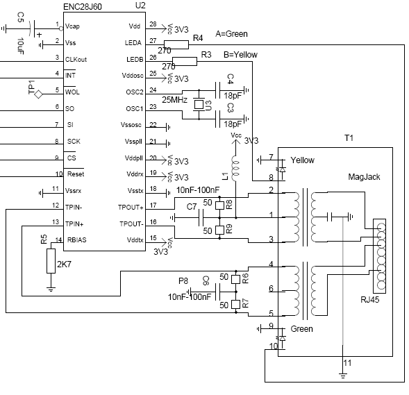
Kellene nekem egy kapcsolásomhoz (fő rész csatolva) egy ilyen UTP csatlakozó. A rajzon fel vannak használva az 1-től a 10-es láb. Node, az adatlapján teljesen más számok vannak. Csak ott a bibi, hogy nem értem, és nem is nagyon merem nyákra tervezni anélkül hogy tudnám mit hova. Valaki meg tudná-e mondani hogy a PDF-ben a lábszámok melyikek a kapcsolási rajzon szereplő lábakkal? Ez egy értelmes mondat, de azt szeretném kérdezni hogy melyik láb melyikkel egyenlő a PDF-ben és a kapcsrajzon. A LED az egyértelmű, PDF-en 13/14, a kapcsrajzon 7/8... az oké. Meg a másik LED is. De a többivel nem akarok játszani, nem tudom hogy van ez... valaki megírná-e nekem? Nagyon köszönöm
Csak azért nem értem a problémádat, mert ahol a 10-es láb is be van kötve, az nem UTP (RJ45) csati. Az UTP mindössze 8 ér csatlakoztatására szolgál.
Igen, bocs, nem UTP csati, csak UPT kábel megy bele.
Bocsi.
De hát az UTP (pl.:Cat5) kábel is 8 eres. (csavart érpár)
Hjaaj... tudooom.
A kapcsrajzon vannak a csatihoz a lábszámok.Azokat hogy kössem a PDF-ben levő rajzon levő csatihoz?
Szia!
Ez nem egy egyszerű UTP csatlakozó, hanem olyan amiben benne van a leválasztó transzformátor is! Ami a rajzon 2,1,3, az a pdf-ben 12,11,10 illetve a rajzon 4,5 a pdf-ben 4,6!
Ezt a trafó dolgot tudtam hogy van benne, csak nem akartam hülyeséget írni. Gondoltam aki tudja hogy mi az az megírja. És igazam lett.
Nagyon szépen köszönöm
Szívesen!
Heló abban szeretném kérni a segitségeteket hogy ezt a feszültség stabilizátort hogy kell bekötni "LM 1085 IT 3.3 a válaszokat előre is köszönöm
Nem kell(ett volna) a teljes képet feltenni, csak ami lényeges. Javítva. Frankye
Bővebben: Link :google:
a :google: , ő tud mindent ami neked kell sőt még többet is
Sziasztok. A thomzon házimozimban elszált egy 7lábu ic. Tipusa: COP1050B. Tudna valaki segiteni? Milyen ic? Mivel pótólható?Előre is köszönöm.
Asszonkám Ájbíem notebookjában letérdelt a háttérvilágítás nagyfesz modulja. Szerintetek hol lehet ilyenre szert tenni?
Interneten...
Talán.
Köszi, de elsősorban a Mi Kis Családunk holapjára gondoltam, ami nem biztos, hogy bajok lesz, de mi nem is ezért szeretjük!
Nekem van, de csak hasonló! A tipusa FRU P/N:26P8464 A másik oldalon van a vonalkód felett. A rajta lévő IC ha jó a tiédre, MP1015E M. A többi alkatrész simán megfoghatatlanul pici SMD, a csatlakozója olyan mint neked, csak máshol van a "trafó"-hoz képest. Vannak IBM laptop cuccaim, van WIFI, BT, és tapipad is ha kell küldök tipusokat. Ezzel az FRU kezdetűvel tudsz keresni neten, ha közelben is van lehet hogy érdemes elküldeni. Legrosszabb esetben a trafó, és az IC átforrasztható. Trafó egycellás tekercse 4 kivezetés, szegmentált cséve 2 kivezetéssel.
sziasztok.Ez egy villanypásztor belseje.kölcsön kaptam,meg szeretném csináltatni az egyik ismerősömmel tv szerelő,de két alkatrészt sayna nem tud hogy mi lehet.A fényképen egymás mellett vannak 3 lábú fekete az egyiken hűtőbrda van.Közel azonosak lehetnek,de nem biztos.Egy másik rajzról gyanítom hogy BU 326 a lehet az egyik de nem biztos.Megköszönném a segítséget
Darlington, FET, IGBT, stb. stb. BD, BU, BUx, táp stbi IC, poz vagy neg, kettős dióda közös tokban, eddig pár ezer típusból válogathatsz. Ha egy TV szerelőnek a környezete nem mond semmit ...
Rajzold le a környezetét, tedd fel, megpróbálunk valamit kiokosodni. Ez kb annyi mint egy csavart mutatnál, csak itt fix méretek vannak, viszont a belő rengeteg. Láttam ebben a kiszerelésben már HALL szenzort is, áramváltót is. Bár gondolom ebben nem sok értelme volna ennyire spec alkatrészeknek. Ha táp környékén van, lehet stabilizátor, 78xx, 79xx, LM317, vagy hasonlók. Kimenet környékén BD, BU, BUX sor, netán FET vagy darlington. A vezetékek sem mondanak sokat, nem tudni melyik honnan, hová tart. A trafó közel van, nézd át hogy van vele kapcsolatban. Szerintem stabi, vagy ez már a kimenő tranyó lesz. Nem kéne ennyire fukarkodnod infóval. |
Bejelentkezés
Hirdetés |










Rajzold le a környezetét, tedd fel, megpróbálunk valamit kiokosodni. Ez kb annyi mint egy csavart mutatnál, csak itt fix méretek vannak, viszont a belő rengeteg. Láttam ebben a kiszerelésben már HALL szenzort is, áramváltót is. Bár gondolom ebben nem sok értelme volna ennyire spec alkatrészeknek. Ha táp környékén van, lehet stabilizátor, 78xx, 79xx, 




