Fórum témák
» Több friss téma |
Sziasztok!
Modellre (helikopter) szeretnék világítást készíteni. Amit tudnia kéne: adott 6db led (pontos típust még nem tudok) ebből: 3db folyamatosan világít 3db pedig villog (és itt jön igazából a kérdés). A villogás pedig úgy menne, hogy az egyik 2x felvillan gyorsan ez után pedig a másik 2 villan fel 2x, de 1mp-es késéssel. az áramforrás egy 3cellás li-po akksi, ami 3*3,7V (névleges) feszültséget ad. fontos dolgok: könnyűnek, kicsinek kell lennie. egyenlőre ennyit tudok. köszönöm a segítséget!
Valahogy igy egy kis számolgatással meg lehet szerintem oldani.
Pár napja volt itt konkrét rajz led villogtatásra. NE 555+ CD4017 Igy 10 DB kimenet van a számlálón , beállitod az ütemet , és Q1- Q3 az egyik villanó ledre Q7- Q9 másik villanó ledre. Q2-Q4-Q5-Q6-Q8-Q10 üres .Utána indul elölről.De vannak itt a fórumon profik is , akik lerajzolják még vagy tizszer ezt a kapcsolást.
üdv.
szerintem ez jo lenne neked.beállitod a ledeket hogy melyik villogjon.igaz azt nem tudom az idöt hogyan lehet benne állitani de arra vannak itt specialisták. üdv Sergei
Hali!
Csak keresni kell, ebben a topikban találsz megoldást. (van többféle is) SMD alkatrészeket használva pedig a méretekkel se lehet gond. Üdv!
Sziasztok!
Uh, ez így egyszerre sok volt Sajnos nem vagyok túl jártas az elektronikában az .ms9 kiterjesztésű fájlt még meg tudtam nézni, de az .asm-el már nem bírtam (ráadásul az 1. fájlban se volt túl sok minden érthető számomra) az ne 555 + cd4017 -s megoldás valamiért szimpatikus. viszont az időzítés részét valaki le tudná nekem írni (nagyon) érthetően? köszönöm a sok választ!
Ez a kis áramkör talán megfelelne neked is.
Ez még csak egy piszkozat, és csak egyet - egyet villan. De könnyedén átalakítható kettős villanásossá is. Előnye egyszerű. Kis fogyasztású. Széles tápfeszültség tartományról üzemel (5-15V). Szabadon állítható villanási és szünetidő. SMD alkatrészekkel szerintem nagyon le lehet zsugorítani. Viszont a két led válási (szünet) idejét nem lehet állítani. Én javaslom, hogy próbáld ki. :yes: Ha kell elkészítek egy használhatóbb rajzot...
Ez csak egy elvi rajzféleség mert hiányoznak a tranyók a 4017 lábairól ő nem tudná meghajtani a ledeket..........
Sziasztok!
Ismét köszönöm a sok hozzászólást. Jövő héten elmegyek, veszek pár dolgot aztán kísérletezem vele.
Sziasztok!
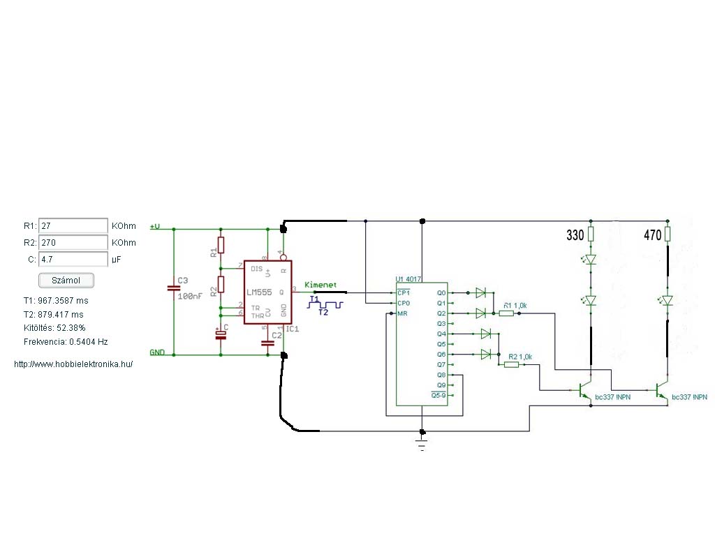
Nem szeretnék potyára össze-vissza vásárolni, ezért ki szeretném számolni az ellenállások és a kondik értékét, de nem találtam a neten ilyesmi kapcsoláshoz számolási segítséget. Találtam itt egy cikket az 555-ről, de nem tudom hogy kéne ezt számolni. Valaki tudna segíteni az értékek kiszámolásában? Nagyon szépen köszönöm! a rajzért köszönet Moltam-nak!
Szia!
Az igazság az, hogy már próbálgattam, de nem tudom hogy mit kéne belőnöm. T1 az ugye, mikor megy, T2, mikor nem. Ez még tiszta. De mivel van egy 4017-es az áramkörben nem tudom ide mit kell beállítani. Ide is az az érték kell, ami a végeredményben lesz (gondolok itt, arra, hogy ugye 2-t villan-szünet-/másik ledek/2-t villan....) vagy más? A másik kérdés a programmal kapcsolatban, hogy mekkora frekvencia kell? Köszi
Építő jellegű kritika!
Kicsit még nyers a rajz! Azaz vannak még benne hibás részek ami még nem ok. PLD: Órajel / Órajel-engedélyezés. (CP0/-CP1) Akkor most felfutó vagy lefutó éllel vezéreljük a 4017-est? A Reset (MR) ha nincs felhasználva akkor GND-re kell kötni! :felkialtas: S az alaposzcillátorral is vannak gondok... ( Segítség az előző hozzászólásomban...) Viszont_ez_a_kapcsolás_adott egy pihent ötletet... Majd kipróbálom!
Szia!
A rajzot nem én készítettem, csak beollóztam ide. Az igazság az hogy elektronikában nálam eddig a csúcs a 3led+ellenállások+elem->jéé világit-nál megállt. Szóval (gyakorlatilag) nem értek hozzá. Az 555+4017 ötlet nem tűnt megoldhatatlannak, de mivel nem értek hozzá, egyre távolabbinak tűnik. És itt (mivel rávilágítottál, hogy hibás a rajz) jön egy kérdés/kérés: valaki tudna pontos kapcsolás kialakításában, számolásban (szájbarágósan) segíteni? Tudom, elég sokat kérek, de nem találtam számomra is érthetően dolgokat ennek a megoldására. köszi ui: pihent ötlet
Szia!
A segédprogramban a T1 és T2 a frekvencia kitöltési arányát takarja! a Idézet: idejére a kimenet magas H szintű, azaz közel tápfeszültség mérhető. A „T1” Idézet: az alacsony L szint, azaz közel 0V van a kimeneten. S ennek a két jelnek az összességéből tevődik össze a frekvencia vagy a rezgésszám. Alap esetben ha a 4017-es van erről az oszcillátorról vezérelve, akkor a T1-T2 arány teljesen közömbös! Mert csak egy FELFUTÓ ÉL ( vagy LEFUTÓ ÉL ) kell a 4017-es megfelelő lábára... Ha kihasználjuk a számláló teljes lépésszámát akkor az oszcillátor frekvenciájának 1/10-e fog a kimeneten megjelenni. ( Frekvencia / 10 = Kimeneti frekvencia/egy láb. De az egyes lábakon a kimenet csak 1/10%-ig lesz magas szint!) „T2” Vagyis ha PL. a 4017-es egyes lábain csak 1Hz-t szeretnél, akkor 10Hz-re kell méretezni az oszcillátort. Ekkor a kimeneten 1/10 sec-ig lesz magas szint. Értelemszerűen a magas szinthez rendeljük hozzá a LED-ek felvillanását is... Kicsit hosszú lett az ...Remélem sikerük kihámozni a lényeget...
....és amit én linkeltem?
Valaki meg is építette, video is van róla.
Megtetted amit lehetett.
A döntés HSP-é! :yes:
Szia!
link? uh ez lehet kimaradt az életemből eddig. 1 témára emlékszem, amit Te linkeltél, de azon valahogy nem tudok kiigazodni mármint nem látom se az elejét se a végét.
Szia!
Ne haragudj, ezt elnéztem. 3link, teljesen kiesett a fejemből megnézem...
Sziasztok!
Átolvastam az adott témát. Már nagyjából tiszta hogy 555+4017 együtt hogy megy, de ennyi. Az viszont még mindig sötét számomra, hogy mi kell a két cucc közé, elé és a ledek előtt a 4017 után?
Szilícium jeldiódák. PL: 1N419; 1N4148
Utána tranzisztorokkal illik tehermentesíteni a 4017-es kimeneteit! :yes:
Na összevágtam, hátha így világosabb...
Remélem nem néztem el semmit! JANI?
Ez már életképesebb kapcsolás! A 4017-es kimenetein lehet, hogy variálni kell. De már érted (értitek) a lényeget és az már nem fog gondot okozni... Egy javaslatom azért lenne. A diódák közös pontjait egy egy 10K-s ellenállással legyen testre húzva! Stabilabb lesz tranzisztorok működése. Valamint az R2 helyére a próbák idejére egy 470K-s potmétert érdemes bekötni. A potenciométerrel sorosan egy ellenállás is kell. Ennek értéke 1K - 10K-ig bármi lehet. Ez védi meg az IC-t ha a potenciométert 0-ohmra lesz állítva.
Elvileg már megépíthető ez a kapcsolás!
Köszi a kiegészítést, de megépíteni nem én akarom, hanem HSP.
Csak mivel gyorsan dobtam össze, gondoltam nézd meg te is, több szem többet lát...
Sziasztok!
Mostmár nagyjából világos. Holnap megveszem az alkatrészeket és próbálkozok. Köszönöm
Üdv mindenkinek!
Ha kihívásnak tekinted a megépítést, akkor hajrá. Ha csak a helire szeretnél világítást, akkor szerintem nem érdemes házilag bütykölni (pont a súly/méret dolog miatt). Én ezt építettem be a gépembe: Bővebben: Link Igaz, egy kicsit átalakítottam, hogy úgy világítson, ahogy nekem tetszik. Sajnos fényképen nem látszik, hogy milyen a végeredmény, normális videó pedig még nem készült róla. 7,4 V-os és 11 V-os rendszerre is rá lehet dugni (én 7,4-esen használom).
Szia!
450es helin lesz (t-rex se v2), igy van kb 50-70g amíg jó vagyok. Szerencsém van, mert TP akksit használok, ami máshoz (pl RedMax) viszonyítva már kapásból -40g. Egy dologtól félek, a zavaroktól (egyszer volt zavarom, akkor 450 xl bánta). Arra gondoltam hogy kap majd 1 vagy 2 ferritgyűrűt. Így talán ok, de tesztelés után fogom csak feldobni a gépre. HSP
Kíváncsian várom a végleges böntésed...
![]() REMÉLEM MEGOSZTOD VEKÜNK!!! ( Ha már így iparkodunk!!! ) |
Bejelentkezés
Hirdetés |




Sajnos nem vagyok túl jártas az elektronikában

pihent ötletet...
...Remélem sikerük kihámozni a lényeget...






