Fórum témák
» Több friss téma |
- Ez a felület kizárólag, az elektronikában kezdők kérdéseinek van fenntartva és nem elfelejtve, hogy hobbielektronika a fórumunk!
- Ami tehát azt jelenti, hogy a nagymama bevásárlását nem itt beszéljük meg, ill. ez nem üzenőfal! - Kerülendő az olyan kérdés, amit egy másik meglévő (több mint 17000 van), témában kellene kitárgyalni! - És végül büntetés terhe mellett kerülendő az MSN és egyéb szleng, a magyar helyesírás mellőzése, beleértve a mondateleji nagybetűket is!
Mit is csinál ez a kapcsolás?
Csak mert nekem gyanús, hogy semmit, vagy valamit nagyon félrenéztem...
Hi!
Elnézést h közbeszolok, nem akarok tolakodo lenni, de tudnátok annyiban segiteni, h a chipcad cd-t a honlapjukon hol tudom megrendelni? A választ előre is köszönöm! üdv.: bubu
Hello bubu!
Azért nem találod, mert nincs nekik . Mire gondolsz pontosan? Ha a Microchip éves CD-jére, akkor azt gondolom a Microchipnél lehet rendelni, de feltételezem, hogy ha emailben vagy telefonon kérsz a ChipCAD-től, akkor ők is küldenek.Üdv.
Hello!
Érdekes kapcsolás . Gondolom, ami elemnek van rajzolva, az kondi akar lenni. Bár ez lényegtelen a tranzisztor számára, csak úgy még annyi értelme sincs az egésznek. Na, mindegy...A tranzisztor is PNP-nek van rajzolva, ami hacsak valami eddig ismeretlen tulajdonságát nem használja ki egy tranzisztornak, akkor az NPN. Abból pedig a legolcsóbb is lehet (BC182 ).Az ellenállások értéke és teljesítménye pedig attól függ, hogy mit is akarsz elérni az áramkörrel (A legfelül lévő olyan 27k 2W, a kicsit alatta lévő 470k 0,4W az alsó 0ohm.) Sok sikert hozzá Üdv.
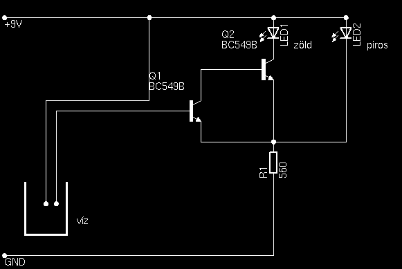
Szerintetek ez a kapcsolás így jó?
mert saját kútfőmből rajzoltam éjszaka 2kor ez elvileg egy vízszint mérő: a zöld led világít, ha van víz és a piros ha nincs...
Szerintem nem működik.
Az én javaslatomat csatoltam. (R4 a víz ellenállása, csak a szimulációért kellett.)
Hali skynetpro!
A te rajzod így biztosan nem jó, mert a piros LED nyitófeszültsége kisebb mint a zöldé, tehát a Q2 tranzisztor nyitásakor nem történne semmi változás a LED-ek állapotában. Ki lehetne hozni belőle valamit, de a földelt kollektoros kapcsolás nem a legcélszerőbb erre. deguss rajza már közelít, de érdemes a Q2 B és E közé egy nagy ellenállást betenni (100k) és az R2 értékét is meg kell növelni (10k), mert a D1 LED 9V-ról 1,56 k-n keresztül még világítani fog. És az R4-et sem szabad kihagyni az áramkörből! Üdv.
Szia iamrob!
Köszönjük szépen az útbaigazítást! Kijavítottam a rajzot az írottak alapján skynetpro-nak.
Szia deguss!
Erre gondoltam, köszi Szerintem így pont jó.
Halle! csak egy egyszerű kérdésem lenne! mégpedig az hogy mit jelentenek a következő jelölések: VSS VCC VDD
azt tom hogy az egyik az az áram a másik a föld! de lécci pontosítsatok már! köszi üdv Gab_bee
[link=http://encyclobeamia.solarbotics.net/articles/vxx.html]http://encyclobeamia.solarbotics.net/articles/vxx.html[/link]
Ezt az oldalt nézegesd át egy kicsit...kicsit zavaros, de minden lényeg rajtavan... De itt van ez is: [link=http://www.picbasic.co.uk/forum/showthread.php?t=1530]http://www.picbasic.co.uk/forum/showthread.php?t=1530[/link] De itt van a harmadik link is: [link=http://en.wikipedia.org/wiki/Vcc]http://en.wikipedia.org/wiki/Vcc[/link]
Szia!
Nem igazán a témába vágó kérdéssel fordulnék hozzád, de hátha tudsz segíteni. Van két viszonylag régi hangfalam (orion 60-80W, 8 ohm), amibe régebben vettem mélynyomókat, most szerettem volna kicserélni a magasat meg a közepet is, de csak magas volt egyelőre a boltban. Azokat meg is vettem, viszont a magas helyére bekötve egyáltalán nem működnek, ellenben a közép helyére bekötve rendesen szól mind a kettő. Ez miért van? Gondolom a közép helyére ne kössem tartósan a magasat, mert hamar meghalasztja... Előre is köszi a választ! Dóri
Hello!
Igazad van , ezt elnéztem, a mikrochip cd-re gondoltam. A kérdésem pedig az lenne, h mi az oldal címe, és hol lehet rola az ingyen cd-t rendelni. (Sztem látszik, h kezdő vok, ezért irtam ide és nem pic-es topikra vagy mire) A választ előre is köszönöm!
Talán a [link=http://www.chipcad.hu/]http://www.chipcad.hu/[/link] oldalon, az ottani fórumban tudnak segíteni neked.
bár a kérdést nem nekem tetted fel..
nincs kábel szakadás? keresztváltó rendben van?(kiszáradt kondi, ilyesmi..) a frekvencia tartomány egyezik? (gondolom, hisz' magas..) mind a két hangszóró, mind a két hangfalban ugyanezt csinálja? hmm.. végre egy hölgy a fórumon.. üdvözlet.
Hi all! lenne egy kezdő kérdésem
: Szerintetek van értelme/lehet-e párhuzamosan kötni két db 78L05-öt, mert számolgattam és a fogyasztás ~130 mA-ra jött ki....a 7805 meg eléggé melegszik... Vagy ajánljatok valami kis (200mA) -es stabic-t. Köszi!:vigyor3:
hi
ott valami gáz van ha a natúr 7805 melegszik a 78L05 meg nem mire is kell ez pontosan?? mennyi tápról megy?? lehet h a 7805 a kaki... szem csá
Vagy a környezeti alkatrészek (kondik) nem jól méretezettek...
Segítsetek. Hogy lehet egy egyszerű áramkört (1áramforrás 1fogyasztó) mind két ágon egyenirányítani úgy hogy minimális legyen a veszteség pl: 9V esetén 1-2V veszteséggel lehetséges ezt valahogy megoldani? Előre is köszi.
nem igazán értem a kérdést de:
1-1 dióda sorbakötve.... (ha még kisebb veszteséget akarsz, akkor használj germánium diódát-kisebb a nyitási fesz, viszont kevésbé terhelhető) ha stabilizálásra gondolsz, akkor keress un. low drop IC-t
Sziasztok!
Csak azt szeretném kérdezni, hogy 4017-es ic 13-as (enable input), és a12-es (% 10 output) láb mire jó? (13)bemenet engedélyezés, ha jól tévedek, csak azt nem tudom hogy milyen bemenetet engedélyez? A válaszokat előre is köszönöm! (Közben eleredt az eső, és hű, de jó hűvös lett )
[link=http://www.doctronics.co.uk/pdf_files/4017.pdf]http://www.doctronics.co.uk/pdf_files/4017.pdf[/link]
Láthatod hogy a 13 és 14 az órajel bemenet csak az egyik negatív a másik pozitív triggerrel vezérelhető. A kialakítás miatt a bemenő jel "kapuzható" tehát csak akkor fogad jelet ha azt engedélyezed. A 12-es láb az un. carry kimenet, ez akkor aktív ha a számlálás elérte a végét. innen vezérelhető a következö 4017-es bemenete és így számláló láncot is ki lehet alakítani. (az aktív kimenet L szintű)
Köszi!
Majd kísérletezgetek vele. Tehát akkor, a 12-es lábon akkor jelenik meg jel, ha a számláló végigért (10), és ha ezt rákötöm egy másik 4017-es clock imputjára, azon számlál tovább? Mégegyszer köszi!:yes:
igen.
tehát az első számlálód kimeneti értékei:1-2-3-4-5...stb, a második számlálód kmeneti értékei:10-20-30....stb.
Köszi!
Egy ledes kijelzőt szeretnék alkotni. A sorokat vezérelhetné egy (vagy több) 4017-es ic. Az oszlopokat meg... Na azt kell még kitalálni.
Mondjuk, hogy van egy soros vezérlő, aminek
a kivezetéseinek polaritása +. Tranyókkal át lehetne alakítani, hogy '-' legyen, nem? |
Bejelentkezés
Hirdetés |




. Mire gondolsz pontosan? Ha a Microchip éves CD-jére, akkor azt gondolom a Microchipnél lehet rendelni, de feltételezem, hogy ha emailben vagy telefonon kérsz a ChipCAD-től, akkor ők is küldenek.
. Gondolom, ami elemnek van rajzolva, az kondi akar lenni. Bár ez lényegtelen a tranzisztor számára, csak úgy még annyi értelme sincs az egésznek. Na, mindegy...








