Fórum témák

» Több friss téma
Fórum » Villamos ívvel kapcsolatos kísérlet
Lapozás: OK   7 / 12
(#) Marty McFly hozzászólása Dec 18, 2008 /
 
Egy dolgot nem értek, de mostmár kezd idegesíteni! Van ez a kapcsolás! Az enyémben megváltoztattam az értékeket! tettem be egy 5M trimmert a másik ellenálást meg hagytam 1k nak, a kondi 2.2µF a frekvenciaértékek és a kitöltési tényező szinte megegyező, mégis bárhova állítgatom a trimert a szikra nem akar nőlni Miért nem hajlandó egy olyat gerjeszteni mint a linkelt oldalon a képen???
(#) Marty McFly hozzászólása Dec 18, 2008 /
 
Az oldalon látható segédprogramban az astabil multivibrátornál C2 nek nincs megadva érték, én betettem oda 100nF! Talán ezen kéne változtatni?
(#) mex válasza Marty McFly hozzászólására (») Dec 18, 2008 /
 
Már megint összavissza irsz... A C2 az oldalon 47nF értékű. A C1-nek nincs meg az értéke Te ide tettél 2.2µF-ot,ami jó is. De mivan a potival,tényleg 5M-ot tettél oda? Ha igaz akkor az nagyon kicsi frekit ad~7 másodpercenként jön a szikra az egyik végállásban.
Javaslom próbáld meg a trafódat mindenféle elektronika nélkül csak az akkuhoz érintgetve,úgy ad-e szikrát.
(#) Marty McFly válasza mex hozzászólására (») Dec 18, 2008 /
 
Az akkuhoz érintgetve ad szikrát, egész szépet! Nem írok összevissza! Itt nincs megadva érték!
(#) Marty McFly hozzászólása Dec 18, 2008 /
 
Ja és 5M tetem oda de lefelé tekertem! És ha megnézed itt is 2.2M van téve tehát ha középállásba tekerem már hasonló helyzetben vagyok!
(#) mex válasza Marty McFly hozzászólására (») Dec 18, 2008 /
 
Bocs,azt hittem a linkről irtad. Maga a kondi értéke nem kritikus,22nF-nál ne legyen kevesebb (én is 100nF-ot szoktam rakni),ez csupán a komparátorok referenciáját hidegiti.
Ha jó a trafó,akkor nem nyit ki rendesen a végtranyó,vagy nem zár le gyorsan,igy csak kicsi fesz tud indukálódni. Ki lehetne mérni. Ha nincs alkalmas műszer akkor tegyél a trafó helyére egy 12V 10-21W-os izzót és nézd meg a fényerejét.Kb félfénnyel kell világitania az 50%-os kitöltés miatt,ha feljebb állitod akkor világosodnia kell,és a tranyónak nem szabad melegednie,csak max langyosodni.
(#) Marty McFly válasza mex hozzászólására (») Dec 18, 2008 /
 
Rávilágítottál a problémára! Kipróbáltam! Ez itt csak összevissza villog mint egy indexlámpa, de még csak szabályosnak sem mondható! Kicserélem a trimert 1k ra és megnézem mi történik!
(#) Marty McFly válasza mex hozzászólására (») Dec 18, 2008 /
 
1k ellenállással az 5M trimer helyén szépen fél fényerőn világít az izzó! A szikra is működik de csak fél mm-t húz át éppenhogy! Ez kb mekkora fesz lehet a szekunderen?
(#) mex válasza Marty McFly hozzászólására (») Dec 18, 2008 /
 
Az alacsony freki miatt villoghat,de mindenképp szabályosan kell hogy tegye. Ha feljebb mész a frekivel akkor természetesen egyre kevésbé kell,hogy érzékeld a villogást. Javaslom nézd át az ic bekötését 101. x is ha még eddig nem tetted volna meg.
(#) mex válasza Marty McFly hozzászólására (») Dec 18, 2008 /
 
1-2ezer volt,de ez erősen páratartalomfüggő.
Most kösd vissza az izzót,az ic6,7-es lábát zárd le a testre. Az izzónak teljes fénnyel világitania kell. Műszerrel mérd meg ekkor a tranzisztor kollektora és emittere közt a feszültséget. Ha normálisan kinyitott akkor nem lehet rajta csak néhány tized voltot mérni.
(#) mex válasza mex hozzászólására (») Dec 19, 2008 /
 
Rosszul irtam:a 2,6 lábat tedd testre.
Bár ha úgy csinálod ahogy először irtam akkor is működnie kell.
(#) Marty McFly válasza mex hozzászólására (») Dec 19, 2008 /
 
Megmértem! 0,76V és az izzó nem világít full fényerőn!
(#) mex válasza Marty McFly hozzászólására (») Dec 19, 2008 /
 
Ebben az állapotban nincs kinyitva a tranzisztor teljesen ezért nincs is normális szikrád. Biztosan 47ohm a meghajtóellenállás? Műszerrel is mérd meg. Mérd meg ebben az állásban(állandóan világit a lámpa) az akkufeszültséget is mennyi.
(#) Marty McFly válasza mex hozzászólására (») Dec 19, 2008 /
 
Az akksi terheletlenül 12,96V terhelve 12,76V! Az ellenállás az IC 3 as lába és a bázis közt 43Ohm műszerrel mértem! Talán kisebbet kellene tenni a helyére?
(#) Marty McFly hozzászólása Dec 19, 2008 /
 
Hopsz! Miközben írtam a hozzászólást, rajta felejtettem a tápot az áramkörön, és a 47Ohm elfüstölt
(#) Marty McFly válasza Marty McFly hozzászólására (») Dec 19, 2008 /
 
Tévedtem! Még működik, csak megbarnult egy kicsit
(#) mex válasza Marty McFly hozzászólására (») Dec 19, 2008 /
 
Milyen teljesitményű volt az izzó amivel próbáltad? Legalább 21W jó lenne vagy még párhuzamosan vele egy 10W is,csakhogy közelitsünk a valós trafó álltal felvett áramhoz. Ha össze tudod hozni akkor újból meg kellene mérni a tranyó C-E feszültséget.
Most,hogy utánaszámoltam,a 43ohm túl kicsi,lehet,hogy már az ic is károsodott,és ezért nem képes rendes meghajtásra.... Max 200mA a kimenő árama,itt meg~270mA volt. Mondanám még ,hogy mérd meg mennyi fesz esik a 43ohm-on,ebből vissza lehetne számolni az átfolyó áramot is. Mindenesetre nemártana egy másik ic sem és az ellenállás pedig 68ohm legyen....
(#) Marty McFly válasza mex hozzászólására (») Dec 19, 2008 /
 
82 ohmosom van most kéznél ha megfelel beforrasztom! Akkor már értem miért melegedett az IC! 21W ossal próbáltam és elvileg tudok tenni mellé még 10W ot! Most próbáljam vagy majd az új ellenállással?
(#) mex válasza Marty McFly hozzászólására (») Dec 19, 2008 /
 
Hagyd egyenlőre békén az ic-t. A 82ohm-ot közvetlen kösd a tápfeszre,a másik végét pedig a tranyóra,és igy nézd meg mennyire világit az izzó,közben mérd a C-E feszültséget. Azután még tedd rá a 10W-ot is és ismételd meg a méréseket.
(#) Marty McFly válasza mex hozzászólására (») Dec 19, 2008 /
 
Nem találtam másik izzót, így maradt a 21W terhelés! 82Ohm közvetlenül a tápra, ezután pedig mértem a tranzisztoron! 2,36V a pár tized helyett! Az izzó is gyengébben világított!
(#) mex válasza Marty McFly hozzászólására (») Dec 19, 2008 /
 
Akkor ebből az derül ki elsősorban,hogy az 555 nem képes meghajtani rendesen a tranyót. Még annyit próbálj,hogy a 43ohm-ot kösd rá a bázisra,ezenkivül 220ohm ellenállást a bázis és a test közé,a gyújtótrafót is kösd az izzók helyére,és kézzel az ellenállást a pozitiv tápfeszhez érintgetve nézd meg mekkora a szikra.
(#) Marty McFly válasza mex hozzászólására (») Dec 19, 2008 /
 
Leginkább semekkora!
(#) mex válasza Marty McFly hozzászólására (») Dec 19, 2008 /
 
Úgy csináltad ahogy mondtam? A 43 és a 220ohm találkozási pontja a bázis? 43 a pozitivhoz érintgetve? 220 a testen folyamatosan? Mert akkor nincs ötletem.
Esetleg egy +tranyó beépitése,vagy fetes vég.
De megpróbálhatod a 220ohm helyett mondjuk a 82ohm-ot (az úgyis van).
Ja a zenert visszakötötted?
(#) Marty McFly válasza mex hozzászólására (») Dec 19, 2008 /
 
A zénert még nem vettem ki!
(#) mex válasza Marty McFly hozzászólására (») Dec 19, 2008 /
 
OK,nem is kell. Menetközben nem szakadt meg a 43 ohm?
(#) Marty McFly válasza mex hozzászólására (») Dec 19, 2008 /
 
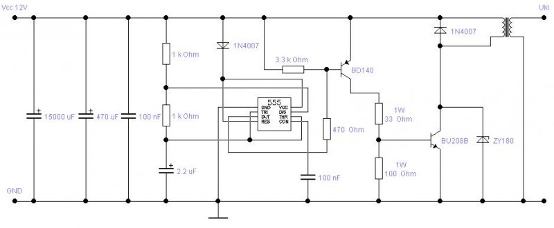
Közben terveztem itt egy kapcsolást a meghajtásra! Rá tudnál nézni hogy működőképes lesz-e így?
(#) mex válasza Marty McFly hozzászólására (») Dec 19, 2008 /
 
Jó,csak forditva fog működni,azaz,ha az ic kimenetén a szint alacsony lesz akkor kapcsolja be a végtranyót,és szikra az ic magas szintre váltásakor keletkezik. A 47 ohm helyett lehet hogy 33 kellene. A trabi gyújtásnál 24 ohm van. Ezenkivül kell még a végtranyó bázisa és a test közé 100 ohm lehúzóellenállás,ami gyorsitja a kikapcsolási folyamatot. Az ellenállások legalább 1W-osak legyenek. A trafóhoz ne tedd be egyenlőre az 1N diódát.
(#) Marty McFly válasza mex hozzászólására (») Dec 19, 2008 /
 
Jáá eznekem pont jó! Így akkor tehát ha emelem a kitöltési tényetőt 50% fölé, akkor a T1 időm fog több lenni így rövidebb impulzusokat tudok adni a trafónak!
(#) mex válasza Marty McFly hozzászólására (») Dec 19, 2008 /
 
Az igaz,hogy rövidebbek lesznek az impulzusok,de ez ellene hat a mágneses mező kiépülésének,tehát megintcsak kisebb lesz a szikra. Mindenesetre épitsd meg,a végtranyót meg kell tisztességesen hajtani.
Az előbbi kérdéseimre nem válaszoltál...
(#) Marty McFly válasza mex hozzászólására (») Dec 19, 2008 /
 
Lerajzoltam a komplett áramkör kapcsolási rajzát! A módosításokat leszámítva látható az eredeti állapot is! A 43Ohmot mindjárt megmérem!
Következő: »»   7 / 12
Bejelentkezés

Belépés

Hirdetés
XDT.hu
Az oldalon sütiket használunk a helyes működéshez. Bővebb információt az adatvédelmi szabályzatban olvashatsz. Megértettem