Fórum témák
» Több friss téma |
Fórum » Eagle 3D segítség, POV-Ray
Témaindító: Thomas10100, idő: Jún 5, 2006
Témakörök:
Igy lehet
![]() Illeszd be a tranzisztor.inc -be
Köszönöm mindkettőtöknek!
Én is hasonló dolgokkal próbálkoztam csak nem értettem hogy a három Idézet: -vel kezdődő rész hogyan kötődik az utánuk levő három „difference{” Idézet: -al kezdődő részhez. Arra rájöttem hogy összefüggenek de hogy pontosan hogyan arra nem. „box{”
A difference (elnevezéséből sejthetően) kb. annyit tesz, hogy "különbözetét képezi" a belefoglalt obejektumoknak .
egyszerű halmazműveletek, nevük is ennek megfelelő:
unió (union) különbség(difference) metszet (intersection) létezik egy negyedik művelet is, összekapcsolás(merge)
Értem. És az ezen szavak után lévő zárójelekben a szavak illetve számok mit jelentenek?
Azok a geometriai testek amikkel a műveletet végzi.
Hengerből kivon egy hasábot...stb Ez így furcsán hangzik de ez van ![]() Ez a 3D sugárkövetéses programozás nem egy egyszerű dolog, csak annak látszik.
És nincs valami könnyen kezelhető program amivel ezek a dolgok grafikusan is kezelhetőek és láthatóak?
Nem igazán
![]() FreeCAD tud hasonló inc-t készíteni, de nem az igazi.
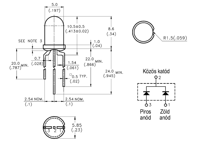
Ma megpróbáltam háromlábú 5mm-es LED-et varázsolni úgy, hogy kitöröltem az 5mm-es LED két lábát és helyette beillesztettem az egyik TO92-es tok három lábát. Eddig össze is jött a dolog, de a három láb a LED búrájának magasságában volt és átdöfték a LED-et.
Sehogy nem tudtam helyére igazítani a lábakat rendesen. Jó lenne ha tudnám hogy pontosan mit is módosítok a scriptben, mert így csak nagyrészt találomra írogatom át a számokat aztán nézem hogy mi változik és próbálok összefüggéseket keresni. Idézet: „Jó lenne ha tudnám hogy pontosan mit is módosítok a scriptben” Idézet: „és próbálok összefüggéseket keresni.” Igen, ha tudod mit, és megvannak az összefüggések is, akkor már tudsz programozgatni. Addig marad a próbálgatás. A *.inc fájlt mindig mellékeld, én csak akkor tudok segíteni.
Én inkább azt az utat választottam volna, hogy az eredeti két lábat eltologatom és az egyiket lemásolva készítek egy újat...
Közben látom, hogy nem ilyen egyszerű, de a TO92-es lábainak felhasználása sem az igazi:
Van egy olyan TO92-es tok (TR_TO92_L) aminek ugyan így állnak a lábai mint a képeden a diódáé.
Láttam azt a TO92-est, arra írtam, hogy "nem az igazi", de helyettesítheti a valós megoldást.
Ha megvannak a TO92-esen a lábak azokat a dióda makrójában rakd egy union-ba és azután az union végére írt rotate és translate utasításokkal helyre teheted. (Ugyanaz a megoldás mint a hűtőzászlónál)
Az a nagy baj, hogy a LED-eknél a .pov generálásakor az Eagle3D megkérdezi hogy a paneltól milyen magasan legyen a LED. A LED lábainak mérete ehhez alkalmazkodik és ezt nem tudom átírni a TO92 lábaira.
A lábak és az alkatrész test szorosan összefügg, ezért nehéz a lábakat cserélgetni.
Az már nincs meg, tegnap feladtam és visszamásoltam az eredeti LED makróját.
Értem!
"Lecsupaszítottam" hirtelen az alkatrészeket. Ezeket kellene összehozni...
Én is kb idáig jutottam el csak én pont fordítva, a lábakat tüntettem el.
Na ez nekem már nem sikerült. Vagyis sikerült a LED-hez a tranyó lábait beilleszteni, de azok nem értek le a panelig hanem a levegőben voltak.
Ime 0, 2, 5 mm-es távolsággal és a makró. Benne hagytam mindent, hogy lásd hogy csináltam:
Le a kalappal! :kalap:
Nagyon jó lett! Majd megnézem a scriptedet is hátha tanulok belőle valamit. Minden esetre én sem unatkoztam: Egy barátomtól (fórumtárs) egyszer kaptam egy marék nagyon jó kis hűtőzászlót. Azért nagyon jó mert nagy a felülete, fekete, nyákba ültethető (van két lába) és gyárilag menetes ezért nem kell hozzá anya csak csavar. Ezen a fényképen két ilyen hűtőzászló is látható: Bővebben: Fénykép A tegnap előtt sikeresen felállított hűtőzászlóból pedig ezt sikerült alkotnom: Bővebben: KÉP Most erre nagyon büszke vagyok! Ha még tudnám is hogy pontosan miket is írogatok át, akkor még jobb dolgokat is tudnék rajzolni. Nincs esetleg egy oldal ahol leírják ezeknek a 'parancsoknak' (box, object, cylinder) a tulajdonságait (amik a kapcsos zárójelekben és a kacsacsőrök közt vannak számok) meg hogy mi mit jelent?
box {VEKTOR1,VEKTOR2}
Az első vektor a nullponthoz közelebb eső bal alsó csúcspont helyvektorát adja meg, a második vektor az előbbi csúcsból induló testátló másik végén lévő csúcspont helyvektora. Egy testátló két végének megadásával a téglatestet meghatároztuk. sphere {VEKTOR,SUGAR} A megadott VEKTOR a gömb középpontját jelöli ki, a valós sugár pedig a gömb sugarát határozza meg. plane {VEKTOR, VALÓS} Az első érték egy vektor, ami merőleges a síkra (a sík normálvektora), az ezt követő valós szám pedig azt határozza meg, hogy a síkot hány egységgel kell eltolni a normálvektor által kijelölt tengelyen. Kúp és csonkakúp cone {VEKTOR1, SUGAR1,VEKTOR2, SUGAR2} Henger cylinder {VEKTOR1,VEKTOR2,SUGAR} Eltolás translate {VEKTOR} A méretezés scale {VEKTOR} Forgatás rotate {VEKTOR} Ezt a könyvet próbáld megszerezni: Dr. Szirmay-Kalos László: Számítógépes grafika |
Bejelentkezés
Hirdetés |










