Fórum témák
» Több friss téma |
Fórum » Ki mit épített?
Ez a téma ha úgy tetszik a mi "kiállítótermünk", nem pedig a ki mit csinált volna másképpen, mások helyett, és legfőképpen nem javítós téma.
Minden készüléknek van saját témája, ott kell kitárgyalni a részleteket!
FONTOS! A kapcsolási rajzok keresésére is van saját téma, ott keressetek rajzokat!
Egész jól néz ki. A következő lépcső akár RGB led is lehetne
Én telefonkábellel kötözgettem össze a szekrényvilágításomban a ledeket a meghajtóval.
Az RGB ledtől azért félek, mert nem tudom, mennyire bírja egy tokban a tartós működtetést a LED, akár mind3 színben is egyszerre. Másrészt, a háttérben fekvő Alfa, a 6"-os csővel nem lesz beterítve egy-két ledből, jobban szét kell húzni őket...
A 2.0-s verzióban mar a kábelcsatornában szeretném elhelyezni az előtét ellenállásokat, annak keresek valami megoldást még, hogy ne legyen rövidzár vagy ilyesmi. Valszeg zsugorcső lesz ráhúzva, de vajon mennyire károsítja az ellenállást az a pár mp-nyi hő, öngyújtóból? Frankye, a javítást köszönöm, nem figyeltem oda... Good day...
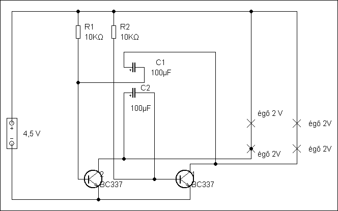
Sziasztok kész lett a 4 izós vilogóm
Képzeld el így:
"Sziasztok! Kész lett a 4 izZós vilLogóm." (Kiemeltem a pótolt karaktereket...) Egyébként az astabil multivibrátor ennyi erővel "kétszer akárhány" ízzós is lehetne.
Szia
sajnos nekem olyan nincsen majd ha bontok egyet valamiböl ugyanis ezek bontot alkatrészek.
Hát akkor hogyan hívod azt amit építettél?
"4 izós vilogó" a neve, azért van úgy írva
égős villogó csak most keresek nagyob tejesitményü
tranyót ami nagyob feszültséget és több égőt bele tudnék rakni
Amit építettél, az az "astabil multivibrátor". Ez a hivatalos neve. Mivel ilyet építettél, neked már van ilyen. Nevezheted tőlem akárhány égős villogónak is, de gondoltam, jobb ha tudod, hogy mit csináltál.
![]() Ha nagyobb teljesítményű égőket szeretnél, akkor tranyó helyett inkább a fetet ajánlom.
nem nagyob tejesitményü égőket hanem többet szeretnék bele rakni
Ha több, akkor összeadódik a teljesítmény, tehát egykutya.
Sziasztok!
Végre megkapta a végleges hangszóróit a mályládám!Eszméletlen nagyot,de egyben szépen és részletgazdagon szól!
Tán kutat akarsz "fúrni" ?
Gratula, jó nagy lett
Brutális! Sok örömöd lesz benne. Tudom, mert én is Pioneer-ből építettem.
AVR-es zenelejátszó karácsonyfaledekkel
![]() - vasalt nyák ![]() - atmega88 a belső RC-oszcillátorról 8MHz-en hajtva. igazából mivel csak 1K az egész kód, ezért elég lenne egy ATTiny2313 is - 1GB microSD kártya - dupla PWM-kimenet (1K és 250K-s ellenállásokkal, végül a hányados 239-nek adódott, ehhez kalibráltam a szoftvert) -- nincs benne DAC - 16 bit @ 31250kHz - negyedrendű szűrő a kimeneten (bár utólag meghallgatva simán ki lehet hagyni ezt is) - 30 LED 4db N-csatornás MOSFET-tel hajtva nyák: http://img246.imageshack.us/my.php?image=photo0078jl2.jpg alkatrészek: http://img168.imageshack.us/my.php?image=photo0085id1.jpg (kb. 2 óra volt, mire a fos 2000ft-os pákámmal rászenvedtem őket a nyákra :>) csatlakozók: http://img91.imageshack.us/my.php?image=photo0092ej3.jpg videó a működésről: http://www.youtube.com/watch?v=uNooFzsQ2yk
Hmm, ügyes szerkezet.
A dupla pwm kimenet az azt jelenti hogy sztereo ? Milyen codec-el játszik le ? Milyen bitrátájú/mintavételezési frekit tud ? Milyen file rendszert ?
8MHz/2^8 = 31250Hz, azaz egy PWM kimenettel 8 bites hangot lehet csinálni 31250Hz-en. Nem sztereó, a második PWM-et arra használom, hogy 16 bites hang legyen a 8-ból.
Ha ATTiny26-ot tettem volna bele, akkor 11 bites hang is lehetséges lenne egyetlen PWM-mel, mert az a belső PLL-e segítségével tudja 64MHz-en járatni a timert. Ekkor nem kellene erősítő, csak egy FET-es kapcsolgatós végfok, egy LC-szűrő és a hangszóró. Úgy sejtem, hogy majdnem teljesen lineáris átvitellel 90%-os hatásfokot tudna elérni. Hídba kötve 12 bites hang is lehetséges ugyanezzel az eszközzel. Fájlrendszert nem használtam, csak ráírtam a kártyára a zenét tömörítetlenül. Egyébként egy FAT32 library kb. 3kByte lenne, ha csak olvastatni szeretném vele a kártyát.
Azt gondoltam, hogy a pwm freki a 31khz. De a tömörítetlen hang adatokat milyen mintavételezési sebességgel tudod lejátszani ? Vagy az is 31khz ?
Érdekes ez a két pwm-el 16 bit. Erről tudsz még írni picit ? Vagy valami linket ahol írnak róla? Mert ez nem tiszta nekem. Közben mire leírtam lett egy sejtésem. Ez olyasmi lehet mint az R / 2R D/A átalakító. Itt az egyik kimenet kiad egy durva 8 bites jelet, és a másik kimenet még egy kisebb 8 bites jellel finomítja.
Ügyes megoldás, de hadd kérdezzem meg, nem működött volna váltóáramról is? A szőnyeg az egyik pólus, a felé helyezett szita meg a másik? Vagy akkor taszítaná is? De miért is, mennyire van fémes összeköttetésben a fű az alatta lévő micsodával? Mert ha eléggé szigetelve van, akkor értem, hogy kell az egyenáram, mert nem tud olyan gyorsan átpolarizálódni a fűszál...
szerk. most gondoltam át újra, azért kellett gondolom az egyenáram, hogy a szitát le lehessen földelni. Már világos. A lényegre nem gondoltam, hogy hozzá is kell érni.
Váltóáram nem megfelelő, ugyanis nem nagyfeszültség kell hanem két felület között elektrosztatikus erő.
Ez váltóárammal nem megoldható, ugyanis nem tudnak felhalmozódni ionok. Ez egy negatív ion generátor. Ez lényegében egy nem mechnaikai Van de Graaf generátor Ott, pozitív töltések keletkeznek, tehát ettől vonz oda mindent, ami negatív töltésű.
Óh, szóval így van ez. Még nem merültem bele, hogy mi a fizikai háttere a "műfű beállásának", de most már minden világos, köszönöm a magyarázatot.
Nem sokszor szoktam itt dicsekedni a műveimmel, de ezt most megmutatom, mert ez még új számomra, ugyanis mostanság kezdtem neki a PIC-ek programozásának tanulásához. Egy PIC-es próbapanelt készítettem ez alapján. Tudom, Topi leírta a cikkében, hogy nagyobb PIC-kel érdemes kezdeni, de én ilyen makacs vagyok, meg úgy meg is tetszett ez.
Szóval a művemről itt látható egy kép. Az említett oldalon van néhány mintaprogram, az ugrótáblásat próbáltam ki, bár még nem nagyon értem a működését. De működik, mert attól függően, hogy melyik bemeneteket kapcsolom, annak függvényében váltogatja a kétszínű LED-ek villogását. Egy rövid kérdést fel szabad zárásként tennem? Az ICSP porton állandóan rajta lehet az égető? Tehát elég, ha visszateszem az égetéskor leszedett jumpereket (eredetileg DIP kapcsolók kellettek volna, de nem tudtam venni 4db-osat), visszakapcsolom a próbapanelre a tápfeszt, és futtathatom is a beégetett progit? Nem lesz baja az égetőnek, vagy a próbapanelen lévő dolgoknak?
Sziasztok.
Csütörtökön nekiálltam a PIC égetőm próbapaneles megépítésének. Pénteken úgy volt, hogy befejezem. Ma kész. Egy kicsit zsúfolt lett s magas Ha szépen fog működni, akkor kap egy nyákot és egy csini kis dobozkát. Kép mellékelve róla, a video pedig itt.Hát, nem semmi szöszmötölés volt összerakni. Ennyi erővel a nyákot is megcsinálhattam volna hozzá.
Hmmm, hogy mik nem vannak... kacsalábon forgó p... PIC égető
Szia!
Nagyon jó lett! Egy kérdésem lenne: Miért ilyen hosszúak a lábai az alkatrészeknek?
Köszi. Mint írtam, ha beválik, kap egy rendes nyákot, s majd ott lesznek "tövig" beültetve.
|
Bejelentkezés
Hirdetés |







Egyébként egy FAT32 library kb. 3kByte lenne, ha csak olvastatni szeretném vele a kártyát. 




