Fórum témák

» Több friss téma
Fórum » Erősítő mindig és mindig
Mielőtt kérdezel, a következő két dolgot ellenőrizd! I. A helyes tápfeszültségek megléte. II. A kimeneten van-e egyenfeszültség. Élesztés.
Lapozás: OK   234 / 2571
(#) krek válasza Kovidivi hozzászólására (») Jan 11, 2009 /
 
oksa kösz szépen
csácsá
(#) Gyurix válasza lapose hozzászólására (») Jan 11, 2009 /
 
Szia ezt találtam ( melléklet) azt írja, hogy +\- 25V-on leadja a 8 ohm-on a 150W-ot akkor szerintem 16,7V-on simán leadja a 100W-ot. Mi a véleményed?

TDA7294b.pdf
    
(#) lapose válasza Gyurix hozzászólására (») Jan 11, 2009 /
 
Nem adja le!
Már annyiszor leírtuk itt a HE-n, hogy hogy kell kiszámolni egy erősítő teljesítményét! Meg kell keresni!
Ez sem ad le többet 70W-nál hídba, mert a hídkapcsolás semmit nem csinál, mint duplájára növeli a tápfeszed!
Szinte teljesen mindegy, ha a feszültséged növeled a duplájára, vagy hidalsz.
De itt mivel a hídkapcsolásnál duplák a veszteségek a két IC miatt, jobban jársz a feszültség kétszerezővel.
(#) szamóca válasza (») Jan 11, 2009 /
 
Igazad van lapose! Keresse meg, legalább tanul vele. :yes:
(#) Gyurix válasza (») Jan 11, 2009 /
 
Igen de ha így kiszámolom 25 Voltal akkor 100W-jön ki ahogy neked 64W. És az adatlap mégis azt írja, hogy +\- 25V-on 150W-ot tud vagy ez csak zenei teljesítmény?
(#) szamóca válasza Gyurix hozzászólására (») Jan 11, 2009 /
 
Akkor számolgasd még, mert úgy van, ahogy írják.
(#) lapose válasza Gyurix hozzászólására (») Jan 11, 2009 /
 
Ha elolvastad volna az előbbi hozzászólásokat, tudnád a választ!
A hidalás duplájára növeli a tápfeszt. Nekem 50V-al(2*25V), 8 ohm-ra 156W jött ki.
Mi a gond?

Szerk.: De sok vendég lett itt hirtelen!
(#) agressiv válasza Gyurix hozzászólására (») Jan 11, 2009 /
 
"Max Teljesítmény 8Ohm +/- 25V 10%torz. 150W"

Így szerepel a doksiban ez. Na már most, érdemes azt is megfigyelni, hogy ebben az esetben a 10% torzítás, gyakorlatilag clip-elés. Tehát a pp. fesz nem nő csupán négyszögjelesedik, és emiatt nő a teljesítmény és ezzel eggyütt ugye az áram mivel a négyszögjelnek jóval nagyobb a kitöltési tényezöje.

Az ilyen irományokkal nem kell foglalkozni, ugyanis ez mind elméleti dolog, amivel szerintem csak arra próbálnak utalni, hogy ez a max túlvezérlés aminél még nem kapcsol le. A négyszögjel sem a hangszórónak, sem a fülünknek nem tesz jót, mert ki hallgat 10%-os torzítással zenét?

Ha valaki esetleg nem tud viszonyítani annak elmondanám, hogy a 0.1%-os torzítást mindenki meghalja, de vannak akiknek már a 0.03%-os torzítás is feltűnő!
(#) ngyzoli válasza lapose hozzászólására (») Jan 11, 2009 /
 
A pontos típusjelzése:JRC 4558 D,de ha a 741minőségi szintjének felel meg valóban,akkor felejtős.Annál még a 709 is jobb volt,kompenzálással...
(#) ngyzoli válasza agressiv hozzászólására (») Jan 11, 2009 /
 
Egy ideje él egy olyan nézet,mely szerint a pufferkondi nem annál jobb,minél nagyobb,inkább úgy mondhatnánk,létezik egy optimális értéke...
Tény:a (táp)feszültséget bizony a trafónak kell tartania,ha az gyenge,farádos kapacitásokkal sem lesz igazán jó,"lengeni" fog a fesz. a dinamikacsúcsok alatt.Ha megnézünk néhány gyári audiofil végfokot,nos,nemigen látni bennük több százezer mikrofaradot- s a hangjuk mégis pazar...
A puffer tkp.csak a szinusz-csúcsok közötti időintervallumokban jut szerephez,a következő"felfutásnál"már inkább a trafóból jön az energia.Nagyobb telj-szinteken(80-100W),persze kell a kondi,ilyenkor szerencsésebb,ha több kisebb értéket használunk,mint egy nagyot.Mindig a "nagyobb trafó-kisebb kondi" irányvonal legyen a mértékadó,mint fordítva.A szekunder legyen minél vastagabb huzalból,ami csak elfér,->törekedni kell a nulla belső ellenállásra.
(#) agressiv válasza ngyzoli hozzászólására (») Jan 11, 2009 /
 
Értem én, de én úgy tudom, hogy a High End cuccokban éppen nagy kapacitások vannak a tiszta táp kedvéért,
Az optimális értékkel egyetértek ezért is írtam, hogy kapcsolásfüggő.

".Nagyobb telj-szinteken(80-100W),persze kell a kondi,ilyenkor szerencsésebb,ha több kisebb értéket használunk,mint egy nagyot.Mindig a "nagyobb trafó-kisebb kondi" irányvonal legyen a mértékadó,mint fordítva.A szekunder legyen minél vastagabb huzalból,ami csak elfér,->törekedni kell a nulla belső ellenállásra"

Ezzel egyetértek, de az illető ha jól emlékszem 2x150W-nyi teljesítményre akart 2x10000-et ami szerintem ilyen teljesítménynél egy picit kevés. Nekem 2x80W-ra van 4x10000µF
(#) ngyzoli válasza agressiv hozzászólására (») Jan 11, 2009 /
 
Nemcsak a torzítás abszolút mértéke,hanem-sőt inkább-annak jellege a döntő.A csöves elektronikák ezen jellemzőjét igen nehéz 1% alá küzdeni,mégsem hallja senki torznak ezeket.Az sem mindegy,h THD-ról beszélünk-e(total harmonic distortion),vagyis harmonikus,avagy intermodulációs jellegű a torzítás.Utóbbi a kellemetlenebb.A harmonikust kb.1%-nál lehet észrevenni,s 3% az elviselhetőség határa.Az IM-et 0.3% körül észleljük,s 1%-ig"szalonképes".A 0.1%-ot senki nem hallja meg,ill.azt már nem torzításként érzékeljük.
(#) agressiv válasza ngyzoli hozzászólására (») Jan 11, 2009 /
 
Én most konkrétan THD-ról beszéltem. A 0.1%-os torzítás észlelése egy hivatalos érték ( tisztában vagyok a csöves erősítők tolajdonságaival, de most maradjunk a tranzisztorosnál)
Én konkrétan észrevettem a 0.05%-os torzítást is amit rosszul méretezett ellenállások okoztak a műveleti erősítőknél. Akkor én azt hittem, hogy sokkal nagyobb torzításról van szó, csak utólag derült ki egy mérés során a pontos érték!

"Nemcsak a torzítás abszolút mértéke,hanem-sőt inkább-annak jellege a döntő."


Ahogy egy jóöreg szaki mondta, "egy erősítő hangját nem lehet mérni, azt hallani kell!"
(#) ngyzoli válasza agressiv hozzászólására (») Jan 11, 2009 /
 
Szerintem az általános felhasználású végfok ic-k nagyobb része többet torzít THD-ban,mint 0.1%.Ezzel a technológiával ennyit lehet,bár az újabb típusok adatait nem követem annyira...
Utolsó mondatod tökéletesen igaz.Végső soron a szubjektivitás dönt. :yes:
(#) agressiv válasza ngyzoli hozzászólására (») Jan 11, 2009 /
 
"Szerintem az általános felhasználású végfok ic-k nagyobb része többet torzít THD-ban,mint 0.1%.Ezzel a technológiával ennyit lehet,bár az újabb típusok adatait nem követem annyira..."

És az az érdekes, hogy igazából az adataik nem rosszak. Konkrétan egy TDA1558Q IC-t mértem a torzítása (THD) pár watton 0.02% alatt volt a frekvenciamenetével sem volt gond felment 20KHz fölé -3dB-es tűréssel, pedig még az adatlapja is 15KHz-et írt ha jól emlékszem. De a hangja valami förtelmes volt. egy ilyen IC sosem produkál olyan hangot mint egy jó Tranzisztoros erősítő. :no:
(#) Imi65 válasza agressiv hozzászólására (») Jan 11, 2009 /
 
Erre csak azt lehet mondani, amit már többször is leírtunk itt: Egy félvezetős erősítő THD-je nem mérvadó a hallható hangminőség szempontjából.
(#) agressiv válasza Imi65 hozzászólására (») Jan 11, 2009 /
 
Ez így ebben a formában nemigaz! Ha egy erősítőnek alacsony a torzítása még lehet rossz hangja. Viszont azt vitatom, hogy jó hangja lenne egy olyan erősítőnek aminek relative nagy a torzítása legyen az harmonikus, vagy intermodulációs torzítás!
(#) Gyurix hozzászólása Jan 11, 2009 /
 
Teheát akkor ha 20V-ot adok neki akkor 20Vx20/16x4 így 100W-jön ki. vagy 16-al kel szorozni a 20V-ot?
(#) Imi65 válasza agressiv hozzászólására (») Jan 11, 2009 /
 
Ezzel egyetértek. Én arra válaszoltam, amit az IC-s végfokról írtál (kicsi torzítás, gyenge hangminőség). Ha mérve is rossz, akkor már nincs miről beszélni.
(#) PetAd hozzászólása Jan 11, 2009 /
 
Hello
Építettem egy TDA2003-as erősítőt amit pc-re kötöttem. Hány KΩ-os poti kell hangerőszabályzónak?
(#) agressiv válasza PetAd hozzászólására (») Jan 11, 2009 /
 
Általában 47K-s potit szoktak használni, de 10-től egészen 100K-ig válogathatsz kedved szerint.
(#) Gyurix hozzászólása Jan 11, 2009 /
 
Sziasztok! eldöntöttem, hogy tranzisztoros erősítőt szeretnék építeni olyan kapcsolásokat keresek ami 100W-os vagy annál több.Köszi!
(#) hapro válasza Gyurix hozzászólására (») Jan 11, 2009 /
 
tök jó, akkor keressél rá, hogy 100W erősítő. Utánna válogass
(#) Bassmester hozzászólása Jan 11, 2009 /
 
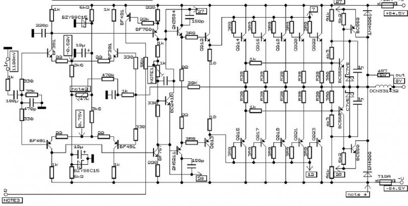
Dynacord PAA 990-es kapcsolást csinált már valaki?
Eredetibe nagyon király ez a végfok, de kiváncsi lennék hogy milyen eredménnyel lehetne megépíteni.

PAA 990.jpg
    
(#) budai viktor hozzászólása Jan 11, 2009 /
 
Hello all van egy nordmede hifi erősítőm kimentek benne a tarnyok én meg kicseréltem őket és most nem működik de meg van a gond csak nem tom megcsinálni szal a régi tranyok 2db bdw93c és 2db bdw94c én meg mind a 4 helyére hülye bdw94c-t raktam és most nem műkszik a lapon annyit olvasok hogy TR69 és TR73 a másik kettő TL29 és TL33 akko most melyik a bdw93c helye vaki segítsen köszi
(#) hapro válasza budai viktor hozzászólására (») Jan 11, 2009 /
 
Talán nézd meg a másik oldalon hogy vannak benne a végtranyók. És az alapján építsd át/újra a rossz oldalt.
(#) budai viktor válasza hapro hozzászólására (») Jan 11, 2009 /
 
Mit nézzek meg a másik oldalon?
(#) Tomy27 válasza budai viktor hozzászólására (») Jan 11, 2009 /
 
Figyi ide!Remélem van műszered mert arra szükséged lesz.Szóval vedd ki mind a négy tranyót, ha még nem tetted meg.Aztán mérd ki egyesivel a tranzisztor(ok)-nak helyén a középső pontot a test-hez képest.Amelyiknél a testhez képest a + feszültséget méred oda tedd be a BDW93C-st ahol a - oda meg a BDW94C-t.Feltételezve hogy nem tett tönkre mást a panelben.Ha valamit nem értessz írj és segítek.
(#) fulop lajos válasza ngyzoli hozzászólására (») Jan 11, 2009 /
 
OP 275 GP Tuti jó. 1100 Ft/db
Üdv! Lajos
(#) fulop lajos válasza krek hozzászólására (») Jan 11, 2009 /
 
Mekkora lenne a kimenő fesz?
Üdv! Lajos
Következő: »»   234 / 2571
Bejelentkezés

Belépés

Hirdetés
XDT.hu
Az oldalon sütiket használunk a helyes működéshez. Bővebb információt az adatvédelmi szabályzatban olvashatsz. Megértettem