Fórum témák
» Több friss téma |
Fórum » Kapcsolási rajzot keresek
Témaindító: Kallai Csaba, idő: Márc 11, 2006
Témakörök:
Sziasztok!
Keresném egy Sanyo cem 6011 pv TV kapcsolási rajzát. Előre is köszönöm! Üdv!
Sziasztok!
A lustaság lomhaság... Valakinek van kedve visszarajzolni egy vakus-s kapcsolást? Letöltés Ui.: A linket javítottam! Köszönöm.
Üdv!
Van néhány régebbi hobbyelektronikából ismert az Urbán elektronika által kiadott nyák lemezem, ezekhez keresek beültetési rajzot, alkatrész listát, valami dokumentációt, remélem annak idején megépítette közületek valaki ezeket. A panelek: Multisziréna Időzítő 7 dekádos frekvenciamérő Segítségeteket előre is köszönöm. dulajos.
Nincs ráírva a panelekre, hogy melyik számban jelent meg?
Szia! A frekvenciamérő az, amit PIC 1xC711-gyel építettek meg? Ha, nekem annak a programjára lenne szükségem, mert nem tudtam elkérni, máshonnan sem tudtam letölteni. :no:
Sziasztok
Segítséget szeretnék kérni abba hogy, hogy tudok ütem érzékelőt csinálni a kocsiba ami neonokat villogtatna . Előre is köszi és ha lehet valami nagyon egyszerű formába mert nem nagyon értek az elektronikához Még egyszer köszi
szia mihez akarsz ütem tervet késziteni?
szia
Hát most van a kocsimba két neon és azt szeretném hogy a zene ütemére villogjon
Üdv mindenkinek!
Volna egy Yamaha A-560. Mikor nagyon felhúztam állt meg, vagy ha felmelegedett akkor is, végül szétment a végfok. Kapcsolási rajzot keresek. Tudnátok segíteni? Előre is köszi
Üdv mindenkinek!
Van műszaki rajzból házim és nem tudom megoldani! a, kisteljesítményű jelfogó két záró és egy bontó érintkezőt tartalmazó érintkezőkötege B, kisteljesítményű jelfogó két váltóérintkezőt tartalmazó érintkezőkötege C, kisteljesítményű jelfogó egy azonnal bontó és záró, valamint egy késleltetve záró érintkezőkből álló érintkezőkötege D, kézi működtetésű, nagyteljesítményű, háromfázisú kapcsoló E, Háromfázisú csillag-delta átkapcsoló F, aszinkron forgásirányváltó kapcsolása reteszeléssel G, egyenáramú motor forgásirányváltó kapcsolása reteszeléssel H, meghúzás-késleltetéses jelfogókkal felépített négyszögjel-generátor A segítségetek előre is köszönöm!
Sziasztok!
JVC XL-V142 Compack dick player-hez szeretnék egy service doksit de sehol nem akadok rá sajnos. Vagy ha valakinek van egy ilyen készüléke az megmondhatná nekem hogy milyen típusú Quartz van a DD-CONVERTER ic mellett. mert nekem az hiányzik belőle
Sziasztok!
Nincs ráírva, hogy mikor jelent meg, csak a neve, és az hogy: HOBBY E, legalábbis erre emlékszem, de ha hazamegyek megnézem megint. És az is biztos, hogy anno Urbán elektronikától lehetett rendelni, azóta papírok elkallódtak, alkatrészeket felhasznátam, és most került elő ez a pár panel. A PIC-es frekvenciamérőről van szó, legalábbis a panelen van neki hely, a program nekem sincs meg, szóval még erre is szükségem van nekem is.
Szia, az frekimérő kapcsolási rajza és a beültetési rajz megvan. A pic tartalma nekem sincs meg, ha kell a rajz akkor a héten felteszem.
Akkor szupi, mert régebben megterveztem a panelt, amit azóta el is vesztettem egy formázással.
De az legyen a legkevesebb, azt lenne jó tudni, honnan lehetne megszerezni hozzá a progit...
Szia!
Nagyon megköszönném, ezzel is előbbre lennék, szerintem más is, nekem jöhet a lajos.dudas@freemail.hu-ra is, Mégegyszer köszi.
Sziasztok! Régebben volt egy késleltetős kérdésem, Tomi20 adott egy lehetséges megoldást. A részlet vicsys "Subláda" című cikkéből származik. A kérdésem a következő: egy 30kHz-es négyszögjelet lehetne-e ezzel késleltetni, de úgy, hogy 360 fokig, lehet állítani?!
Sziasztok!van e rádió vevő rajz-leírás a 430-470Mhz-ra pmr sávra aszem az enyin megy.előre is kössz.
Itt van, sok sikert hozzá, ha kérdés van csak bátran.
Fain, ugyanezt a kapcsolást közölték le egy másik PIC-kel... De az rádiótechnikában volt néhány éve.
Sziasztok!Nekem egy Technics SA-R330 rádióerősítő rajza kéne ha valakinek megvan!Köszönöm!
Szia!
Nagyon szépen köszönöm! Már csak a progit kell megszereznem valahonnan.
Hello!
A válaszom nem. Elárulnád mi célból kell a 30kHz-et késleltetni? És mekkora szögtartományokban szeretnéd. Mert egész egyszerű megoldást nem igazán tudtam kitalálni, és az sem volt képes a 0..360fok teljes tartományában késleltetni. De erős a gyanúm, hogy nincs is rá szükség. üdv! proli007
Nem akartam sokat írni a felhasználásról, de ezek szerint muszáj lesz. Lesz egy kapcsolóüzemű tápegység, illetve egy szabályzó. Szeretném azonos frekiről járatni mindkettőt, így szerintem alapból kevesebb lenne a kimeneti zajtartalom, illetve szeretném kipróbálni, hogy lehet-e az általam kívánt áramkörrel tovább csökkenteni a zajt.
Sziasztok!
Keresek kapcsolási rajzot a Híradástechnika Szövetkezet által gyártott TR-0872/R005 típusú VHF csatornamodulátorhoz ill. használati utasítást, valamint ennek a tápegységéhez kapcsolási rajzot. Annak a típusa: TR9185/BT-005. Ez utóbbi lenne a legfontosabb. Ha valaki tud valamit, legyen szíves jelezze! A netet már végigtúrtam, sajsos eredmény nélkül. Köszönöm! Itt egy kép, hogy felismerhetőbb legyen.
Heló
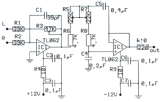
Egy kapcsolási rajzot keresnék: +-38Volt egyenfeszültségből valami zénerdiódás stabilizálással szeretnék +-12 Voltot csinálni! Köszönöm a segítséget heló
hát egy erősítőbe lesz 1 hangváltó a mellékelt! és az amit fogyaszt, fogalmam sincs mennyit!
|
Bejelentkezés
Hirdetés |




Még egyszer köszi
mert nekem az hiányzik belőle
De az legyen a legkevesebb, azt lenne jó tudni, honnan lehetne megszerezni hozzá a progit...




