Fórum témák
» Több friss téma |
Mielőtt kérdezel, a következő két dolgot ellenőrizd!
I. A helyes tápfeszültségek megléte.
II. A kimeneten van-e egyenfeszültség.
:eek2: :eek2:
Amúgy pont ma kaptam reggelre egy válasz e-mailt egyik haveromtól,aki a fősulin pont ezt vetette fel ![]() ott nem tudják ![]() De ez egy nagyon jó variáció,amit mondtál
Sziasztok! Van egy stk4050V-vel felépített gyári végfokom (Hantor LA-1500M). Tegnap egy elég érdekes dolgot művelt. Bekapcsoltam, behúzott a védelem reléje ahogy szokott, aztán egy nagy durranás a hangfal felől, a végfokból pedig felszállt az üzemi füst. A relé érintkezője szétégett. Szerencsére a hangfalnak semmi baja nem lett, azonban az stk meghalt. Ezután lekötöttem a hangfalakat, belemértem a végfokba, és ott ül a relé érintkezőin a 82V. Az lenne a kérdésem, hogy ezt vajon miért produkálta? Az adatlap szerint az ic javasolt feszültsége 66V, ehelyett 82Vot kap (igaz, hogy 95V a maximum, de nekem ez így akkorse tetszik..) . Gondolom már az stk végfok icket is hamisítják.. szerintetek melyik cégtől érdemes rendelni eredeti példányt?
Idézet: „Az lenne a kérdésem, hogy ezt vajon miért produkálta?” Szia! Nézd körbe a kimeneti körét. Védelem csatlakozó, vezeték, hangdoboz, stb-t. Azt nem írtad hogy mind a két végfok vagy csak az egyik szált-e el? (Esetleg ez mono vég?Csak mert nem ismerem.) Ha a terhelő impedancia alacsony, akkor szokott ilyet produkálni az stk. De volt már rá példa, hogy csak úgy, látszólag minden különösebb indok nélkül elszállt, mint jelen esetedben. És ez nem csak nálam fordult elő. Idézet: „szerintetek melyik cégtől érdemes rendelni eredeti példányt? ” Na ez nagyon nehéz kérdés. Sajnos a külső jegyek alapján sem lehet semmi különöset felfedezni. Az eredeti is ugyanolyan puritán külsővel bír mint a fake. Az viszont érdekes hogy némelyiknek a hátsó hűtőfelületén van egy számsor. Csak nem tudom hogy ez vajon melyik IC sajátja, vagy egyáltalán van-e ennek jelentősége.
Köszi a választ, átnéztem az ic körül mindent, nincs semmi hiba. Viszont az elkókat kifogom cserélni, biztos ami biztos alapon, azért ez mégse egy 21. századi erősítő, biztos vesztettek már valamit a névleges kapacitásukból. A másik oldal most megúszta, azt az előző tulajnak sikerült tönkrevágnia 4ohmos hangfallal. Én természetesen 8ohmossal terheltem (Oiron HS500). Látom a "hamis, nem hamis" kérdés nem egyszerű, úgyhogy rendelek 3-4darabot belőle. Még azon gondolkodok, hogy a tápfeszt áganként lejebb viszem mondjuk 10Val, soros diódákkal, vagy 1 darab zennerrel, külön-külön áganként. A trafó sajnos nem bontható, elég masszív darab, jól összerakták annó
Idézet: „Még azon gondolkodok, hogy a tápfeszt áganként lejebb viszem mondjuk 10Val, soros diódákkal, vagy 1 darab zennerrel, külön-külön áganként” Hűha! Ez felettébb fura elgondolás. A soros "kényszer"diódázás nem túl jó megoldás (2X 16db!! pláne a zénerezés) főleg ilyen teljesítményű végfoknál. A tiszta megoldás mindenképp, a (sajnálatosan) mindenki által utált szekunder áttekercselés.
Sziasztok,
Van egy AIWA hifim, és van benne egy STK490-110-es a mélyre, illetve egy STK490-040s a középmagasra... Na mármost a probléma az, hogy egyszer az egyik oldalon a mély elszállt, mert max hangerőnél ki lett szaggatva belőle a füles (öcsém vigyázott rá) szal asszem cserélni kellene, de (eddig) nem találtam ilyet itthon, sőt még datasheet-et sem, sehol...Van valakinek valami tippje, hogy hol tudok itthon egy ilyen IC-t szerezni, vagy hogy mivel lehet helyettesíteni ? előre is nagyon köszi
Sziasztok! Nekem Onkyo TX-7340 STK4913-mal 27-28V jön ki a jobb felén, a bal felén 9.8V jön ki. Mi lehet a baja? Full hangerőn csak a jobb oldalon jön hang nagy súgással.
Az STK-nak annyi. Gyorsan kapcsold ki, nehogy a hangdobozok is lefüstöljenek!
Ha lecserélem, akkor jó lesz? Nem megy szét az új is?HQvideónál mennyi a szállítási díj?
Ezt így nem lehet kijelenteni, de nagy a valószínűsége. 1800Ft körül, de a 2009-es díjakat nem tudom.
Ezt teljesen nem értem. Valószínű, hogy tönkremegy az új is, vagy valószínű, hogy jó lesz vele?
Nekem Győrben lenne a legjobb, lakik ott 1-2 rokon, ha megyünk, akkor tudnák venni(Nem kéne postaköltséget fizetni).
Valamilyen okból tönkrement. Tehát ha rövidre zártad a kimenetet, vagy más ilyen jellegű dolog miatt ment tönkre, akkor a csere a megoldás. De ha csak álltó helyzetbe ment tönkre, akkor lehet még más hiba is. Ráadásul ha a kimeneten DC van, akkor nincs semmilyen hsz.védőköre, vagy hibás az is.
DC van. Nem látok azon a panelen más ic-t, amelyiken van az STK, szóval szerintem nincs védőköre.
A minap hozzám került egy STK 490-140 számú IC már kerestem rá rajzot de eddig nem találtam. Ha valaki tudna rá egy jó rajzot és el is küldené, azt nagyon megköszönném. Ide küldheted: **************.hu
Előre is köszi! Szabee
Sziasztok!
Segítséget szeretnék kérni tőletek egy IC azonosításában. Amit tudok róla : viszonylag kevés és egyszer alapalkatrészek+IC. Ebből készen van egy 2 csatornás erősítő,potméteres hangerőszabályzással. Az IC STKra emlékeztet de sajnos foggalma sincs hogy hányas számú.Szóval biztos hogy sztereo...15 lába van. A transzformátor mérete a képen saccolható,a 24 Vos leágazásra volt kötve. Nemtudom hogy esetleg ebből tudnátok-e segíteni a beazonosításban,szeretném újraépíteni egy nyákra rendes tápellátással dobozban. Amolyan felújítás...köszönöm szépen előre is Üdv Kicsa
Szia!
Rajzold vissza a nyák alapján, és akkor nagy valószínűséggel legalább a családtípust meg lehet találni!
Szia!
Megpróbáltam a visszarajzolást,megmondom őszintén ez nagyon nem az erősségem. Nagyjából sikerült,remélem használható lett. Annyi kiderült még hogy a potméret az csak a bemenő jelet osztotta 'hangerőszabályzás' gyanánt...Illetve hogy itt is 2 diódás egyenirányítással lett előállítva a táp egy secunder tekercsről. A kondik mellet ahol idézőjelben van az érték,ott ez volt ráírva,sajnos most nem találtam a táblázatot amiben le vannak írva hogy mi micsoda. Előre is köszönöm szépen a segítséget.
Szia!
Sajnos nem találtam hasonlót egyenlőre. Pedig sokat átnéztem. Egyáltalán nem találtam olyat ami az 1,2-es lábán kapná a negatív tápfeszt. Azért még nézelődök, vagy hátha valakinek beugrik valami!
Szia!
Hát igen,furcsállom én is sajnos..én a HQ Videot böngésztem át először,ott a képek alapján és lábszám alapján ami stimmelhet,azt nézegettem de én sem találtam ilyet egyáltalán.A hátulján (letörölve a pasztát) találtam egy számsort de sajnos a gugli sem tud vele mit kezdeni. C496090B1H0 Ez áll rajta,hátha neked ez mond valamit. Nagyon szépen köszönöm az eddigi fáradozásodat! Üdv Kicsa szerk : a kapcsolási rajz nem 100 % hogy ilyen,de nagyon hasonló. Én mostmár rámegyek erre hogy 1-2 - tápfeszültség,3 + tápfeszültség,15 GND. Hátha...
Ohhh azthiszem közel járok...avagy meg is van?
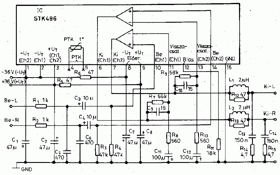
STK 496. Érdekes mert normális letölthető adatlapot nem lelek sehol sem,viszont itt a HE-n is van topicja. Engem az zavar hogy a rajzon van 2 tekercs is,nálam ilyen nincs beépítve de ahogy látom elhagyható. A kapcsolási rajz nagyjából stimmel,úgyérzem,bár még alaposabban megvizsgálom. Topicja 2*50W stimel,kinézetre is,ez alapján a lista alapján pedig nagyjából az értékek is. Tekercs itt sincs de kezd nem zavarni... AlkatrészlistaÚgyérzem megvan a kicsike de azért örülnék hogyha te is vetnél rá egy pillantást! köszi szépen Üdv Kicsa
Szia!
Valószínű! Lehet, hogy ez az Urbános kitt utánépítése?
Szia!
A tekercseket leszámítva szerintem ez lesz az ! Ha jól látom akkor a nyákot vasaláshoz tükrözni kell? Meg ez csak 'sima' STK 496 avagy valami szám is van utána? Ezt hogy lehetne megtudni? Vagy a kapcsolás szempontjából mindegy hogy pontosan milyen IC? Üdv Kicsa
Szia!
Idézet: „Vagy a kapcsolás szempontjából mindegy hogy pontosan milyen IC” Általában igen, csak az IC határadatai változnak a típus függvényében! Szerk.: A Hobby Elektronika 2002.12. számában van róla egy cikk!
Szia!
Értem,köszönöm szépen! Esetleg még egy olyan kérdéssel fordulhatok hozzád,ha módodban áll,megkérhetlek hogy elérhetővé teszed számomra azt a néhány oldalt? Sajnos nincs meg nekem ez az újság,régen volt online .djvu gyűjtemény,de ahogy nézem,minden link halott. Előre is köszönöm szépen! Üdv Kicsa!
Próbálok egy kis segítséget adni azoknak, akik az STK hibridekkel foglalkoznak, építés, beazonosítás téren.
Sziasztok.
STK4050-es szériáról lenne kérdésem. Tavaly már elkezdtem csinálni egy ilyen erősítőt mert a főnököm adott két STK4044IX-ot és mivel a munkahelyemen tudok lézerrel nyákot csinálni ezért belevágtam. Volt régről egy nagy trafóm amit még középsuliba tekercseltettem +-58V a 4044nek aszem max 73V-ot adnak meg ezért jónak láttam. A gyári kapcsolását csináltam meg. Na amikor elsőnek rányomtam egy hangfalat infut nélkül szépen halkan sistergett alapzajon asztán kb 2perc múlva rányomta a kimenetre a bejövő DC-t.(nyekk neki) namost a másik fele az fél órát bírt és megölte az ART AUDIO hangfalamat is !Na most ismét nekiálltam de most már szereztem be STK4050-es IC-t 2x és előkerestem a Rádiótechnikában lévő STK kapcsolást.Megcsináltam. Csináltam hozzá hangfalvédelmet mert nem szerettem volna ismét halált okozni. Na épp ma üzemeltem be.Sajnálatomra hasonó jelenségbe ütköztem az egyik fele bemeneti jel nélkül 2perc múlva kinyiffant és a kimenetre rányomta a DC-t(pedig beindult mert szép halk alap súgása megvolt).Na épp most nyúzom a másik felét és az már kb 1órája tökéletesen működik. Nos valamiféle segítséget kérnék, hogy mi lehet a baj szerintetek esetleg a mostanában híresztelt gyenge, hamisított STK IC lehet a hibás. Mellékelek azért a cuccról egy két képet. Még félkész a cucc.
Na senki?
Most találtam rá az olcsó stk-k gyártójának weboldalára. http://www.pmccomponents.com/data/pmc_ic_2.htm Azt írja, hogy az STK4050 II 4-8ohm és a STK4050 V 8ohm Na persze semmilyen adatlapot nem szolgáltat mellé. Nem tudom.
A dataset.com-on fent van szinte az összes stk adatlapja. Az eredeti STK-at a Sanyo gyártja.
Sziasztok !!!!!!!!!!!!!!!!!
Elég kezdő vaok a témában mert még soha nem javítottam erősítőt de most hozzájutottam egyhez 1 kis cserével 1 rádiós erősítő Technics 2x45W-os a hangszóró kimeneteinél 70-80V közötti feszültséget mértünk ez ugye végfok hiba remélem a panelen ilyenkor semmi nemszokott sérülni Stk végfok kel bele legalább 8eFt-t akartak elkérni a javításáért a sráctól és azt szeretném kérdezni hogyha a végfokot kiforasztanám és beszerelném az ujat akkor jólenne valyon? Megvki tudna megadni 1 címet ahonnan jóárba tudnék végfokot rendelni!!! A válaszokat előre is Köszönöm a többit majd rendelés előtt tenném fel! Hallo!!!!!!!!!!!!!!!!!!!!!! |
Bejelentkezés
Hirdetés |






de (eddig) nem találtam ilyet itthon, sőt még datasheet-et sem, sehol...




Nagyjából sikerült,remélem használható lett. Annyi kiderült még hogy a potméret az csak a bemenő jelet osztotta 'hangerőszabályzás' gyanánt...Illetve hogy itt is 2 diódás egyenirányítással lett előállítva a táp egy secunder tekercsről. A kondik mellet ahol idézőjelben van az érték,ott ez volt ráírva,sajnos most nem találtam a táblázatot amiben le vannak írva hogy mi micsoda. 











