Fórum témák
» Több friss téma |
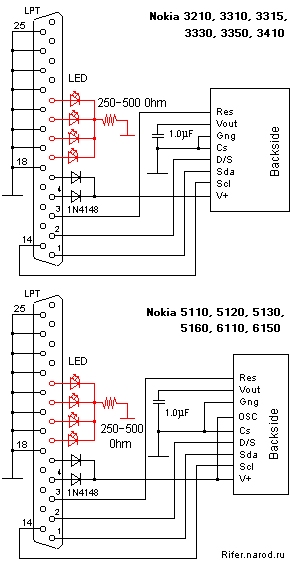
A rajz, a rajzon szereplő LCD-khez jó.
A piros rész a háttérvilágításhoz kell... ha kell.
Ez fontos info volt köszönöm.
A ledek mögött az ellenállás gondolom a fényeröt szabályozza.?
Inkább védi őket a túlhajtástól
Itt ki tudod számolni a minimum értéket
Helló! Olyan kérdésem lenne, hogy egy 19 tűs sima burkolatnélküli lcd-vel is meglehet oldani a dolgokat és ha igen hogy?
Köszi!
Szoval elészültem: az lpt-nél a két diodat 1n4007 re cseréltem ez volt kéznél reméllem nem lessz gáz..
restart és tesztelem csak áttállitom az lptmet..
AZ lcdhyipe nem látja a saját könyvtárában a meghajtokat HELP ME!!!
Megépitettem a cuccot de az lsdhype nem látja a drivert ami a nokiához van. Probáltam csak a nokiáét a könyvtárban hagyni de nem látta akkor sem.mit tegyek?? SEGItség!!
Instalald fel a port drajvert!
http://lcdhype.condense.de/index.php?showtopic=68
KÖSZÖNÖK MINDENT A FORUMTAGOKNAK.
SIKERÜT TESZEK FEL KÉPET A MÜKÖDÖ CUCCROL. TISZTELET NEKTEK :worship: :worship: :worship: :worship:
Itt vannak a képek. Már csak utánna kell tanulnom hogy tudom azt kiirni amit én szeretnék.
Sajna nem hasollit a BASICra. Aztán jöhet 1 nagyobb melo.
Na a következö megint lcd,megintnotibol.
Toppoly TD141TGBC1 14pin de ebböl sok a közös4 közöstehát 10 ér marad ha googleba beirom akkor azt irja hogy ennyiért vehetek. ezt is csak olyan bonyolutan tudom medhajtani mint az elözöt? vagy van rá valami megoldás? Valami olcso panel amit tudok használni hozzá . Szabad portjaim amire használnám. usb,com,lpt csak nemondjátok hogy nem fog mrnni lécci
Hello
Szórakozok most az LCD Smartie 5.4el,de mivel még nincs rendes LDC-m (folyamatban van ) ezért még csak a progi virtuális kijelzőjét tudom használni.Kérdésem az lenne,hogy hogyan tudnám megoldani a VU metert?Nemigazán akarja mutatni
Sziasztok!
Én egy samsung VP-D20-as típusu kamerának az LCD-jét a sz.gépre kötni Az lcd panelról itt egy shema Bővebben: Link Előre is köszi
Az szépen sikerült egy mondat lett
Kis segitség. [http://lcdsmartie.sourceforge.net/smartied.htm]
köszi szépen
sziasztok forumtagok öszeraktam egy lcd-t t6963
vezérlöve ésnem eggyértelmü mit csináljak a reset lábal 5V van ráirvaa lapra akkor hova kössem?? HELP ME. Még ma ki szeretném probálni jo -e
A még ma az most elég tág fogalom
![]() Valaki építette már meg az lcd2usb-t?Bővebben: LinkÉn már mindent megrendeltem hozzá... a nyákrajzot is átterveztem 1 kicsit és remélem,hogy nem átverés.
épp a mirotol jövök már megmalegitettem a kávém és most keresem hogy hol kurtam el a dolgot..
:bummafejbe: :shocking: :guluszem1:
Lpt-n keresztül vezéreled(néd)?
nem tudom ez mit tud de AZ lcd smartie progivak konkrétam ezt simán megoldod mert ezt a karakteres témát simán tudja és emberi nyelven programozhato..
LPT-n szeretném de meg sem mukkan. pedig még 1 ellenállást sem kell beletenni elvileg
LCD Pin -> LPT
/HALT -> Not Connected /RESET -> 5 volt Data0 -> 2 Data1 -> 3 Data2 -> 4 Data3 -> 5 Data4 -> 6 Data5 -> 7 Data6 -> 8 Data7 -> 9 Original Wiring: LCD Pin -> LPT /WR Data Write -> 1 /RD Data Read -> 17 or 5 volt /CE Chip Enable -> 14 C/D -> 16 Tweakers.net Wiring: LCD Pin -> LPT /WR -> 16 /RD -> 14 or 5 volt /CE -> 1 C/D -> 17 most meiket csináljam és a fölos lábakkal mit csináljak ÁÁÁÁÁÁÁÁÁÁÁÁÁÁÁÁÁÁÁÁÁÁÁÁÁÁÁÁÁÁÁÁ
Én még kezdő vagyok ebben az lcd témáben és épp ezért itt az ideje belekezdeni
A nyáron vettem a ballagási pénzből új gépet... hát nem volt a legdrágább meg kell hagyni,de az a lényeg,hogy ASUS m2n SLI Deluxe alaplapom van és azon már nincs lpt-t és nekem azért is tetszik az usb-s megoldás mert ott nem kell külön kábel a tápfesznek.
Valaki meg tudná mondani,hogy miért kell mindig újra inditani a winampban az lcd_smarties-es plugint?Eddig ment minden féle késztetés nélkül.
Látom vannak olyan kollégák akik velem együtt virrasztanak.
Hali.
Már nem sokáig ...Akármilyen éjjeli bagoly is vagyok,de nekem holnap suli
|
Bejelentkezés
Hirdetés |









) ezért még csak a progi virtuális kijelzőjét tudom használni.Kérdésem az lenne,hogy hogyan tudnám megoldani a VU metert?Nemigazán akarja mutatni





