Fórum témák
» Több friss téma |
tegyél fel róla képet!
hány pinje van ?
14 pin háttérvilágítás nélküli.2*7es pin kiosztás 3 vezérlü ic toshiba T7934 0000 9942HCL 271154 (japan
)
még 1 kérdés...
melyik icből mennek a pinekhez a vezető sávok? ![]() T7934 0000 elvileg ez kapja, de nem értem akkor mi a probléma???
ott az adatlap, melyik láb mi és itt lpt-to-lcd.jpg ez ezeket kell össze hozni...
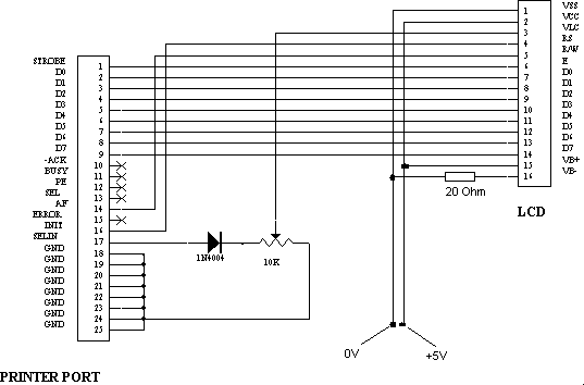
Azt szeretném megtudni hogy LPT porta hogyan lehetne megcsinálni.Mert ami itt van ezen az oldalon az nem negyon értem.Nincs meg valakinek ez a kapcsolás?/internews.hu/
Mert azon a honlapon azon egy csomó helyr még be kell kötni a + és a -.tÉs azt nem igazán érttem mert ott Input voltage for LCD - V0 Föld na ez melyik lehet? a láb neve az lcd-n?Köszi!
makacska
olvasgassad amit írtam... még 1* nem írom le!..esetleg nem jönnélrá: Vigyél bele több logikát! lcd-n: Input voltage for LCD - V0 "bemenő fesz az lcd részére", ha már 1ik lábon kap 5V-ot akkor annak van 1 földje is.. v0 = vss = föld lpt-n: Föld logika
oké kösz
ÉS bocs ![]() Ja és volt ott egy dióda! oda jó a 1n4148? nem? vagyis a képeken jó volt.Vagy az is fölösleges?
olvasd el az írást ott az oldalon és megtudod, hogy miért van ott a dióda..
nem csak a képeket kell megnézni...
Sziasztok!
Csinéltam Pc-re egy 2*24es LCD kijelzőt párhuzamos pórtra és nem akar müködni pedig jól van összekötve. De már 3 programot kipróbáltam.De egyszer volt hogy beadta a kurzort aztán ennyi.Nem tudna nekem valaki segíteni?
Ha már beadta a kurzurt akkor alighanem jó, csak az időzítéssel vannak gondok... egyik programba se lehet időzítést állítani ? (szünet két parancs között) Ha lehet akkor vedd valami irdatlan nagyra, (pl. 1 másodperc) és nézzd meg mit csinál, ha így megy akkor széppen csökkentsd ezt az időt amíg nem lesz pont jó. Másik megoldás, hogy megkeresed az adatlapon milyen gyorsan tud műkxeni az LCD és ahoz próbálod meg belőni az időt... de ez így bonyolultabb....
Üdv, mégvalami, ha ez sokáig nem megy inkább nyiss neki egy új témát...
amugy az io.dll vagy micsoda ami kezeli az lpt xp-n az fent van?? nem az a baj??
üdv
FEnn van mert amikor az LCD centert próbáltam akkor 1.ször kiírta aztán felrrkatam az a ..95.. valami vezérlőt. aztn meg nem írta ki.De adok egy linket most ezt csináltam: LCD ja és amúgy itt ami van kapcs azok közül az 1Kohom os csináltam Na tuds valamit tanácsolni?
nem, nem arra gondoltam!
erre: [link=http://geekhideout.com/iodll.shtml]http://geekhideout.com/iodll.shtml[/link] mert: Idézet: „Igazatok volt:yes: az XP csak ezen a DLL modulon keresztül hajlamos az LPT portot lekezelni. ”lásd itt üdv
Oké! Köszi!
De amúgy ha le van töltve akkor hova kell beraknom? Bocs de nem nagyon vagyok otthon az angolban.
szerintem a wíndóz mappa/ szisztem32-be kell másolni
Na a kurzol meg van de nem akart öbbet.
![]() Kösz
Heló!
Letettem a háttér világítás szoftveres kapcsolgatásárol, mert úgy látom nem tud benne segíteni senki. Most egy másik problémám adódott. A csatolt file-ba van egy video, és nem tudom, hogy ezt miért csinálja a kijelző. amit ki kellene írnia: LE/Feltöltes Feltöltesi sebesseg: Letöltesi sebesseg: Processzorhasznalat: És az az egészben a vicc, hogy csak a JaLCD csinája, és csak azóta, hogy bedobozoltam, és vezetéket cseréltem. A Smartie 5.0 az tökéletesen működik, de én a JaLCD-t szeretném használni, mert az sokkal többet tud. Remélem tud valaki segíteni.
Sziasztok!
Kaptam 2x24 karakteres LCDt. a Típus száma RCM2029 és egy Toshiba T7934-es vezérlő van rajta. Ez is HD44780 kompatbilis? sajnos én nem találtam róla semmi éertelmes információt a hivatalos datasheeten kívül, de azon meg nem írja, hogy mivel kompatiblis
bocsy, nem olvastam végig ezt az LCDs topicot és láttam, hogy már volt erről szó...
tbence: Sikerült megoldanod?
én még nem is próbáltam. fel tudod rakni ide a bekötési rajzot? melyik szoftverrel sikerült meghatjani?
persze!
Itt van mind a 2
Az eggyikkel lehet a kontrasztott állítani.
és miért nem működött az elején? Írtad, hogy csak a kurzor jött be és nem csinált semmit...
Igen met akkor volt egy másik honlap ahol le volt írva vagyis nem volt krajz és aszerint csináltam és szerintem az volt a baj mert lehet hogy valmait elkötöttem.De ez már kifogástalanul mőködött.Ja és fontos!Lehet hogy csak nekem volt bajom belőle hogy vissza csatlakoztattam a nyomtatóm és elkezdett nyomtatni de lehet hogy csak azért mert ment a progi nem tudom.De aztán leszedtem a progit és ment minden ahogy kellet.
Sok sikert!Ha kell még segytség akkor szolj nyugott! Bence |
Bejelentkezés
Hirdetés |




) 
olvasgassad amit írtam... még 1* nem írom le!..
Üdv, mégvalami, ha ez sokáig nem megy inkább nyiss neki egy új témát...







