Fórum témák
» Több friss téma |
Fórum » Motorgyújtás
Szia Gulyi.
Köszönöm a segítségedet és a munkádat Adósod vagyok egy-el. Jelentkezem mikor kész és megírom mit sikerült összehoznom. Kösz még 1*. Szia.
Az a baj,hogy a megszakitó nagyobb fordulatoknál hajlamos a prellezésre,azaz többször nyit és zár,és ez ugyanúgy megvezérli a fototranyót. Ha már elektronikus gyújtás akkor ki kellene hagyni a mechanikus elemeket. Ami az induktiv jeladót illeti: a mágnest lehet magában a jeladóban is elhelyezni,igy is van a motorok nagy többségében. Erről már többször is volt szó a topicban.A reflexiós optokapu mindenesetre nem jó megoldás.
tisztelt fórumozók.
arra senki nem gondolt még senki hogy trafó helyett feszültségsokszorozót is lehetne alkalmazni? Vagy ez elvetélt ötlet?
Igen elvetélt....
Viszont trafó helyett lehetne egyszerű induktivitást alkalmazni buck-boost kapcsolásban,pesze más kapcsolástecnika kell hozzá.
ezt részletesebben elmagyaráznád
ennyire nem vagyok otthon a dologban csak megfordult a fejemben. nagyon részletesen...
Sajna megyek dolgozni,úgyhogy csak röviden:a sokszorozásnál elveszik a teljesitmény (gondold át a a töltési időket),úgy hogy a végén 2µF kapacitást kell 200V fölé tölteni,mondjuk 5ms alatt.
A buck-boost-nál gondoskodni kell a töltési idő végén a töltőáram kikapcsolásáról,különben a tirisztor a kisütés után nem tud lezárni.
mex sajnos elment dolgozni, de engem nem hagy nyugodni ez a buck-boost dolog.
valaki ki tudná elégíteni tudásszomjamat?
Gulyi összeraktam. Müködik is. A 22n-t ki kellett cserélni 100nanóra a schmitt trigger nem akart jó lenni... aztán a poén az benne hogy ahogy nő a freki úgy nő a d tároló q-ján a fesz 1x csak kinyit a led, a frekit nem birtam szabályozni a monostabillal a potival, csak a jelformáló RC-tagjával. érdekes, vmit még át kell agyalnom ezen mit ronthattam el. üdv
A D tároló D lábán a fesz középértéke valóban nől, DE ott egy négyszög van, frekije megegyezik a jelgenerátor frekijével, impulzusideje meg a monostabil imp idejével. Szkóppal nézd, közben tekergesd a potit-> változni fog a négyszög szélessége (imp ideje),
ha a frekit állítod, akkor a négyszög szélessége marad, de 2 négyszög közötti távolság csökken ill nől. A led akkor gyullad ki, amikor a 2 négyszuög közötti távolság nagyon kicsire/nullára/átfedére csökken. Tehát a freki/fordulatszám növelésével a négyszögek közötti táv csökken, és a potival tudod állítani a négyszögek szélességét. Az idő, amibe egy négyszög szélességének, és 2 négyszög távolságának bele kell férnie az adott: a jelgenerátor periódusideje. (T magas meg T alacsony szint). Ha a periódusidőbe belefér összeérés nélkül, akkor nem világít a led, ha nem fér bele (periódusidó kisebb= monostabil imp idő ) akkor összeérnek a négyszögek, ekkor a D beírja, led világít.. (ha ekkor a frekit és/vagy a T magas szintet lejjebbveszed a potival, akkor a led elalszik.)
Sziasztok mesterek!
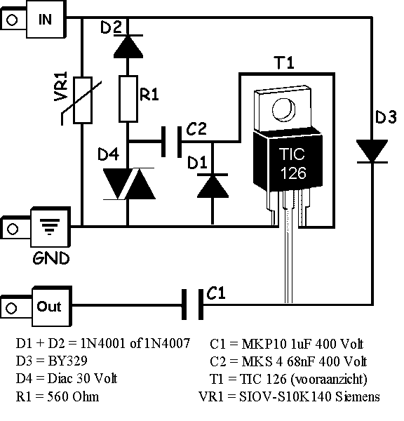
Lenne még egy kérdésem ha meg engeditek. A csatolt képen szereplő elektronika működőképes dolog e? Egy ItalJet formula 50 eshez lenne. Ez a moci csak egy tekercsről dolgozik. ez a tekercs a jeladó és a gerjesztő egyben. Tehát az elektronikába csak 2 vezeték megy ugyanis a trafóval egybe van öntve ebből közvetlen már a gyertya megy. Remélem valaki tud majd segíteni ebben is. Gulyi az elektonika készűl csk van egy kis alkatrész hiány itt Szolnokon. a T3 és T4 gondolom nem kell hűteni.
T3 és 4 impulzusüzemben csak a Cgs-t tölti/süti, így szerintem nem kell hűtés rá. (de majd a gyakorlatban kiderül, bár meglepne ha melegedne.)
Az elvi rajz jó. Ki kell próbálni.
ezt a buck boost dolgot elmagyaráznád részletesen?
esetleg kapcsolási rajz is jól jönne a könnyebb megértés érdekében.
Csak azért vetettem fel,mert igy a tekercs csak egy induktivitás lenne. Azért buck-boost,mert igy a kapcsolóelem a tekercs előtt helyezkedne el,ami szükéges,mert mint irtam a tirisztor csak akkor kapcsol ki,ha nem folyik áram egy ideig.Itt nézz szét
Konkrét rajz még nincs,nemigen van időm (megyek melózni).
helosztok
egy kis segitségre volna szükségem jamaha xt 600 ra csináltam egy fetes gyújtást.és nem akar beindulni vele. csak néha dúran.egy hal ic-s gyójtást alakitottam át amit itt találtam. a jeladó egy bc182 est kapcsol ami a földre húza a fet g áramát és így vana a szikra. +a trafó is melegszik rajta.akumlátoról megy a gyújtás. (vagy csak egy korlátozó elenálást rakjak a trafóval sorosan?? a szikra jó és erős.
a motor fujamatosan csak durog.de semi normális pöfenés.
ebböl itélve szerintem hatalmas előőgyújás van. de ez mitöl lehet ha a gyári jeladóval haszálom? a rajzot holnap melékelet másnak háha müködik a moci vele
Szia!
A cannabis83 által közölt megoldás az én esetemben is működőképes lenne, hogy a gerjesztőtekercs, és a jeladó is egy tekercs? A lendkerék így néz ki. 6 db mágnes van benne.
Sajna nem,mert a 6 mágnes 3 szikrát generálna 360°-on belül.
A gyári jeladók közös, lépcsősen kialakitott házban helyezkednek el (legalábbis azokon az évjáratú XT-ken melyekkel nekem dolgom volt).Nagyon nem lesz egyszerű a helyes gyújtási helyzetet beállitani,mert a két adó jele közti szakasszal kellene játszani elektronikusan,a fordulatszám függvényében. Nem tudom,most hogyan kötötted,próbáld meg a másikra átkötni,hátha beindul (már ha egyáltalán a kétjeladós verziód van). Ha csak egyjeladós akkor segithet a jeladó kivezetéseinek felcserélése.
Szia!
Ha olyan megoldást alkalmazok jeladónak, hogy a mágnes benne van a jeladóban, akkor is kell valami a lendkerékre, ami meghatározza, hogy a gyújtás mikor történjen, nem?
Természetesen. Lényeg az,hogy erővonalváltozás következzen be a megfelelő pillanatban. Ezt szinte kizárólag egy bütyökkel oldják meg a lendkerék saját anyagából kidomboritva-préselve. Egyszer kényszerből felhasználtam egy eredetileg belső jeladós motor lendkerekén a kiegyensúlyozó zsákfuratot a kivülre helyezett sk. készitett jeladó vezérlésére. Itt ugyanúgy erővonalváltozás jön létre,tehát mindegy ,hogy a homogén acélpaláston kiemelkedés,vagy süllyedés van,egyaránt alkalmas lehet.
Értem, csak nem akartam semmit a lendkerékre rakni, mert azt elég erősen fel kell oda fogatni, mert ha 4000-5000-rel pörög a lendkerék elég nagy centrifugális erők lépnek fel, meg tele van furkálva, gondolom a kiegyensúlyozás céljából, és ha rárakok valamit, akkor már nem lesz egyensúlyban, ez nem befolyásolja a motor egyenletes járását? De mondjuk ha nincs más megoldás, akkor kénytelen leszek rápakolni valamit.
Az előbb irtam,hogy jó a kiegyensúlyozó furatok egyike is,ha nem egymás mögött helyezkedik el a sor. Esetleg,ha van különálló helyen a paláston az még jobb. A jeladó felrögzitését pedig a gyújtás kivánt szögéhez tartozó furathelyzethez kell megoldani. Ha bütyköt akarsz késziteni,akkor pedig mindenféleképp menetet kell fúrni a palástba és csavart kell használnod (ennek a feje a tulajdonképpeni bütyök),mert ez biztosan nem röpül le a centrifugális erő miatt. Igy viszont lesz egy kis kiegyensúlyozatlanság,de ezt is lehet orvosolni egy újabb furat készitésével.
heló mex kössz a segitséget.
de sajna egy jeladós a moci. és a lendkeréken 4db "bütyök" van, 3 kicsi és egy nagy.a nagy a sürités elött van amikor lent van a dugó. a másik kicsi meg késve ér a jeladó elé (ezért csak durrog) gondolom valahogy elektronikusan volt megoldva a pontos gyújtás! hal ic gondolkodok a jeladó hejett. de hova rakjam?a hoszu bütyökhöz?vagy elég a rövidhez?+nem kavar bele a halos gyújtásba a 4 jel??
Ajjajj. Volt szerencsém a sokbütykös változathoz,de szerencsére csak tekerni kellett. Az elektronikáját nem ismerem,de nem lehet egyszerű eset. Legjobban akkor jársz ha veszel egy bontottat....
A hall-os jeladó nem segit a dolgon,és biztos,hogy problémát jelent a sok bütyök. Talán még azt lehet csinálni,hogy a palástra külön készitesz egy bütyköt,természetesen a meglévőktől oldalirányba eltolva,hogy semmiképp ne tudják megvezérelni a jeladót (ennek a helyét a nagy és az első kicsi közé kell tervezni) és a meglévő jeladó alá kell távtartókat késziteni,hogy az új bütyökkel essen egyvonalba. Márha a hely engedi.Ha nem akkor marad a hallos kivitel.
Szia!
Megnéztem a lendkereket, és 3 sorban vannak rajta furatok, de sajnos egymás után több is van, a legkevesebb az 5db, ezek szorosan egymás után követik egymást. Az kivitelezhető-e, hogy csak az első furatnál keletkezzen szikra? Pl. 4017-tel, a furatokból érkező jel lenne az IC órajele, az 5. kivezetés H szintjére indulna újra, az 1. kivezetés vezérelné a tirisztort, a többi meg csak úgy lenne.
okk kösz a segitséget. én is úgy gondoltam hogy kb 1cm rel melete hejezem el. szerinted az jó lenne ha hegesztek rá egy gumót? mivel nagyon kemény anyagból van és a furkodás csak szenvedés lenne
és azt hogy érted hogy a nagy és kicsi közé??pon a kettő közé esik a pontos gyújtás? vagy csak ott valahol?és a készitett bütyök mijen hoszú legyen? + mijen tipusu hal jó erre a célre(mijet kérrjek ha szükség van rá?)
Sziasztok
HALL jeladós gyujtást szeretnék készíteni. Ehez szeretnék segítséget kérni tőletek Idézet: „Pl. 4017-tel” Szerintem jó ötlet! A zavarszűrés viszont nagyon fontos,semmiképp nem szabad bekerülni a szikra zavarainak a vezérlésbe,mert nagy gubancot tud okozni.
A gumóhegesztéssel vigyázz, legyengülhet egy,vagy több mágnesed is. Már irtam Vacoknak is, legjobb lenne menetet fúrni a palástba és csavart hajtani bele,és ez lenne a jeladóbütyök. Hallnak inkább unipoláris kellene egy mágneslapkával a hátulján. Ha a bütyök eléje kerül akkor "átugranak" a mágnes erővonalai a bütyökre,és az ic kapcsol. Persze ezt nemártana asztalon kikisérletezni.
|
Bejelentkezés
Hirdetés |




a T3 és T4 gondolom nem kell hűteni. 






