Fórum témák

» Több friss téma
Fórum » Genius SW-HF5.1
 
Témaindító: eSDi, idő: Jún 11, 2007
Lapozás: OK   2 / 13
(#) eSDi válasza INFINITY80 hozzászólására (») Feb 12, 2009 /
 
Üdv! én a javításhoz csak annyit fűznék, hogy ha van rá lehetőséged, akkor cserélj benne ki minden aktív alkatrészt. Én is ezt tettem a sajátommal, miután a villám elintézte. Azóta is használom és szépen szól... A tranyókat minden boltba meg lehet venni. az Egyik 2SC845 a másik 2SA1015... pár forint darabja. Japán tranyók, azért ez a fura jelölés. Csak ha C845-öt mondasz az eladónak, akkor az nem biztos hogy tudja mit keressen... A műveleti erősítő meg kompatibilis az általad említettel. Én is ilyeneket raktam bele.
(#) Tomy27 válasza eSDi hozzászólására (») Feb 12, 2009 /
 
Cserélj ki minden aktív alkatrészt, PL a PT kezdésű IC-k beszerzésére tudsz valami lehetőséget mert ahonnan én szoktam vásásrolni ott nem ismerik,amin mondjuk nem is csodálkozok?
(#) eSDi válasza Tomy27 hozzászólására (») Feb 12, 2009 /
 
Ha jól tudom akkor az a PT2249A típusú IC. Ez a távirányító vevő IC-je. legalábbis az enyémben ez van. Nehezen beszerezhető sajnos, mert már nem gyártják. De van helyettesítője. A HQ-Video-tól lehet rendelni. TC9149P, az enyémben is ez van.
(#) Tomy27 válasza eSDi hozzászólására (») Feb 12, 2009 /
 
Köszi az infót de tényleg!Pont a HQ-tól szoktam vásárolni én is már évek óta,csak PT néven nem adott ki semmit de akkor nem esélytelen a dolog.
Mondjuk még nem fogtam bele a javításásba ezért nem tudom hogy tönkrement-e valamelyik IC de jó tudni hogy legalább van helyettesítője.Mondjuk van benne még legalább 2 PT kezdető IC (PT2258,PT2323) esetleg ezeknek is lehet helyettesítője szerinted?
(#) eSDi válasza Tomy27 hozzászólására (») Feb 12, 2009 /
 
Ezzel a kettővel nagyobb szivacs lesz.... PT2258--> 6 csatornás hangerő szabályzó.... I2C buszon keresztül veszérlődik... A másik a bemenet választó... ez is I2C buszos... helyettesítő nincs... Ez még annyira nem is nagy baj. De kell lennie valami mikrovezérlőnek is! ha az meghalt, akkor nincs mit tenni. Kibelez és egy sajátot építeni bele... Közben megtaláltam az enyémhez a szervízkönyvet ,csak nem tudom feltölteni... túl nagy... Az 5000-hez sajnos nem volt fent a ruszki Genius oldalán...
(#) Tomy27 válasza INFINITY80 hozzászólására (») Feb 12, 2009 /
 
Szia!Esetleg ha neked ki van szerelve az eleje, akkor megtudnád mondani hogy milyen csipp van a kisebbik panelon?Pontosan a számára volnák kiváncsi?
(#) Tomy27 válasza eSDi hozzászólására (») Feb 12, 2009 /
 
Valahogy ettől tartottam én is, de azért köszi a segítséget.A kínai vackok hátránya sajnos ilyeneket von maga után,miért nem lehetett valami beszerezhető típust beletenni, ha már ennyit kidobtak a piacra.
(#) eSDi válasza Tomy27 hozzászólására (») Feb 12, 2009 /
 
Nincs mit! Erre egyszerű a válasz. Marketing fogás, ha megdöglik vegyél újat! De az is csoda, hogy a nagy részét be lehet szerezni. Egy nevesebb márka darabjában szerintem sokkal több egyedi IC van. Egyszer kellett volna javítanom egy Sony Trinitron képcsöves 24"-os monitort... Hát csak a kapcsolási rajz lett volna 25e Ft kb 8-10 éve.... de ez egy másik történet...
(#) Tomy27 válasza eSDi hozzászólására (») Feb 12, 2009 /
 
Közben találtam az általam említett ké IC-re helyet, ahol belehet szerezni mondjuk meg is kérik az árát.A PT2323 nettó 2900Ft.Csak még azt nem tudom mi a vezérlő csipp száma de nagyon valószínű hogy az is valami PT kezdetű lehet.
(#) eSDi válasza Tomy27 hozzászólására (») Feb 12, 2009 /
 
Anyám.... szerintem nekem nem sokkal többe volt az egésznek a javítása...
(#) Tomy27 válasza eSDi hozzászólására (») Feb 12, 2009 /
 
Szia!Na belenéztem és sajna bejött a balsejtésem, tönkretették benne a mikroprocesszort is,mert zárlatos a feszültség lába ilyen az én formám.
(#) Tomy27 válasza eSDi hozzászólására (») Feb 13, 2009 /
 
Előrelépés történt, sikerült véletlen folytán beszereznem a szervizmanualt az 5000-eshez?
De a vezérlő csipp az viszont esélytelen eddig, viszont a geniusnál van panellel együtt ami 6000Ft.
Csak bizonytalan a másik két csipp is hogy jók-e, az meg csak utána derülne ki, elég felejtős szerintem.
(#) eSDi válasza Tomy27 hozzászólására (») Feb 13, 2009 /
 
Szerintem jobban jársz, ha az erősítő részét feléleszted, és a többit kiveszed belőle. Ideiglenesen átkötöd a bemenet választót és a hangerő szabályzó IC-t. Így legalább egy használható készülék lesz belőle. Aztán majd, ha lesz időd, akkor egy PIC-el vagy AVR-el helyettesítheted a vezérlőt. Vagy éppen egy egyedi vezérlést, bemenet és hangerő szabályzót építesz majd bele.
(#) Tomy27 hozzászólása Feb 13, 2009 /
 
Szia!Az a helyzet hogy még soha nem csináltam táv vezérlős egységet. Esetleg tudnál nekem ajánlani valami egyszerű pofás kapcsolást?Nekem elég ha a hangerőt meg a ki/be kapcsolást tudnám vezérelni mert ez volt az egyik ok ami miatt megvettem ezt a kinai vackot.
(#) G-Lex válasza eSDi hozzászólására (») Feb 13, 2009 /
 
Szia!

Melyik típushoz sikerült leszedned a szervízt? nekem még asszem a 3600 van. Ha azé akkor valahogy el tudnád juttatni hozzám?

Köszi
(#) eSDi válasza G-Lex hozzászólására (») Feb 14, 2009 /
 
Itt találtok mindenféle genius termékről szervízkönyvet. Bővebben: Link
(#) eSDi válasza Tomy27 hozzászólására (») Feb 14, 2009 /
 
Sajna az a baj, hogy egyedileg kell megoldani a dolgot... De ha az eredeti vevő egység nem ment tönkre, akkor az használható. többet sajna nem tudok mondani, mert nem ismerem a kapcsolást.
(#) G-Lex válasza eSDi hozzászólására (») Feb 14, 2009 /
 
Köszi
(#) istvanpal16 hozzászólása Feb 15, 2009 /
 
Hello!
Tegnap felhoztak egy GENIUS SW 5.1 Home Theater -t es annyi lenne a gond hogy nem tudom hogy mien a trafoja( 3secunder van de egyiok se ad le aramot) megtudnatok mpondani hogy az
1 secunder hany volt, hany ampert ad le?
2 secunder hany volt, hany ampert ad le?
3 secunder hany volt, hany ampert ad le?
Koszi elore iss (hogy nez ki az kepen lathato)

udv
(#) csaby hozzászólása Feb 15, 2009 /
 
nekem is van egy genius sw-5.1 home theater de nem működik egyáltalán.be se tom kapcsolni.mi lehet a baja? a biztik jók a trafóba is megnéztem mind a 3-at és jók.köszönöm a segítséget.
(#) Tomy27 válasza istvanpal16 hozzászólására (») Feb 15, 2009 /
 
Szia!Itt egy kép róla, remélem segít.

11fuji054.jpg
    
(#) istvanpal16 válasza Tomy27 hozzászólására (») Feb 15, 2009 /
 
koszike(le tudnad irni hogy mit ir pontosabban... koszi
(#) istvanpal16 válasza csaby hozzászólására (») Feb 15, 2009 /
 
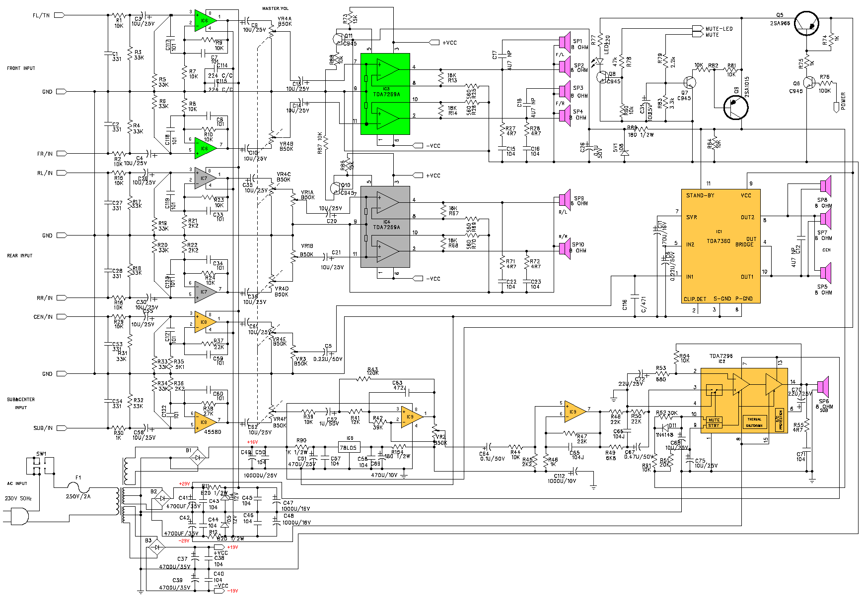
itt a kapcsolasi rajza
(#) G-Lex válasza csaby hozzászólására (») Feb 15, 2009 /
 
Sziasztok,

Tudom,h kicsit apró hirdetéses a téma, de ha valakinek van egy halott darabja és nem akar szívni vele, szívesen megszabadítanám tőle
Persze nem ingyen.
(#) Tomy27 válasza istvanpal16 hozzászólására (») Feb 15, 2009 /
 
Ha jól látom akkor:
Output:28V/2.4A
Output:12V/1A
Output:40V/1,2A
(#) Tomy27 válasza G-Lex hozzászólására (») Feb 15, 2009 /
 
Ha esetleg megtudnánk egyezni akkor lehetne róla szó,bár ezt nem hinném.

(#) istvanpal16 válasza Tomy27 hozzászólására (») Feb 15, 2009 /
 
annyi a gond hogy itthon csak egy kicsi toroid trafom van (csak erositobe volt) 16,5V; 13,5V; 3,6V; 23.5V; ennyit tud a kicsike.... szerintetek ez meghajtana?
(#) Tomy27 válasza istvanpal16 hozzászólására (») Feb 15, 2009 /
 
Hát ez elég gyengusznak tűnik hozzá.Bár ez a 40V is gyanús nekem.
(#) istvanpal16 válasza Tomy27 hozzászólására (») Feb 15, 2009 /
 
felrakom a kapcsrajzot de ott sehunn sem ir 40V ot
a legnagyob itt 29V(egyeniranyito utan)
(#) Tomy27 válasza istvanpal16 hozzászólására (») Feb 15, 2009 /
 
A rajz szerint viszont működhet a te trafóddal is a cucc,de hogy a hangot mennyire bírja az csak utána derül ki.Ha megpróbálnád vele akkor írj és megpróbálok segíteni benne.
Üdv.
Következő: »»   2 / 13
Bejelentkezés

Belépés

Hirdetés
XDT.hu
Az oldalon sütiket használunk a helyes működéshez. Bővebb információt az adatvédelmi szabályzatban olvashatsz. Megértettem