Fórum témák
» Több friss téma |
- Ez a felület kizárólag, az elektronikában kezdők kérdéseinek van fenntartva és nem elfelejtve, hogy hobbielektronika a fórumunk!
- Ami tehát azt jelenti, hogy a nagymama bevásárlását nem itt beszéljük meg, ill. ez nem üzenőfal! - Kerülendő az olyan kérdés, amit egy másik meglévő (több mint 17000 van), témában kellene kitárgyalni! - És végül büntetés terhe mellett kerülendő az MSN és egyéb szleng, a magyar helyesírás mellőzése, beleértve a mondateleji nagybetűket is!
Köszi a választ! De nem tudom szétszedni, mert az egész be van takonypisztolyozva, ha meg rámelegítek, akkor kipotyognak belőle az SMD cuccok, meg némi szerencsével tönkre is vágok valami létfontosságú dolgot.
Mi lenne, ha kettő apró relét bekötnék, az egyiket egyik irányba diódáznám, a másikat meg másik irányba és mindkét relé egy kevés lábú PIC egy-egy bemenetére lenne okosítva? Ha csak egy rövid időre is meghúz az adott relé, akkor a PIC már tudhatná, hogy mi a dolga.
Sziasztok!
Találtam régebbi HE újságban egy szupertakarékos LED villogót. Ma megépítettem de nem működik. A változtatás a gyárihoz képest: tápfesz: 1,5V, a 100R-os ellenállást elhagytam, 1k helyett 560R, 390k helyett 220k. Elvileg működnie kéne nem? De semmit nem csinál. A HEben közölt rajz működöképes egyáltalán? mi lehet a hiba? köszi :uli
Valószinű nem értem a feltett kérdést.
Ha a motor helyére relé kerül,és azt akarja,hogy csak az egyik gombnyomásra húzzon,a másik gobnyomás (amikor polaritást vált a dobozból kijövő feszültség) hatástalan legyen,vagyis elengedjen a relé,akkor miért nem elég a tápvezetékbe egy soros dióda? Vagy valamit nagyon nem értek.
Az egyetlen gond az, hogy egy napelemes lámpáról fog működni, ott pedig nekem csak 1,5 Voltom van. Lehet valamit tenni ez esetben?
Kössz: uli
Sőt még a jelek is polárt váltanak, szóval ezért kellett a megoldásom.
Idézet: „motort be kellene cserélni egy relére, ami az egyik akciókor meghúz, a másik akciónál meg elenged.” Akkor most már végképp nem értem.
Illene villognia. Egy próbát megér.
Ez zavart meg,hogy nem irta:az időzités lejárta után is behúzva kell maradnia a relének,és csak az újabb gombnyomás után kell elejtenie. DE ebben az esetben is elég egy dióda,csak legyen még egy segédérintkező amivel öntartásba viszi a relét.
Ajjajj... Kell még bele két tranyó is,meg ellenállások.
Vagy esetleg 555.
Üdv,a következő lenne a kérdésem,van feleslegben egy lcd kijelzőm
Bővebben: Link Egy fényképezőgépből maradt rám,érdemes megtartani?Lehet használni valamire?Esetleg lehetne építeni hozzá vmi meghajtó áramkört. Az URL gomb nem design elem, nem dísznek van! Lehet nyugodtan használni, nem fáj, nem harap, és teljesen veszélytelen! Frankye
Hi!Az erősítőm bemenetére jövő vezetékekkel van problémám.Tehát a bemenetnek van egy 2 eres vezetéke,mindkét vezetékben 2 szál drót.A 4 közül melyik kettőt kell a bemenetre kötni?
Segédérintkezős relé felhasználásával:
Hello!
Nekem meg pont ilyesmi van eltörve a gépemben. (persze nem tudom milyen típusú és márkájú) üdv! proli007
No ez már valami, a kezdeti egy diódához képest. a működését tesztelted?
Viszont itt még nincs galvanikus elválasztás az enyémhez képest. Jó, ez nem is volt feltétel, de nem árt. Már csak azért sem, mert ha a bemenet alsó pólusa lesz pozitív, akkor simán zárlatba megy a vezérelt áramkör testén keresztül.
Nem teszteltem. Ha a relé munkaéritkezőjét nem közösitem sem a negativval,sem a pozitivval akkor galvanikusan le van választva.
Egyébként az opto után mi biztositja az időzités lejárta után a korlátlan ki,illetve bekapcsolási időt?
Hello!
Akkor tolmácsolom, ha nem gáz. üdv! proli007
Hello!
Sajnos ez egy Sanyo VPC-S3-as. A kijelző, meg úgy 40*30mm. üdv! proli007 Sziasztok ![]() Cunici a sok dolgot amiről informáltál köszönöm, a nyák-ról nem sok infóm van, de a kérdésem nem jobb, ha az ember ,,próbapanelt" vásárol ? Mert ha elszúrnám, akkor mit tudok tenni egy nyáknál, valahogy javítani is lehet ? És ha csak kísérletezni szeretnék, kezdő létemre milyen nyákot vegyek ? Válaszokat előre köszönöm
A tolmácsolás tökéletes. Nade Tőled automatikusan ez az elvárás.
Helló!
Pannonos mobil internetem van és kb 400-500m-re a háztól még van 3G-s lefedetség!Valamikor HSDPA-ra csatlakozik föl csak az a problémám hogy kevés a jelerősség!Nekem a modemem HAUWEI E169-es és van rajta külső antenna csatlakozás!Szereztem is hozzá antenna kábelt csatlakozóval!Milyen antennával lenne érdemes használni?
Szia! GSM antenna Aukciókon 400 Ft-tól már kapni. :google:
Mire is gondolsz? R=U/I? A feszültségértéket elosztod az áramértékkel, ekkor megkapod az ellenállás értéket.
Üdv!
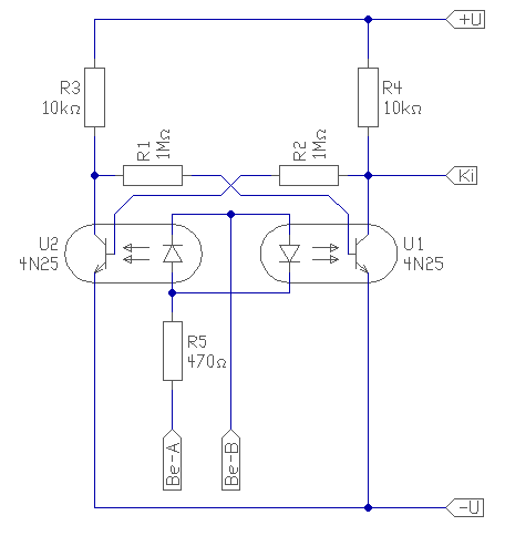
Nem írtam még a fórumba most is csak azért mert kérdésem lenne. Adott egy riasztó kapcsolása és az a kérdés, hogy ebbe mi végzi a dőlésszög kapcsolónak az állapotának a megjegyzését? Mellékeltem a képet.Másik kérdés. Az vajon jó nevű képnél a kapcsolás jó vagy nagy baromság? |
Bejelentkezés
Hirdetés |









