Fórum témák
» Több friss téma |
- Ez a felület kizárólag, az elektronikában kezdők kérdéseinek van fenntartva és nem elfelejtve, hogy hobbielektronika a fórumunk!
- Ami tehát azt jelenti, hogy a nagymama bevásárlását nem itt beszéljük meg, ill. ez nem üzenőfal! - Kerülendő az olyan kérdés, amit egy másik meglévő (több mint 17000 van), témában kellene kitárgyalni! - És végül büntetés terhe mellett kerülendő az MSN és egyéb szleng, a magyar helyesírás mellőzése, beleértve a mondateleji nagybetűket is!
Egyenlőre elég az a 40-50W majd ha kicsit több pénzem lesz veszek bele egy erősebbet. Köszi a gyors választ.
Attól tartok sehogyan sem fog menni. A 0.5V,10mA szorzata lényegesen kevesebb mint az 5V 300mA-é.
Ha sikerülne akkor egy peltier elemet, extra mini szélkereket és egy napelemet kötnék sorba és ezek töltenék az akkumulátort, ami több nagyfényerejű ledet hajtana meg...
ui.: mex! Most azzal kezdtem el harcolni, hogy annyi ingyenenergiát összehozzak, hogy este mondjuk max 2 órára működtetni tudjon 4-5 nagyfényerejű ledet, akkumulátoron keresztül. Nem tudom, hogy tudnám megoldani, még most komolyabban nem tudok belemerülni, mert itt van az érettségi meg most itthon is vannak gondok... Ezért csak ilyen kicsibe szerencsétlenkedek, kísérletezgetek..
Egyidejűleg a három "ingyenergiát" előállitó áramforrást nemigen tudod használni, igy a sorbakapcsolásnak esetleg több kára mint haszna lesz.
Inkább azonos peltierekkel,vagy napelemekkel kisérletezz, (a ledes világitásra gondolom sötétedés után van szükséged).
1 db peltierem van, ez: Bővebben: Link Még 1V-nál többet nem sikerült kicsikarnom belőle...
Napelemem még nincs de mivel csak kísérletezgetés céljából akarom ezt csinálni, így valami kínai piacon akarok veni napelemes baseball sapkát, ami egy motort hajt meg, és fújja a hideget az arcunkba Mivel így olcsóbb 2-3 napelemet venni így ezt a megldást fogom választani, viszont ezt csak érettségi után.Igen, sötétedés után szeretném használni, ezért gondoltam, hogy akkumulátorokat kellene tölteni, mondjuk kezdésnek vagy AAA aksikat, vagy mobilból kiszedetteket. Ha vége érettséginek, lesz 1 hetem, hogy kicsit kísérletezgessek, nagyon ráálltam most az ingyenenergiára, illetve a környezetbarát dolgokra. Esetleg tud valakit itt a környéken, aki hasonló dolgokat csinált már és tudna segíteni? (most én sörkollektort építek, már "csak" össze kellene rakni.) Azért magázom, mert ismerjük egymást, egyszer segített nekem tirisztoros kódzárban, még annó K1ll3rghost nick néven. ![]() Mára elteszem magam, jó éjt mindenkinek!
Peltier elem nem jó energiatermelésre, ez felejtős, és az árából már tudsz venni egy napelemet, inkább ilyenekre összpontosíts.
Én ilyent vettem. Nagyon jól megy, autóakksit tölt, arról megy Cree ledes szobavilágítás, telefon, AA akksi töltőm. Van ilyen ingyenenergiás, meg Peltieres topic, olvasgasd!
Ez nekem is új, ez a nickváltás... Azt javaslom, feküdj neki az érettséginek, és utána visszatérhetünk a dolgokra. Sok sikert!
Csak kiegészítésként, hogy a végbe egyáltalán nem jók, mert ott NPN tranyók vannak. A BD242 helyére tökéletesek.
Sziasztok!
Szeretnék egy 12v 30A- es feszültség szabályzót építeni. Keresgéltem a neten, de kapcsolási rajzot csak 15A ig találtam. Bővebben: Link (10.oldalán az adatlapnak) Valahol olvastam, hogy erre az áramerősségre kapcsolóüzemű szabályozást szoktak építeni... Szóval, az lene a kérdésem, hogy hogyan lehetne ezt a lehető legolcsóbban megoldani?
Kapcsolóüzeműt, egyszerűen, olcsón? Sehogy.
Áteresztőset lehet építeni, ha a 12V fix, és a nyers feszültséget úgy választod meg, hogy teljes terhelésen legyen 3V-al több, mint a kivett 12V. Ennek bejátszása nem túl könnyű, de nem lehetetlen. Így "csak" 90W-ot fog elmelegíteni. Húsvétra kapsz tőlem egy razot, ami nekem bevállt. Én a hegesztő trafómról veszem a váltófeszt úgy, hogy tekertem rá megfelelő számú menetet zöldsárga 10mm2-es földelő vezetékből, és 150A-es diódákkal egyenirányítom. Így már volt olyan, hogy 100A-t vettem ki rövid időkig(Az áramot a potival lehet állítani illetve a körülötte lévő osztás elemeivel.) Ezzel azt akarom érzékeltetni, hogy nagyon nagy trafó kell és tudnod kell a menetszámát változtatni, azaz le, esetleg feltekerni rá meneteket a nyers feszültség beállításához terhelés alatt.A tranyókra(Tr1, Q1...6) kell egy jó nagy borda, vagy-és egy jó nagy venti. Az Rsc egy vastag(1,5..2mm) manganin huzal, be kell játszani(kb. 0,025ohm ), hozzá az osztókat is. A visszaszabályzó retesz kört nem muszály megépíteni, mint kiderült, nem nagyon használom. De végül is van mikor jól jön. Kiemelem, hogy a terv csak fix feszültségek esetén működik jól, és az említett nyers feszültségek belövése után! Ellenkező esetben túlmelegednek a tranyók és tönkremehet az is amit próbálunk róla!
Sziasztok!
Már egyszer kértem a segítségeteket, azzal kapcsolatban, hogy tehetném láthatóvá azt, hogy motorkerékpár hűtővize túlmelegedett. Proli007 készített is nekem egy ledes visszajelzésű kapcsolást, de szeretném látni, hogy hány fokos a víz és mindezt valamilyen diszkrét módon. Ami adott az egy termisztor. Mutatós visszajelzés is érdekelne, ami bírja a rázkódást és nem túl nagy. Előre is köszönöm a válaszokat!
Oké, rendben!
Sir-Nyeteg! Az ingyenergiás topicot rendszeresen olvasom illetve a szélgenerátor építési problémák című topikot is. De tényleg komolyabban majd csak érettségi után akarok vele foglalkozni, akkor lesz bő 1 hetem, amikor ilyenekkel tudok foglalkozni, utána júliustól megyek dolgozni.
Sziasztok!
Édesapámmal kitaláltuk, hogy LEDekkel világítjuk ki a szobát. A táp az 24V-os, (A teljesítménye majd az áramfelvétel szerint fog alakulni) 4 "táblát" rakunk fel egy átlag méretű szobába, ilyen LEDekkel. És az volna a kérdésen, hogy a lenti melléklet alapján, hány sor kell a LEDekből? Válaszotokat előre is köszi!
Hát ez eléggé relatív, ahogy feltetted a kérdést.. Még az átlag szoba, az tálon oké, de hogy hányl ed legyen egy sorban/oszlopban... Mennyire akartok "nagy" fényt? Hangulatvilágításnak kell, vagy rendes lámpa, a 230-as helyett?
Ha én csinálnám, akkor biztos, hogy nem a 3mm-es ledeket részíesíteném előnybe ilyenkor.. Legalább 5 de inkább 10mm-es ledeket néznék. Pl ilyet: Bővebben: Link Ennek az erőssége már jó, viszonyt a nyílásszöge csak 30 fokos. Olyat kellene keresni, aminek a nyílásszöge nagyobb de a fényereje közel ekkore 10000-14000mcd. Én 4db 3x3-mas "táblát" készítenék el. Ez 36db led. Ha ezek szerint csinálod, akkor 6525Ft-ra jönnek ki csak a ledek és akkor még nem is biztos, ogy megfelelő erősségű lesz a fénye és még a táp még kész sincs. Megfontolandó ilyet csinálni. Vannak több ezer forintos ledek, amik 20-40W-os izzók teljesítményének felelnek meg, még olyat nem volt szerencsém kipróbálni, olyat kellene kipróbálni, igaz azt nem tudom, annak mennyi lenne a fogyasztása, mert azok már több amperről mennek ..
Vagy a 4 sarokba 1-1 ilyen: Bővebben: Link Csak ugye az már majdnem 20E lenne mire kiszállítanák megoldanád a bekötést stb.
Én már láttam ilyen izzókat, illetve nem láttam mellettük semmit.
Egy normál izzó, vagy fénycsöves energiatakarékos, sokkal jobb fényt tud, még egyelőre!
Én egy takarékszövetkezetben láttam, de nem tudom a fényét viszonyítani, mert pont besütött a nap, a pultról, a járólapról, mindenről visszaverődött a fénye
![]() Amúgy valóban nem igazán jók még. Este pár nagy fényerejű led jó arra, hogy ilyen félhomályt keltsen, de pl tanulni vagy forrasztani nem nagyon tudnék, ha csak ilyen világítás lenne a szobámban. Azért is írtam, a kérdés feltevőjének, hogy relativ a megfoglamazás, mert mihhez kellene, hogy elég legyen a fénye...
Igen, végül is általános világításra nagyon jó lehet, pl. előszoba, WC, nappali, de fürdőszoba, dolgozószoba szerintem még kizárható. A beszűrődő nap mellett, ahol egy rendes izzó még jelent valami pluszt, ezek teljesen eltörpülnek.
Köszönöm az ajándékot!
Nos nekem a magszimum áram 12V 30A lenne, mert enyit bír el max a fogyasztóm... Egyébként meg egy toroid trafóról kapná a tápot (12V 300VA) Terhelés nélkül ledja a 15,5V -ot. Kérdés: - nem lehetne -e úgy átalakítani az lm338-as adatlapján látható kapcsolást (10.old), hogy még 4db lm338-ast beépíteni a kapcsolásba (lsd kép)? Talán így szabályozná a 30A-t? Nem?
Én nem csinálnék ilyet, de te tudod. Lehet, hogy drágább lenne, mint építeni egy normálisat. Ha csak 30A kell, akkor elég 3-4 végtranyó. Ha nem kell áramvédelem, akkor el kell hagyni az áramszabályzó kört, igaz anélkül elég gázos.
És még valami. Mit jelent nálad az, hogy szabályozná a 30A-t?
Én inkább Luxeon K2 TFFC ledeket használnék, igaz, abból a 6000Ft-ból csak 6db-ot tudnál venni, viszont a fényerejük 180lm, ez sokszor-sokszor fényesebb mint pár tízezer mcd, ÉS 140° a sugázási szögük. Fogyasztásuk maximum 1A, de ez nem ajánlott, bár ha azt nézzük hogy ezen a teljesítményen max fényerőt produkál, viszont 5000 óra után 30%-al csökken a fényereje, akko megfontolandó.
Sziasztok!
Van nekem egy -egy hűtőbordám, az egyiket egy P2 tápjáról szreltem le, a másikat pedig egy GForce 2 videókártyáról. Van rajtuk ugye ventillátor is. Ennek 3 kábele : Sárga Vörös Fekete. Gondolom egyenáram kell neki. Mekkra viszont az U és az I ? A sárga kábel nem tudom mire jó, azt pedig csak sejtem, hogy a piros a + , a fekete a -. Világosítsatok már fel! Köszi.
Átküzdöttem magam a borzasztó írásodon, most igyekszem leküzdeni az undort és válaszolok.
A feszültség 12V, az áram a 100mA nagyságrendbe esik valahol. A sárga kábellel nem kell törődnöd, mert az a fordulatszám méréshez kell az alaplapnak. A fordulattal arányos impulzussorozatot lehet róla levenni egy erre alkalmas áramkörrel. Ha nem kötöd be, attól még működni fog a venti. A többi kábelt jól gondolod, piros a plusz, fekete a mínusz.
"Átküzdöttem magam a borzasztó írásodon, most igyekszem leküzdeni az undort és válaszolok." Kösz szépen, de én segítséget, nem ilyen aljas kritikát kértem. Honnan az undor? . Hidd el , ha akarnék, tudnék olyan rohadtformális üzenetet is írni, hogy a füled-farkad kettéállna
. Ha a tartalmi résszel van a gondod, akkor sajnálattal közlöm, hogy azért a "Kezdő kérdések" topicba írtam, mert tény és való: Kezdő vagyok. Elismerem. De emiatt még kérlek ne sérts meg. Köszönöm.
Ha magadtól nem jöttél rá, én hiába magarázom.
Egyébként ha nem vetted volna észre, válaszoltam minden kérdésedre, úgy mellesleg, de azt hiszem részemről ennyi volt.
Sziasztok! :wave:
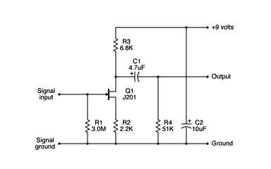
Építettem egy FET-es Gitár előerősítőt. Annyi különbséggel, hogy BF245A -s FET-et használtam és a 3Mohm helyett 3,3Mohm-ot... Az a problémám, hogy nem erősíti fel igazán a hangot; azt is mondhatnám, hogy csak olyan hangerővel szól a gitár, mint nélküle. Azért inkább egy másfél-kétszeres jelerősségnek jobban örülnék. Illetve ott a rajzon nem teljesen tiszta számomra, de a Drain lábnak kell lenni az R3-nál? Mert a Drain és Source lábak felcserélésével is szól, de nem igazán van hangerőkülönbség... Min kellene változtatnom ahhoz, hogy hangosabb legyen? (Ez jó lenne, de esetleg, ha tudtok valami más egyszerű kapcsolást ilyen poti nélküli "tiszta" gitár-preampnak, akkor jöhet.)
A BF245 szimmetrikus J-FET, így a D és S felcserélhető
. A 245A helyett esetleg a 245C-t próbáld meg, nem tudom, mi fogadja a fokozatot, mivel van lezárva, mekkora impedanciát lát. Az erősítést a source köri ellenállással tudod változtatni.
A te stílusod az kifejezetten szemét. Akiét lepocskondiázod. az csak egy kezdő, nem érdemli meg ezt at alantas letolást. Arról nem is beszélve, hogy te már régi hozzászóló vagy. Szégyelld magad!
Tanuljon meg normálisan írni, fogalmazni, (kérni!) hogy ne én találjam ki mit akar kérdezni, és majd utána én is szégyellni fogom magam.
|
Bejelentkezés
Hirdetés |




Mivel így olcsóbb 2-3 napelemet venni így ezt a megldást fogom választani, viszont ezt csak érettségi után.
Én a hegesztő trafómról veszem a váltófeszt úgy, hogy tekertem rá megfelelő számú menetet zöldsárga 10mm2-es földelő vezetékből, és 150A-es diódákkal egyenirányítom. Így már volt olyan, hogy 100A-t vettem ki rövid időkig(Az áramot a potival lehet állítani illetve a körülötte lévő osztás elemeivel.) Ezzel azt akarom érzékeltetni, hogy nagyon nagy trafó kell és tudnod kell a menetszámát változtatni, azaz le, esetleg feltekerni rá meneteket a nyers feszültség beállításához terhelés alatt.


. Ha a tartalmi résszel van a gondod, akkor sajnálattal közlöm, hogy azért a "Kezdő kérdések" topicba írtam, mert tény és való: Kezdő vagyok. Elismerem. De emiatt még kérlek ne sérts meg. Köszönöm. 




