Fórum témák
» Több friss téma |
- Ez a felület kizárólag, az elektronikában kezdők kérdéseinek van fenntartva és nem elfelejtve, hogy hobbielektronika a fórumunk!
- Ami tehát azt jelenti, hogy a nagymama bevásárlását nem itt beszéljük meg, ill. ez nem üzenőfal! - Kerülendő az olyan kérdés, amit egy másik meglévő (több mint 17000 van), témában kellene kitárgyalni! - És végül büntetés terhe mellett kerülendő az MSN és egyéb szleng, a magyar helyesírás mellőzése, beleértve a mondateleji nagybetűket is!
Próbáld meg az egyik BC182-t kicserélni valami más, kisjelű npn-es tranzisztorra. Sokszor azért nem szimulálhatóak az ilyen kapcsolások, mert azonos tranzisztorok azonos jellemzőkkel rendelkeznek a programban, a billenő áramkörök viszont nagyban "építenek" arra, hogy létezik gyártási szórás, vagyis nincs két egyforma viselkedésű tranzisztor.
Sziasztok!
Van egy kis problémám egy kapcsolásban de sehogysem jövök rá mi lehet a hiba. Itt lenne a mellékelt ábrán egy egyszerű feszültségszabályzós tápegység. A második potméter csak munkapontként szolgál s cserélném ellenállásra de nem ez a lényeg. Az a baj hogy beállítok egy feszültséget s ahogy terhelést rakok rá leesik a feszültség, ennek nagysága függhet a fogyasztótól meg a beállított feszültségtől. Mi lehet a baj. Elméletbe a beállított offset feszültséget tartania kéne de nem csinálja, és nem az ic a rossz. Valamit kihagytam vagy figyelmetlenségből rosszúl kötöttem? Változtattam értékeket ellenállásoknak meg minden de ugyane a probléma. Nem értem az ic miért nem ad ki a kijövetén a tranzisztornak elégséges nyitóáramot mikor leterhelem és tartani kéne a beállított feszültség értéket. És nem az a baj hogy nem elég "erős" az ic a tranzisztor igényszerü megvezérlésére. Már sok erősítő ic-t s kisebb-nagyobb tranzisztort kipróbáltam de ugyanez a helyzet. Labortápról járatom szóval bőven van amper és stabilizált is. Előre is köszönöm. segítségetek.
A hőmérsékleti tartományban különböznek, amikben az adott típus normál módon működik.
Köszönöm a választ!
Szóval akkor ez valóságban működik csak szimulátorban nem?
Tina 6-ban tökéletesen működik a kapcsolás eredeti formájában. A tesztelési módot állítsd Transient-re a legördülő menüjéből, az ugyanott található options-ban állítsd mindkét időt 1 sec-re (simulation, animation). A nyomógomb beállításaiban állítsd az Roff értéket 1 Terraohm-ról infinity-re (végtelen). Aztán teszteld. Nekem működik ez az egy gombos ki-be kapcsoló szimulációja
Heló
Köszi a segítséget! De igy is folyamatosan ott a tápfesz a kimeneten,...
Nem egészen értem mire gondolsz. A kimeneten egy relé van, kikapcsolva 25mV van rajta, bekapcsolva 11.74V ami bőven elég a relé behúzásához.
Igen tulajdonképpen nem számít, csak a pogit próbálgatom, hát remélem is hogy működik a valóságban, mert meg lesz építve, és nem szeretném ha nem működne!
Biztosan működik. Legalábbis szimulátorban már jó volt
Kösz a megerősítést. Kipróbáltam és működik.
Szimuban ki, meg bekapcsolt állapotban is ott a tápfesz, de mindegy, valóságban nem csinálta meg valaki? megnézném hogy néz ki! köszi a segítséget heló
Vagy esetleg a filet amibe el van neked mentve belinkelnéd megköszönném csak kivi vagyok rá! Köszi heló
Nincs mit. Köbzoli által belinkelt adatlapban van egy táblázat ahol megnézheted ezeket a hőmérsékleteket. Ebből is látszik, hogy ha például kültéren is használt időzítőt építesz, akkor az NE lehet, hogy nem fog rendesen működni a téli -10 fokban csak az SA vagy a többi.
Oké, tessék. Tina 6-al készült.
Hello!
Nem a Fet-et zavarja a kondi. Tehát a nagyobb kondi, nem okoz nagyobb erősítést, csak alacsonyabb alsó határfrekvenciát. - A forrásban lévő ellenállás, és a vele párhuzamosan kapcsolt kondi, az erősítő alsó határfrekvenciáját fogja meghatározni (-3bB). fa=1/(2*Pi*R*C) Ahol az R a forrás ellenállása, a C a párhuzamos kondi. (értéket Hz-ben kapod, ha R[ohm] és C[farád]-ban adod meg. - De az alsó határfrekit a kimeneten található kondi és az azt követő terhelő ellenállás is ugyan ilyen összefüggéssel határozza meg. (A kimeneten lévő ellenállás, és az ezt követő fokozat bemenő ellenállásának párhuzamos eredőjét kell venni a képletben R helyére.) üdv! proli007
Hello!
Ennek a kapcsolásnak működni kell, de mindennek van határa. Tehát konkrét értékeket írhattál volna, hamarabb kiderülne mi is a baj. Mert.. - A kimeneti feszültség, nem lehet magasabb, mint az IC maximális kimeneti feszültsége, mínusz a tranyót nyitó bázis-emitter feszültség. - A kimeneti feszültség tartása függhet a terhelés nagyságától. Ha a tranyó kollektorárama jelentősen nő, akkor annak áramerősítési tényezője csökken. Ezt a bázisáramot kell szolgáltatnia az IC-nek, aminek a kimenőárama nem végtelen nagy (amit a katalógus megad) Ha ezt túllépjük, akkor már nincs elegendő bázisáram. - Ebben a kapcsolásban, a referencia feszültséget az R1 szolgáltatja. Így ha terhelés hatására a bemeneti 12V esik, akkor a kimeneti feszültség is csökkenni fog. Idézet: „A második potméter csak munkapontként szolgál” Hát nem! A műveleti erősítő feszültség erősítését fogja a poti állása befolyásolni. Idézet: „Elméletbe a beállított offset feszültséget tartania kéne de nem csinálja” Mit jelent az offset feszültség? Idézet: „az ic miért nem ad ki a kijövetén” A jövet meg a menet, meg a vonat és a huzat nem ugyan az a fogalom, ahogy a régi parodista számaiból tudható.. Kissé fogalomzavarban szenvedsz. De ha, konkrét kérdést teszel fel, konkrét áramkörre vonatkoztatva, mérési eredményeket közölve, akkor várhatóan konkrét választ kapsz! üdv! proli007
Sziasztok!
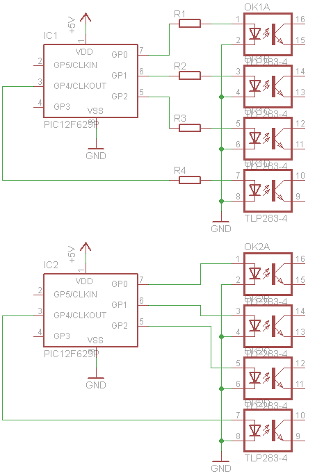
Az a kérdésem, hogy egy TLP281-4-es optocsatolót szeretnék rákötni egy ic-re, és kell neki előtét ellenállás, vagy csak simán ráköthetem-e? Válaszotokat előre is köszi!
Igen kell!
Akkora mint egy normál ledhez?
Az első potméter egy 50Kohmos potméter volt. A második is egy 50Kohmos az elsőnek függvényében beállítva hogy az teljes értétartományban tudjon szabályozni feszültséget és ne úgy hogy pl 30Kohmnál már max feszültség van. Állítólag 20mA a max terhelhetősége az IC-nek, én rámértem és soha nem ment 10mA felé. Viszont az invertáló és neminvertáló lábak közt mindig tartja az állandó feszültséget, vagyis kompenzálja a kimenettel. A kimeneti feszültség meg megegyezik azzal amit leírtál, és mindegy hogy egy leddel vagy egy égővel terhelem mert ugyanez a jelenség áll fenn. Légyszi szolj ha valamit még mindig nem írtam le jól s kijavítom mert szeretem ahogy magyarázol. Köszönöm
A kimeneti feszültség meg megegyezik azzal amit leírtál, és mindegy hogy egy leddel vagy egy égővel terhelem mert ugyanez a jelenség áll fenn.
Körülbelül igen.
Bocsánat, szerkesztés után elfelejtettem kitörölni az előre beillesztett mondatot...
Heló
Nem tudja valaki véletlenül honnét lehetne neten megszerezni ezt a könyvet magyarul? :John Linsley Hood: Csöves és tranzisztoros hangerősítők! Köszi a válaszokat heló
Köszönöm szépen, hasznát fogom venni!
Heló
Köszi szépen!
Tehát ez a dobókocka működőképes lehet? |
Bejelentkezés
Hirdetés |






A kimeneti feszültség meg megegyezik azzal amit leírtál, és mindegy hogy egy leddel vagy egy égővel terhelem mert ugyanez a jelenség áll fenn. 





