Fórum témák
» Több friss téma |
Mielőtt kérdezel, a következő két dolgot ellenőrizd!
I. A helyes tápfeszültségek megléte.
II. A kimeneten van-e egyenfeszültség.
Élesztés.
Nekem az lenne a lényeg,hogy a mély hangok erőteljesebben jöjjenek ki,mint eddig.Semmi házbontás,vagy diszkós ambícióm nincs,csak szépen szóljon.A hangszórót sem szeretném széthajtani,tehát mindenképp valami olyan kell,ami kárt egyáltalán nem csinál.Egy egyszerű Dimarson 5.1-em van erre szeretnék plusszban rákötni egy erősítőt egy mélyládával.Ennyi a történet.Köszi,hogy foglalkozol a témával...
Mivel írtam,hogy nem igazán értek a dologhoz,keresnék egy olyan valakit,aki Siófok-Marcali-Balatonszentgyörgy vonzáskörében esetleg tudna nekem építeni egy ilyen erősítőt.Remélem akad valaki a környékről.Kérlek,ha tudtok segítsetek.Köszönöm.
Az, hogy valamekkora teljesítménye van egy végfoknak, az nem azt jelenti, hogy azt teljesen kivezérelve kell használni.
Ez világos.Azt azért lehet hallani egy hangszórón,amikor már nem ajánlott tovább terhelni.
Mégegyszer hangsúlyoznám,hogy nem szeretnék vadulni vele meg érteni sem nagyon értek hozzá,ezért is kérném a segítségeteket.
Heló
Hány Watt kéne?
Üdv
Szeretnék sz.géphez építeni 5.1-es erősítőt. A hangdobozok megvannak (5x15W(6ohm)+40W(4ohm)) Ehhez keresnék erősítő kapcsolást. Van egy trafóm, ami tökéletes lenne a célra (2x20V AC, +-28VDC) Csak picit nagy a feszültsége. Megbontani nem szeretném ,mert úgysem lenne belőle semmi többet. Ami erősítő IC-k vannak nem nagyon bírják ezt a tápfeszt. Túl nagy teljesítmény sem kellene. Így maradtak a tranzisztoros erősítők. Keresgéltem rajzokat, de nem találtam olyat, ami minden szempontnak megfelelne. (Alkatrész költsége is minél alacsonyabb legyen kb 4-500Ft/csatorna) Köszönöm
Annyi kellene,amennyi meghajt egy 150/300W-os mélyládát.Mekkorát javasolnál?
Heló
Én nem vagyok profi a témában, de szerintem egy olyan 100-150 Wattos erősítő kéne hozzá! De ha tévedek úgyis kijavítanak majd! Alul-áteresztő szűrőnek meg ezt javaslom! : Bővebben: Link
Erősítőnem meg mondjuk egy 80W-os Conduktor KD-Mestertől!
A VF2 topicban megtalálod a kapcsolását!
Sziasztok!
Lehet full hülyeség amit kérdezni akarok de hátha....Van egy 400w-os fetes mono végfokpanelem.Nem-e lehetne megoldani valahogy hogy ebből legyen 2x200w?Szval 1végfok de mégis sztereo lenne....Esetleg úgy hogy ha másképp kötöm akkor újra 1x400 máskor meg 2x200w.
De nagyon egyszerű a képlet kell még egy ugyanojjan panel és máris kész a csoda !
Ha ilyen egyszerű lenne....ha másik panel akkor kb 1200w trafó és még 2x33000pufferis
De mivel nekem eléglenne 2x200w is nemkell 2x400w ezért gondoltam hogy nem-e lehetne megcsinálni valahogyan....
Nem.
Bővebben, nagyon nem.
Sziasztok! Panel cserével hozzájutottam egy STK 4182 II 2X50W-s IC-hez. Megvan a kapcs.rajz, nyák, beültetési r.
Van -e tapasztalata valakinek ezzel az IC-vel, vagy az STK 4162 II áramkörrel? Mennyire audiofil? Milyen tipusú gyári erősítőkbe építették be ezeket a vastagréteg áramköröket? Üdv Gesztenye
Mihez képest audiofil?
Szerintem semennyire, de sokak szerint elég jó hangja van. Szerintem egy átlagos mondjuk hallgatható hifi kategória, nekem mondjuk nem kéne.
Szerinted egy 6-7 tranzisztoros differenciál bemnetü összeválogatott tranzisztorokkal jól beállítva szebben szól? Piret Endre szakmérnök amikor megalkotta komplementer szimmetrikus erősítőjét nagyon leminősítette a differenciál bemenetü kapcsolásokat - Szkópon mérve csodásak csak a meghallgatás próbán buknak el. Próbálkozom egy törpe 3-4 W-s törpe "A" - osztályuval is. Nem tudom mikor leszek vele kész mert kevés az időm
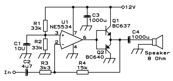
Szerintem sokkal szebben szól, mintha TDA 2030-al oldanád meg a hangosítást. Az NE 5532 Ic egy nagyon jó áramkör. A tranzisztorokat kell párba válogatni! A bal felölieket a mérőmúszer h21 mérőjével, a jobb oldaliakat meg nagyobb árammal (100 mA-nél) kell vizsgálni az erősítését. A diódát ragaszd fel a hútőbordára a hőstabil munkapont miatt. A potival a 0 Ohmtól szép lassan növelve állíts be nyugalmi áramot. (Bemenet letestelve, kimeneten 8 Ohmos műterhelés (4x2 Ohm 5W-s ellenállás sorbakapcsolva) A hangszórón 0 Voltot kell mérni. Eltérés esetén offszetkompenzálással kell a 0 V-t elérni. A + és - tápágakba biztosíték. A primer kört 60 W-s égőn keresztül kell bekötni. Bekapcsolásnál egy kisebb felvillanás majd parázslás. Így nincs rövidzárlat és nem kell idő előtt a biztosítékokat kiégetni. Örülök nem akarsz falat bontani! Ezzel a Kb 20 W-al is elüldözheted a családot!
Szerintem jó lehet. Hasonlít egy kicsit a Texashoz , bár ez egyszerűbb. Ha esetleg majd megépíted, kiváncsi lennék a véleményedre, mert én is szeretnék valami hasonlót otthonra. A poliészter kondik helyett, én MKP- t raknék bele, ERO, Remix vagy Mallory tipust, de ez éppolyan ízlés kérdése mint a műv.erősítő.
Köszönöm.
Bár építettem falbontó cuccot, de az bulira van, összerakom ezt ide a gép mellé (van 5.1 kimenete a gépnek) és legalább a hangzás sem csak sztereó lesz.
Hellosztok lenne 1 olyan kérdésem h mit csináljak ha az erősitő csak búg
mert építettem 1-et TDA2040-es Ic vel csak nemtudom h kell e éleszteni az áramkört vagy nem ha kell azt hogyan kellene? előre is kösz Peti
Bocs kifelejtettem az Ic típusát de már kijavítottam
A táp pedig 14V 2A (szimetrikus)
Ha hídkapcsolású kimenettel adja le a 400W-ot,akkor van esélyed! Akkor meg kéne keresni azt a részét ,ahol az invertáló és a neminvertáló bemenetek össze vannak kötve,szétválasztani,majd ráadni a sztereó jelet.Egyik kimenet és föld közé egyik hangszóró,másik kimenet és föld közé másik hangszóró,de ellentétes polaritással!
Erről az erősítőről mit gondoltok?
Ha kicserélném a tranyókat nagyobbra és eléjük még egy tranyót raknék(darlington) akkor kaphatnék jó minőségű erősítőt?
A komplementer tranzisztor bázisai egymással közvetlenül vannak összekötve, s bázisaikon fél tápfeszültség van. Nyugalmi áram a bázisokon nem folyik. Vezérléskor +- átmenetekben nyitnak a tranzisztorok és karakterisztikájuk ezen szakaszán keresztezési torzítás lép fel. Ezt a keresztezési torzítást csökkenti a kimenetről ellenállással a - bemenetre történő negatív visszacsatolás, de így is marad még belőle jócskán. Egy próbát mindenesetre megér. Kis hangerőnél mindenesetre nagyon torzít. Ilyen a - B - osztályú erősítő. Csinálj belőle - AB - osztályút ahol van 5-25 mA nyugalmi áram, +- átmenetnél egyenesebbé válik a karakterisztika és megszünik a keresztezési torzíítás. A bázisoknál szakítsd meg az áramkört és nnyitó irányban tegyél bele 1 - 1 szilicium diódát 1N4148. A diodák egymással ellentétes végeit kb 1 - 10 KOhmos ellenállással a + ra a másik ellenállatot a - ra. Ha szeretnéd szabályozni a nyugalmi áramot a diódákkal köss párhuzamosan egy 2k2-s potit. (0 Ohm - B - osztályú működés. Fülre is lehet figyelni a hatását!) Fel is ragaszthatod a diódákat a tranzisztorok közös - szigetelten szerelt - hútőbordájára. Használj végtranzisztorként inkább C jelűeket jobban jársz mintha egyből Darlingtonokkal próbálkoznál, mert azok könnyen elszállnak az örök vadászmezőkre és az örök világosság fog nekik fényeskedni - Amen (Orgonaszó nélkül!)
Ez egy jó hatásfokú, de korlátozott minőségű erősítő. A tervezési filozófiája is pontosan erről szól. Nagyobb tranzisztorokkal sem lesz jobb a helyzet, darlington esetén pedig tovább nő a nyitófesz (kétszeres lesz), a paraméterek még gyengébbek lesznek, főleg nagyobb kivezérlés esetén.
|
Bejelentkezés
Hirdetés |




Köszi szépen
De mivel nekem eléglenne 2x200w is nemkell 2x400w ezért gondoltam hogy nem-e lehetne megcsinálni valahogyan....
Bővebben, nagyon nem.
mert építettem 1-et






