Fórum témák
» Több friss téma |
Fórum » Inverteres hegesztőtrafó
A rajzon szerepelt 0.5mm-es légrés E-I magra érvényes! Az E-E magba nem kell légrés, mert megnyúvad az 1N-es dióda és a fet is meg punnyadhat!
Azért már ne használjunk gate meghajtó trafónak 40-est amikor elég a 20 - 25mm-es trafó is! Már számtalanszor le lett írva ez az infó! Bár lehet, hogy már megint hüjeségeket beszélek!
Ha egyszerre 80 féle dolgot változtatunk soha nem lesz meg az eredeti hiba vagy csak véletlenül ! Nem kellett volna bántani azt a főtrafót egyenlőre.Nézd meg,hogy a főtrafó primer kezdete jó helyen van e és ehhez viszonyítva a szekunder kezdete is jó helyre van e kötve az egyenirányítón.A kezdeteknek ennyi a szerepe,a viszonyítás,mert a trafót ellenkezőleg is be lehet kötni,tehát a primer vég kerül a kezdet helyére,de akkor a szekunder is így legyen.Kösd le az áramváltó egyik szálát,ez kicsit veszélyes mert nem lesz áramkorlát,de a zárlatot kerülve (!) kipróbálható van e teljesítmény a kimeneten.
Sziasztok!
Kaptam egy hibás inverteres hegtrafót. Bekapcsolás után semmit nem csinált. Első nekifutásra találtam benne egy 12 W os 47 ohm os huzal ellenállást, ami szét volt égve. Azt kicseréltem, azóta megy a kütyü (bekapcsol, megy a hűtőventillátor...stb) csak az a jelenség hogy ha hegeszteni próbálok vele éppen láthatóan szikrázik, nincs teljesítménye. IGBT k vannak benne. Ezeket ki lehet méregetni a bipoláris tranzisztorokhoz hasonló módszerrel hogy jók vagy rosszak e, vagy élből cseréljem ki az összeset?
Gyakorlatilag fordított bekötésnél záróüzemü helyett nyitóüzemüként üzemelne az inverter. Ebben az esetben, mivel csak a szekunder oldali diódán lévő snubber terhel az igbtnek felfutás alatt, a túlságosan gyorsan emelkedő áramfelfutás tovább nő az igbt kikapcsolási ideje alatt, ami jóval magasabb kikapcsoláskori áramot eredményez az igbt-n (a meredekebb felfutásu áram miatt ; az igbt kikapcsolása jóval lassúbb a fet-nél, ez az idő alatt tovább nő az áram rajta (a fetnél is); nem mindegy, hogy mindeközben milyen kapcsolása van az igbt-nek (vagy fetnek), hogy a lehető legrövidebb idő alatt zárjon). Ez hozzájárul a sokkal erősebb melegedéshez. Ha fordítva van bekötve a trafó, nyitóüzemüként is megy át rajta energia. Ilyenkor a szekunderen a mágneses tér lebomlásából származó energia jön ki (mint a gyújtótrafóból pld, csak itt nincs kondi, mert nem nyitóüzemüre készült). Ha a szekunder oldali alkatrészek bírják (dióda fesz záróirányban, gyorsaság, kondi átütési feszültség), még energia is jön ki belóle, persze kevesebb, mint aminek kéne.
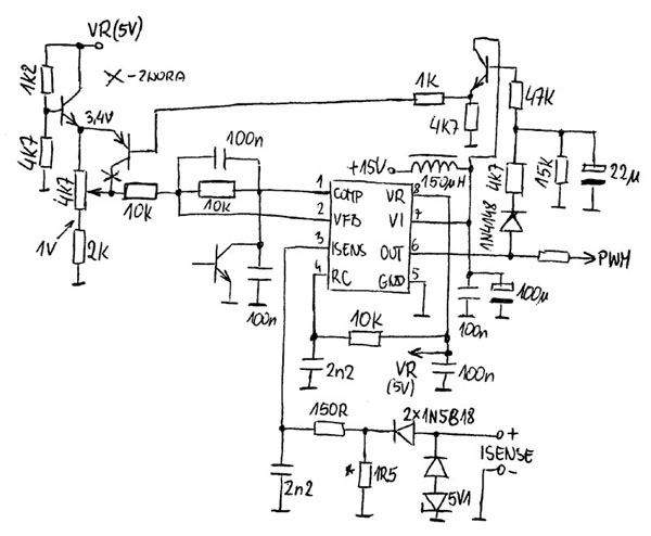
Légréssel én is próbáltam felment az áramfelvétel 1A környékére és elszállt a lemágnesező dióda aztán a FET a vezérlő oldalon aztán meg melegedett minden a meghajtásnál.
Ezek szerint a fettel lehet valami baj,akár át is üthetett,tudomisénmi.Az IRF540 helyett jó az IRF630,640,740 is,ezeket kipróbáltam.A vezérlő panel a két leddel együtt,relé nélkül nálam,most mértem,200mA áramot vesz fel.Az E25 körüli mag is jó lehet,nézd meg nem zárlatos e valamelyik tekercs.Amikor a vezérlés működik,természetesen összekötve az IGBT meghajtó résszel,mérj DVM-mel feszt a 13V zéneren,akkor jó,ha itt 5,2V körüli értéket mérsz,a két zéneren mért fesz érték között kb. 0,1V eltérés lesz és a vez. panel relé nélkül kb. 200mA áramot vesz fel.Az IRF540 vagy más fetnek teljesen hidegnek kell lenni tartósabb bekapcsolt állapot (1 óra) után is.Ha a mért értékek jelentősen eltérnek attól amit leírtam,akkor a kis trafó légrésén kell változtatni.A légrést növelve csökken a légrést csökkentve nő a zénereken mérhető fesz. érték.lehet,hogy nem is kell bele légrés vagy csak 0,1mm ,ezt be kell állítani.
Jati,tudom,nem mindig lehet azt beszerezni amit az ember szeretne,de mindig van megoldás,most is.
Tedd be azt az 1,8 ohm ellenállást és köss vele párhuzamosan egy 15 ohm ellenállást,a végeredmény 1,6 ohm lesz. A képlet a következő: R= R1XR2/R1+R2 tovább 1,8 ohm x15 ohm/ 1,8 ohm + 15 ohm=27/16,8= 1,6071428 ohm . R= 1,6071428 ohm ,szerintem,ez így jó lesz.
Szerintem itt 2 tranyós,ha jobban tetszik ,2 IGBT-s nyitó üzemű konverterről beszélünk,nem záró üzemről.
Ki lehet mérni egyesével,Skori weblapjáról másolom ide a módszert,más alkatrészek vizsgálatára is van ott leírás.
IGBT: Vizsgálata nagyon hasonló a MOSFET-hez (olvasd el azt is ha eddig nem tetted). Kivezetései: G -gate(kapu), C -kollektor, E -emitter. 1, ohm mérő G-E ill. G-C közé. Ha nincs szakadás (tehát mérhető ellenállásértéket kapsz) akkor a gate átütött -> kuka. 2, ohm mérő (dióda állásban) C-E közé. G-E rövidre zárva. Ekkor az egyik irányba szakadást kell mérni (C+), a másik irányban mérve vezet (amelyikben van dióda is beépítve), a többi tipus szakadást mutat. 3, ohm mérő (dióda állásban) C-E közé (C+). G-E közé pl egy 9V-os elem, a gate a pozitiv (G+). Ekkor C-E között vezet. Ha nem így van akkor -> kuka. Egyébként jó eséllyel hibátlan, de mindenképpen használható. Eseteg célszerü lehet ez utóbbi esetben tápegység és izzólámpa használata (FET esetén is).
Nézd meg a lágy indító részen a relét,zár e biztosan,nincs e beégve, a kondikat is nézd meg.
Igen, bocs. Szóval fordítottan záróüzemüként viselkedik. (ha bírják az alkatrészek)
Hozzáfűzök egy kis általános félvezető ismertetést. Nagyából naprakész infókkal van, bár néhány félvezető már kicsit fejlődött, de nem olyan régi lehet, elég naprakész. Forrás ismeretlen, véletlenül botlottam bele.
Üdv!
Na újratekertem a gate trafót 5,31V volt egyik zeneren a másikon 5,32V együtt tekertem a két szálat. Rádugom vezérlést, tápot. Kimeneten 45V egyen, picit járt kihúzom. Nem melegszik semmi. Kisütöm a tápot újra, vezérlés újra bedug, táp bedug és durr az automata levágta meg lett 4db totál zárlatos IGBT-m. Na hogy ezt mi a sz@r okozhatta nem tudom, most néztem a zeneren a feszt semmi 0,1V lehet megmakkant a vezérlő ic?
Most nézd át a vezérlőt,IRF fet dolgozik e vagy jó e,lemágnesező dióda jó e,UC kimenetén van e jel.A meghajtó trafónál kár volt a 2. és 3. tekercset egyszerre tekerni,nincs meg a kellő elválasztás arról nem is beszélve,hogy tekercset tekercs közé itt nem csinálunk,a csatolás miatt is elszállhatott a végfok.Nem hiába volt leírva a kis trafó elkészítése,minden tekercs külön-külön,egymástól jól elszigetelten.Bekapcsoláskor egy időben kap 230V a segédtáp és a főáramkör,de a segédtáp egy pillanat alatt él,míg a főáramkör a lágy indítón keresztül kezd feltöltődni,természetesen, a vezérlés tiltva van,majd kis idő múlva meghúz a relé,világít a zöld led és a piros is,rövidre zárja a lágy indító ellenállást,a teljes tápot megkapja a főáramkör,a tiltás továbbra is él még,majd elalszik a piros led,felszabadul UC 1. lába,beindul a vezérlés,az IGBT-k látják a teljes tápot,megjelenik a kimeneten az egyen fesz.Fontosak ezek az időzítések! Kikapcsolásnál először a vezérlés áll le és igaz,hogy töltve maradnak a kondik,de ellenállással ki lehet sütni.Nálad is megjelent a 45V.Sajnálom,hogy ez történt veled,őszintén mondom! A rajz olyan mint papnak a biblia!
240khz-t mutatott a műszerem. A készülék 95mm*190mm*140mm az igbt-ken v. feteken G10N60A felirat van de egyértelműt nem találtam róla a neten a kimenetén a diódák STTH2003CG 3darab kép pár db van de rossz minőségben
Még képek
FREDDI Tudtam, hogy ez történik, csak leírtam tapasztalataimat egyébként teljes tápfeszültségről elszáll fordított bekötéssel (két igbt-m bánja)
Biztos, hogy az áramváltó tekercs helyesen van kötve nem forditva? Ha forditva van bekötve akkor is serceg és kevés a teljesítmény és ha rá adsz kakaót akkor a végfok bánhatja! Korábban írtam, hogy az első próbánál meg kell figyelni, hogy nem ad-e furcsa sercegő hangot, ha igen meg kell fordítani az áram váltó tekercs széldrótjait és ha szép a hangja az után lehet csak rá adni a szuflát azt is lassan és korlátozni 130-140 Amperre, mert ha nincs korlát fullon van a gép akkor elektróda leragadáskor annyira felszökik a kimenő áram, hogy az is galyra vághatja a gépet!
Bocs ha hülyeséget beszélek!
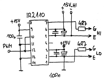
Olvasgatok... olvasgatok... és azon tűnődöm, hogy vajon csak a költségtakarékosság miatt, vagy más ok miatt nem használ senki FET/IGBT meghajtót? (IR2110)
Még helyet is kevesebbet foglal.
Gondolom a forvardoshoz nemjó a fetmeghajtó. Csak a Félhidashoz vagy teljeshidashoz . A teljeshídnak jónak kéne lennie de a ruszki kapcsolás népszerű
Mindenhez jó a fetmeghajtó, csak illesztés kérdése. Független táp + plusz jó meghajtás kell hozzá. Rengeteg meghajtót gyártanak, régebben már ajánlottam őket mindenkinek használatra. A "felső" fet/igbt meghajáshoz jól szigetelt független táp kell (a szekunderen belül is 300V a két vezérlőtáp különbsége ! ), mindegy, hogy trafós, vagy optos a leválasztása a meghajtónak. Vannak nagyon gyors optok is, 10Mb/s (megabit, nem bájt), olyat kell/érdemes használni. Másrészt eleve le van választva a vezérlő, nagyobb biztonság. A meghajtás az egyik alapja az egésznek, ha nem tökéletes, a legjobb hegesztő is egy romhalmaz.
Végül is egy hátránya, hogy plusz egy tápot igényel...
Szerintem szimplán vakságból nem használ senki fetmeghajtó ic-t, nem veszik észre az előnyeit.
Másrészt egy IR2110-től nem lenne drágább az áramkör, ha összeszámolnátok hogy a segédtáp, a meghajtó trafó/opto a +alkatrészek összköltsége messze meghaladja az árát. Másrészt tovább lehet egyszerűsíteni az áramkört. Csatoltam egy képet, amiről leszedtem az alkatrészadatokat, csak úgy kb. hogyan kell elképzelni.
lengyel fórumban láttam ilyen megoldást. Én is akarok ilyet építeni, szerintem hasonlóan csinálom majd, mint a lengyelek
Még néhány kép a megvalósításról
Ezen rajz akár etalon értékű is lehet. (120A.png)
Engem érdekel hogy a rajzod egy megépített rajz lecsupaszítása vagy csak egy elméleti síkon létezik?
Ami érdekelne, hogy a felsőoldali segédtáp kondenzátora fel tud e töltődni amíg a lemágnesezést biztosító dióda vezet,mert az IR2110 application note-je még plusz kiegészítést tart szükségesnek a korrekt működéshez, és a rajzodon az áramérzékelő sönttel párhuzamos fet miért kell, esetleg a fet maga a sönt? Végül csatolom a rajzomat amit meg akarok építeni
A saját rajzom lemaradt
Sziasztok!
Szintén a lengyel fórumról itt van egy kész rajz, optocsatolóval. Több példányban megépült már és úgy néz ki nagyon letisztult dolog. Én most ezen dolgozom. Az IR 2110 változatnál is lehet két táppal dolgozni, és akkor nem kell a kiegészítő lehúzó áramkör ami a booster kondit töltögeti. Én próbapanelon kipróbáltam a 2110 gyári ajánlását és az szépen működött dual forward-ra.
Egy működőképes gép lecsupaszítása.
A bootstrap kondi akkor töltődik fel amikor a két igbt kikapcsol, a trafón a fesz. megfordul és nyit a két dióda (lemágneseződik). A töltőáram a trafó primérjén a felső diódán és a bemeneti kondikon keresztül alakul ki, és megfelelően feltölti a kondit. Jó tanács: érdemes ezeket (elkó, trafó, igbt, meghajtó) a nyákon nagyon közel tenni egymáshoz, úgy hogy a töltőáram által bezárt hurkot más nagyáramú hurok ne metszen. Meg lehet egy zéner nem ártana, bár nekem megy anélkül is, de kitudja kinek hogy sikerül a nyák. Fet: talált, az a sönt |
Bejelentkezés
Hirdetés |


























