Fórum témák
» Több friss téma |
Ezt úgy kell érteni hogy nincsen rajta -12V
Természetesen akkor ennyi a feszültség minden ágban ha így terheled őket mindet egyszerre.
Ez meg sem fordult a fejemben
Köszönöm
Az a kérdés merült még fel bennem, hogy lehetséges-e 2db táp sorbakötése?
A fenébe, szerkeszteni akartam de megbolondult az opera
Igazából 2db Compaq 200W-os ATX tápról lenne szó, de ezért az 1 betűért nem nyitok új témát
Lehetséges. A problémát csak az fogja okozni, hogy a védőföld és a kimeneti föld össze van kötve. Ha ezt a kapcsolatot nem szünteted meg, akkor füst lesz, de nagy. Ennyi információval ne elégedj meg, várj mások segítségére is. De azt hiszem, párszor említést tesznek erre itt HE-n a fórumozók, csak nehéz megtalálni ezeket...
Igen, én is valami ehhez hasonlóra emlékeztem de nem voltam benne biztos, közben rájöttem hogy jobban járok ha saját magam építek egyet... Ennek elenére szivesen venném ha valaki leírná hogy mit is kell pontosan tennie annak, aki 2db tápot sorba szeretne kötni.
Hello!
A válasz adódik magától. Földfüggetleníteni kell a "felső" kimenetét. De közben életbiztosítás is kell kötni, mert tisztességesen elég nehéz, a zavarszűrők és a panel kialakítása miatt. Egyéb akadályát nem látom, kivétel, ha "viszáramok" fognak majd folyni. üdv! proli007
Sztem igényesen sorbakötni csak úgy lehetne, ha a primer és szekunder közti rézlemezeket le(védő)földeli az ember. Még a primer oldalra kell bekötni a zavarszűrőkhöz... (Persze a szekunderen ki kell iktatni a védőföldet)
A nagyfreki meg a fázis kapacitív rámászásának veszélye miatt van (védő)földelve a kimenet. De ha a fentit megcsinálja valaki, akkor 2 zajtípussal kevesebb lehet a kimeneten. Igazam van?
Helló! Mindenkinek!
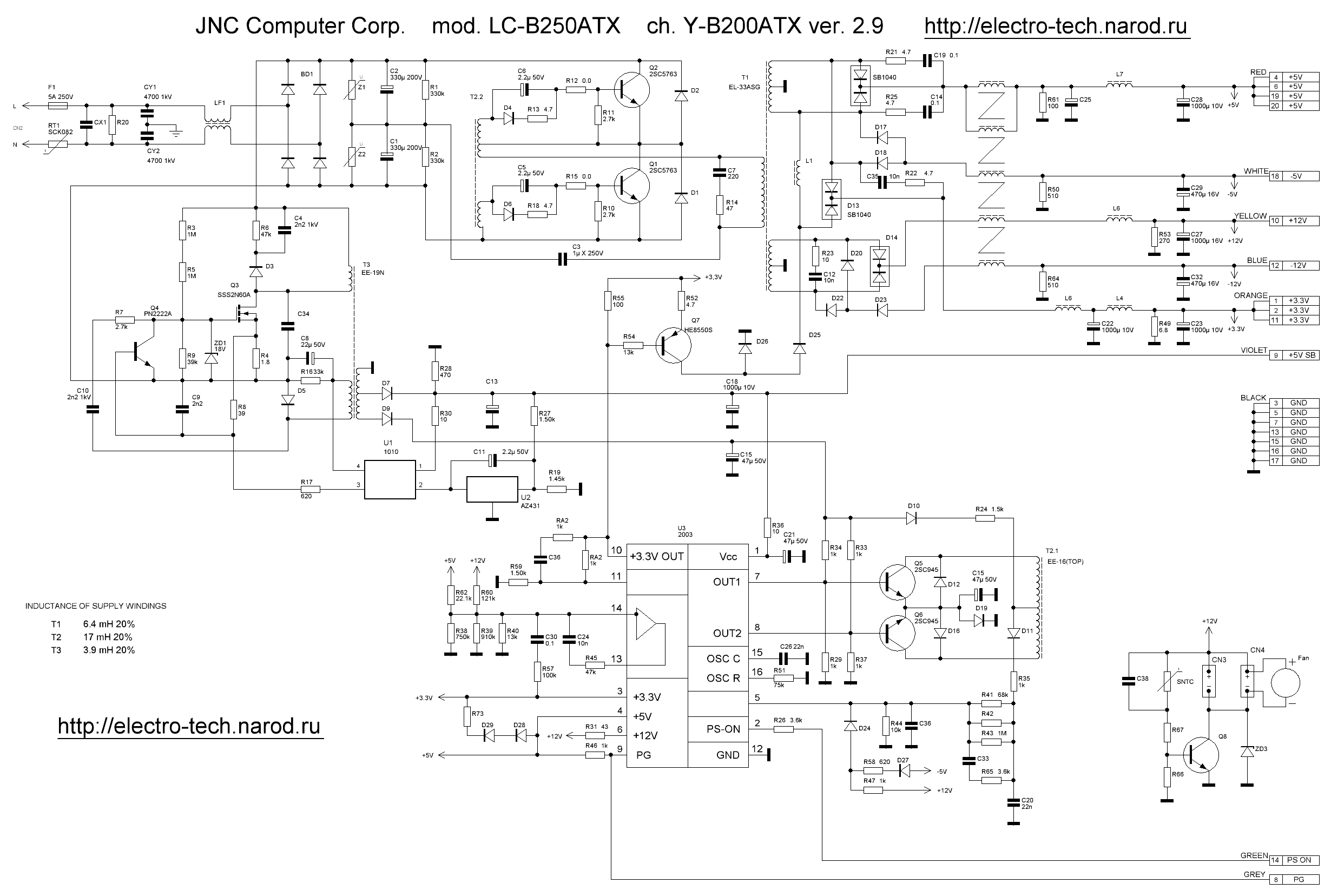
Remélem valaki tud segíteni nekem! Mellékeltem egy táp kapcsolási rajzát, valaki be tudná nekem jelölni és/vagy leírni hogy mit kell változtatnom rajta, hogy egy kb. 2*22 (44) voltot kapjak? Nekem picit átláthatatlan...! ![]() Előre is köszönöm!
Az elözöhöz még egy kérdés mi történik ha a bemeti feszkt átállítom hogy 130 voltos legyen?
MEg duplázódik a kimeneti fesz vagy felrobban az egész?!
Te ezt most őszintén kérdezed? Meg ne próbáld mert szétdurranak a puffer kondik, és akkor ez még csak egy hosszú lista eleje. Komolyabb átalakítás nélkül (pl. áttekerés stb...)nem fogsz tudni kiveni ekkora feszültséget egy normál pc tápból. A power trafóból már igen, viszont ha azt sem akarod áttekerni akkor egy 250W-os tápból bontott trafóból ha saját magad építesz meghajtást akkor max. 44V 2A vagy 44V 2,5A. Én is pont most építek 2db tápot 30V 3A fog tudni leadni 1db.
Köszi a gyors válasz!
Kicsit feljebb (#139386) hozzá szólás szerint valami hasonlót lehet csinálni ...elvileg de ezt nem nagyon értem! Nem lehet valami hasonlót csinálni ezzel a táppal is?! Köszi!
En valalkoznek a trafok attekeresere. Regeben mar probalkoztam vele de a ferit magokbol sz..r sem marardt. Van valakinek otlete arra hogyhogy bontsam szet ugy hogy meg osze is lehesen rakni?
Nem is tudtam hogy ekkora áramokat is ki lehet venni abból a tekercsből. Ebben az esetben ha tényleg arról a tápról van szó, aminek a kapcsolását linkelted, akkor holnap felteszem a rajzot módosítva.
Itt van, de ne vedd ezt kész kalapnak, azért jó lenne ha valaki még rápillantana a 14-es lábra. Mivel fogalmam sincs hogy milyen IC is van benne ezért min t írtam, azt a rész nem igazán értem.
A képen a barna szöveg hibás, helyesen így van:....majd vele sorosan egy 3K-s potit, bekapcsolva.....
helló!
Elkészíteetem az átalakítást! Ezen topik szerint (#392996) de nem adja... ![]() Ha rákapcsolom a feszkót elindul jön is ki belőle volt de kevesebb mint eredetileg! De a legszörnyűbbb, hogy sípol, gerjed valami benne, így nem is mertem sokáig járatni! Zárlatos valyon mit rontottam el?!?!?!??! Segíts kérlek!!!!
Sziasztok!
Nekem egy olyan kérdésem lenne, hogy esetleg valaki nem épített e pc táp alkatrészekből tápot. Na ezt kicsit érdekesen írtam le. Tehát nekem szükségem volna egy olyan tápta ami kb kb20V-ot tud 3-4A terhelés mellett A lényeg , hogy minnél egyszerűbb legyen, és ha lehet PC tápalkatrészetet használjon. Van egy rakattal az AT-s fajtából Ha tud valaki segítsen! Köszi előre is!
Helló! Még nem javítottam PC tápot de most megkért rá a barátom.Azt szeretném kérdezni ,hogy van -e olyan hiba ami a leggyakrabban előfordul, amivel a hiba feltárását kellene kezdeni ? Előre is köszönöm.
Maximum a biztisítékig érdemes elmenni, utána már a táp értéktelensége miatt, és az előreláthatólag elpazarolt idő miatt nemérdemes javítgatni.
Esetleg, ha épp van megfelelő elkó otthon, akkor a púposakat érdemes kicserélni. Többet valóban nem ér meg.
Az általam látott tápokban a leggyakoribb hiba (az elkók kiszáradása után) a +12V-os ágban lévő diódák zárlatossá válása. Ezt még érdemes megnézni, mert viszonylag egyszerűen, olcsón javítható, ha ennyi a baja.
Amúgy ha ATX tápegységről van szó és a készenléti része nem működik, akkor végképp nem érdemes foglalkozni vele, mert azzal órákat lehet eltölteni és nagy az esély rá, hogy nem is sikerül elindítani.
Helló ! szilva,cimopata köszönöm a segítségeteket !
Nagyon szívesen, a többiek nevében is.
Sziasztok!
Segitseg kellene egy AT tap atepiteseben, pontosabban hogy az 5Vos agat atalkitani ugy h 24Vot adjon le. A 12Vos ag marad, az kell. A tap 200W os, egy nagyobb es egy kisebb trafo van benne, valamint az lm339es komparator, meg a 494-es chip.
Hát sajnos olyat nem lehet csinálni egy trafónál, hogy az egyik ágon növeled a feszt ötszörösére és a másik ág változatlan marad.
Én ajánlom neked, hogy: 1. A 494-es IC 1-es és 4-es lábát leföldeled. Ekkor olyan 24-30V feszültséget kapsz a 12V-os körben. Az 5V pedig felugrik olyan 10-14V-ra. Természetesen a kondikat ki kell cserélni. 2. Ha pontosan be akarod állítani, akkor az 1-es lábra nem GND-t kötsz, hanem párhuzamosan valamilyen kis értékű ellenállást. Olyan 100-600 Ohm. Ki kell kisérletezni, hogy hol lesz 24V a 12V-os körben. Az 1-es lábra a visszajelzést pedig a 12V-os körre kötni. A 4-es lábat itt is le kell földelni. Egyszerűbb, ha a komperátortól jövő ellenállást kiveszed, és akkor egy másik ellenállásal lesz lehúzva a 4-es láb a földre. Itt is kondicsere javasolt az üzembehelyezés előtt.
Sziasztok
nekem kb 350W ralenne szükségem és+/-75V-ra tippem annyi hogy a PC táp trafójának kb 2:1es áttételt kéne készíteni(ez a tip skorytol származik) Tudna valaki segíteni abban mekkora a primer menetszáma ennek a trafónak?? Segítségeteket előre is köszönöm
Általában 2x15-20 menet szokott lenni.
Lefoldeltem az 1es es 4es labat a 494es icnek de az egyik agon (volt +5V ag) most csak 11.2 voltot merek es nem megy feljebb. A masik ag 26 volt, az ok.
Hogy lehetne feljebb vinni a feszt?
...valamint most egy másik tápegységgel kísérletezek, ebben nincs komperator ic, csak a 494-es ic, meg egy rakás tranzisztor(mármint ami a vezérlést illeti).
|
Bejelentkezés
Hirdetés |













