Fórum témák

» Több friss téma
Fórum » Inverteres hegesztőtrafó
 
Témaindító: Gabi, idő: Aug 12, 2005
Lapozás: OK   44 / 565
(#) jati válasza jati hozzászólására (») Máj 26, 2009 /
 
Ja a képeket elhagytam, a tömörített fájlban több terv van!!!
(#) JZoli válasza jati hozzászólására (») Máj 27, 2009 /
 
Leírhatnád milyen alkatrészek kellenek, hátha valakinek van otthon plussz belőle és tudna küldeni Neked.
(#) jati válasza JZoli hozzászólására (») Máj 27, 2009 /
 
Annyira nem fontos valahogyan megoldom, és nem tudnám meghálálni, esetleg ha csak valakinek nincsen szüksége cinre (forrasztó ón), a haverom kábelgyárba dolgozik és már vagy 3 -2 kg cint adott nekem, jó minőségű, benne van a gyanta is, és még fog adni! amúgy DVD lejátszóból a táp nem jó segédtápnak a hegesztőhöz?
(#) pimi9 válasza jati hozzászólására (») Máj 27, 2009 /
 
A főpanellel gondok lesznek, túl nagyok a hurkok benne, működni működhet, de nem jól.
A vezérlőpanelt se ártana újra tervezni, ott is van pár hurok amitől megbolondulhat...
Másrészt mekkora gép ez hogy 6 db igbt kell bele?
Ha lesz időm berajzolgatom mik a problémák.
(#) Freedomocska válasza jati hozzászólására (») Máj 27, 2009 /
 
Valamiben talán én is tudok segíteni csak sorold fel mire van szükséged.
(#) Remci válasza jati hozzászólására (») Máj 27, 2009 /
 
Szia!

Hálás köszönet értük és ha valamire szükséged van és tudok,akkor én is szívesen segítek
(#) erdgab válasza jati hozzászólására (») Máj 27, 2009 /
 
Ne tedd bele azt a két módosítást,nem ütne át,de zavart okoz! Látom,szeretted volna egy négyes csatlakozóval elvinni a vezetékeket,mondj le róla.A vezérléstől ide jövő vezetékeket párban kissé összesodorva vezesd oda és forraszd be,lehetőleg ne legyen hosszabb 10-12cm-nél.
(#) jati válasza pimi9 hozzászólására (») Máj 27, 2009 /
 
Nos a főpanel még nincs kimaratta de a vezérlés már úgyveszet mert az már kész! Amúgy a tervek erdgab tervei alapján készültek csak helyenként lettek módosítva a csatlakozók miatt, de itt az eredeti(csatolt fájl)! Így már jobb, ez pepita a Gábor terve, ha neki megyen nekem is fog!

fő.GIF
    
(#) jati válasza jati hozzászólására (») Máj 27, 2009 /
 
A 6 db IGBT csak a jobb hőleadás miatt van , de mivel a hűtőbordára amire szerelni fogom csak 4 db fér fel. A tervet mellékelem max:165A

index11.gif
    
(#) erdgab válasza jati hozzászólására (») Máj 27, 2009 /
 
Kicsit átrajzoltam a főpanelt,szerintem ez jobb mint eredetileg volt,mellékelem,ez a forrasztási oldal,az alkatrészek a túloldalon vannak kivéve a 2,2µF kondit.Az Ft a főtrafó csatlakozási pontja.A vastag,nagy áramú részekre 1,5mm2 vezeték van végigforrasztva.Nézd,nézzétek át,az eredeti megoldással is kifogástalanul megy a gép a mai napig is,de minden tanácsot szívesen elfogadok! Válaszolnék pimi9,azért van bent 6 IGBT-nek hely mert csak BUP304 volt egy rahedlivel,mikor a panelt és a gépet készítettem,ezek 1200V/35A ,de lehet módosítani,ki ahogy akarja.
(#) pimi9 válasza jati hozzászólására (») Máj 27, 2009 /
 
A vezérlőt átnéztem mégegyszer, nem olyan nagy a gond vele, csak rakj egy + hidegítőt (100n) oda ahova bekötöd neki a 12V-ot.
A főpanelen berajzoltam az áram utakat, az a probléma, hogy a lemágnesező áramkör (sárga) leír egy nagy hurkot az egész körül. És ebbe a hurokba beleesik a két gate-meghajtó hurka (piros, csak az egyiket rajzoltam be). Úgy lehetne rajta segíteni hogy a meghajtónál ami az igbt emitterétől jön vissza nem körbe viszed el, hanem egy vezetékkel átkötöd a kis mosfet lábához. Másrészt a lemágnesező áramkört kicsit kisebb helyre kéne szorítani, ami 1 lépésben megtehető.
Ja, és az igbt-ket úgy célszerű párhuzamosítani hogy külön gate ellenálást kap mindegyik, nem közöset.

fopanel.gif
    
(#) Remci válasza erdgab hozzászólására (») Máj 27, 2009 /
 
Szia!

A rajzod felső részén lévő 4.7nF-os kondi lábának a collektorra kellene csatlakoznia,nem? De itt az emitteren van. Meg ha jól látom akkor a HFA 15 diódák anódja-katódja fel van cserélve.Majd nézd át, hátha én tévedek, mert már kicsit fáradt vagyok
(#) jati válasza pimi9 hozzászólására (») Máj 27, 2009 /
 
Valahogy így gondoltad?

1.GIF
    
(#) jati válasza jati hozzászólására (») Máj 27, 2009 /
 
Elnéztem, így már jobb

2.GIF
    
(#) pimi9 válasza jati hozzászólására (») Máj 28, 2009 /
 
Kb, csak a diódák bekötését most pont felcserélted. Azok jól voltak elrendezve az első rajzodon, annyit kellet vele csinálnod hogy amit áthúztam zöldel azt szedd ki, és kösd össze az FTpK-t és és a dióda K-ját.
Meghajtó áramkör rendben van, csak rakj külön zénert is minden igbt-hez.
(#) pimi9 hozzászólása Máj 28, 2009 /
 
Énis elnéztem, nem lapoztam
"amit áthúztam zöldel azt szedd ki, és kösd össze az FTpK-t és és a dióda K-ját." ez oké.
Azt módosísd még rajta hogy jobb oldalon ne a meghajtó áramkör átkötésén keresztül vidd el a diódákat a (-)-ra hanem egy másik átkötésen közelebb a 3x1u felé.
+ zéner +diódák visszaforgatása
(#) jati válasza pimi9 hozzászólására (») Máj 28, 2009 /
 
A diódák és az IGBT-k a nyák oldalon lesznek! A zenereket így gondoltad? 3 zener ugyan arra az oldalra, és ugyan oda

3.GIF
    
(#) pimi9 válasza jati hozzászólására (») Máj 28, 2009 /
 
A zénereket a G-E közé rakd.
És lehet én vagyok süsü de a HFA15TB60-nak az a katódja ami össze van kötve a középsővel. A rajzodon ha télleg az a katód akkor fordítva vannak rajta.
(#) Szebence hozzászólása Máj 28, 2009 /
 
Sziasztok!

Semmi közöm ehhez a témához, csak már elég régóta látom, hogy népszerű téma ez az inverteres heggesztő itt HE-n. A múlt héten volt alkalmam kipróbálni egy új inverteres heggesztőt és mivel még nem láttam ilyet belülről kíváncsi voltam, hogy mi van a doboz alatt Készítettem pár képet, és ezeket meg is osztom veletek.
(#) erdgab válasza Remci hozzászólására (») Máj 28, 2009 /
 
Köszönöm,hogy szakítottál időt a panelomra! Valóban hibás volt a terv,javítottam a kondi bekötését az IGBT-k G ellenállás bekötését és a diódák jelölését is,ez utóbbinál a kapcsolás jó volt,csak a betűket írtam fordítva.
(#) erdgab válasza Szebence hozzászólására (») Máj 28, 2009 /
 
Köszönjük a képeket és ,hogy megosztottad velünk!
(#) erdgab válasza erdgab hozzászólására (») Máj 28, 2009 /
 
Közben rájöttem,hogy ha módosítom a G ellenállások bekötését akkor oldalanként 3-3 zéner is kéne,ezt a rész vissza rajzoltam a régi megoldásra.
(#) Remci válasza erdgab hozzászólására (») Máj 28, 2009 /
 
Megnéztem a rajzot, nem találtam hibát. Esetleg annyit, hogy a bal fölső Bup 304 "E" csatlakozó pontja hiányzik és ennek meg a mellette lévőnek meg a "G" csatlakozó pontja pedig szerintem túl közel van az "E" sávhoz. Nem kötekedésnek szánom
(#) jati válasza pimi9 hozzászólására (») Máj 28, 2009 /
 
Nos így gondoltad a zenereket? a pólusokat nem tudom, hogy jól vannak-e, csak nem értem miért kell a zener, biztosíték ként? a BZX85C13 elég lesz? Nem fog elszálni semmi a zener miatt?

4.GIF
    
(#) jati válasza erdgab hozzászólására (») Máj 28, 2009 /
 
Gábor, szerinted, hogy jobb megcsinálni? a 4-es vagy az 5-ös?

5.GIF

4.GIF
   
(#) (Felhasználó 3343) hozzászólása Máj 29, 2009 /
 
Üdvözletem!
Most kicsit szünetelt a projectem egyéb okok miatt. Látom dolgozik mindenki ezerrel. Esetleg ránéznétek az én főpanelomra hátha én is valamibe belekavarodtam azért nem ment rendesen?? A snubber diódák és a két szélső TO247-es toknak nincs középső lába csak ilyet találtam az eagle-ben. Amúgy mikor hajtottam hálózati fesszel nagyon melegedett a snubber ellenállás az természetes terhelés nélkül vagy akkor nem szabadna neki? A nap során áttekerem a gate trafót aztán majd jelentkezek. Üdv mindenkinek és sok sikert!

főpanel.png
    
(#) pimi9 válasza (Felhasználó 3343) hozzászólására (») Máj 29, 2009 /
 
A hurkok itt is megvannak a meghajtónál, valamint nem ártana egy n*1µF fólia kondi a (+) (-) közé, mert akkor dc folyna a betáp vezetékeken nem n*10kHz AC.
(#) (Felhasználó 3343) válasza pimi9 hozzászólására (») Máj 29, 2009 /
 
Az a tápon van 2µF fólia, amiről megy a vezeték a főpanelra az úgy még jó? Mindig ezek a fránya hurkok
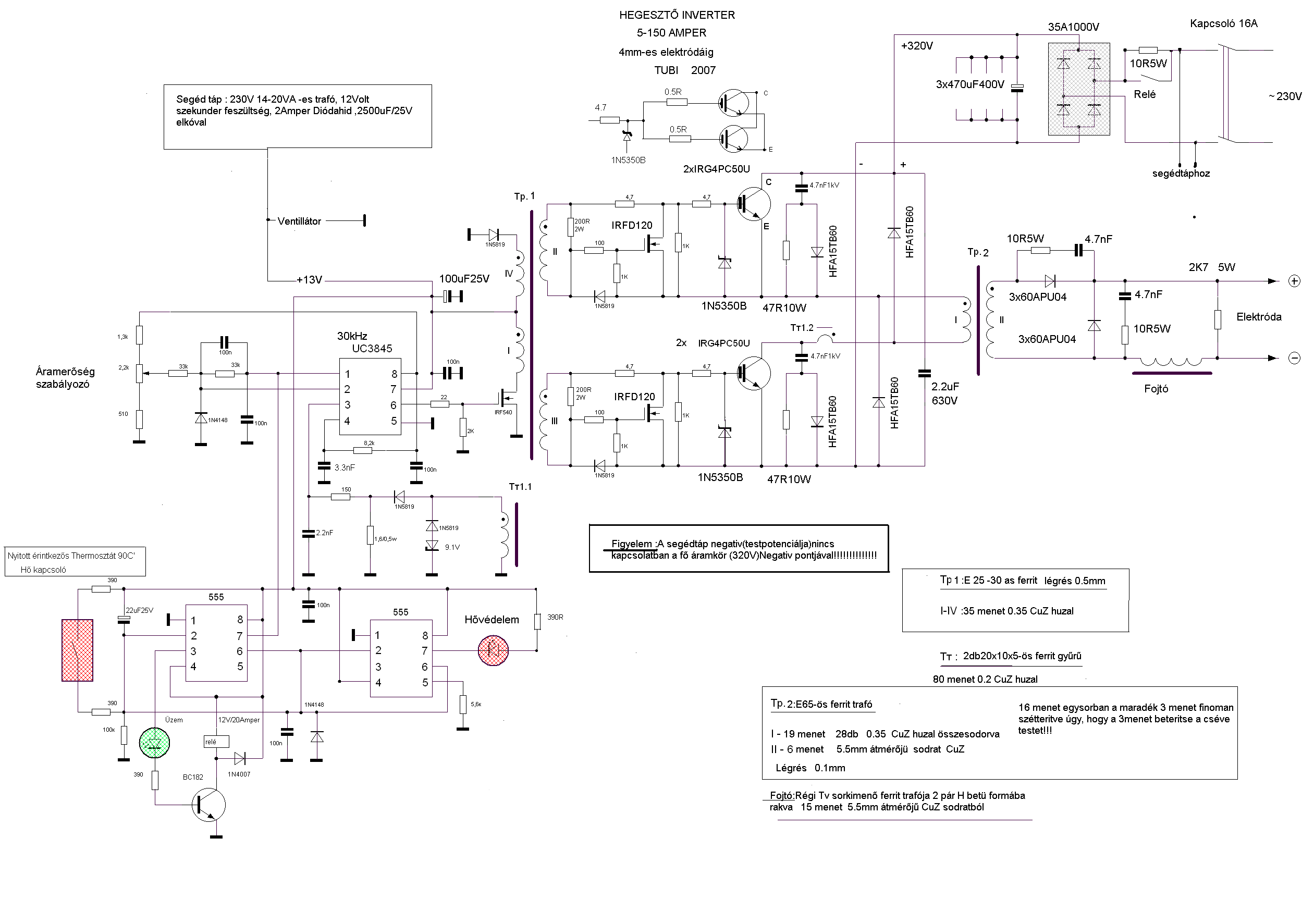
(#) Tubi56 válasza (Felhasználó 3343) hozzászólására (») Máj 29, 2009 / 1
 
igazából a kondinak az IGBT hez kéne a legközelebb lennie sőt, ha két IGBT oldal van akkor inkább mindkét oldalra 1-1µF és nem egy 2uF
(#) erdgab válasza jati hozzászólására (») Máj 29, 2009 / 1
 
Szerintem az 5. jobb,de a HFA diódák fordítva vannak bekötve! Remci észrevételeit javítva felrakom az én panelomat utoljára,nézd meg és használd mankónak vagy egy az egyben.
Következő: »»   44 / 565
Bejelentkezés

Belépés

Hirdetés
XDT.hu
Az oldalon sütiket használunk a helyes működéshez. Bővebb információt az adatvédelmi szabályzatban olvashatsz. Megértettem