Fórum témák
» Több friss téma |
Fórum » Propeller Clock
Szia Attika!
Járjunk a végére ennek a problémának. Ha egy kis LED-et a BC337 kollektoráról egy 1 K Ohm -on a plusz tápfeszre kötsz, akkor kiderülhet hol lehet a hiba. Ez a LED csak akkor villoghat, ha egy gomb le van nyomva, és csakis addig. Ha "égve" maradna valamelyik gomb lenyomására, akkor bizony nagy a gond, teljesen át kell nézni elektromosan és program szempontjából is a távit. Szia.
Szia!
A tranzisztornak telítéses üzemben kell mennie, ekkor a Uce maradék feszültség rajta csak 0.2-0.3 V kell legyen, ha nyitva van. A disszipáció ekkor 0.3V*1A = 0.3W. A bázisba ekkor az Ic/B áramnak kell folynia. A bázisáram maximuma 5V/1k - 5mA, a pic kimeneti feszültsége és az alkalmazott ellenállás miatt. A baj akkor van, ha a tranzisztor a 5mA bázis áram mellett nem tudja biztosítani az 1A kollektor áramot - a B áramerősítési tényezője < 200. Ekkor nem kerül telítésbe, az Uce nagy lehet. Ha pl.1V körüli, akkor már 1W teljesítményt kell leadnia a tranzisztornak, amit a TO96 már nem tud leadni. Nem mindegy, hogy egy típus melyik változata van beültetve pl. BC182 normál, a ,b ,c típusa között pont az áramerősítési tényező értékének tartományában van. Előfordulhat, hogy véletlenül, a tokozási különbségek miatt E - C felcserélve volt bekötve. Ekkor a tranzisztor un. inverz aktív üzemben dolgozik. Működni látszik, de az áramerősítési tényezője sokkal kisebb, mint normálisan. Meg kellene mérni a "kollektoron" a feszültség alakját, mekkora a maradék feszültség, de a mérés ideje alatt a led és/vagy a tranzisztor tönkre is menne. Az általam rajzolt verzióban van egy jumper, amivel az 50 ohm kikapcsolható. Velük párhuzamosan 1k munkaellenállás van. Azért került a kapcsolásba, hogy a tranzisztor mérhető legyen. A jumpert nyitva, pic nélkül nyugodtan nyitásba lehet vezérelni a tranzisztort, meg lehet mérni a maradék feszültségét. A led és a tranzisztor is sokág bírja az 5mA kollektor áramot. A tervezésnél el kell gondolni azt is, hogy miként lehet bemérni az áramkört...>
Szia
Nagyon szépen köszönöm a tartalmas válaszodat átolvasom még egy jó párszor mire felfogok belőle valamit de igyekszem.De kezdem érteni,hogy miért viselkedhet így ahogy leírtam.Mivel elég amatör vagyok ilyen téren és az órát is csak másodikra sikerült megépíteni,hogy működjön is így nagyon köszönöm mindenkinek a türelmét.
Valaki segítsen olvasgattam a fórumot és nem találtam sehol,hogy hova kell kötni a lithium elemet a forgórésznél,hogy kikapcsolás után is megtartsa az időt.
Szia!
Az eredetire nincs rátervezve, az áramellátást a bázis akkor is biztosítja (csökkentett teljesítménnyel, amikor a propeller áll). Amennyiben az elemes módszert alakmazod, a 78l05 föld és a +5V kivedetéseire tegyél egy - egy diódát. Az eleme szintén diódán keresztül kösd a pic Vdd kivezetésére. Szia...
Szia!
Csináltam magamnak két hibát, és sok fejtörést, mire rájöttem. Ráment az egész hétvége. Sajnos a propelleremre nem fér rá a fényerő szabályzáshoz felhasználandó alkatrészek. A kapcsolás kipróbálás alatt. A napokban majd feltöltöm. A programtár itt is kezd megtelni, jó sok extra lesz benne.
Szia Hp41C!
Nagyon sajnálom, hogy ennyi probléma merül fel néha. De ahogyan ismerlek, bizonyára megoldottad már a hiba javítását. Én egy másik órát építek, most fogom kipróbálni a mechanikát egy régebbi elektronikával. Sok sikert kivánok a programozási gondok megoldásához, szia.
Szia!
Amikor a hozzászólást írtam, már ki is volt javítva... Egy kis ízelítő a horoszkópok kedvelőinek... Egy teszt verziót küldtem, lehetne ezt az órát is próbálni... Szia
Szia Hp41C!
Rögtön meg is nézem a próbaverziót. Szia.
Sziasztok!
Szeretném megépíteni az órát,de egyenlőre csak az egyszerűbbik változatot. Van egy videofej motorom,BA6415AFS vezérlővel,de az IC adatlapját sehol sem találom.A kérdésem az,hogy sikerült-e már valakinek elindítania ezzel a vezérlővel felépített motort,vagy van-e valakinek javaslata.Nem szeretnék kisérletezni a bekötéssel,mert félek hogy kinyírom a vezérlő IC-t. Köszi!
Szia Hp41C ismét a segítségedet szeretném kérni átolvastam az egész fórumot és elvesztettem a fonalat teljesen ha jól emlékszem olvastam egy olyat,hogy van olyan pic aminek a lábkiosztása teljesen kompatibilis a pic16f628aval és a te programodat beleégetve a régi propellerbe behelyezve is müködik a napok kiírása.Olvastam,hogy valamelyik forumtársnak sikerült is így megoldani csak a fordulatszámot nem jelezte ki neki.Azt szeretném megkérdeznni,hogy melyik az a pic és melyik verziót kell beleégetni,hogy működjön?
Szia!
A kontroller maradt a 16F628A, a program pedig a 2.22 vagy 2.23 verzió. Ezek azonban az RTC-s bővítéshez készültek, de a fetételes fordítások átállításával a régi kapcsolás alapján felépített propellerre is fordíthatók. A keys.asm új parancsokat tartalmaz. SMD változat esetén külön gondosság kell a programozáshoz, mivel az új bekötés szerint a MCLR lábra az infra vevő kimenete csatlakozik, ami nem bírja ki a 13V-ot. Az új kapcsolásban ide egy (SMD) jumper kell. Jó hír még, hogy a lábkompatibilis 16F648A kontrollerrel a régi kapcsolású propelleren egy nagyobb tudású óra kialakítására is lesz lehetőség. Ha van kedved és lehetőséged, segíthetnél a tesztelésben. Nekem cak a 28 lábú verzióhoz van propellerem... A program
Szia
Köszönöm a válaszod és nagyon szívesen segítek a tesztelésben ami tőlem telik mert ugye mint írtam nem nagyon vagyok még benne a pic világában ma el is megyek és beszerzem a 16f648a-t meg veszek még egy pár darab F628at is meg kiszeretném még próbálni az eredeti távit is az f84-el.még egyszer köszönöm és alig várom a fejleményeket.
Szia!
Nem érdemes 16F84(A)-t venni, kétszer annyiba kerül. mint a 16F648A és sokkal kevesebbet tud. Ha kell, le lehet fordítani az eredeti, C -ben íródott távirányítót 16F628(A)-ra vagy 16F684A-ra. Van is fent ilyen hex. Jobbnak látom a 16F648A vásárlását a 16F628A-nál is: 4K memória, 256 byte data EEprom, 256 byte ram. A többi ugyan az, az ára csak 20ft-tal több. A 628A-ra fordított program megy 648A-n.
Szia
Igen utána néztem én is és sajna 2szer annyi mint a628a csak gondoltam kipróbálom az eredeti távírányító progit is hátha az jobban fog menni mert ebbe a beforgatásokba meg az mplab-ba sajna még nagyon nem vagyok benne.Annyit tudok egyenlőre megcsinálni,hogy fogom a pic-emet beteszem a prógramozóba és beégetem a hex filét ja és át tudom írni a szöveget is,hogy mit írjon ki.Tudom elég karcsú még de bízok magamban,hogy talán sikerül majd többet is elérnem ezen a téren.
Szia!
Bátran vegyél 16F648A-t, majd küldök hozzá való távirányító hex állományt.
Szia
Köszönöm szépen már meg is vettem de csak 2db-ot ,meg vettem 2db 628a-t is remélem elég lesz a 2db mind 2ből mert 628ból van vagy 6db,de 648a csak 2db.
Szia
Köszönöm ki is próbálom a 16f648A-ba hogy,hogy működik.
Szia Hp41C
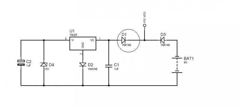
Elkezdtem rátervezni a propellerre az a rajzot amit múltkor küldtél és lenne egy olyan problémám,hogy ha a rajz szerint tervezem meg a nyákot akkor az egyik dióda mintha ott se lenne mert a rajz szerint a 78l05 kimenetére megy 1db 1n4148as dióda és ha azt bekötöm akkor az összeér a pic vdd14es lábával ami pont a 2dióda katódja.Mellékelném a rajzot meg a vicsys által tervezett prop nyáktervet mind 2 helyen megjelöltem melyik diódáról van szó légyszíves nézzél rá ha ráérsz.Ha a rajz szerint tervezem meg a nyákot akkor olyan mint ha a dióda két végét összekötném(a rajzon kékkel bekarikázott)remélem érthetően írtam le.
felteszem még egyszer a nyáktervet a rajz szerint amit kaptam multkor ott az alsó dióda anódja menne rá a stabilizátor kimenetére de ha úgy tervezem akkor annak a diódának semmi értelme ott. mert olyan mint ha összekötném a 2végét.
Szia!
Szerintem a kérdéses dióda rossz helyre került. A Greatz fölött, a 78l05 kimenetéről jövő vezetéket a szűrőkondi után meg kell szakítni. Ezt a megszakítást a diódával átkötni. Az elem negatív kivezetése mehet a 1000µF negatív kivezetésére. Még egy gondolat az elem felhelyezésével kapcsolatban. A terved szerint az elem tömege felborítja az egyensúlyt, mivel egy nagy tömegű alkatrész messzire kerül a forgástengelytől. Érdemes-e erőltetni, új áramkört készíteni, a kiegyensúlyozással kínlódni, amikor két másik út is van? 1. - A bázis állandóan tud adni tápot, csak kevesebbet, ha nem forog a propeller. 2. - Calibra társunk már megtervezte az RTC-s verzió nyákját. Az RTC-hez csak egy kisméretű óra elem kell.
Szia
Igen igazad van megtaláltam már korábban calibra terveit csak nem mertem még azt megépíteni mert ahogy olvastam tovább a fórumot mindig voltak változások meg kis hibák a rajzban és nem voltam benne biztos,hogy most melyik terv a jó.Időm még nem volt átnézni calibra tervét,hogy minden jó e rajta de szerintem hagyom akkor az én általam áttervezett nyákot és nekiállok calibra tervének csak annyi problémám van azzal,hogy nem tudok mplabbal hexe-et csinálni mert azt a programot még nem ismerem.
Na befejeztem a tervet,igen tudom,hogy felborítja az egyensúlyt de megpróbálom úgy,hogy akkor az elejét is kicsit áttervezni és akkor ott is lehetne súlyozni.Felrakom ide azt a tervet amit úgy csináltam meg ahogy a legutóbbi leveledbe írtál egy kicsit sok lett az átkötés de remélem jó.Ha megérlek tudnál rá vetni egy pillantást,hogy jó lehet e így??
Szia!
A 16F628(A), 16F648A változat kapcsolása már kb. április óta nem változott. A nagyobb, 16F876(A), 16F886 változat is csak azért, mert felmerült a fényerő állítás - szabályzás ötlete.
Igen azóta mióta írtam én is rájöttem :pirul: Mivel minden funkció ugyan azt csinálta.
Sziasztok! Elkészítettem a paneleket mit az órás cikkben találtam de most nézegetem,hogy a 10k ohm-os ellenállatok nincsenek a trnyó bázisán és közvetlen mennek a pic-re? Na már most akkor jó vagy nem a panel ha nincs 10kohm? Azt írja a cikkben,hogy elsőre indul! Ha nem muszály nem akarok másik panelt készíteni mert ezzel is rendesen elment az idő de frankó is lett! Ja és 16F628A a pic mi bele lesz rakva!
Szia!
- Ha mindent jól csináltál, az alkatrészek jók, mennie kell. Azok az ellenállások a pic életét mentik meg, ha a tranzisztorok körül valami nem jó. A kimenet áramát korlátozzák a pic által még elfogadható értékre. A pic betétele előtt gondosan mérd ki, hogy a led vezérlő kimeneteket kb. 1 kohm ellenállással +5V-ra húzva a ledek bekapcsolhatók-e. Ha minden megy, csak akkor tedd be a pic-et. Ha a pic bent van, nagyon óvatosan mérj. Egy véletlen rövidzár a pic életébe kerülhet! Ha mégis az ellenállások mellett döntesz, tegyél be egy-egy smd ellenállást (alatta vágd el a fóliát) - meg sem látszik majd. - Sok továbbfejleszetett szolgáltatás már nem fog beleférni a 16F628(A)-ba, ajánlom inkább a 16F648A-t. |
Bejelentkezés
Hirdetés |










