Fórum témák
» Több friss téma |
- Ez a felület kizárólag, az elektronikában kezdők kérdéseinek van fenntartva és nem elfelejtve, hogy hobbielektronika a fórumunk!
- Ami tehát azt jelenti, hogy a nagymama bevásárlását nem itt beszéljük meg, ill. ez nem üzenőfal! - Kerülendő az olyan kérdés, amit egy másik meglévő (több mint 17000 van), témában kellene kitárgyalni! - És végül büntetés terhe mellett kerülendő az MSN és egyéb szleng, a magyar helyesírás mellőzése, beleértve a mondateleji nagybetűket is!
Üdv!
rf relé koaxiális relé nagyfrekvenciás relé ezek ugyan azt jelentik? És milyen paraméterei vannak az ilyen reléknek? Kösz...
Üdv Mindenkinek!
Először írok a fórumba, bár sok mindent elolvastam már. Mindent elolvasni utólag szinte lehetetlen, és lehet, hogy sok mindent kihagytam. Azt kérdezném Mindenkitől, hogyan a legegyszerűbb egy legalább 6 számjegyes impulzusszámlálót készíteni. 100 000 Hz-et kellene számlálnia egy fel és lefutó kapujel ideje alatt. Ez tulajdonképpen egy 6 számjegyes stopper. Fontos lenne az alacsony fogyasztása is, mivel terepen használnám. Valójában egy nyílvessző sebességmérő lenne, ahol, ha ismert a lövés távolsága és az idő, megvan a sebesség. Sok PIC kapcsolást láttam, de külső kapuzó jelre számlálót nem találtam. Szívesen honorálom a segítséget is, mivel programozni már nem akarok meg tanulni. Mailem Email. Előre is köszi a segítséget! :nemtudom:
Gondolom, itt atlagsebesseg merese lenne a cel, mert nem egyenletesen mozog a vesszo. Gyorsul-lassul.
A PIC-ben ezt a szamlalot COUNTER-nek hivjak es igencsak gyorsan kepes szamolni, joval 100kHz felett is. A PIC alkalmas arra, hogy rogton sebessegerteket adjon meg. Hogyan jelzi az indulast es erkezest? Mikrofon? Optokapu?
Az átlagsebesség mérése kb. 5 méteres távon lenne. Ezen a távon átlagban 1 %-t veszít a kezdősebességéből a nyílvessző, tehát az általam mért sebességtől 0,5 %-t tér el. Egy 50 m/s sebességű nyílvessző az 5 métert 0,1s alatt teszi meg. Így 0,00001s alatt 0,5 mm-t tesz meg. Lehet a pontosságot fokozni, de semmi értelme. A jeleket a jelfeldolgozóm „második generációja” egy 4093-as IC szolgáltatja. Egy infra kapu elindít egy időzítést (felfutó él), melyet egy becsapódási hangjel jel leállít (lefutó él). A jeladók már jól szerepeltek, csak a jeleket (az időt) egy hangrögzítő programmal állapítottam meg, majd excelben végeztem az osztásokat.. A tökéletes az lenne, ha a PIC elvégezné az osztási műveletet is, és sebességben adná meg az eredményt. Gondolom, ide elég lenne egy egyszerűbb PIC egy egysoros kijelzővel. Mellesleg az íjászok foot/sek-ben adják meg a sebességet. A kétsoros megtudná adni m/s és ft/s-ben is? A távolságot előre be kell programozni, vagy billentyűzetről is bevihető?
Sziasztok!
Valaki nem építette még meg véletlenül az alábbi pc-s rlc mérő kapcsolást? Segítségre lenne szükségem ezzel kapcsolatban. A programja azt írja ki, hogy "line in level low", a hangkártyán állítok a hangerőn, meg a ballane-on, és akkor már nem írja ki, de összevissza ugrál, és abszolút nem azt az értéket mutatja, amit kéne, pl. rákötöttem egy 1µF kondit, és kiírta, hogy 18pF. Tud nekem valaki segíteni, hogy mi lehet a baj?
Helló ! Mint azt írtam a + - táp rendben tehát azt tudom ,hogy kettős tápról megy. De meg van a probléma oka a 10kohmos potméter csúszkáját nem negatív ha nem pozitív tápra kell kötni. Ez úton is csókoltatom a cikk szerzőjét. (offset)
Üdv nektek!
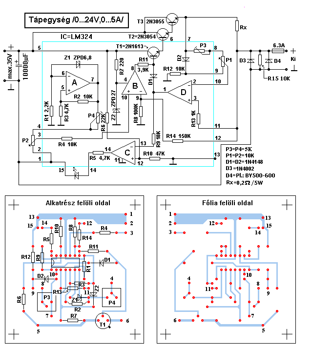
Nekem is lenne egy kezdő kérdésem: Mit jelent az a kék keret az ábrán és mit jelöl a számozás ahol a keret metszi az áramkört ?
Nagyszerű! köszönöm a gyors választ
Helló ! A kék keret a nyomtatott áramköri panel, ami azon kívül van azok kezelő szervek pl potméterem vagy led a teljesítmény tranyók a hűtőbordán stb. Ezeket külön be kell vezetékezni.
Nem gond, most már világos... engem összezavart mert ritkán találkoztam ilyennel. Köszike
üdv!
Lenne egy kérdésem.
Éppen egy Tesla trafót (transzformátort) készítek. Megvan a szekunder tekercs, 1100 menet, olyan vékony dróttal, amit adapterekben használnak (nagyon vékony). A kondenzátorok 680 Voltot tudnak tárolni. Megvan a primer tekercs, és a szikraköz. Kérdésem a következő: Mekkora feszültségű áramforrás kell a trafónak ahhoz, hogy a szekunder tekercsből kb 1dm-es ívfények csapjanak ki?
Szia ! Jó ez így te voltál a gyorsabb ! Én már öregszem, meg sikítva gépelek.
Senki nem ismeri ezt a steklámpát? Jó néhány hozzászólással lejjebb van.
Hali!
Az a csatlakozás esetleg valamilyen külső tápcsatlakozás lehet... Én azt javaslom, próbáld meg visszarajzolni a kapcsolást, és azt mutasd meg, akkor talán könnyebben kihámozható, hogy mi, hova mehet.
Saját magam készítek Tesla tekercset, mindent megcsináltam hozzá, de 20V-os váltakozó áramforrás kéne hozzá, és a szülők nem engedik, hogy a hálózatot letranszformáljam. Hol kaphatok, szerezhetek vagy készíthetek ilyen áramforrást?
Előre is köszi a segítséget!
Lenne egy másik kérdésem is. Hogy kell rádiót építeni? Mindig próbálok, de nem megy. Az áramforrás 6V lenne, egyenáram. Mit tegyek?
Üdv!
Ha a hálózatit nem engedik transzformálni, akkor használj dugasztápot, van amelyik nincs egyenirányítva. Keress ilyet! Idézet: „Hogy kell rádiót építeni?” Ügyesen-gyorsan-biztonságosan, de egyébként úgy is lehet, mint ahogy a mikróhullámút is szokták, csak ahhoz fejlettebb géppark kell.
Kösz a tanácsot a rádióról Sir. De a kapcsolási rajzra lennék kiváncsi! Tudna valaki segíteni?
tehát akkor nekem lineáris potméter kellesz a hangerőszabályzáshoz ?
Crystal radio - detektoros rádió a legegyszerűbb.
Én még egy erősítőt sem építettem, de ismereteim szerint ( az emberi hallás karakterisztikája miatt ) a lineáris potméter nem éppen ideális a hangerő szabályzására...
hello.
Az egyik haverem hangszoró tekercselésel foglalkozik már rég ota keres boltokban porvédöket a tekercs fölé de nem tudja mi a pontos neve igy sosem talal valaki ha tudja nem irja le légyszi. (A membránnak arrol a részéröl van szó amit mindig benyomnak azok akik azt hiszik értenek hozá) Köszi.
Sziasztok. Megmondaná nekem valaki, hogy a képen látható forrasztó ónban van folyasztószer.
(Szerintem nincs, de nem vagyok benne biztos).
Nézzd meg magát az ónt! Már ha kéznél van. Ha látsz benne, akkor van benne, ha forrasztáskor füstöl: szintén van benne.
Nincs benne, oda van irva, hogy massiv = tomor
Kösz. Erre voltam kíváncsi. Akkor nem veszem meg.
|
Bejelentkezés
Hirdetés |













