Fórum témák
» Több friss téma |
Fontos: PICKit2 klón építése tanácsok
Sziasztok
Sajnos nincs energiám az egészet végigolvasni Megépítettem a pickit2 clone-t(a beépített ramot nem építettem bele csak natur pic égető) De nem működik usb2.0-n Segítségre lenne szükségem Az xp felismeri de az mplab nem találja meg-mi lehet a probléma Elektronikában jártas vagyok de a picezésröl semmit se tudok, ezért vagy elektronikai nyelven kérnék segítséget vagy konyhanyelven. A segítségeteket előre is köszönöm.(kérlek pm-ben is írd meg mert ritkán figyelem az oldalt és nem tudom mindet végigolvasni-KÖSZÖNÖM) Idézet: „kérlek pm-ben is írd meg mert ritkán figyelem az oldalt” Légy szíves, a jobb felső sarokban levő nagyító ikonra kattintva állítsd be magadnak a témafigyelést!
Mindkettő PNP, de ezen kívül más tulajdonságai alapján is jó?
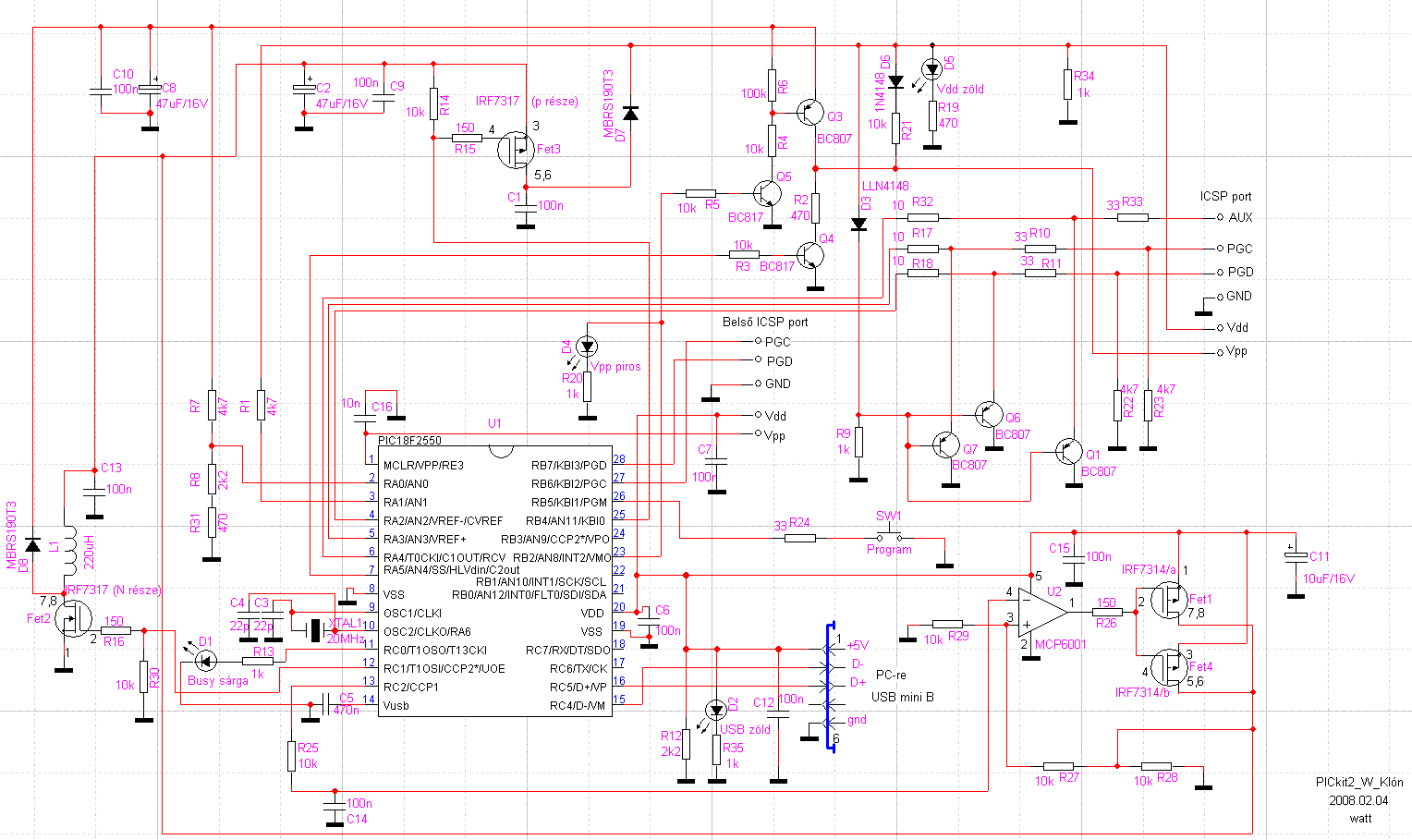
Úgy tudom, hogy a PICKit2 Programmer a 2.5-ös verziótól támogatja a soros EEPROM-okat. Az lenne a kérdésem, hogy a klón ezen verziójában hogyan kell bekötni az EEPROMOKAT.
Gondolom, a két 24LC512 SCL és SDA lábát a 18F2550 21 és 22-es lábára közvetleneül rá kell kötni, egy-egy felhúzóellenállással. De arra nem jöttem rá, hogyan történik az EEPROM kiválasztása. De lehet, hogy tévedek az előbbivel is. Várom a segítségeteket köszönettel...
Szia!
A I2C eepromokon van 3 (esetleg kevesebb) cím láb A0, A1, A2. Ezeket kell, úgy bekötni tápra vagy földre, hogy minden egyes toknak különböző legyen a címe. A kapcsolásban az egyik eeprom A0 lába a földre, a másiké a tápra van kötve. A PicKit2-ben nem csak a 24LC512 használható, hanem a 24LC1025 is, megduplázva a memória kapacitását. Ennél a típusnál az A2-t tápra kell kötni, a 24LC512-nél pedig a földre. Érdemes egy jumer közepére vinni az A2-t, a szélére a földet és a tápot. ld. PICkit_2_Programmer-To-Go_User_Guide.pdf Szia.
A kérdés az, hogy melyik soros EEPROM-okra gondolsz: arra, ami a programmer-to-go funkcióhoz kell, vagy egy általános soros EEPROM-ra, amit a PICkit2-vel akarsz programozni/olvasni? Ugyanis a PICkit2 tud párféle soros EEPROM-ot ugyanúgy "programozni", mint ahogy a PIC-eket. Ezeknek a bekötése a programozóra benne van a readme-ben.
Ha ki akarod egészíteni a PK2-t EEPROM-okkal, akkor - Itt nézd meg a rajzot - a 45. lapon a Figure A-1 en.
Igaz nem tudom mire kell ez neked, nekem eddig nem hiányzott, ezért sem tettem rá...
Ha a szoftver legújabb verzója már támogatja, miért ne legyen rajta. Lehet, hogy egyszer majd jól jön. Gondolom, a megépítését nem nehezíti jelentősen.
A programmer-to-go funkcióhoz való EEPROM-okra gondoltam, csak pontatlanul tettem fel a kérdést :szomoru1:
Tehát, ha jól értem, az egyes EEPROM-ok címvezetékeit fixen - a típusának megfelelő - táp vagy föld pontra kötöm, úgy, hogy minden egyes eszköznek más legyen a címe.
A kiválasztás úgy történik, hogy a master (PIC) a start bit után kiküldi a címet, és az az eszköz fog válaszolni neki, amelyik a fix bekötésének megfelelő címet viseli? ![]() De mire szolgál a WP vezeték? (A (#461083) hsz-ban linkelt kapcs. rajz) Idézet: „Gondolom, a megépítését nem nehezíti jelentősen.” Ha tervezel hozzá nyákot... Már látom az első kérdésed, "mi lehet a gond, hogy nem működik..."
Ha furatszerelt változatban építem meg, akkor úgyis tervezek hozzá nyákot. Azért gondolom, hogy nem nehezíti meg túlságosan.
Idézet: „Már látom az első kérdésed, "mi lehet a gond, hogy nem működik..."” Azért remélem, számíthatok a segítségetekre, ha mégis ez lenne az első kérdésem! Idézet: „Azért remélem, számíthatok a segítségetekre, ha mégis ez lenne az első kérdésem!” Ha a saját fejed után mész, akkor lehet, hogy nem lesz meg a kellő affinitás... Meglátjuk, lehet, hogy elég ügyes leszel(főleg szerencsés) és simán működni fog elsőre! ui. A klón tervezésekor nem volt könnyű a megfelelő alkatrészeket kiválasztani, főleg olyanokat, ami kapható is és nem aranyáron. Én ebben látom a legnagyobb nehézséget. A kész áramkör letesztelése sem túl egyszerű, mert nem árt pár db olyan PIC, ami 16bites, alacsony feszültségű a Vpp és a Vdd, stb. Én a helyedben kipróbált áramkört építenék kész nyáktervvel.
A következő elméleti kérdésem: a műveleti erősítőnek és a közvetlenül köré épített áramkörnek (FET) mi a szerepe, és hogyan működik?
Az miért baj, hogy szeretnék többet kihozni belőle, még akkor is, ha nem feltétlenül van rá szükség.
Ez viszi előre a világot, és nem hiszem, hogy ezen a fórum bármelyikünknek is egyedül kellene megváltania a világot. Nem gondolom azt sem, hogy az baj, hogy a magamfajta tanulni szeretne az olyan szakemberektől, mint amilyen te is vagy szerintem (ahogy itt a fórumon eddig megismertelek). Azt hittem, azért vagyunk itt, hogy segítsünk egymásnak. Szerintem egy kész panelrajz és beültetési ábra alapján bárki tud áramkört készíteni. De nem szeretnék a terhetekre lenni azzal, hogy egyes áramkörök működéséről többet szeretnék tudni, vagy azzal, hogy egy kiváló megoldást picit tovább szeretnék fejlesztni, nem megfeledkezve a megalkotójának érdemeiről.
Az hogy hogyan működik nem tudom elmagyarázni, de a feladata a megfelelő Vdd feszültség előállítása a program alapján 2..5V tartományban.
Elég kritikus az OPA, nem sok jó oda, bár lehet kapni az eredeti példányt furatosban is, ha jól emlékszem.
Van három kész terv, ennek ellenére te sajátot akarsz fejleszteni. Legyen.
Viszont én ennek nem látom értelmét, ezért nem kívánok részt venni benne.
Tehát a PIC az invertáló bemeneten határozza meg a feszültséget, és ettől függ a külső ICSP Vpp-je. (Ha jól értem)
Nem. Bocs Vdd-t írtál, én is arra gondoltam, csak...
Még annyit, hogy PWM-el állítja be a Vdd feszt.
Pusztán elméleti síkon maradva, és csak azért mert nagyon érdekel:
A soros EEPROM-ok bekötése a felhúzó ellenállásokon kívül igényel más elektronikai megoldást is? Amit az I2C busz működéséről tudok, az alapján nem. De ezt nem merem biztosan állítani. Ha a tervezésben nem is, de ebben az elméleti kérdésben szívesen venném, ha segítenél.
Innen vettem a soros EEPROM-ok beillesztésének ötletét.
Az oldalon olvashatjuk: Idézet: „Megjegyzem, hogy ha netán életre kel ez a lehetőség, akkor van elképzelésem az EEPROM-ok elegáns illesztésére, de erről majd akkor, ha aktuális lesz. ” Ezért nem értem a dorgáló véleményedet. Én is, és biztosan más fórumtársak is, nagyon kíváncsiak lennének erre a megoldásra.
Szia!
Majdnem jól értetted. Az I2C eszközöknél kétféle címzést is használnak. Az eszközök 8 vagy 10 bites címet figyelnek. A cím egy része fix, de a különböző kategóriájú eszközöknél más és más pl: memória 8 bites címzés esetén a felső 4 bit 0b1010. Ehhez a címhez még két rész tevődik hozza. A helyiérték szerint a következő az A2, A1, A0 kivezetéseken beállított logikai szintekből kiadódó 3 bit. A legalacsonyabb bit azt kódolja, hogy a következő művelet olvasás vagy írás lesz. Úgy kell bekötni az A2, A1, A0 kivezetéseket minden eszközön, hogy mindegyik egyedi címet kapjon. A PicKit2 esetén az eredeti kapcsolási rajzon az U3 címe 0xA2 és 0xA3, az U4-é 0xA0 és 0xA1 . A másik címzés az eszközön belüli címzés - esetünkben a memória melyik rekeszére vagyunk kíváncsiak. Továbbiak az I2C szabvány és a 24LC512 -24LC1025 adatlapján. WP vezeték a Write Protect: Írás tiltás. Alkalmazása az eeprom tartalmát kívánja megvédeni az elszállások, a táp ki/bekapcsolások alatt, stb. esetlegesen előforduló nem kívánatos írásoktól. A memória nem végzi el az írást, ha a WP lábon magas a szint. Ha nyákot tervezel, mindenképen tervezd ra a jumpert és a memóriákat. Nem kell beültetni, de később lehet rá igény. Még három dolgot tervezz rá: - Az L1 induktivitással sorba egy jumpert (lehet átforrasztós is). - Az L1 -el és a jumperrel párhuzamosan egy 10k-100k ellenállást. Segítségükkel a Vpp előállító rész bemérhető a jumper nyitott állásában a pic nélkül is. A többi fokozat is leellenőrizhető a pic nélkül. Ha minden funkció megy rendesen a pic nélkül, a PicKit2 el fog indulni a pic-kel is a jumper zárt állásában. - Betettem a Q1 G-S kivezetései közé még egy 100k ellenállást. Az első programozás elött ne feletkezz meg a Troubleshoot lefuttatásáról, a mérések elvégzéséről és a kalibrációról sem. Ha valami mégsem megy, írd meg nyugodtan... Szia.
Nagyon köszönöm a kielégítő választ. Remélem, hamarosan el tudom kezdeni a tervezést és az építést.
Közben az jutott eszembe, hogy amikor a soros EEPROM-okból szeretnék PC nélkül PIC-et programozni, akkor a PK2 tápellátását egy stabilizált 5V-os (pl. 9V-os elem, 7805-tel) tápegységgel, a PK2 USB csatlakozóján lehet-e táplálni.
Szia
Lehet... Nézd meg a PICkit_2_Programmer-To-Go_User_Guide leírást.
Szia!
A pic pwm kimenete a szűrőn keresztül a Vdd-vel arányos, szűrt feszültséget állít elő a C8-on. A műveleti erősítő és a fet szerepe, ebből a feszültségból a megfelelően terhelhető +V_TGT kimenő feszültség előállítása. Az erősítő a fet-en és az R5 - R6 feszültségosztón keresztül van visszacsatolva. Ne tévesszen meg senkit, hogy a visszacsatolás a pozitív bemenetre megy, a visszacsatolás negatív visszacsatolás, mivel a fet fázist fordít. Nyugalmi állapotban a +V_TGT ponton kétszer akkora feszültség van, mint a C8-on. Ha valamiéret (terhelésváltozás) a feszültség lecsökken a +V_TGT ponton, lecsökken az erősítő pozitív bemenetén is. Az erősítő kimenetén a feszültség lecsökken, a fet jobban kinyit és emelni kezdi a feszültséget a +V_TGT ponton. Hasonlóan megy a +V_TGT feszültség növekedés hatásának kompenzálása. Az erősítő kimenetén a feszültség növekszik, a fet jobban lezár, a +V_TGT csökkenni kezd. A fet kinyitására majdnem az egész +5V_USB rendelkezésre áll. Már egy Ugs<4V os fet jó erre a helyre. Szia.> |
Bejelentkezés
Hirdetés |





A kiválasztás úgy történik, hogy a master (PIC) a start bit után kiküldi a címet, és az az eszköz fog válaszolni neki, amelyik a fix bekötésének megfelelő címet viseli?





