Fórum témák
» Több friss téma |
Fórum » Házilag építhető fémkereső
Én meg figyellek benneteket és gyűjtöm a tapasztalatokat. Ha lesz időm én is befejezem.
Igazis!
Ma kicsit csökkentettem a felesleges induktivitásokat, leültettem az alkatrészeket ahogy lehet és az R30-as visszacsatoló ellenálást lecseréltem egy 1M-ásra. Így azért picit javult a helyzet... Mivel fura mód nálam akkor a legérzékenyebb, amikor a Power a legkisebb(!) állásban van, így megpróbálok oda is valami elcseszett módszerrel beletúrni, és mégközelebb a 0-ához vinni. Továbbá még gondolkodom, hogy növelem a FET felhúzó ellenálását. Lehet, hogy valahogy "túltöltésbe" kerül a tekercsem, és így viszi el az érzékenységet... De ez csak elmélet, holnap beszámolok a fejleményekről!
Várom a fejleményeket. Tudtam szerezni litzét de sajnos két darabból van . Nem lesz semmi szálanként össze forrasztani.
No, GAIN, TRESHOLD kábelek lecserélve, R6 ellenállás kisebbre cserélve, így még egy pici érzékenységet elértem úgy, hogy a stabilitás nagyjából megmaradt.
A FET ellenálásihoz inkább mégsem mertem nyúlni, mert visszagondolva nem volt künnyű beszerezni az MTP2P50E FET-et.. Szóval még továbbra is érzéketlen a keresőm, így ha már nem lett jó, akkor legyen érdekes alapon bekötöttem az LCD háttérvilágítását, úgy,hogy az is a hangszóró hangjára villog. ![]() ![]()
Helló ! Meg látjuk Hubának sikerül-e valamit javítani a keresőjén
Jelentem azt hiszem megtaláltam a hibát. Egy este unaloműzésnek fellapoztam a rádiótechnika évkönyvet amiben a fémkeresők vannak. Nézem a PI kereső rajzát, a kereső tekercsel párhuzamosan kötött ellenállás 100 ohmos. Már elég jó éjfél volt, de nem hagyott aludni a dolog, előástam a keresőt, rátettem az oszcilloszkópot és bekötöttem közvetlen a tekercsel párhuzamosan egy 330 ohmos induktívmentes ellenállást. Egyből olyan jel jelent meg a szkópon amit hiányoltam. Ma reggel kint is leteszteltem, 20 forintos jenlétét a számkijelzőn lehet látni kb28cm-ről, sípolás 20 centiről, dróthálókerítést 1m-ről látni, 80cm-ről hallani. :yes:
Szóval csak a 2K-s csodaellenállás tette be az ajtót, de nem azért mert nagyon induktívmentes kell legyen, hanem mert sokkal kisebb kell legyen, így a powert is fel lehet tekerni csontig, nem jelennek meg oszcillációk. A kicsi tekercs továbbra se javít a dolgon, mindinkább ront, de szerintem nem rossz csak a nagy tekercsel sem.
Ohh Huba! Ha ez bejön, fizetek neked egy sört!
![]()
No, beforrasztottam a 330Ohm.os ellenálást, bekapcsoltam, de mire kiértem vele az udvarra pont lemerült!
![]() Akkor már csak holnap lesz belőle teszt..
Örülök az újabb fejleményeknek, és annak ,hogy kikaparod a gesztenyét nekünk . Az ellenállás 5 Wattos amit betettél ? Egyáltalán indokolt ez a teljesítmény ? Mert nincs indukciómentesben ekkora teljesítményű itthon. A kis tekercsel nem kínlódok de a lapost tekercset meg próbálom, csak most meg én nem érek rá.
Szerintem 5W sok oda. Én elég kis szén ellenállást használtam, nem tudom mekkora a teljesítménye, mert nagyobb felületen diszipál mint a huzal ellenállások. Pont akkora mint a KÉPEN a 2,2K-s ellenállás, de csak langyosodik.
Kösz nekem kb 2 wattos van és 220 ohmos.
Szerintem jó lesz az is. Ez a 330-ohmos is azért ilyen értékű, mert csak ez volt ohmos nagyságrendben induktív mentes a dobozban.
No, nembírtam, a töltés felénél kipróbáltam a fékeresőmet! Az eredmény valóban meggyőző!
Én is egy induktivitásmentes 330ohm-os(Videoton TV-ből bontott)+ 2kohm-os smd ellenálással próbáltam, és egy rozsdás vasszögért 30centit kellett ásnom! ![]() Jó, ilyesminek nem szokás örülni, de én azért még örültem! ![]() A 20-as "söprögetésnél" kb 15 centiről szépen észrevehető, hallható, ami már szerintem éppen elég! (Egy külföldi oldalon olvastam, hogy aranyat felépítéséből adódan nem igazán érzékel, szóval olyan fémkeresőt csináltunk, hogy igazi kincset sehogy sem lehet vele keresni. ![]() Köszi Huba az infókat!
Szia ! Te mikor alszol ? Régebben rám szóltak itt a fórumon ,hogy ha aranyat találok azt be kell vinni a jegyzőnek a Tanácsra nehogy én vigyem haza majd Ők elrendezik a sorsát. Így aztán nincs gond mert aranyat úgysem találunk szöget meg nem kell bevinni. Gondolom!?
De lehet ,hogy beviszem. Nem egészen értem, A két kohmos ellenállást lecserélted 330 ohmra és mi a + 2 kohm SMD ? Valami arannyal azért ki kéne próbálni.
Szia! Hát én akkor alszok, amikor sikerül. Tegnap pl egy kis garázs-buliból jöttem be 2-kor, most egy póker partin voltam.
![]() Elvileg mindent be kell vinni, amit találunk, még a szög sem a miénk, csak ha az önkormányzat utólag úgy rendeli! Én az általam csinált 2K-s ellenálással prárhuzamosan kötöttem a 330Ohm-osat, így ezek eredője: 270Ohm (kb, most már ki nem számolom), amit ugye tovább csökkent a tekercs ellenálása. Arannyal is próbáltam, konkrétan egy aranygyőrűvel, de azt egyátalán nem érzékelte (igaz, akkor még nem volt rajta a Huba-ellenálás)
Szia ! Találtam egy Angol oldalt egy PI keresőt PIC-el, LCD-vel és kimondottan aranyhoz ezüsthöz ajánlotta a szerző. De csak kapcs. rajz beültetés és alkatrész jegyzék van. Nyák nincs. A tekercsel párhuzamosan egy 100 ohm és egy 330 ohm van sorosan. És szó sincsen induktivitás mentes ellenállásról. Mellékelem a rajzot remélem fel tudod nagyítani , nekem nem sikerült. Most két napra eltűnök.
Jóét nagy hoho
Hali! Hát nagyítás alatt nemtudom mit étresz, mert ez a rajz magában is jó nagy!
Amúgy jónak tűnik, olcsó PIC-kel bár így nem sokat ér, mert ugye a PIC progija is kellene minimum a megépítéshez. Elvileg a mi keresőnk is átalakítható "aranyosra", de akkor más fémek érzékelése csökken. (Aranyhoz hosszabb mintavételezési idők kellenek, míg más féhez rövidebbek) Egyébként én az infót innen szereztem: Pulsdetektor.de/Apboard
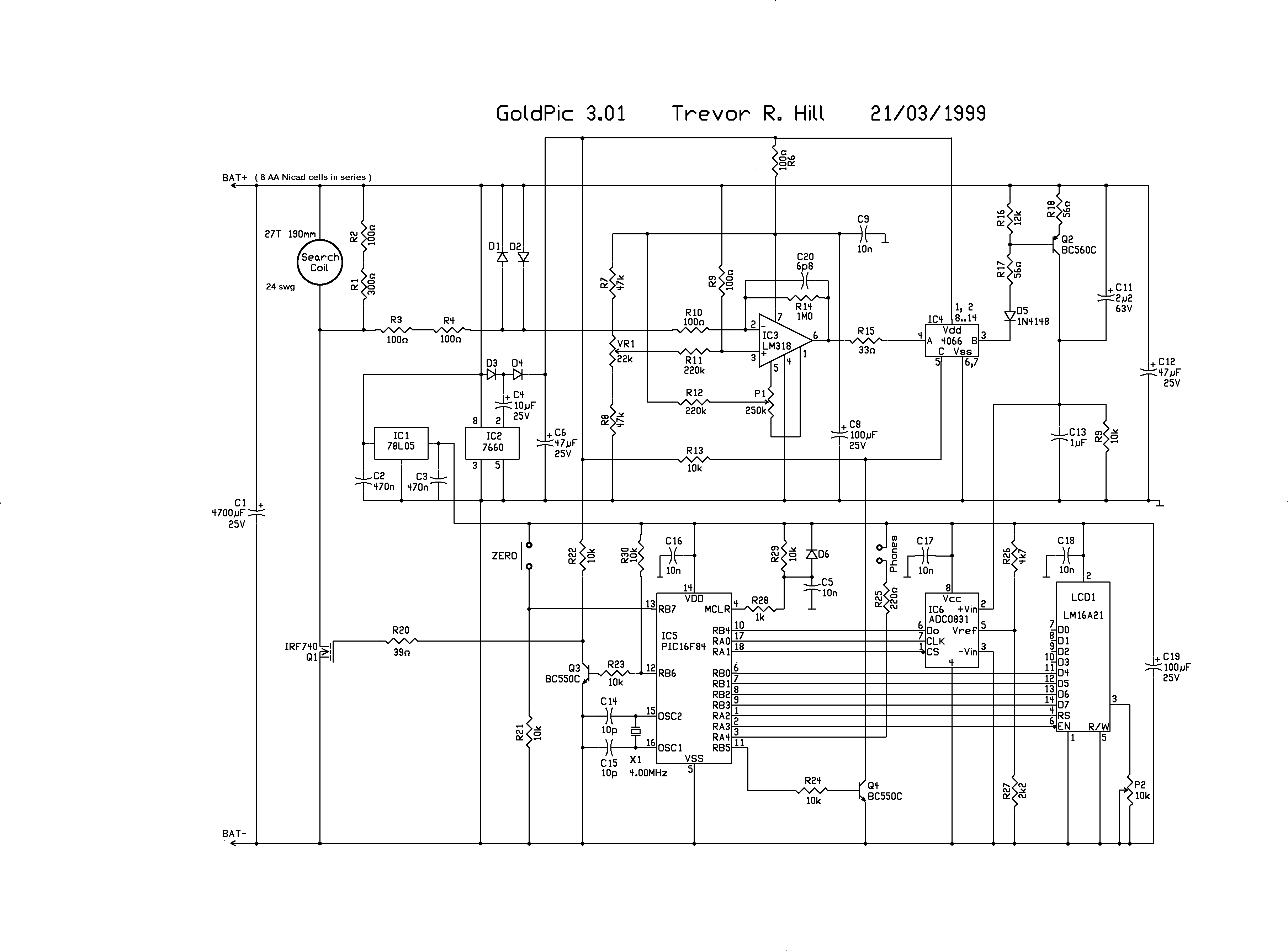
Szia! Itt a hex a GoldPic 3.01-hez. Üdv.
Ohh, köszi! De ha esetleg már megépítetted és van róla tapasztalatod, azt is szívesen vesszük!
![]()
Helló! Bele olvastam az általad belinkel oldal fórumjába én a Németek is panaszkodnak az érzékenységre a Minipuls-3-nál. De Ők ez IC.ket cserélgették illetve az R30 ellenálást cserélték kevés sikerrel. A mintavételezési idő megnövelése meg oldható csak kellene kísérletezni ,hogy mekkora idő kellene.
Az IC-ket valójában azért cserélgették olyan bőszen, mert nem igazán tudták beszerezni LF357-et.
A mintavételezési idő az az AVR-ben változtatható, SISCO nevű felhasználó rengeteg időt szentelt ennek kitapasztalására. (Mondjuk ő elég rendesen át is tervezte a kapcsolást, tett bele mégegy FET-et, meg ilyesmi. Az elmondása szerint egy 20-as féle pénzérmét 35centiről érzékelte egy kis kisebb tekerccsel. Itt is sokat mesél, de sajnos eltűnt már két éve..
Helló ! Érdekes volt ,hogy többen felvetik,hogy cserepet vagy kerámiát,téglát is kijelzik a keresők. Egyébként én strandon kerestem idáig és az a gyakorlat ,hogy 15-20 cm-nél mélyebben nem ágyazódik be a kisebb fém tárgy. Irja ,hogy 50X50 cm-es vaslapot 150 cm mélyen kimutatta a kereső. Nekem ilyen érzékeny nem kell, nem vagyok én sírásó ! Meg oldódott már az áram ellátás ? Én egy 12 Voltos 4 Amperes zselés akkut fogok használni.Az napokig bírja nem kényes a töltésre és árban is elfogadható. Én ingyen kaptam. Igaz van súlya kb 1/2 kg. De nem építem be a műszerbe ha nem külön egy oldal táskában viszem majd.
Háát, eredetileg a GAIN poti a mélység állítására (is) volt oda kitalálva. Nekem megmaradt a 10db tölthető elemes ellátás. Ez a pakk fixen be van építve a keresőbe, és egy DC-csatiról tölthető (A bekapcsológombom két állású: vagy keresés, vagy töltés. Egyszerre badarság lenne) Egy egyszerű, 7805-ös IC-ből felépített áramgenerátorral töltöm őket 20V-os laptoptöltőről. Így a töltési idő kb 20óra, a működési idő: 6-8óra.
Holnap befejezem az LC-mérőm, azzal szépen ki tudok majd méricskélni mindent a keresőmben, ha lesz rá érdeklődés Egyébként itt is rájöttek arra, amire nemrég Huba, de attól még én továbbra is Huba-ellenálásként szeretném bevinni a köztudatba! ![]() Amúgy mi a helyezet a Te keresőddel? AVR már be van programozva? Próbálgattad már? Ha jól tudom, Te a Minipuls2-őt csinálod.
Még az AVR nincs programozva és én valóban a Minipuls 2-öt csináltam meg.Nekem valahogy egy analóg műszer értékelhetőbbnek tűnik mint az LCD. Bár az enyém is LCD csak bar graph kijelző. A tápra azért kérdeztem rá mert olvastam a NiMH topiban ,hogy voltak gondjaid az akku töltéssel. A "Huba ellenállás" nagyon tetszik!
Igazán szívesen. Nem építettem meg, mert találtam egy másik készülék leírást, ami szimpatikusabbnak tűntik. (ClonePI). Ezt megépítettem, erről esetleg tudok tapasztalatokkal szolgálni. Üdv.
A Clone PI-vel én is sokáig szemeztem. Neked hogy sikerült? Érzékenységről esetleg tudnál mondani pár szót? És ha esetleg még képeket is tudnál feltenni, azt külön megköszönném!
![]() ![]()
Helló ! Légyszíves bővebben fejtsd ki a témát. Köszi.
Egy kis segítségre lenne szükségem. Pinpointert szeretnék csinálni. Egyszerű ferrit antennás fémkereső kapcsolási rajza kellene. Kívánalmak: egyszerű felépítés, könnyű kezelhetőség, 1 forintost 4-5-ről érzékelje, bekapcsolás után egyből működjön. Csak kipróbált kapcsolás érdekelne. Minden segítséget szívesen veszek. Köszönettel.
|
Bejelentkezés
Hirdetés |