Fórum témák
» Több friss téma |
- Ez a felület kizárólag, az elektronikában kezdők kérdéseinek van fenntartva és nem elfelejtve, hogy hobbielektronika a fórumunk!
- Ami tehát azt jelenti, hogy a nagymama bevásárlását nem itt beszéljük meg, ill. ez nem üzenőfal! - Kerülendő az olyan kérdés, amit egy másik meglévő (több mint 17000 van), témában kellene kitárgyalni! - És végül büntetés terhe mellett kerülendő az MSN és egyéb szleng, a magyar helyesírás mellőzése, beleértve a mondateleji nagybetűket is!
Köszönöm! Tudnál valami blokkvázlatot küldeni? Értem az ötleteidet,csak azt nem tudom hogy mit hova kössek.
Remélem jól rajzoltam az elképzeléseidet.Az ÉS kapus kapcsolással vagyok bajban,nem tudom hogyan merre.Egy kapcsolási rajzot nagyon megköszönnék!
Megint elfelejtettem a képet!!
Az nem jó...
Rövidre zársz egy áramkört! Inkább nézd meg a szamlalo.gif fájlt... Elmeek ebédelni, és megcsinálom a kapusat...(legalább is megpróbálom... )
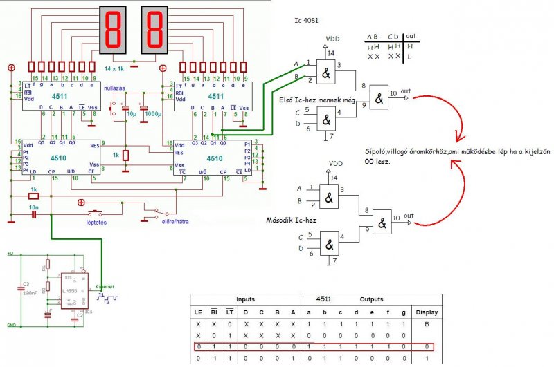
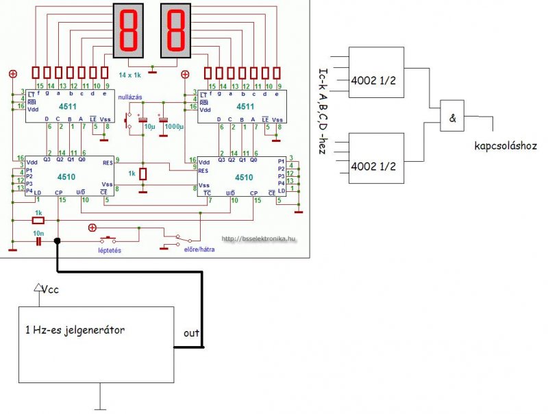
Utólag végiggondolva, legegyszerűbb ha két NOR kaput használsz és egy ÉS-t.
Például 4002-es IC tartalmaz 2 darab NOR kaput. A szirénát közvetlenül nem kapcsolhatod rá a logikai kapu kimenetére, mert azok csak pár mA-t bírnak elviselni. Egy tranzisztoron keresztül kellene. Viszont egy ledet ráköthetsz egy 470ohmos ellenállással, és láthatod hogy működik vagy sem az időzítőd.
220nF kondival meg 10k ellenállással is gyengít a hangon nem szól jól
A rövidzár lemaradt
Itt csak az a probléma hogy átalakítottad a kapcsolást a 15 láb körül,kivetted a léptető gombot,az ellenállást és a kondenzátort.Ez azért baj mert a kapcsolás már kész,ilyen ,,drasztikus'' átalakítás nélkül kéne megcsinálni.Úgy szeretném hogy az időzítős része leválasztható legyen a kijelzős részről(ezt meg tudom már oldani).Szóval az a lényeg hogy lehessen használni a kijelzőt és az időzítőt is külön-külön.
Mindjárt küldök egy rajzot.
Az 1 Hz-s léptetés szerintem kevés lesz. 2-5Hz-cel kéne.
amúgy meg lehet, hogy nem is ez kellene neki
Az ellenállás és a kondi a pergésmentesítés miatt van. Ez a funkció jelgenerátornál feleslegessé válik, és azért szedtem ki! De nem probléma, ha ott maradnak! Ily módon a gomb is benn maradhat!
kiskacsa2009: Azt írta, hogy másodpercenként kell léptetni -> 1Hz
Itt a kapcsolás.Ehhez mit szóltok?
Igen,másodpercenként kéne léptetni.
Most látom,ez meg azért nem jó,mert ha a kijelzőn 00 lesz akkor az ÉS-ek kimenetén is 0. Egy inverter segíthet a problémán?
Igen erről van szó.
Ugye említetted, hogy pl. 60-tól számoljon visszafelé. 1. előre/hátra kapcsoló hátra állásba! 2. A bonyolultabb része, hogy beállítani 60-ra. Ezt a 4510 IC P1,P2,P3,P4 lábaira adott bináris értékekkel állíthatod be! Továbbiakban ajánlom figyelmedbe az adott IC adatlapját, mert fejből én sem tudom pontosan ezt lépést! Ehhez viszont meg kell bontanod a kapcsolást!
Oké.Akkor ezzel a kapcsolással kísérletezem majd.
Köszönöm a segítségeteket! Ja még annyit hogy,mondtad hogy közvetlenül nem lehet meghajtani egy csipogó áramkört vele,csak tranzisztorral.Ehhez tudnál valamit segíteni?Vagy jó az a kapcsolás amit küldtem?
Na és ha úgy csinálnám,hogy beállítom a kijelzőn a 60-as számot,az előre/hátra kapcsolót hátra állásba,és miután mindez kész,rákapcsolom a jelgenerátort,ami 1 Hz-es frekvenciával 0-ig visszafele számol,és mikor eléri a 00-t akkor a NAND-os ÉS-es kapcsolás kimenetén lévő kapcsolás csipog/világít.
Igen, ez a legegyszerűbb megoldást
így is be lehet állítani a 60-at.Előző kérdésedre: Annyira nem vagyok még rutinos a tranzisztoros kapcsolásokban, de összeállítottam neked egy illesztést, amely talán a (463025) hozzászólásodban csatolt sziréna áramkörödet egy tranzisztoron keresztül meghajtaná. >> Szeretném kikérni a fórumtársak véleményét a kapcsolásról, amit csatoltam. A kapcsolással egy logikai kapu max 1mA-es kimenete, egy max 100mA-es fogyasztót kapcsolna. Jelenesetben egy 555-ös timerrel megvalósított sziréna áramkört. előre is köszönöm
Sziasztok!
A nem állítható kapcsolásban a led kb. milyen frekvencián villan fel? A másik állítható kapcsolásban hogyan kellene változtatni az értékeket, ha a potméter 22k lenne? Köszi
Ha jól sejtem az 5 V (azon kívül hogy az 555-ös szirénát szólaltatja meg) az 547-et nyitja ki az ÉS kapu kimeneti áramával.
Ha ezzel a kapcsolással szeretném a csipogót,akkor gondolom elég az általad linkelt rajzon lévő 5 V helyett 1,5 vagy 2 V, 547 helyett pedig 182 ?
Sziasztok! Készíteni akarok a biciklimre egy "modern" lámpát. Na most ezt tulajdonképpen azért akarom megcsinálni, hogy csináljak valami hasznosat. A lényege az lenne, hogy van egy 4,3V-os töltőárammal rendelkező napelem ami 2 db 600mA-es, 1.2V-os akkumulátort töltene és van 8 db LED is ami világítana akkor ha felkapcsolom. A napelemnek töltenie kellene az akkumulátorokat mindig... A kérdésem az volna, hogy ezt hogyan lehetne megvalósítani?
Sziasztok
Van egy Phonic MM1002-es keverő, és az a kérdésem lenne hogy milyen erősítőt ajánlotok hozzá? Én autó erősítőre gondoltam... Kép
Hello!
Idézet: „A nem állítható kapcsolásban a led kb. milyen frekvencián villan fel?” Nem túl jó kérdés! A led, nem "frekvencián villan fel" hanem egy ideig ég. ez gyakorlatilag attól függ, meddig van nyitva a tranzisztor, azaz meddig van elegendő bázisárama. Tekintve, hogy a hangfrekis jel egyenirányítva van, így az R1/D1-en keresztül a C1 feltöltődik. Hogy mekkora feszültségre, az elsősorban a bemeneti (hangszóróra jutó) feszültségtől függ. Ahhoz, hogy a tranyó bázisába áram folyjon, A kondiban a feszültségnek minimum 600mV felett kell lenni. A kondi kisütési idejét az R3 ellenállás értéke és a C1 kondi kapacitása határozza meg alapvetően (Persze, ha a zenei jel nem tölti állandóan a kondit). Közelítőleg, ha jön egy zenei löket, akkor a Led kb. a C1*R3 ideig fog tovább világítani, mint ahogy a zene megszűnik. Tehát ha ezen időn belül érkezik még egy "löket", akkor folyamatosan ég. Egy szóval, a Led "dinamikus viselkedését" a C1 kondi nagyságával és az R3 értékével lehet befolyásolni. Mert gondolom a kérdésed erre irányult. Itt ez kb. 0,1..0,5sec időt tehet ki a zene dinamikájától függően. Ha a második kapcsolásban 22kohm-os potit használsz, valamivel tovább tart a kisütési idő, de mivel a tranyó bekapcsolási szintjét Te fogod a potival beállítani, így szinte változatlanul az R7 ellenállás fogja meghatározni az "után világítási időt". üdv! proli007
Igen, bc182 is jó lesz.
1.5V esetén 10ohmos ellenállás is elég (az 50 helyett).
Hello!
Ha már "Szeretném kikérni a fórumtársak véleményét" ezt írtad.. - Az ÉS kapu nem jó erre a célra, mert pont azt kell detektálni, amikor az ABCD kimeneten minden jel szintje alacsony. Az ÉS kapu, kimenete, pedig csak akkor magas, mikor minden bemenet magas. Tehát itt a NOR kapu lenne az üdvözítő, hiszen annak csak akkor magas a kimenete, mikor egyik bemenete sem magas, azaz mind alacsony szintű. A legegyszerűbb nyolc bemenetű VAGY kaput, diódákból lehet készíteni, és ennek kimenetén célszerűbb egy tranyós "inverter", ha már a csipogó is tranyós felépítésű. - A tranyós csipogó első tranzisztorának munkapontját lehúzzuk, akkor elhallgat a jelzés. (Grátiszként ilyenkor nem is fogyaszt sokat.) - Arra is számítani kell, hogy a jelzés, csak egy másodpercig fog fennállni, hiszen a számláló nem áll meg nullán, hanem tovább számol visszafelé. Tehát ismét 9-es lesz. Lerajzoltam, hátha nem elég érthető. Természetesen a diódák száma tetszőlegesen "szaporítható". üdv! proli007
Sziasztok!
A következő kérdésem lenne, amiben remélem tudtok segíteni. Adott egy hipermarketes neve nincs videó megfigyelőrendszer. Egy központi egység kijelzővel stb. stb. és 5 kamera. Minden kamerához külön kábel megy és ezen megy a táp, a videó jel és a hang. Sajnos az egyik kamerát messzebbre kell rakni, mint ameddig elér a kábel. Vettem kábelt hozzá, de a boltban csak olyan volt ami annyi erű mint a gyári + van árnyékolás. A gyárin semmi árnyékolás sem volt ezért arra gondoltam bekötöm azt is, hátha kicsit ellensúlyozza a megnőtt kábelhosszt. Anno a suliban tanultam a különböző fajtákat, hogy hogyan kell bekötni (mindkét oldalon GND-re köt így áram folyik rajta vagy csak a tápegység felőli oldalon és így áram nem folyik rajta ezért nem okoz földhurkot) de sehol sem találom a füzetem. Szóval ezért kérdezlek titeket. Jó az elgondolásom, hogy csak a központi egységnél kötöm be az árnyékolást a GND vezetékre?
Ezzel arra akarsz utalni, hogy jól gondolom? Csak mert itt ülök pákával a kezemben és nem szeretném kétszer csinálni!
Hello!
Bocs, igen! Ha egy oldalon földeled az árnyékolást, akkor nem lehet földhurok. Egyébként igen messziről (hosszú kábelen) szimmetrikus videó jelet lehet vezetni és persze szimmetrikus bemenettel fogadni. Sodrott érpár esetében is jó képet lehet átvinni. (Rajzot ne kérj, mert már nincs a birtokomban. Egy Német cuccból koppintottuk le.) üdv! proli007 |
Bejelentkezés
Hirdetés |





) 







így is be lehet állítani a 60-at.







