Fórum témák
» Több friss téma |
tisztában vagyok vele, ez csak egy kisérleti darab
majd a következőnél ügyelek a szigetelésre egyébként ez is le van lakkozva, eddig nem is volt vele gond
Összedobtam én is azt az inverteres cuccot. BT151 helyett az öreg BT138-at adott. Még jó, hogy utánanéztem, mert az nem tirisztor, hanem triak. De sebaj, volt itthon egy, hát beletettem. Az meg kiderült hogy rossz. Úgyhogy kivágtam és próbaképpen csavarhúzóval rövidrezártam az A és K lábait. Szép nagy szikrát húz. Egyszerű is. Nekem elnyerte tetszésem.
uli
Szia!
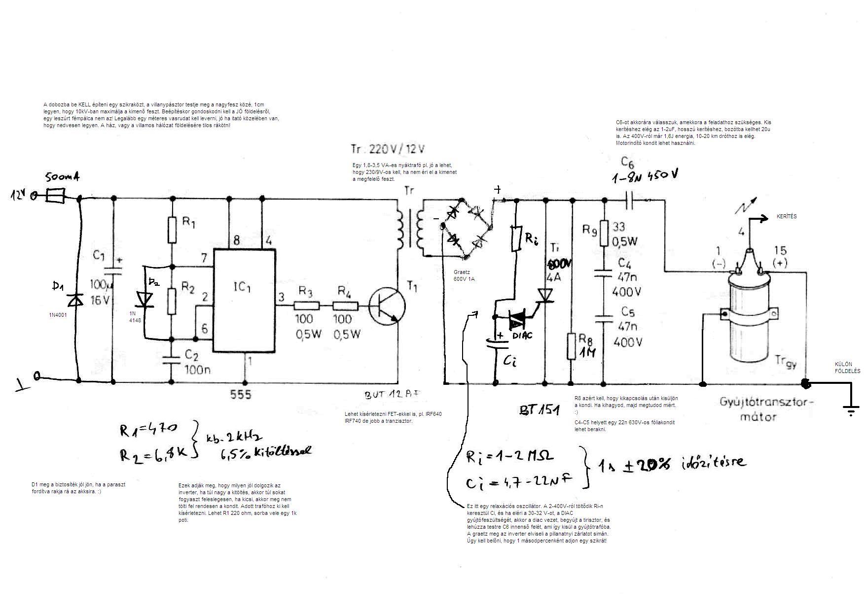
Érdekelne a cucc amit építettél! Fel tudnád rakni a kapcsolását? Előre is köszi!
MÁr mindegy, visszavittem a boltba, és kaptam helyette TIC126ost. Beraktam és semmi sem működik. Kikéve se. Most próbálok rájönni a hibájára. Valami valószínűleg zárlatos lett. Remélem sikerült még ma megcsinálni.
kössz: uli
Azt nem tudom, mi lehet a zárlatos a második felében.
Egy tirisztorról hogyan tudom megállapítani jó-e? És egy diakról? A C-i lehet egy 50 V os darab nem??? Ott úgyis csak addig emelkedik a fesz., ameddig a diak ki nem nyit, ami 30V körül van nem? uli
A tirisztor katód-anód közt szakadást mutat mindkét irányban ohmmérővel mérve, ha jó. Gate-katód közt a multimétertől függően 150-250mV-ot mérhetsz dióda állásban, illetve kohm állásban 150-250 om körül, függetlenül a mérőzsinór polaritásától.
Ez a BT151-re vonatkozik!
Sziasztok!
Eljutottam oda, hogy a problémám a következő: A "relaxációs oszcillátor" nem működik. A kondi, legyen akármekkora is, nem töltődik fel az életben sosem 30-32 V ra. 500mVon megáll. Ri nálam 1MOhm ell. +1MOhm poti. Kondi pedig többféle volt, az ajánlott értékek közt. Végül oda jutottam, hogy az 1megás ellenállatot rövidre zártam és az 1m-es potival próbáltam szabályozni a dolgokat, de a kondi csak nem töltődött. Végül az ellenállás (1M) pillanatnyi rövidrezárásával begyújtott a diak, és lőn szikra. Ujból megismételve ismét. Szóval ott a gond. Azon gondolkodom épp, hogy 555-össel vagy egyszerű astabil multivibrátorral fogok oda rendes cuccot építeni. De egy dolog közben felmerült bennem. Kicsit csúnyán írt a tag, és lehet én látom rosszul: 4,7-22 nF vagy uF??? µF-nek vettem, mivel a C6 is hasonlóan csúnya, és ott mikrofarád kell. Van akinek működik ez az időzítős rész? Van ak i megépítette már? Kössz: uli
Szia!
Én megépítettem, 22µF-os kondival és 1.5 Mohmos ellenállással. Így az időzítés kb 1-1,2 sec.De ha emelem vagy csökkentem a betáp oldalon a feszt, akkor ez az érték kismértékben változik. Potit nem raktam be csak ellenállást. Engem még az érdekelne, hogy ha aksiról használom és a földelés is jól meg van csinálva, akkor az aksi sarut megfogva miért ráz? Gondolom a 230/12v-os trafón keresztül jön vissza valami feszültség impulzus, de mit lehet ellene tenni?Már 2 Ic-m megdöglött
Annak működni kellene.
Kösd le a gate-lábat, és igy mérj rá feltöltödik-e a 22µF kondi, de a diac után rakj egy 1k ellenállást, az egyik lábát a testre, hogy a feszültség a kondin ne tudjon túl nagyra növekedni. A kondi legyen 63V-os a biztonság okáért.
Szia!
Lekötöttem a gate lábat és a diakot egyben a kondiról. Így már szépen töltődik fel a kapacitás. Ez esetben mi a teendő? Diak csere? kössz: uli
És ha a diakot bennehagyod, az 1k rákötöd akkor mi az ábra?
Nem véletlenül irtam az előző hsz-ben, mivel igy kitudod szűrni,hogy a diak szivárog-e túlzottan, vagy a tirisztor kapuja rossz.
Így gondoltad?
szerk: Vagy a diak másik végére az 1k? Kössz: uli
A sima diódák nem helyettesitik a diakot!
Erős a gyanúm, hogy Te nem is diakot használsz,hanem valamilyen diódát.... A diakon nincs gyűrűjelzés, és mindegy hogyan kötöd be, ~kb 30-32V-nál lavinaszerűen kinyit, ezalatt szakadást mutat. Végső esetben lehet helyettesiteni két ellenpárhuzamos zenerrel+ azokkal sorosan egy-egy sima 1N4148-as diódával. Esetleg lerajzolhatom, ha nem érted. Viszont ebben a kapcsolásban az is elég lehet, ha a diak helyett teszel egy kisteljesitményű zenert, bármilyen jó 10-32V közt. A zener katódja (gyűrűvel jelzett) lábát kösd a kondira, az anódját pedig a gare-ra. Ha éles a zener könyökpontja, akkor működni fog, elinditja a tirisztort. A kisebb feszültségű zenerrel sűrűbb gyújtást kapsz, ezt kompenzálhatod a töltőellenállás változtatásával. Ha tudsz tegyél fel egy képet a "diakról".
A Zener nem jó, nem süti ki a kondit rendesen, amikor leesik a feszültség, lezár, míg a diak addig van nyitva amíg a tartóáram folyik rajta.
Glimmlámpával lehet helyettesíteni, csak az 80-100V körül nyit ki, szóval kisebb ellenállás kell hozzá. Az rc tag időállandója amúgy függ a töltő feszültségtől is, ha az nagyobb, akkor gyorsabban tölt.
Ez igaz, de a TIC 106 nagyon érzékeny gate-val rendelkezik, itt valószinűleg megfelelne.
Bár ekkor még szükség van egy kisütőellenállásra is, ami a kondi töltését lenullázza. Egyszóval rendes diak kell ide!
Vagy/és szupresszordiódát, vagy varisztort.
Nos, most egyben válaszolnék mindenkinek.
Amit kaptam "diakot", van rajta egy csík. Ezt én furcsállottam, mikor megvettem, de beépítettem, nem láttam még ilyet. Ma, csak kíváncsiságból kimértem, és kiderült, hogy jól átvertek. Az csak egy sima dióda. A diakot azért helyettesítettem 2 sima diódával, mert az öreg a boltban mondta hogy lehet úgy. Ezek szerint nem. Akkor holnap veszek végre egy igazi diakot. Remélem megoldódik a probléma. Kössz a segítségeteket. uli
Szia!
A kondi, vagy a varisztor milyen feszültségű legyen? Varisztorból 510v-osat találtam itthon
Láss csodát, rendes diakkal gyönyörűen szikrázik a kicsike.
Azon gondolkozom, most sem nyáktrafó van benne, nem is nagyon tervezek azt venni, megemelem az 555 frekijét 20-30 kHz-re, sé PC táp trafóját teszem bele. Most is azzal zümmög. Viszont akkor már elgondolkodok, hogy vlami FETet kéne a végére dobni, hogy jó legyen. Szerintetek? vagy hagyjam így? Kössz a segítséget mindenkinek: uli
diak helyett glimlámpát is tehettél volna bele, az is ue tudja mint a diak, és legalább villog amikor feltöltődik a kondér
![]() próbálgattam a fetet, de az a bajság hogy oda már fetmeghajtót érdemes rakni, és arra figyelni hogy 10V alá ne igazán essen a feszültség, hiszen akkor már a fetek többsége nem nyit ki rendesen, TC4427 el próbálgattam teljesen hideg volt a fet, csak a fet gate lába és a föld közé tegyél egy 18V körüli zenert, ne pofázzon vissza a fet a meghajtó fele, mert hipp hopp tönkrevágja a nagy visszajövő fesz egyébként 20-30kHz nem lesz kevés a pc táp trafónak? oda 100kHz kellene legalább.... és most milyen trafó van rajta? és mennyit fogyaszt a kapcsolás? feltudja tölteni a 20µF os kondit 1 sec alatt 400V ra?
Szia!
Glimmlámpám nem volt, meg a diak járt az eszemben, azért vettem azt. Most is a PC táp trafója van rajta. Fogyasztása 90 mA nekem 1µF os kondim van a végén és 200-220 Vra tölti fel. Ennél nagyobb fesz később sem mérhető rajta. Uli
köszi
gyorsütemben ki is termeltem egy rosz pc tápból a nagy trafót ( vargáné féléből), lesz egy kis időm majd kipróbálom 1µF ost kb 1 sec alatt tölti fel? egyébként ezek a trafók 300-400W ot tudnak átvinni, tehát csak a meghajtáson múlik hogy mi jön ki belölle
Villanypásztorba bőven elég 8-10W-os trafó és kapcsolás.Én is tekertem már sorkimenő vasmagra +sz.gép táp magra,simán kijön 3Kv diódák nélkül 20KHz-en.A meghajtás 555Ic-vel megy kapcs.tranzisztor BUT11A,BUT18A,de volt már IRF634 fet is beépítve,ezzel sem melegedett jobban.Mindig amit találok itthon azt teszem be,erre a kis frekire sok minden +felel.
|
Bejelentkezés
Hirdetés |










