Fórum témák
» Több friss téma |
Fórum » A műhely (bemutató topik, ahol az alkotások készülnek)
Témaindító: Müszi, idő: Okt 19, 2006
Témakörök:
Ez a műhelyünkről készült képek, leírások, mi miért oda került, hogy lehetne még jobb hozzászólások témája.
Igen,erre gondoltam én is! :yes:
A talpa is levan kenve,a rozsda ellen! ![]() Először néztem is hogy ott mi a venének,megszagoltam utána jutott eszembe hogy mi is van rákenve és miért
Ez a ház fúrója!
Elvileg 900W de a fát nem fúrja rendesen,a fala meg még inkább! 2 van lenn a raktába,az egyikkel a satut fúrtam le az asztalra és egyszer csak elkezdett szikrázni a vezetéke Azt majd ki kell cserélni![]() Amúgy volt már TESCOS dekopírfűrészem is! Ollyan jól vágott...az első deszkáig 2. lécnél elkezdett füstölni,pihentettem azt a végén meggyulladt A poroltókat nem nagyon ellenőriztetik,de szerencsére az még működött ami kéznél volt!
Nem akarnék nagyon bölcselegni, de a mellékletednek éppen az autotrafó része biceg, méghozzá elég durván.
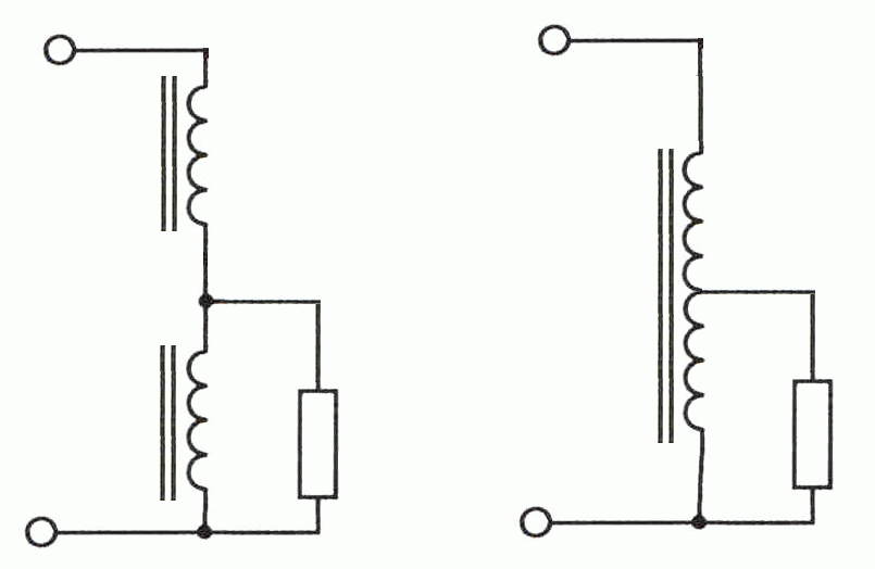
Rajzoltam hirtelen egy "hivatalos" autótrafót. A rajz elég jól mutatja, hogy 230/230V-os kialakítást abszolút butaság csinálni, mert az csak egy fölösleges fogyasztó lenne, hisz mindkét szál azonos lenne a ki/be oldalon. Ennél a trafótípusnál az a csel, hogy az "egyetlen" tekercs van megcsapolva néhány helyen, de ez nem minden. Az egyes tekercsrészek különböző vastagságú huzalból kell, hogy legyenek, mert egyébként nem lehetne a teljes teljesítményt kinyerni. Az alsó a legvastagabb, és fölfelé egyre vékonyabb. Bejelölgettem a szükséges áramokat meg feszültségeket, de idő közben meggondoltam magam, úgyse érdekel senkit a méretezés. Más, teljesen privát gondolat! Már az első találkozásunk óta azon töprengek, egyáltalán miért hívják ezt trafónak? Hiszen ez sokkal inkább egy feszültségosztó! Egyáltalán nincs is "indukcis csatolás" benne (na jó azért van, de mégse az igazi). Alkotó
Igen van műanyag borítású, én is találkoztam olyannal, hát mikor kivettem a szekrényemből azt hittem ellopták a tokjából pedig benne volt az, 500 W volt ráírva, teljesítménye alapján a tescós 500 W os gép kb 50 w nak tűnik, volt hogy 4 órán keresztül szinte megállás nélkül ment, fúrtunk csavart hajtottunk vele, langyos volt. a tescós társa 20 furat után füstöl, de elég neki 30 perc üresjárat és leég.
A félig fém házú régi evig fúróm a mai naig megy, de a műanyag sem olyan mint az újjakon, sokkal merevebb.Hasonló kialakítású lesz az én fúróm is.
Most lehet, hogy sokan megköveznek, de vállalom :hide:
Ez a topic "Műhely" néven indult >> Majd a sok szerszámokról szóló eszmecsere után, ki lett bővítve a jelenlegi nevére >> De szerintem lassan a műhely-t ki lehet venni a címből. Már nagyon régen nem láttam műhely bemutatást. Ötlet: válasszuk szét újra, hogy külön az egyik és külön a másik! Probléma: ki fogja ezt szelektálni? Megoldás: én vállalom. A legnagyobb kérdés (TI RÉSZETEKRŐL): Minek pattogok én, mit foglalkozok én ezzel? Válasz: Mert szeretnék tenni a fórumért. Véleményeket várok
Ezt jól elrendezted magadban!
Egyet értek veled és becsülendő hogy önzetlenül, önként elvállalnád ezt a feladatot.
Egy pici infó!
Az illető lehet nem fog neki örülni! Zoly15 átrendezte a műhelyét,elvileg ma este lesz róla kép! Aztmondtta még kupi van,úgyhogy pakol! Viszont én is támogatom az ötleted!
Való igaz itt egy ideje csak furkálunk-farigcsálunk, igazi műhelyképet régen láthattunk. De az lenne a kérdésem, hogy új témába akarod rakatni a szerszámokat vagy valamelyik régi témával egybe rakni pl.: ?(szerintem így is túl sok topik van..."a bőség zavara")
válasz mindenkinek!
Szeretem ezt a topikot, ill. magam is műhelyt építek jelenleg és ezért is vállalnám. A szelektálás egyszerű módon folyna: Elindulok az elejéről és azoknak a hozzászólásoknak a sorszámait gyűjtöm időrendileg növekvő sorrendbe amik egy-egy műhelyről szólnak, továbbá az utána lévő vélhetően azokra való reagálásokat is. És ami már csak egy-egy szerszámról elkezdődött és az abból kipattant eszmefuttatásokat meg hagynám, mint pl. az elmúlt pár oldal is; ahol főleg a fúrókról megy a téma. Ha kész a dolog, akkor már csak kell találnom egy vállalkozó szellemű modit vagy esetleg magát Topit aki hajlandó átfutni a válogatást. És áthelyezni a hozzászólásokat. A végén létrehoznék egy új topikot csak "Műhely" néven és oda lenne áthelyezve a stuff. Az összes többi meg maradna ebben, és leredukálódna a címe: "Szerszámok és barkácsgépek" -re Eddig ennyi lenne az ötlet
Jó elképzelés! Én továbbra is támogatom!
Mondjuk lesz vele dolgod szerintem bőven! Én SOK SIKERT KÍVÁNOK!!!
Azért nem lehet elmenni melle szó nélkül, mert a te rajzodon alapvetően hibás a tekercselrendezés. Akár így, akár úgy csűröd csavarod, nem jó. Éppen az elv az, ami rossz benne.
Az a jó amit én mutattam, és persze minden egyéb is, ami ahhoz ahosonló. A te rajzodon gyakorlatilag két tekercs van, és az autotrafón meg éppen az a lényeg, hogy egyetlen darab ami meg van csapolva. Egy.. egy.. egy.. Sajnálom, de ezt nehéz félreérteni. ... (Rám szóltak, hogy ne írja alá!)
Autotrafót pár éve kapcsolószekrényekbe építettem be, extrudergép fejfűtését lehetett szabályozni vele. Azóta persze az új sorozatokba már triakos megoldás van.
Az alábbi képen jól látható a tekercs kapcsolása, és bekötése. Az X(nulla) A(fázis) kapcsokon van a 230V hálózat, és az x(nulla) a csúszó, vagy görgős csatlakozóról levett feszültségkimenet. Létezik természetesen fix kivezetéses, tehát nem folyamatosan állítható kimenőfeszültséget adó típus is. Amit Alkotó mond a huzalvastagság-teljesítmény összefüggés gyanánt igaz, de a gyakorlatban én még csak olyannal találkoztam, amiben ugyanaz a huzalkeresztmetszet volt végig. Valószínűleg kissé túlméretezett huzalt használtak benne.
A fotók Áts Illés:Kistranszformátorok cimű könyvéből valók.
szamóca és mex
Pontosan jól látjátok, éppen erről van szó. A könyvi rajz egyike szinte kópiája az enyémnek, pedig én már nagyon rég jártam suliba. Szerintem már ne ragozzuk tovább ezt a trafó ügyet, vissza inkább a műhelyre, meg a szerszámra.
Minden tiszteltem a tiéd, mármint a feladat magadra vállalása miatt.
Az más kérdés, hogy nekem ez a két dolog nagyon összetartozik. A műhely csak egy épület, vagy annak egy része. Épp a szerszámoktól lesz belőle munkára alkalmas hely. megkockáztatom az utóbbi a lényeg, az előző csak a csomagolás rajta. De ez csak egy vélemény, ha ketté válik akkor is megtaláljuk amit keresünk.
Nem akarlak én sem bántani sem cikizni, nehogy azt hidd. De mindig csavarsz egy kicsit a dolgon.
Azért mégis próbálok segíteni. A te rajzod akkor lenne olyan mint a könyvi ábra, ha a jobb oldali alsó vezeték lejjebb lenne, egy vonalban a bal oldali alsóval, és a lényeg: a 230V helyett pl. 460V-ot kellene a jobb oldalra írni. Ekkor máris lenne egy "feszültségnövelő" autótrafónk. (feltételztem, hogy a bal oldal a primer, a jobb meg a szekunder)
Én teljesen jól megértettem a te rajzodat is. Nekem mindkét rajzból ugyanaz a lényeg jött le. Az egyetlen tekercs ami megfelelő helyen meg van csapolva.
Jól van srácok! Ennyi elég lesz erről a témáról.
Egy kissé túl van már ragozva ezt gondolom érzitek Ti is. Ha tovább akarjátok folytatni, nyissatok egy Autotrafó vagy takarék kapcsolású transzformátor topikot, és ott tárgyaljátok ki.
Szia!
Idézet: „Már az első találkozásunk óta azon töprengek, egyáltalán miért hívják ezt trafónak? Hiszen ez sokkal inkább egy feszültségosztó! Egyáltalán nincs is "indukcis csatolás" benne (na jó azért van, de mégse az igazi).” Pedig ez transzformátor a javából, nem pedig induktív feszültségosztó. Ha megnézed az ábrát rájössz, hogy miért. Ui.: Bocsi Szamóca, már elküldtem, mikor észrevettem a hozzászólásod.
Sziasztok
Lassan azért csak készülget a műszerész műhelyem, már azért dolgoztam is benne, de még egy két hiányosság azért an benne. Ahogyan időm engedi úgy csinálgatom még az elmaradt dolgokat. Üdv: Zoltán
Mzolee-nak igaza van, tényleg jobb műhelyeket nézegetni! Szuper kis műhelyed van, elmondod milyen műszerek vannak a képen? Gondolom az egyik egy állomás.
Idézet: NEM„Valószínűleg kissé túlméretezett huzalt használtak benne.” A huzalom átfolyó áramot a primer részre igazítják, tehát, a maximális primer áramot kell elbírnia. Névleges teljesítmény primer feszültség hányadosa. Az a szakasz, amely közös (primer és szekunder is egyben) ott kisebb áram folyik.
Hello
Igenh az egyik egy saját építésű forrasztó állomás, amiben van egy sima páka és egy vákuumos kiforrasztó páka. Felette pedig egy gyári labortáp látható, ami tud 2X0-35V-ig 2X0-3,5A-ig áramot leadni, plusz van rajta egy 5 vagy 12Vos kimenet segéd tápnak, ez választható. A többi műszer az csak holnap kerül oda át a nagy műhelyből szkóp, szigetelés vizsgáló, meg hasonlók Ez kimondottan egy olyan kis helyiség ahol elektronikák készítése és javítása folyik, van egy másik műhelyem is amit már régebben bemutattam ebben a topic ban. Bővebben: Link Bővebben: Link Ezek régi képek de sokat nem változott a felállás csak nagyobb lett a kupi, meg bekerült egy gázbojler is, meg újabb szerszámok és műszerek kaptak helyet benne, de a nagysága az maradt
Tetszik amit látok.
Ez természetes, hogy van természetes fény
Doncso: fogok fel tenni képet róluk, ahogyan közbe rendeződnek a dolgok Üdv!
Sziasztok!
Rendezkedtem a műhelyben, így sokkal jobb mert több fényt kapok, és mindenhez hozzáférek egyből.. Pénteken csináltam egy szerszámos polcot, a bontott Videoton TV-k dobozából van a lapanyag ![]() Valamint megmutatom az alkatrész tárolómat, lassan már tele van :no: Már bemenni is alig lehet.. Ha már ott jártam megmutatom a trafókészletemet is.. Üdv!
Itt van a többi kép ami nem fért már be.
|
Bejelentkezés
Hirdetés |





Azt majd ki kell cserélni














:no: 