Fórum témák
» Több friss téma |
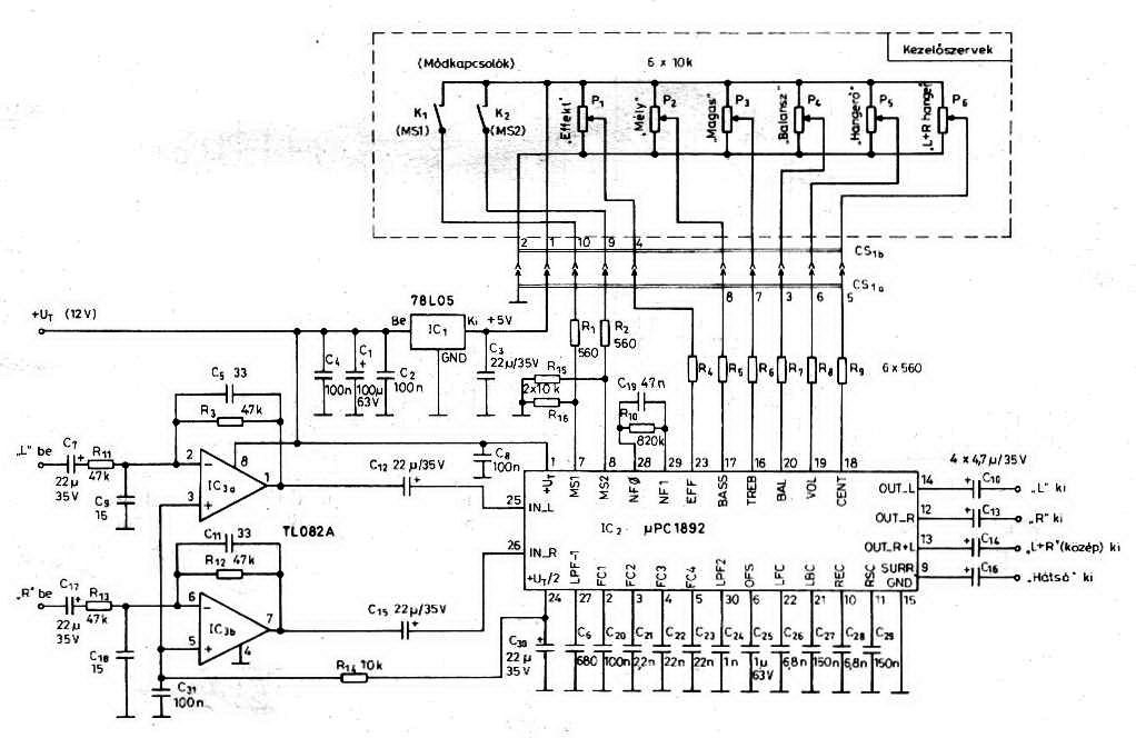
Mielőtt kérdezel, a következő két dolgot ellenőrizd!
I. A helyes tápfeszültségek megléte.
II. A kimeneten van-e egyenfeszültség.
Élesztés.
Nem sok ennél egyszerűbb 2 vagy 4csatornás végfok van.
És óriási lett
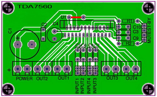
Én maradok a TDA7560-nál!
![]() Az van itthon,ha soha nem használom fel,egyszer a kukában végzi Pedig egy használatlan IC
Azért a TDA7560 nagyobb teljesítményű.
Itt egy alternatíva a panelhez így nem kell kétoldalasra csinálni, csak a végfok a panel közepén van. NET-en találtam de jó ötlet, csak a kondi ne legyen közel a hűtőbordához.
És még egy jó kivitel.
Bár van aki nem szereti a telefóliásat, ez egy remekül működő panelterv, gerjedés mentes.
Sziasztok !
Segítségre volna szükségem. Építettem egy erősítőt ami 8 ohmon tud 100W ot , 4 ohmon tud 160 W ot . Rákötöttem a 25 cm es MNC eclipse 2 es hangszórmat ami szerintem 80w ot bír és kinyírta kb félóra alatt, de nem volt fullon. Létezhet olyan, hogy tartósan kb 85 w al terheltem és ettől égett ki ? Valamin az erősítőkben a védelenek ( koppanásgátló) meg kellene akadályoznia azt ha a kivezetések rüvidre vannak zárva ? Én úgy tudom ha összeértetem a két vezetéket, a jelet és a földet akkor a relének elkéne engednie , aztán ha szétválasztom a vezetékeket akkor pedig zárnia kellene . Vagy roszul tudom ? Azért érdekel ez a kérdés, mert 1 hangfalat kötöttem rá az erősítőre és ahogy elromlott így most a 8 ohm helyet 1-1,5ohm ot mutat, és az erősítő is elromlott mind a két oldal. Gondlom a hagnszóró kiéggett , csökkent az ellenállás és a földön + váltófesz lett, mivel zene szólt és így a másik erősítő panelját is károsította. Röviden a védelem volt a hibás, az ok ha egy nagyobb erősítőre egy kisebb hangszórót teszek és így kinyírom a hangszórót, de az, hogy az erősítő is bekrepált, ez nem tetszik. Ha valaki tudja , hogy mitől romlott el az erősítő akkor légyszi segítsen, vagy ha az elméletem jó akkor helyeslést is írjátok le , mert akkor építek bele egy tutibb védelmet. köszönöm a segítségeket előre is . Üdv.: István
CHZ-jé nem jobb??
![]() Amúgy,van egy pár tervem TDA7560-ra,eddig csak CHZ kollégáé jöttbe,3 átkötéssel,de egye fene!
Szia
Igen, jól látod a hangszóró leégése okozta az erősítő halálát. Sajnos az MNC hangszórók ilyenek, nem nagy teljesítményűek, max 50W tartósan (olcsó húsnak híg a leve). A koppanásgátló nem védi meg az erősítőt a leégéstől. Olyan erősítő kapcsolási rajzot keress, amiben van rövidzár védelem, vagy fektess egy kicsivel több pénzt hangszóróba. Másik topicban nagyon "istenítik" a hangszóró2000 Kft hangszóróit, és elég olcsóak is.
És ha építenék bele például , egy olyan védelemt ami úgy működne, hogy ha a kivezetések között 3 ohm vagy annál kisseb ellenállás keletkezik akkor leoldjon a relé , ez megvédné az erősítőtt az esetleges ijen malőrök esetén. A haveromnak építem a gépet és ő szereti tesztelni a cuccokat, nem hiszem, hogy felfogja, ha azt mondom neki, hogy ne tegyen rá kisseb hangfalakt
. Inkább teszek bele neki valamit hibás hangszóró esetén.
Ha Te szeretnél építeni bele védelmet megoldható, csak tudni kell hol kell belenyúlni. Ezt úgy szokás megépíteni, hogy a hangszóróval sorosan kötnek egy kis értékű teljesítmény ellenállást (pl 0,22ohm 5W) és ezen az ellenálláson eső feszültséget figyelik tranzisztorral, és ha nagyobb egy bizonyos értéknél, akkor "elhallgat" az erősítő. Ha pl az erősítőben a kimenő tranzisztorok bírnak mondjuk 15A-t, akkor beállítják a védelmi áramkört pl 10A-ra, és ha ennél több menne ki a hangszóróra, akkor lekapcsol. Így megvédi az erősítő önmagát. A kérdésedből ítélve nem vagy profi ilyen téren, tanácsolom egy másik erősítő megépítését.
Üdv.
Uraim lehetne egy kérésem? Adott ez a panel, viszont eléggé béna vagyok hozzá és nem tudok belőle egy épkézláb paneltervet készíteni, többek között kezdő mivoltom miatt. Eagle-ben próbálkozok, és sajnos már a sematikus programrésze is fagy, pcb expresszel meg egyszerűen nem látom át ha egyből panelt próbálok megszerkeszteni. Lenne e valaki oly jólelkű, hogy elkészíti nekem? Köszönöm!
Hát nem vagyok profi, de inkább egy védelmben gondlkodnék , mint egy másik erősítőben , ez szépen szól, hangsoan , csak meg kellene védeni .
Amit leírtál az renben van , a baj csak az , hogy itt váltófeszről van szó, és nem nagyon tudom a tranzisztorok működését váltófeszeknél. A lényeg ha jól értem itt is a hangszóró ellenállásán van , vagyis minnnél kisseb ( leégéskor) annál nagyobb a terhelés az erősítőnek és ezért romlott el . Én inkánn olyan védelmen gondolkodnék, ami a koppanásgától kapocsolja le , vagyis a relét elengedi, hifikben is ijen van és ez nagyon jól működik szerintem. Ezt úgy képzeltem el, hogy tranzisztrokkal figyelem a földön beérkező pozitív jelet, ami néhány mv váltófesz, kb 1-2 mv van rajta, és ezt úgy használom ki ha mondjuk 3 ohm vagy annál kisseb hangszóró kerül rá akkor a földön beérkező + fesz nyit egy trabzisztort ami egy relét meghúz és így rövidre zárná a koppgátló tápját , vagy a nagszóró relét , így az oldana rögtön, és nem lenne kivezetés. Még ezután tovább kell vinni , ha a fetek szálnak el és azok rövidre zárnak akkor legyen benne védelem magas kimeneti fesz ellen amit pedig úgy szeretnék megépíteni, hogy kb 3V nál már működjön , enyit bírnak még a hangszórók sőt még a 9V ot is mikor tesztelem, hogy melyik a + ága .Köszönöm a segítséget , ha megépítettem a védelmet akkor felrakom , remélem sikerül majd. Üdv: István
Hát ezt én sem értem, pedig én már sok mindent nem értettem!
Hidd el a hifikben is olyan áramköri megoldást használnak amit Tomi ecsetelt. :yes:
Ilyen védelmi rész van ebben is , de miért nem működik akkor ? A biztik helyén nekem 3,15A os biztik vannak , ezek túl nagyok lenének ? Szerezzek 3A os biztiket?
Itt van a fájlban az erősítő, azt építettem meg amelyikben kettő trimmer van .
Tehát Te azt az erősítőt építetted meg, amit Szamóca mutatott? A biztosító nem az erősítő védelmére van, hanem a transzformátor miatt. Ha kiég a bizti, akkor már vége az erősítőnek. Ezzel az erősítővel az a gond, hogy a védelme áramgenerátoros, így ha rövidre zárod a kimenetet, akkor a keletkező teljesítményt a végtranyók fűtik el, ha kevés a hűtés, akkor vége. Ez a védelem kb annyira elég, hogy szereléskor a bekapcsolt erősítő kimenete összeér egy pillanatra.
Bocsi nem azt építettem meg , lemaradt a kép , itt van a link:Bővebben: Link
Szia!
Ez az erősítő jó, de nem rövidzár védett! Ha a kimenetét rövidre zárod füst neki!
Hello!
Ezt a kapcsolást én is megépítettem és meg kell mondanom, a hangja minden várakozást alumúlt...
Sziasztok!
Azt szeretném kérdezni tőletek, hogy szerintetek ez az erősítő jó-e, illetve megéri-e az árát? Mert én a súlya miatt viszolygok tőle Köszi!
Én a súlya miatt nem aggódnék, az rendben van. Az inkább gáz, hogy az eladó összevissza beszél a teljesítményadatokról, ill. nem mondja meg a teljesítményfelvételét a készüléknek.
No meg a diffúz kék palifogó megvilágítás az nagyon kell.
Ezt tudja ez az erőlködő
2 szint-szabályzó, 2 peak-LED; nagy teljesítményű gyűrűmagos trafó, rövidzár elleni védelem, teljesítmény-vezérelt szellőző. Színusz/RMS: 2x150W/4Ohm, 2x300W/4Ohm Csatlakozás: RCA, XLR Frekvenciatartomány: 10 - 30000 Hz Méret: 483 x 88 x 260 mm Súly: 7 kg A torzításról sehol nem beszélnek sajnos, ez nem túl pozitív. A kék csoda benne valóban vicces és giccses de ez saját meglátásom.
Igen ezt a teljesítmény énse értem
Mi ez a Színusz/RMS 2x150w/4ohm, 2x300w/4ohm?? Mert a színusz az megegyezik az rms-el nem? Akkor ennek most milyen a valós teljesítmény Ja meg attól félek, amit szamóca mondott hogy tényleg, a trafójának lehet, hogy 200W körüli teljesíményfelvétele van, akkor pedig ezt a teljesítményt tisztán nem lesz képes leiadni.
Sziasztok,építenék egy 5.1-s házimozit és ahhoz kellene nekem valami egyszerű dolby dekóder.
Agyon kerestem a neten de nem találtam. Valaki tudna nekem adni ilyen kapcsi rajzot.
Az általam épített erőlködő is 6 kg -os, de abban kapcsolótáp van
Ez a MC Crypt egy gyenge kínai cucc, nem vennék ilyet. 40.000 Ft-tól már lehet kapni, megbízható PA erősítőként számon tartott cuccokat, csak szét kell nézni, mondjuk a dj börzén.Ezt egyébként a Conrad is árulja.
Itt egy pár hirtelen.
-A Surround_sound-decoder_01 txt-ben ennyi kisegítő infó van. -dolby_kapcsrajz_02-hoz van sok kisegítő infó -a v.03-ról ennyi.
Ja leesett a CON..D és még néhány forgalmazó
úgy gondolja hogy ez a kék csoda 2x150W/4Ohm de legalább 2x300W/4Ohm RMS-nek hallatszik szerintük Bocs hogy így vissza ugrottam de ez nem egyszerű. A dolby_kapcsrajz ot szivesen.
Akkor egy kérdés:
Ezt sosem értettem, hogy RMS, Zenei teljesítmény. Ha most van egy erősítőm, amire rakok műterhelést (8ohm), és 110Vcs-cs van a kimenetén torzítás nélkül (szkóppal nézve,jelgenerátorról adom neki az 1KHz-es jelet), akkor az mekkora RMS és Zenei teljesítmény?
Sziasztok!
Barátom Regent 60-as erősítőjéről nem vezérelt de bekapcsolt állapotban húztam le a hangfalakat. Azóta szól ugyan de nagyon búg (50 Hz). Szerintetek a figyelmetlenségemmel mit gyilkoltam meg benne? A csöveket vagy a trafót?
Szia!
Kicsi a valószínűsége mind a kettőnek. A végfok csövek ellen ütemben dolgoznak, tehát, jel nélkül, nyugalmi állapotban a kimenőtrafón nem folyik jelentős áram, s ami folyik is az is épp ellenirányban, tehát elvileg nulla a gerjesztés. A kimeneten 0V-van. Ez esetben ha leveszed a terhelést, a trafó ugyan üresjáratba kerül, de semmi gond, hisz az előbb említett ok miatt olyan, mintha az erősítő "be sem lenne kapcsolva". Ebből következve, a trafó az üresjárat miatt nem károsodik, s nem is tud a csövekre káros hatást gyakorolni, ergo a csövek is sértetlenek maradnak. Szerintem, itt valamilyen kontakthiba léphetett fel, ami épp egybeesett ezzel az időponttal. Leszakadt egy árnyékolás, vagy egy hidegítő ellenállásnál valami. Ha van csőfűtésnél kiegyenlítő brummszűrés (lennie kéne), ott elszállhatott valami, azaz szintén kontakthibával. Esetleg bármely cső lehet a foglalatában kontakthibás. Egy 40 éves holminál akár már egy eredetileg bizonytalan forrasztás is elengedhetett. |
Bejelentkezés
Hirdetés |





Pedig egy használatlan IC








