Fórum témák
» Több friss téma |
Fórum » Lámpa kapcsolása, és fényerőszabályzás távirányítóval
Témaindító: dew28, idő: Okt 21, 2006
Témakörök:
Sziasztok!
Egy ismerősömnek kellene egy olyan áramkör, ami egy 6 vagy 12v-os égőt kapcsolna, lehetőleg fényerő szabályzással, akkumulátoros üzemmel. A gond az hogy mindezt rádiotávirányítással és 100-150m-es hatótávolsággal kellene megoldani.Szerintetek ezt házilag meg lehet csinálni,vagy esetleg van erre valamilyen gyári megoldás?
Szia!
Egy lehetséges megoldás, hogy a Kaputávirányítók (433MHz) között választasz egy kétcsatornásat, majd építesz hozzá egy PIC-es vagy Digitális (CMOS/TTL)-es léptetőáramkört, ahol az egyik bejövő élre egy fényerőt ugrik felfelé, illetve egy másik bejövő élre egyet lefelé megy a fényerő. (PWM, vagy feszültségszint ) Többcsatornás adóvevőnél meg akár minden csatornához egy fényerő értéket rendelhetsz hozzá... Az adóvevőt házilag is megépítheted, de szerintem az csak kisebb frekin valósulna meg (27MHz). A Conrad-nal, vagy a FARNELL-nál lehet ilyen adóvevőt kapni. 12V-os verzioban. Vagy az IDS-nél is. 70m-it tutira elmennek, de szerintem a modellboltokban is van hasonló szerkentyű, az több 100m-ig is elmegy. Kérdés, hogy mennyi anyagi forrás áll rendelkezésre.... Sok sikert....És kevés füstöt.
Szia!
Igazából én is egy ilyen kaputávirányítos dolgon gondolkodtam, ezzel nem is lenne nagy gond.Azt be tudom szerezni.Viszont a szabályzó áramkört/ tervezni sajna nem nagyon tudok PIC meg mégúgyse megy/ megszerkeszteni már problémásabb. Bár ha találnák egy ilyen áramkört akkor a megépítése már menne De hát ez attól is függ hogy mennyit szán rá a srác. Minden esetre köszi a választ Üdv
Szia!
PWM-áramköröket visszafelé a fórumon találsz, de rajzolhatok is egyet holnapra. 555 IC-vel a legegyszerűbb. Mondjuk meg sem kérdeztem, hogy mekkora teljesítmény kellene? A távirányító meg kapcsolgathatná mondjuk a fix ellenállásokat a PWM.-ben. Szia. Dániel.
Szia!
Ha megteszed, megköszönöm. Max 12v/10W-os égőt kellene kapcsolni és a fényerejét szabályozni fel-le. Lényegében egy vadászkollegámnak kellene, hogy kiteszi a szoróra és ha bejön a vad akkor az égőt felkapcsolná, közben a fényerejét szabályozná, anélkül hogy a vad megriadna. Ezért is kell akkumulátorról mennie, és távirányítoról működnie.Macerás 100-150méter vezetéket kihúzni, majd összeszedni. Üdv
Szia!
Nahát, nem szép dolog, apró állatokra lőni.... Mondjuk így legalább látni fogják az állatok, hogy mit is esznek....isznak. Közben gondolkodtam... Megoldás lehetne az is, hogy egy mozdásdetektor figyeli a vadetetőt, ami bejelez, ha jön a mókus, és a leghalványabb fénnyel világít a reflektor. Majd a vadász tudja egy vagy több lépcsőben emelni a fényerőt.Rajzoltam egykét ábrát, van amit csak az okosodás kedvéért. Üdv. Dániel.
Akkor az ábrák:
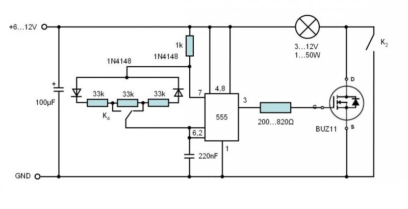
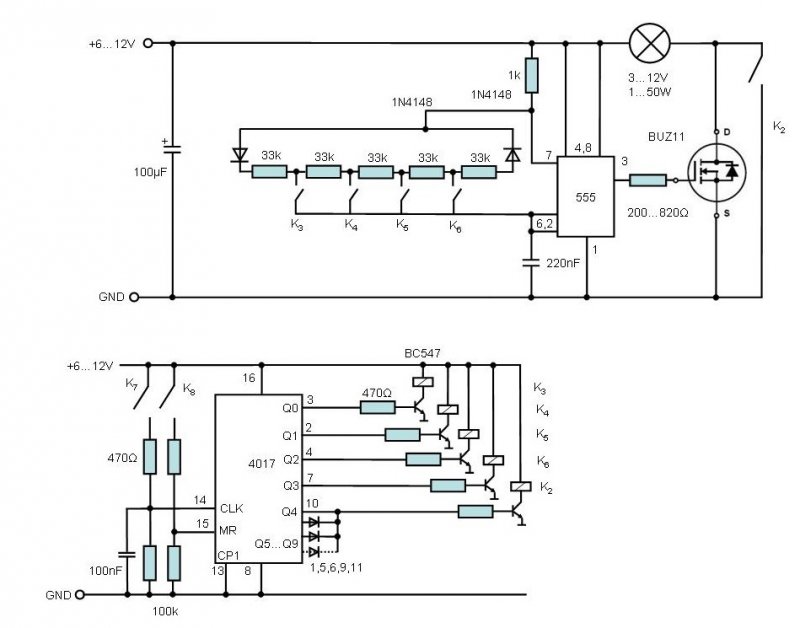
555oszcill01.JPG: Astabil multivibrátor 555-tel, R1+R2-n töltődik a kondi, R2-n kisül. Ebből lehet frekvenciát számolni, illetve a kitöltési tényezőt kisaccolni. PWM555_03.JPG: Hasonló, de ha a potival "felborítod" a szimmetriát (nem középen van a lineáris poti), akkor változtatni lehet, hogy mennyit legyen '1' és mennyit '0' a kimenet. Így lehet teljesítményt szabályozni izzólámpáknál és egyenmotoroknál meg fűtőszálaknál. Próbaképpen tegyél a 220nF-es kondira párhuzamosan egy 10µF-est, vagy 47µF-est, így "látod" is a PWM-lényegét. (Ekkor lecsökken a frekvencia, szabad szemmel is lehet látni a be és kikapcsolásokat)! PWM555_04.JPG: Ugyanez, csak a poti helyére egy K4-es kapcsolót tettem be ellenállásokkal. Látsz még egy K2-t, ezzel direktbe kapcsolhatod a lámpát, így 100%-al fog világítani. PWM555_05.JPG: Na, szerintem ezt érdemes jobban megnézned! Az áramkör felső része nagyon nem új, csak 4 fokozat van benne. (Az egyiknek mindég be kell lenni kapcsolva!) K3...K6. Alul van az érdekesség. Beraktam egy CD 4017-es johnson számlálót, ami röviden annyit csinál, hogy ha kapja az órajelet (CLK), akkor a kimeneteit lépteti egyesével (Qx), mindég egyet tartva aktívan, mintha futófény lene. 10 kimenete van, én most ötöt használok, a relék kapcsolják a K3...K2. A CLK kapcsolóját (K7) ha kapcsolgatod, az órajelet ad, ha a K8-at, akkor reset-el az áramkör és visszaáll Q0-ra. .... Bocs, le kell lépnem, majd folytatom.... :eek2:
Már itt is vagyok....
Ha ezt kikísérletezted, és így jó, akkor kell a rádióvevő két kimeneti reléjét a K7, és a K8-ra kötni. A vevőt monostabil módra kell jumperolni. Ha a rádióadón nyomkodod az egyik gombot, akkor az kattogtatja a vevőd egyik reléjét. Ezt a kontaktuspárt ha a K7-re kötöd, akkor ahányszor megnyomod az adónak ezt a gombját, annyit lépteti a 4017-est. Az kapcsolgatja a kimenetein a tranzisztorokat, az a reléket, azok meg a kitöltési tényezőt változtatják. Ha elléptetted ötig, akkor a K2 a max fényerőt adja. Ha tovább lépteted, akkor Q5-től Q9-ig ugyanazt a K2-t zárod össze a diódák miatt. Ha átfordul, akkor megint lehalványodik, és kezdi elölről. Vagy ha a távkapcsoló másik gombját megnyomod, akkor az az MR-t húzza fel, és megint Q0-ba lép. Bármikor. Sajnos elkövettem azt a hibát, hogy nem néztem meg, hogy a K3, vagy a K6 a nagyobb fényerő kapcsolója..... :eek2: Ha véletlenül fordítva lenne csak meg kell cserélni a két dióda irányát! Üdv. Dániel. ui.: Ha ez nem jó, akkor lehet kapni elektronikus potikat is, valami DS 18xx. Akkor nem kell a léptető IC.
Szia!
Hálás köszönet a rajzözönért . Holnap neki látok összerakni, bár 4017-es ic-m pont nincs, de majd megoldom.Majd beszámolok hogy mire jutottam. Mégegyszer köszi Üdv! ui:szórón csak vaddisznót lehet lőni, az meg nem apró állat
Szia!
Van még egy egész más ötletem, de ahhoz szükséged lesz egy kollégára, aki tud PIC-et programozni! Veszel egy PIC-et, egy kvarcot, meg egy (pl) BUZ11-et. A PIC-hez írsz (szerzel) egy olyan PWM progit, hogy az egyik bemenet, mint digitális léptető lefelé, a másik ugyanez csak lefelé. A kimenetre meg lehetne kötni a FET-et, ami PWM-ezne. Én sajnos annyira nem vagyok jó PIC programosásban, de technikailag így a legegyszerűbb. A PIC bemeneteire lehetne kötni a vevőd két bemenetét... Szia. ui.: A vaddisznó is apró, amikor még kismalac, vagy csak kisnövésű...
Szia!
Igen, lehet hogy PIC-el egyszerűbb lenne,de hát sajna az nekem nem megy .Ismerősöm sincs a közelben aki ilyet programozni tudna,így marad emez a megoldás.Ünnepek alatt terveztem ezt elkészíteni,de átíródott a program és nem volt időm rá sajna, de majd a héten.Jelentkezem ha van eredmény Szia!
Szia!
Nagy sokára összeraktam az áramkört, a srácnak most kellett,de elég volt neki egy negyed és egy teljes fényerő.De a lényeg hogy működik. Mégegyszer köszi Szia
Szia!
Simpi javaslata nagyon helytálló! Kérlek vedd figyelembe, nekem ez annak idején elfelejtődött... Örülök, hogy működik az áramköröd, csak így tovább. És vigyázz a mókusokkal, harapnak...
Sziasztok a fényerőszabályzós kapcsolóm rosszalkodik,ezt a típust (UR-S3Z 5)lehet érintéssel,és távirányítóval is vezérelni,az a baja hogy amikor be van kapcsolva,magától adja néha azt a hangjelzést,amit csak akkor kellene csinálnia amikor érzékeli a távirányítót,és le is kapcsol amikor olyan kedve van.Mi lehet az oka? Megvan úgy 5 éve,és kb 1 éve csinálja ezt.adatok:230V,60-400W(rádió zavarszint:MSZ EN 55014:1992)korábban 100,most 70W-os izzóval használom,de a 100W-ossal is csinálta.
|
Bejelentkezés
Hirdetés |




PIC meg mégúgyse megy/ megszerkeszteni már problémásabb. Bár ha találnák egy ilyen áramkört akkor a megépítése már menne
De hát ez attól is függ hogy mennyit szán rá a srác. Minden esetre köszi a választ
Max 12v/10W-os égőt kellene kapcsolni és a fényerejét szabályozni fel-le. Lényegében egy vadászkollegámnak kellene, hogy kiteszi a szoróra és ha bejön a vad akkor az égőt felkapcsolná, közben a fényerejét szabályozná, anélkül hogy a vad megriadna. Ezért is kell akkumulátorról mennie, és távirányítoról működnie.Macerás 100-150méter vezetéket kihúzni, majd összeszedni.




.Ismerősöm sincs a közelben aki ilyet programozni tudna,így marad emez a megoldás.Ünnepek alatt terveztem ezt elkészíteni,de átíródott a program és nem volt időm rá sajna, de majd a héten.Jelentkezem ha van eredmény





