Fórum témák

» Több friss téma
Fórum » Inverter készítése
 
Témaindító: Tomy666, idő: Máj 24, 2006
Témakörök:
Lapozás: OK   8 / 63
(#) jocki17 válasza cimopata hozzászólására (») Aug 17, 2009 /
 
Az R8 és az R9 melegszik annyira
a q1 és q2 bázisára ráfogtam a multiméter két szálát és 0.007v. Vagy nem jól mértem?
(#) cimopata válasza jocki17 hozzászólására (») Aug 17, 2009 /
 
Ne a Q1-és Q2 bázisa közt mérj hanem egyenként a bázisok és a föld közt!
(#) jocki17 válasza cimopata hozzászólására (») Aug 17, 2009 /
 
Az egyiken 1.57v
a másikon 2.6v
(#) cimopata válasza jocki17 hozzászólására (») Aug 17, 2009 /
 
Hmm.. érdekes.
Ezekből a feszülstégekből nem úgy tűnik, hogy összenyitnának a tanzisztorok. Nem értem, hogy miért nem melegszik a többi tranyó alatti ellenállás csak az a kettő.
Biztosan nem zárlatos valamelyik a 2 tranyó közül amelyiknél melegszik az ellenállás?
Próbáld meg kiszedni ezeket a tranyókat (Q7-8) és kipróbálni a tápot, hogy mit produkál így.
(#) jocki17 válasza cimopata hozzászólására (») Aug 17, 2009 /
 
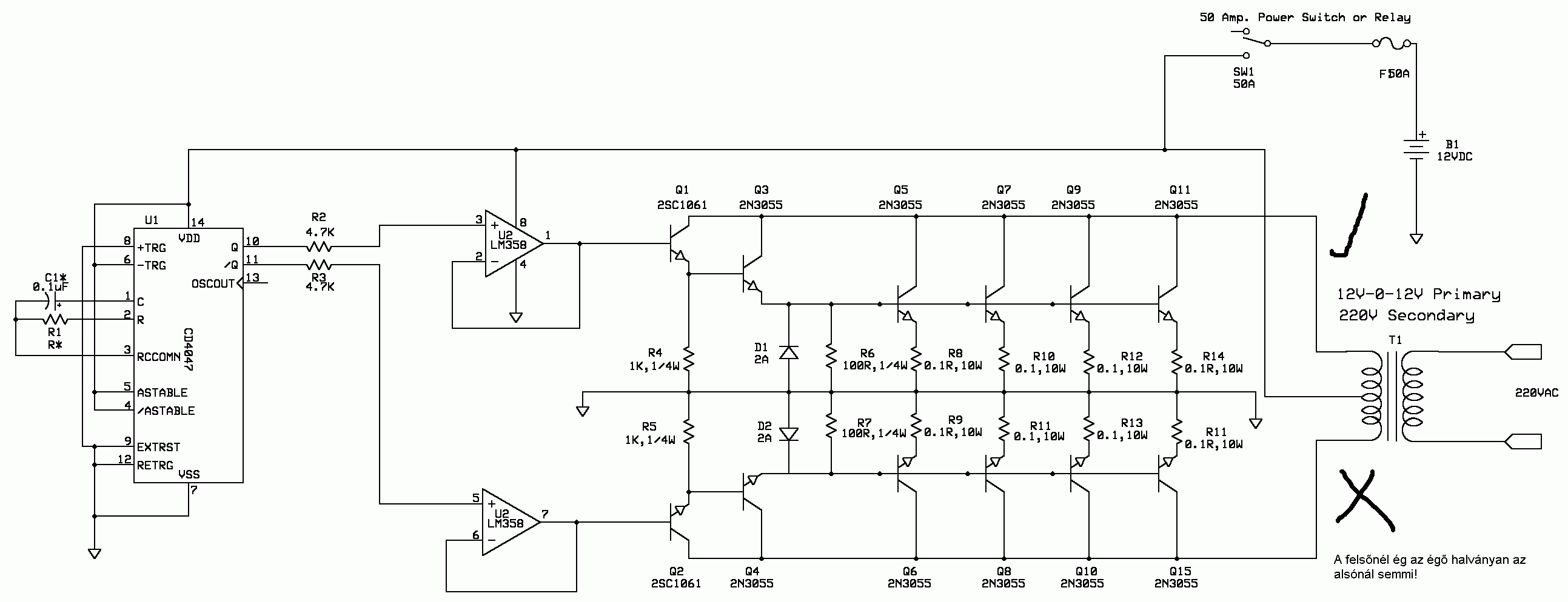
Van ugye a két sor tranyó.alsó és felső. Mindkét sor kollektora megy a transzformátorra. Az also sorra viszont a trafó nem reagál mert, leszedtem mindkét szálat a trafóról és egyesével próbáltam a kollektorra ráfogni . Ráfogtam a felső sorra ok, szikrázik a kábel amit ráfogtam a sarura. Az alsónál viszont semmi!
Vélemény?
Most megyek és megcsinálom amik mondtál.Irj nyugodtan fent vagyok egész nap!
A rajzot nézd meg
(#) cimopata válasza jocki17 hozzászólására (») Aug 17, 2009 /
 
Lehetséges, hogy csak az az oldal kapja meg a vezérlőjelet.
Már javasoltam ennél a kapcsolásnál egy jóval, jobb megoldást. Hogy haszáljanak mosfeteket a tranyók helyett.
Pl 2-2db IRF3205 bőven elbírná és nem kellene 10db 2N3055 ami ráadásul nem is olcsó annyira.
Nincsenek kéznél mosfetek? leegyszerüsítené a dolgokat, jobb is lenne a hatásfoka.
(#) jocki17 válasza cimopata hozzászólására (») Aug 17, 2009 /
 
Nos! Az egyik tranyó az alsó sorban zárlatos volt! Most semmi nem melegszik minden jó de, akksiról még mindig nem megy! Lecseréltem az egyik bd 241-est mert nem is volt egyforma a kettő. A CD4047-es Q és /Q kimenetein, az ellenállás előtt 2.3 illetve 3.3V van.
Most a BD241 bázisain 7.23 volt van.Hmm én ezt nem értem minden jó, és nem megy akksiról.Már nem zabál annyi áramot mert eddig kiakadt az akksitöltő visszajelzője de, most már nem! Most már ~100 volt van a kimeneten . Vélemény? Egy pill és csinálok róla pár képet
(#) jocki17 hozzászólása Aug 17, 2009 /
 
Üdv mindenkinek!

Lenne egy olyan kérdésem hogy, hogyan lehet 12v dc-dől 4-12 voltig állítható ac-t?
(#) cimopata válasza jocki17 hozzászólására (») Aug 18, 2009 /
 
jocki!

Jó úton jársz ezzel az inverterrel, ne hagyd abba.
Nem a kapcsolással van gond hanem hogy nincs sajnos meg a kellő műszeres felszerelésed.
Kis kitartással megtalálhatod a hibát.
AZ IC jó az áramkörben?
(#) jocki17 válasza cimopata hozzászólására (») Aug 18, 2009 /
 
Üdv!
Először is kössz a bíztatást, nem fogom feladni!
Megmértem az akksitöltő feszültségét DC illetve AC állásban és : DC12.8v AC 5volt.
De az akksiban semmi ac nincs. Ezért van az hogy csak akkor megy ha kapcsolgatom mert akkor "indukálódik" egy kevés ac feszültség a dc mellett. Vagy nem így van? Ezért tettem fel a kérdést hogy hogyan tudok dc dől ac-t csinálni, ilyen magas áramerősség mellett. Neked nincs valami tipped? Én próbálkoztam mindennel ami eszembe jutott de azon kívül hogy megrázott az áram semmi Az ic jó.

Üdv
(#) cimopata válasza jocki17 hozzászólására (») Aug 18, 2009 /
 
Ez a kapcsolás DC-ből AC-t állít elő.
Azzal, hogy az IC előállít egy 50%-os 50Hz-es négyszögjelet.
A négyszögjel továbbmeg a műveleti erősítőben ahol a műveleti erősítő már nagyobb árammal képes meghajtani a BD tranyókat. A BD tranyókból darlington kapcsolásban tovább erősödik az áram és a végén a főáram kapcsolgatását elvégzi a 4-4 alsó illetve felső 2N3055 felváltva.

Az ac feszültség úgy alakul ki, hogy a trafó ellentétes tekercseléssel van bekötve.
Tehát Amikor a felső sor kapcsol akkor az egyik irányba mágneseződik a trafó, amikor az alsó sor kapcsol akkor a másik irányba.

Műszer nélkül tényleg annyit lehet tenni, hogy ellenőrzöd minden jól van e bekötve és megbizonyosodsz arról, hogy minden alkatrész jó benne.

50Hz-es frekihez R*-nak 47k-nak kell lennie.
C kondi mindegy milyen típusú, a lényeg, hogy ne legyen nagy szórása.
(#) jocki17 válasza (Felhasználó 13571) hozzászólására (») Aug 18, 2009 /
 
Üdv!

Ezzel csak annyi a baj hogy nem tudom milyen az a stiroflex kondi Segítenél ebben? Az 1K-s ellenállás helyére mondod a trimmert?
Kössz a hozzászólást!

Üdv
jocki
(#) jocki17 válasza cimopata hozzászólására (») Aug 18, 2009 /
 
Üdv!

Amit leírtál én is értettem, csak azt hittem hogy valahogy tudsz/tudtok segíteni hogy működjön.
Az R* -on 47k-s van, a kondi meg 100nF fólia.
Honnan tudom hogy mekkora a szórása a kondinak?
(#) jocki17 válasza (Felhasználó 13571) hozzászólására (») Aug 18, 2009 /
 
Kössz a választ!

Mindkét ellenállat helyére azt tegyek?
(#) tunning16 hozzászólása Aug 23, 2009 /
 
ehez a kapcsoláshoz egy kiszuperált aksitöltö trafoja is jó?
vagy az 500w tejesitményhez 500w os trafokell?
Bővebben: Link
(#) cimopata válasza tunning16 hozzászólására (») Aug 23, 2009 /
 
Idézet:
„500w tejesitményhez 500w os trafokell?”

Hát nem így lenne ésszerű?
(#) vilmosd válasza tunning16 hozzászólására (») Aug 23, 2009 /
 
Hali
Annyi tennek hozza, hogy trafokent 230/2x9V trafo johet szamitasba, mert a Te akkud 12 voltot ad a tranzisztorokon pedig eleg nagy fesz esik. Igy soha nem lesz a kimeneten 230 volt. En is javasolnam a tranyok helyere valami IRF MOSFET alkalmazasat, mert sokkal kisebb veszteseggel mukodnek, es nem fog melegedni annyira a vegfok.
Udv Vili
(#) tunning16 hozzászólása Aug 23, 2009 /
 
kösz a gyors választ

ahoh olvastam a forumban azt irták ha mondjuk irf 3205 -öt rakok bele akk elég a 4 db is állitolag.
(#) tunning16 válasza vilmosd hozzászólására (») Aug 23, 2009 /
 
és ha n incs 230/2x9v trafom igazság szerint használhatok 230/2x12v is nem?
(#) cimopata válasza tunning16 hozzászólására (») Aug 23, 2009 /
 
Igen, használhatsz 2x12V-ost is.
(#) Pék Pál hozzászólása Aug 23, 2009 /
 
Sziasztok!
Inverter kapcsolást keresek de itt csak 12v-os kapcsolásokat láttam.Nekem 24V-ból kellene 220V kb.200W-os.
(#) tunning16 válasza Pék Pál hozzászólására (») Aug 23, 2009 /
 
üdv
ezt olvasd el és ebben van 24 v kapcsolás is

Bővebben: Link
(#) Pék Pál válasza tunning16 hozzászólására (») Aug 23, 2009 /
 
Köszi szépen!
(#) Bojtossapka hozzászólása Szept 1, 2009 /
 
Hello!
Össze szeretnék dobni egy 400-500W-os invertert bontott PC táp trafóbóm és Fetek vannak, már csak egy jó kapcsolás hiányzik hozzá. Minden ötletet szivesen fogadok.
(#) otto54 válasza Bojtossapka hozzászólására (») Szept 3, 2009 /
 
Sziasztok!

Elnézést nem szorosan kapcsolódik,de inverter.
Feltettem az "Apróhirdetés"-ek közé egy bontásra (javításra) való 1500VA-es invertert.
Több kép a:
Bővebben: képek az inverterről

Üdv. Ottó
(#) zozi22 hozzászólása Szept 25, 2009 /
 
Sziasztok!

Van egy problémám és sajnos nem nagyon tudom a megoldást.
A cimborám kamionos és egy 24/230 -as inverterrel szeretne használni egy kis gitárerősítőt.
De sajnos van egy alapzaja így és ha a kezével közelít hozzá, sokkal nagyobb. Persze ez gitár nélkül. Gitárral még zajosabb.
De otthon hibátlanul működik.
Van valakinek ötlete, gyógyszere?
(#) Mikidal hozzászólása Okt 24, 2009 /
 
helo,

Nekem egy 12V DC -bol 36V AC -t eloallito inverterre lenne szuksegem.
A Tomy666 altal bemutatott megoldas tetszik de az 555-el epult csapoka.laci verzioja elegansabbnak tunik.
A kerdesem az lenne hogy ez esetben csak a trafot kell megfeleloen megvalasszam h a kimenet 36V AC leg
yen??

Koszonom elore is a konstruktiv hozzaszolasokat.
(#) tom75 hozzászólása Nov 23, 2009 /
 
Azt szeretném megkérdezni, hogy ezen a linken: http://circuit-zone.com/ediy_blog/29/inverter_100w_12v-220v_by_ic-4047_irf540.gif látható inverter működik középelágzás nélküli trafóval is?

Köszi
(#) cimopata válasza tom75 hozzászólására (») Nov 23, 2009 /
 
Nem!
Olyannal nem megy aminek 1x9V os oldala van.
Csak olyan trafó jó aminek 2x9V leágazása van.
(#) foxi63 válasza tom75 hozzászólására (») Nov 23, 2009 /
 
sajnos nem lehet, mert a trafót ellenirányban is mágnesezni kell,azonban teljes hidas kapcsolásban lehet használni leágazás nélküli trafót.
Következő: »»   8 / 63
Bejelentkezés

Belépés

Hirdetés
XDT.hu
Az oldalon sütiket használunk a helyes működéshez. Bővebb információt az adatvédelmi szabályzatban olvashatsz. Megértettem