Fórum témák
» Több friss téma |
- Ez a felület kizárólag, az elektronikában kezdők kérdéseinek van fenntartva és nem elfelejtve, hogy hobbielektronika a fórumunk!
- Ami tehát azt jelenti, hogy a nagymama bevásárlását nem itt beszéljük meg, ill. ez nem üzenőfal! - Kerülendő az olyan kérdés, amit egy másik meglévő (több mint 17000 van), témában kellene kitárgyalni! - És végül büntetés terhe mellett kerülendő az MSN és egyéb szleng, a magyar helyesírás mellőzése, beleértve a mondateleji nagybetűket is!
Sziasztok.
Én is egy régi nagy orosz pákával próbáltam,de sajna csak egy van belőle. Ráadásul szűk a heLY és nem is fér oda a páka mindenhova. De a kérdésem még mindig adott. Az AWI hegesztőt működtető feszültség tönkre teszi-e a FET-et ha nem rajta keresztül megy a test hanem a rézsinen.Szerintem olyan 20-40V on működik az AWI, viszont csak nagyfrekis gyújtása van. A FET-ek amikről szó van 200V és 94A. Azt tudom hogy a statikus dolgokra nagyon érzékenyek a FET-ek, de vajon az ilyen dolgokat kibírja e gond nélkül? Elég drága volt darabja is ráadásul nekem 20db van, amit meg kellene forrasztani. Azt még elhiszem, hogy a billentyűzetedről hiányoznak a hosszú ékezetes magánhangzók, de hogy az ly helyett csak j-t lehet írni vele, már nem, aminthogy azt sem, hogy nem lehet vele az írásjelek (pont, vessző) után szóközt tenni... Frankye
Szasztok!
Elég kezdő vagyok a témában, lenne 2 kérdésem: 1. A potméternek miért van 3 lába? 2. Hogy kell bekötni? Ezek lennének. válaszotokat előre is kössz. todi92
"Szasz"!
1. Azért, mert a középső a két szélsőhöz képest osztja el a potméter ellenállását. Ha tehát egy poti 100 Ohm-os, akkor közélpállásban a középső és mindkét szélső között 50-50 Ohm mérhető. Ha 2/3 - 1/3 állásban van, akkor - értelemszerűen - 66,6666... és 33,3333... Ohm mérhető ugyan ott. 2. Attól függ. (Amitől lóg...)
Elnézést a helyesirásomért.Nem akarok magyarázkodni,de azt azért remélem senki nem hiszi hogy ilyen süsü vagyok.
Én is attol félek hogy a nagyfrekis gyujtás tönkreteszi.De joggal gondolhatom hogy tul sokan ilyet még nem csináltak.Azthiszem kipróbálom egy olcsó FET-tel,aztán kiderül hogy tovább. Esetleg beszámoljak az eredményröl?
Hogy miért erőlteted ezt a módszert az számomra is rejtély. Ha van awi-d, akkor nem tart semeddig kis füleket hegeszteni a sinre, amit azután már biztonsággal lehet forrasztani.
A fethalál boritékolható, úgy ahogy Te akarod kivitelezni. Még akkor sincs sok esélyed, ha előzőleg összekötöd a lábakat, mint anno az érzékenyebb tipusoknál.
Azért eröltetem mert ez már egy kész dolog.Meg is forrasztottam amennyire birtam,de nem folyt szét olyan szépen a cin ahogy kellene neki.És mivel 20 darab párhuzamosan kötött (darabja 94A) FET-röl van szó,ezért gondoltam rendesen meg kellene forrasztani a Source lábát.A Drain lábbal nincs gond mert a FET hátuját használom,ami szintén egy rézsinre van felcsavarozva.Az újraépitéssel csak az a gond hogy a Source sin egy marógépen megmunkált réz,speciálisan ide gyártattam és elég huzós volt a költsége.Szóval egy pár forrasztás miatt nem szeretném ezeket a költségeket kidobni az ablakon.
És erre keresem a megoldást.
Hello!
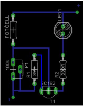
Van egy kapcsrajzom, csupán 5 alkatrész van rajta, de így is akad olyan amiről nem tudom h pontosan mi az. A képen láthattok egy diódát (5V1) ez mi lenne pontosan? 5,1 V akar lenni? nem tudom És az ellenállás (3k3) pedig 3,3 kOhm? Kérlek segítsetek. Köszönöm.
köszi köbzoli
már minden világos
Az 5V1 dioda, az egy 5.1V-os zener (ejtsd: céner) dioda. A 3k3 pedig 3.3 kOhm, igen.
Mi lenne, ha előzőleg a sint felónoznád? Ezenkivül a source-ket is. Lehet kapni szúrólángot adó PB gázpisztolyt, ezzel jó eséllyel összemelegitheted a felületeket.
A nagyobb felületek forrasztásánál, előmelegitésre ezt használom, csak rakok lángterelőnek egy darab lemezt, hogy az alkatrészt ne érje direkt láng. Egy kép segithetne
Jó estét!
Tudom hogy ezt a kérdést nem ebben a topicban kellene feltennem de az eagle-s topic nem aktív. Előre is bocsi! Szóval az eagle-ben lehet fotoellenálást rakni? Ha lehet akkor hol? Élőre is kössz! És mégegyszer ezer bocs! todi92
Műhelyt takarítottam és találtam egy 6V-os akku pack-ot ami valószívüleg egy kamerájé volt.
Adatok: 2400mAh 6V Elkezdtem tölteni.... A töltő áram 200mA körül volt inkább kevesebb. Néha megmértem az akkun a feszültséget és 7, 7.5V-ot mértem. Ez baj? Hogy nagyobb rajta a feszültség mint 6V?
Töltéskor ez a feszültség kb. normális.
Sziasztok!
Megtuná valaki mondani hogy mennyi az induktivitása egy 40W-os fénycső folytótrafónak?
Sziasztok!
Kezdő vagyok a témában. Azt szeretném kérdezni hogy a csatolt kapcsolásnak jól csináltam meg a nyák rajzát. Pls segitsetek hogy jó e , han nem javítsátok ki. Előre is köszi. Tosi
Hello!
Nem igazán jó, mert a tápfeszültséget rossz helyre raktad, valamint a 82ohm nem a potival párhuzamosan van, hanem a tranyó emitterével sorban a rajz szerint. (De ez a kapcsolás, nem a legjobban sikerült valami. És a Led akkor fog világítani, ha világos van.) üdv! proli007
Üdv!
Bocsánat, hogy beleszólok, de még a LED is fordítva van! Sok sikert hozzá!
Igenis aktív a topik, csak oda kell írni és mi kapjuk a Hértesítőt, akinek van!
A photo-elements.lbr fájl tartalmaz egy pár foto ellenállást, de a kereső is kidobja a *photo* szóra!
Hello!
Teljesen igazad van, hogy a Led fordítva van a panelben, azt nem is vettem észre! üdv! proli007
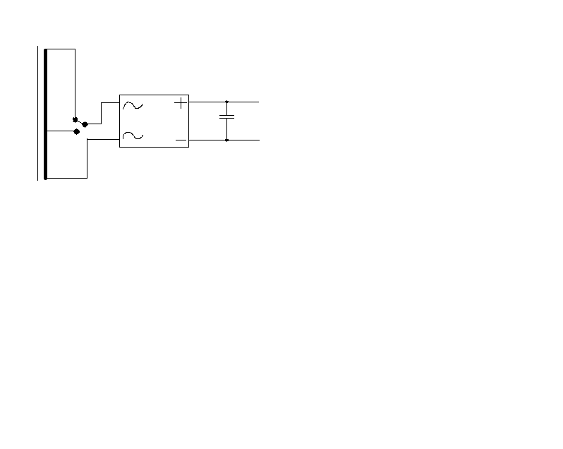
Van egy trafóm aminek egy darab 18V -os, 6V-nál megcsapolt szekundere van. Erre van valami ötletetek hogy hogyan lehetne megcsinálni, hogy a 18V is kétutasan legyen egyenirányítva ?
Szia!
Hát tegyél bele egy graetz hidat és máris kész!
Rajzold le kérlek. Nekem a 6V és a 18V is kellene.
Akkor 2 hidat teszel bele. Annyi a megkötés, hogy a két feszültség nem független egymástól (pl. nem lehet sorba kötni). Azt is megteheted, hogy egy híd, de a trafót átkapcsolóra kötöd, viszont így egyszerre csak egyféle feszültséged lesz.
Ez az átkapcsolós verzió. Ennél többet nem nagyon tudsz kihozni ebből a trafóból.
Hát ez majdnem jó, de így nem közös a két egyenirányított feszültségem földje.
Így van, de sajnos azt csak független tekercsekkel lehetne megoldani. Megcsapolásossal nem.
Az én rajzomon levő megoldásnak van esetleg valami hátránya ? (az a rajz ahol a 18V csak egyutasan van egyenirányítva) Úgy értem, hogy így a trafón csak egy irányba folyik áram. Nem okoz ez gondot ? Nem mágneseződik fel a vas károsan ?
De felmágneseződik, azonfelül az egyutas egyenirányítás nem terhelhető annyira, nagyobb a brummfeszültség, szinte csak hátránya van. Egyedüli előnye, hogy nem váltófeszültség.
Egy nagy ruszkival melegitettem a sint,egy kis ruszkival pedig felcineztem ahol kell.De miután bekerültek az alkatrészek elég szük lett a hely.
A lángos megoldás jónak tünhet,de inkább küldök egy képet hogy miröl is van szó. |
Bejelentkezés
Hirdetés |





már minden világos







