Fórum témák
» Több friss téma |
Fórum » TV hiba, mi a megoldás?
Teljesen mindegy melyik tranyót próbáltam,pár másodperc és teljesen zárlatos lesz,mielőtt tönkre megy az erős sípolás megvan a sorkimenöböl.Mit nézzek meg,eddig mindent rendben találtam.Előre is köszi.
Zárlatos a sorkimenő trafó. Csere! Esetleg lehet zárlatos még az eltérítő tekercs is
Gondolom a trafó körüli kondikat kimérted.
A sorkimenö trafót már cseréltm.Az eltéritötekercset lehuzzva is ugyanaz a jelenség.A kondik rendben vannak cseréltem őket.
Ha lehuzom az eltéritö tekercs csatiját,mert ezt tettem
nem történt semmi változás.
A vezérlés oldalt is nézd át. A Q442 tápfesz, a C453, R442, C441. Húzd le a képcsőpanelt a foglalatról, nagyfesz csatlakozó vedd le a képcsőről.
Köss be a +B tápfeszvonalba egy 100-as izzót, ez megvédi a tranzisztort a megfutástól, de viszont ha jó a sorvégfok akkor ezzel együtt is beindul (kisebb sormérettel). Oszcilloszkópod van?
Mit nézzek még meg?
A sajna nincs.
Megnézem,most hanyagolom.De köszike a segitséget.
Hi Van a SABA tv-m amin nincs kép, vagy is elmegy használat közben. Mikor nincs kép akkor a cső még fűt, látni a "fényt". Viszont ha megkocogtatom a főpanelt akkor visszajön a kép. Már a fél panelt átforrasztottam de még nincs meg a hiba. Nem a szalagkábel a hibás azt is rendbe tettem és a képcső végén is a panelt... Valakinek valami ötlet?
Szia!
Nyák-fóliarepedés lesz. Nagyon nehéz megtalálni, de nagyítóval nem reménytelen. Ott érdemes először keresni, ahol nagyobb mechanikai terhelésnek van kitéve az alaplemez. Például trafók környezete, panelszél.
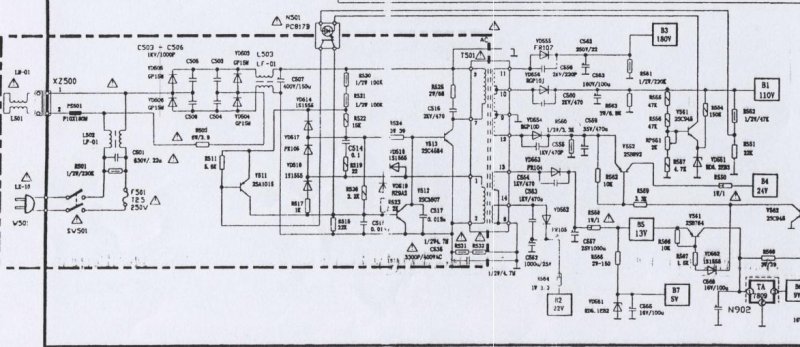
Sziasztok! Megint én vagyok az "a csöves." Haladok a régi Vidi géppel és gondoltam felteszek képet,képeket az eddigiekről... nem volt függ. eltérítés,csak egy csík... a poti környékén kicseréltem két szakadt ellenállást és ez lett az eredmény
A képet a baloldalon lévő egy potival lehet nehezen "megfogni" de ha hozzáérek azonnal összeesik sorirányban
sziasztok. hozzám került egy OTAVA típusú TV készülék. a gond az hogy bekapcsolásnál semmit sem csinál illetve a hangszóróból jön némi súgás nagyon halk. de nincs stand-by állapot. mérésnél az elválasztó trafó kimenetein csak 1O-12 voltok vannak. az lenne a kérdésem hogy a trafó előtt vagy után lehet a gond?
most csak a tápról tudok képet feltenni
Hali.
Megnéztem az általad írt alkatrészeket a C453-as kondi helyén egy átkötés van de a rajzon is jelöli.Mindent rendben találtam.Akkor csak a sorkimenő marad szerintem,cseréltem már de az bontott volt nem tudok semmit az előéletéről.
szia,erröl a tv márkárol még nem halotta edáig de minden, mindenek előtt a táp részt vizsgáld át és mijen a tápja,tranzitoros vagy ic?.
Mint látom tranyós a táp.Nézd meg azokat elöször,lehet mindkét oldalon a hiba.
bocs, nem figyeltem hogy küldtél rajzo a táprol ahogy láto ez tranz-táp.
Hali.
Megnéztem az általad írt alkatrészeket a C453-as kondi helyén egy átkötés van de a rajzon is jelöli.Mindent rendben találtam.Akkor csak a sorkimenő marad szerintem,cseréltem már de az bontott volt nem tudok semmit az előéletéről.
Szia!
A szokásos primer és szekunder oldali elkócseréken túl vagy?
Próbáld meg a trafócserét. A 100W-os izzót megpróbáltad beépíteni?
Azt írtad, a PCF200 cserélve volt. Nekem ez lett volna az első ötletem a szűk szinkronbehúzási tartományra. Nézz körül a PCF200 környezetében keress megnyúlt ellenállást.
nem még nem vagyok túl rajta egyenlőre rendelnem kell ezeket a félvezetőket és kondikat csak ezek után tudok majd mondani valamit addig is köszi
Sziasztok!
Van egy Infracolor 2000 típusú régi színes tv-m Most kaptam, hibás, ha a tulaj jól emlékszik, akkor villámcsapott volt a tv, de szeretném magamnak megjavítani. A kérdésem az lenne, hogy javítható e? vagy ilyenkor túl sok minden megy tönkre ahhoz, hogy javítani lehessen.(képcső, nagyfesz...) Sajna nem tudom, hogy a villám rf en keresztül jött e vagy 220-on. Véleményeket előre is köszönöm. BV
nefóklalkózál vele mert íjenkór majnem míten tőnkremén míten bene
Szia!
Valami életjelet produkál? Fény, kép?
Szia!
Mi a típusa? Valószínű, hogy kontakthiba lesz.
Szia! Valószínűleg a képcső fűtés megy el. Kontakthiba, képcsőhiba, ellenállás szakadozás a fűtőkörben.
Sziasztok!
Adott egy Akai CT 2007 DT készülék. Időnként kikapcsol látszólag, mert hang és kép ilyenkor nincs, de a távirányítóról tudok csatornát váltani, mert amikor visszakapcsol akkor ennek megfelelően viselkedik. Ha nem nyúlok a távirányítóhoz, akkor ott folytatódik ahol volt (mármint csatorna és hangerő sajnos nem a műsor ) A kikapcsolt és bekapcsolt állapot ideje változó, van, hogy napokig jó, de előfordul, hogy kb negyedóránként "elmegy" pihizni 3-5 percre, szóval ez teljesen kiszámíthatatlan. Előfordul, hogy visszakapcsoláskor prellező hangot hallat, de ez sem jellemző, elég véletlenszerű. Tápkondik cserélve, szerintetek merre tovább? Komoly műszerparkkal nem rendelkezem, kapcsolási rajzom van!Zsolt
Szia!
Forrasztások jók? Fóliarepedés lehet még. A sortranzisztor vezérlésénél is lehet gond. Azt kellene megnézni, ha nincs kép és hang, akkor a sorvégtranzisztor kap-e tápfeszültséget. A relé behúzótekercsének tápellátása is lehet gyanús.
Sziasztok van egy 100hz SAMSUNG tévém a hiba oka tejes képnél a kép a felső résznél visszafut ,ha felül alul vekete csik van 16:9 akor jó a kép csak halványan lácikk a felső résznél 2 piros két zöld és kék csik de az mindig ott van ,és a kék csikok ahol vannak a feléig fehér szagatott vonalak vannak (a kondikat kicseréltem a képstabilizátor ic nél ) egy husszú egylábú ic elött cseréltem a kondikat.
Ha valaki eltudná küldeni a szervizmenübbe melyik szó mit jelent azt megköszöném mert már az agyamra megy ez a tv |
Bejelentkezés
Hirdetés |







most csak a tápról tudok képet feltenni 
sajnos nem a műsor 


mert már az agyamra megy ez a tv 