Fórum témák
» Több friss téma |
Sziasztok!
Egy öreg busz belső tükörlapja mögé beépítve láttam még rég egy olyan futófényt,amibe a LED-ek jobbra irányjelzéskor balról jobbra , balra irányjelzéskor pedig jobbról balra gyulladtak ki , amolyan "NightRider" módra. A tükörlapról belülről volt lekaparva a tükröző réteg így világítottak a LED-ek át rajta. Szerintetek hogyan lehet megoldani az elektronikáját? nem lehetett nagyon bonyi ha befért egy Ikarus belső tükörbe....
A TR ÉK 1987-esben találkoztam egy ilyen vagy ehhez hasonló kapcsolással.
Tényleg egyszerű kapcsolás!... Egy oszcillátor, kettő CD4017-es, néhány dióda összekapcsolása (diódás OR) a futásirány megváltoztatásához, valamint a LED, és a LEDeket meghajtó tranzisztorok, + néhány passzív alkatrész. Az irányt a CD4017 engedélyező bemenetével lehet kiválasztani...
Konkrét kapcsolási rajzod van hozzá? Régóta keresek ilyen kapcsolási rajzot
Kimásoltam Neked a cikket, és csatolom.
Igen! :yes: :yes: :yes:
Erről a kapcsolásról van szó...
Pontosan ezt keresem körülbelül 10 éve. Hálás köszönetem.
Köszi szépen! Ki fogom próbálni a kapcsolást!
Nagyon szívesen! Használd egészséggel, és majd írjátok le a tapasztalataitokat!
Láttam,hogy a következő cikk egy klima vezérlése.
Ha nem túl nagy kérés, légyszíves feltenni azt is, mert engem az érdekelne.:worship:
Ez a "klímavezérlés" engem is érdekelne, melyik évjáratban találom meg?
A klímás dologra én is kíváncsi lennék, ha felrakod ide sokan örülnének neki........ én is
Sziasztok!
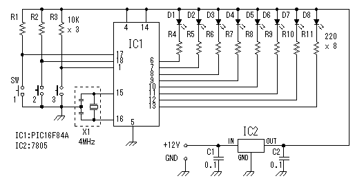
Mellékeltem egy PIC-es kapcsrajzot meg a forráskódját.Szerintem látványos lenne irányjelző visszajelzőnek. Viszont az lenne jó ha addig működne csak a futófény amíg az adott gomb lenyomva van(míg be van kapcsolva az irányjelző) Sajna nem nagyon értek a progizáshoz,ha valaki tud kérem segítsen mit kellene módosítani a programban.(egyébként jól működik az áramkör, kipróbáltam) előre is köszi!
Sziasztok!
Nos,ebbe a PIC-es visszajelzőbe senki nem tud nekem segíteni
Sziasztok!
Ezt a futófényt hogyan tudom "átszabni" hogy 3 vagy 4,5 voltról menjen? Köszi!
Arra amit a #28934-es postban csatoltál, a kanyar2.pdf-ben lévő áramkörre.
Elvben át lehet alakítani, mert a 4017-es és a 4011-es IC is képes elboldogulni 5V-ról (sőt, a 4011 adatlapja szerint 3V-tól már megy), legfeljebb az ellenállások értékét kell kicsit átszabni.
De jobb volna az 5V-os szabvány tápfeszt használni, nem a 4,5V-ost...
Na jó, de bringán honnan vegyek 5V-ot? Max 3x1,5V-os elemet akarok rátenni, ha több az már ugye nagyon nagy..
A másik hogy mennyibe kerülnek (sacc/kb) ezek a 4011-es NAND kapuk? Merthogy 8-at hasznalnak, de mindegyikbol csak EGY kaput, gondolom le lehetne egyszerűsíteni, nem? Harmadik kérdésem, hogy az órajelről a rajzban mit kell tudni? Mert már lehet kapni komplett IC-ket erre és így helyet lehet spórolni, de sajna nem tudom milyen tulajdonságai vannak ennek az "órajelgenerátornak". Ötlet? Köszi!
Az 5 V-ot bringán pl. dinamóból is veheted!
:hehe:Na de komolyra fordítva: Szerinetm egy 9V-os elemből, meg egy 5V-os stabkckából "seperc" alatt össze lehet dobni az 5V-ot. Esetleg 2 db. 9V-os elem paralell kötve elég soká bírja szuflával. A 4011-es kapuk darabja DIP14-es tokban 3 Ft btto. A rajzon - kissé megtévesztően - úgy tűnik, mintha 8 db 4011-es kellene hozzá, a valóságban azonban csak 2 kell, az IC3, és IC4 jelű alkatrészek, melyek rendre az N1-N4, illetve az N5-N8 kapukat tartalmazzák. Az órajelhez használhatsz órajel-generátor IC-t is, természetesen, de ezt maga az áramkör adja, ehhez nem kell külön órajel-kapcsolást építeni.
Na ezt talaltam egy masik oldalon....ami szep, csak hogyan tudom ugy atalakitani hogy a masik iranyba is menjen? Köszi a türelmet!
![]() Ja és Crocodile Physics szerint sehogy sem tudom elocsalni a szukseges 3V-ot es 30mA-t a LED-eknél, tehát csak mérsékelten világítanak!
A másik irányba futáshoz sztem a legegyszerűbb, ha 2 példányban készíted el az áramkört, és iránytól függően a megfelelőt kapcsolod tápfeszre.
Ebben a kapcsolásban biztos, hogy a 3V-ot nem fogod tudni 100%-ban a LED-ekre küldeni, a 300mA-t nem tudom sem cáfolni, sem megerősíteni. Legjobb módja, ha próbapanelon összedobod a kapcsolást. Tulképpen párszáz Ft-ból az egész megvan. Ha jó, műxik, akkor gyártasz hozzá NYÁK-ot, és összerakod úgy.
Okés beszereztem a 4017-es IC-ket, az 555-ös pedig pár napon belül meglesz.
Aktuális kérdésem: az órajel sebessége ugye a kondenzátor kapacitásától függ? (lásd 2-vel ezellőtti post-om csatolmányát) Köszi!
Igen, meg az ellenállásétól, ha jól sejtem.
|
Bejelentkezés
Hirdetés |





:hehe:





