Fórum témák
» Több friss téma |
- Ez a felület kizárólag, az elektronikában kezdők kérdéseinek van fenntartva és nem elfelejtve, hogy hobbielektronika a fórumunk!
- Ami tehát azt jelenti, hogy a nagymama bevásárlását nem itt beszéljük meg, ill. ez nem üzenőfal! - Kerülendő az olyan kérdés, amit egy másik meglévő (több mint 17000 van), témában kellene kitárgyalni! - És végül büntetés terhe mellett kerülendő az MSN és egyéb szleng, a magyar helyesírás mellőzése, beleértve a mondateleji nagybetűket is!
Üdv.
Szeretnék egy szót kirakni ledekből, kb: 50-60db ledből állna, és egy olyan elektronikát kellene hozzá építeni ami fel villantja a ledeket bizonyos időközönként. Egész pontosan úgy szeretném, mivel csak egy szórol van szó, hogy szép sorba kigyulldnának a ledek, az első betűtől kezdve az utolsóig, és utána elaludna az összes, és újra indulna az egész. Az lenne a fontos, hogy amikor kigyulladnak a ledek, azok maradjanak is égve addig amig az összes nem világít, az utolsó betűig. Ekkor világítana 1-2 másodpercig, és aztán újra indulna az egész. Még ami fontos hogy nem külön betünként gyulladna ki, hanem minden led egymás után, ami alkot egy betűt, ami égve marad, és jön a következő betü, és igy tovább egész az utolsó betűig. Hasonló lenne szerintem mint egy futófény, csak annyi külömbséggel hogy amikor kigyullad a következö led akkor nem alszik el az előző. Előre is köszönöm a segítségeket!!!
Szia! Sajnos ez így nem járható út.
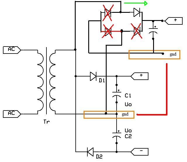
Lásd fájlmellék. A GND ilyen összekötésével a graetz-hídból egy dióda teljesen ki lesz söntölve. Két dióda csak a lábát lógatja. Vagyis nem fog dolgozni. Egy dióda marad ami működni fog. Igy lesz két egyutas + tápfeszültséged és egy - egyutas. Ezt tovább egyszerűsítve egy jól méretezett +/- os egyutas tápegység is elég. Legjobb lenne az előerősítőt/hangszín szabályzót külön trafórol üzemelne. De megoldható egy tápegységgel is! ( Lásd fentebb. ) DE! Mint ahogy írtad, kicsatoló kondenzátor is kell a két egység közé. S a GND a KÖZÖS viszonyítási alap! Így ahhoz képest van + illetve - feszültség!
SŐT! Alaposan megnézve a rajzot, az egyik dióda rövidre fogja zárni a transzformátort!!!
Köszönöm, hogy megnézted az elképzelésem. Akkor berakok inkább egy kistrafót, nem nagyon meló!
Szép Napot! Üdv!
Szia!
Nem jó a potis módszer, mert ugye a két motornak külön kell változtatnom a fordulatát. Tehát sztem a legegyszerűb hogyha simán rákötök 1-1 potit a motorokra, és így korlátozom az áramfelvételét. Üdv!
Teljesen igazad van!
Azért alkalmaztam, mert ha valaki mégis gyakorlati kipróbálásra szánná el magát az számoljon ezzel a következménnyel. Én is figyelmen kívül hagytam egy "pillanatra". ( Igaz jobban az egyszerűsítést tartottam szem előtt. )
Sziasztok!van egy samsung házimozim és elromlott a dvd optika benne.Úgy döntöttem inkább veszek egy dvd lejátszót mint megcsináltatom.De amelyik lejátszókat kinéztem mindegyiknek rca digitális kimenete van a házimozin meg csak optikai bemenet van.Hogy tudnék digitális rca bemenetet csinálni rá?
Hello!
Készítettünk már "hasonló szerkezetet" itt valakivel. - De ha minden Led-et egymás után akarsz kigyújtani, akkor 50-60 meghajtó kell, és ennyi vezeték, stb. Viszont ha ragaszkodsz hozzá, akkor a shift regisztereket meg kell növelni, viszont nem kell áramgenerátor, csak egy tranyó a kimenetre, meg egy soros ellenállás a Led-nek. - Az utolsó regiszter (kapcsolóval) arra szolgál, hogy mennyi ideig legyen kiírva a szöveg, ha már minden Led ég. üdv! proli007
Sziasztok!
A bekarikázott alkatrész micsoda? Hogyan mondanátok máshogy: ,,kompaund'' & ,,antikompaund'' (párhuzamos gerjesztésű? & soros?) Köszönöm.
Szia!
Az egy változtatható ellenállás. A gerjesztőáramot állítja.
Most látom hülyeséget írtam.Szóval kompaund=vegyes gerjesztésű na de antikompaund=nem vegyes gerjesztésű?? (tehát soros vagy párhuzamos?)
Köszönöm kadarist.
A kompaund vegyes gerjesztést jelent, általános értelemben pedig kombinációját két, vagy több elemnek.
Bővebben: Link Bővebben: Link
Sziasztok!
Mint gondolom sejtitek,hogy új vagyok itt. Le irnám nektek a "problémámat" Na szóval:Építettem egy 18wattos neon csövet egy energiatakarékos(kompakt fénycső)elektronikájából.Nagyon jó működik meg minden... Aztán olvastam a fórumon,hogy ha bekötsz egy áram csökkentőt fordítva,akkor az a kis feszültséget fel generálja.(remélem még bírjátok követni a fonalat mert csak most jön a java )Tehát jött a próba:9 voltos váltakozó áram jött ki az egyik csökkentőből amit egy 16 voltos áramcsökkentő kimenetére kötöttem és annak a betápját ahol a 220 v.menne be azt rá kötöttem a fénycső bemenetére és láss csodát...világított! Fordítva is megcsináltam,úgy is! Majd aztán volt egy egyen áramú csökkentőm is és azzal is bepróbálkoztam.Ahogy össze érintettem a vezetéket abban a pillanatban fel villant a fénycső de el is aludt...ha érintgetem össze úgy villog,na most nekem olyan kellene ami helyettem nagyon gyorsan érintgeti össze És ezáltal szaggatja az áramot nekem. Kocsiba kéne egy ilyen fénycsövet üzemeltetni amikor megyünk "táborozni"akkor legyen világítás. Várom válaszotokat. Az egyen áram az 12 volt volt
Bővebben: Link
Bár kétlem, hogy meg tudod építeni segítség nélkül.
Ez bonyolult nekem
Ezt már néztem,meg feketedik is a cső... :eek2: De kiváncsi lennék hogy hogy működik egy ilyen,milyen hatásfok stb. Valaki csinált már ilyet?
Egy 230V/12V os trafót köss be forditva és egy 555 el meg egy tranyóval kapcsolgasd. Pergő relével is meg lehet oldani de a fény vibrálni fog és a relé élettartama se lesz túl nagy.
Ez mind szép és jó de...
Mi az a 555?És mi az a tranyó? Bocs de csak ilyen hobbi féle gyerek vagyok Szal úgy kéne elmondanotok,hogy ha holnap bemegyek egy híradás teknikai boltba akkor a szerencsés pultosnak is el tudjam magyarázni
Én úgy gondoltam hogy a minusz az fixen összekötve maradjon a plusz ot pedig valamivel szaggatom,légyszi irjátok le pl.az ic melyik 2 lábát kell bekötni hogy működjön.Tudom most a felyeteket fogjátok hogy hogy létezik a világon ekkora hü..e ember de van
És még nálam is olyanabbak.
Nos ha már nem válaszol senki akkor itt egy újabb agyszüleményem:
Autós invertert veszek,bekötöm szivar gyújtóra,a 220 as dugóba egy elosztó,az egyikre egy fénycsövet a másikra egy aksitöltőt dugok,az aksitöltőt rá az aksira.A kérdés az hogy az inverter termel e annyi áramot hogy az aksi töltő birja tölteni az aksit? Ér ez egyáltalán valamit?Meghosszabítható ezáltal az aksi teljes lemerüléseig való idő?
Allj bele nyakig egy toba.
Fogd meg erosen a fejedet (nem a felyedet!) a kezeiddel es rantsd felfele. Ha igy ki tudsz emelkedni a vizbol, akkor igen. Olyasmirol hallottal-e mar, hogy energiamegmaradasi torveny?
Úgy nem megy!
De a saját hajamnál fogva már ki húztam magam 58 ba a dunából. Nem igaz! Én az ilyen végletek embere vagyok... Akkor ha veszek egy invertert,és egy 20 wattos neoncsövet hajtok róla(55 ah aksi)akkor kb.meddig birja? Mert gondolkoztam azon is,hogy lehet kapni kompakt fénycsövet ami 12 voltról működik(dc)és annak az elektronikáját kiberhelném és egy neon csőre raknám...melyiknek lenne jobb a hatásfoka?
A LED-nek. De ha mindenarom csovet akarsz, akkor:
A watt az feszultseg x aram. Tehat ha van egy 20W-os csoved es 12V-bol hajtod, idealis esetben 20/12 ampert vesz fel, idealis esetben az utolso cseppig ki tudod venni az akkubol a kakaot, tehat 55/(20/12) oraig megy, ez max 25 ora lehet. Az atalakitasi veszteseg, a nem tokeletes akku es a nem maximalis feltoltes miatt szerintem kb 18-20 ora realis.
Helló! Van egy időkapcsolóm csak nem tudom hogy hogy kell bekötni. Tudnátok nekem segíteni? Lefényképeztem azt ami rajta van, de nem jöttem rá hogy hova kell kötni a 230V-ot meg azt amit kapcsolni akarok. Bocs a rossz képminőségért.
Sziasztok!
Nem ismertek olyan feszültségindikátor kapcsolást ami egyent és váltót is jelez(ledekkel)? Ez azért nem jó,mert drágák(190-230) a tranzisztorok,ha kisebb értékűre cserélem a tr.-kat akkor pedig hamar vagy azonnal tönkremegy. Bss elektronikán is van egy kapcsolás,abban van egy 230AC izzó és 2 led,az viszont azért nem jó,mert nagy az izzó(még a legkisebb fajta is) és az élettartama is kisebb mint egy lednek. Német és angol oldalakon se találtam hasonlót.
Szia!
Lomtalanításkor szedj össze egy-két színes tévét. Azokból szedd ki a video-végtranzisztorokat. Így ingyen jutsz megfelelő alkatrészekhez.
Sziasztok!
Volna egy két kérdésem, remélem tudtok segíteni. Az első az volna ,hogy a mellékelt képen bekarikáztam pirossal a jobb felső sarokban van egy 6,3A T értékre hallgató jószág csak sajnos nem tudom ,hogy mi lehet ez. A másik kérdésem az lenne ,hogy van az L1 és L2 ami talán egy induktivitás . Nem tudom ,hogy mekkora helyet hadjak ki neki a nyákon mert nem találtam ilyesmit neten esetleg nem tudjátok ,hogy hol lehet ilyet kapni.a harmadik kérdésem meg az lenne ,hogy van a jobb alsó sarkában egy védelem ami szerintetek egy sima egyszerű kapcsoló lehet vagy biztosíték? Segítségeteket előre is köszönöm rem érthetően fogalmaztam ui.:csati |
Bejelentkezés
Hirdetés |










. Nem tudom ,hogy mekkora helyet hadjak ki neki a nyákon mert nem találtam ilyesmit neten esetleg nem tudjátok ,hogy hol lehet ilyet kapni.
